(TXT) View Source
       
       # STOLLMANN GMBH
       
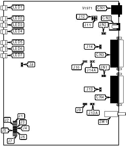
          TA-DD
       
          Card Type                ISDN TA                               
          Chip Set                 Unidentified                          
          Maximum Data Rate        64Kbps x 2                            
          Data Bus                 External                              
          ISDN Modulation Protocol V.110, 1TR6, DSS1, X.30               
       
 (IMG) IMG 1
          
       
          +------------------------------------------------------------+
          |                        CONNECTIONS                         |
          |------------------------------------------------------------|
          |    Function     |    Label     |    Function    |  Label   |
          |------------------------------------------------------------|
          | Line out                 |     CN1     | V.24 or    | CN4  |
          |                          |             | X.21 port  |      |
          |                          |             | 1          |      |
          |--------------------------+-------------+------------+------|
          | DC power                 |     CN2     | Reset      | SW1  |
          |                          |             | button     |      |
          |--------------------------+-------------+------------+------|
          | V.24 or X.21 port 2      |     CN3     |            |      |
          |------------------------------------------------------------|
          |      Note: X.21 functionality is provided by an included   |
          |      adapter cable.                                        |
          +------------------------------------------------------------+
       
          +------------------------------------------------------------+
          |                 USER CONFIGURABLE SETTINGS                 |
          |------------------------------------------------------------|
          |               Setting               | Label |   Position   |
          |-------------------------------------+-------+--------------|
          | í Editor debug mode disabled        |  J3   |     Open     |
          |-------------------------------------+-------+--------------|
          | Editor debug mode enabled           |  J3   |    Closed    |
          |-------------------------------------+-------+--------------|
          | í TA will use saved profile         |  J4   |     Open     |
          |-------------------------------------+-------+--------------|
          | TA will use default profile only    |  J4   |    Closed    |
          |-------------------------------------+-------+--------------|
          | í Remote configuration enabled      |  J6   |     Open     |
          |-------------------------------------+-------+--------------|
          | Remote configuration disabled       |  J6   |    Closed    |
          |-------------------------------------+-------+--------------|
          | í Port 1 is in V.24 mode            |  J9   |     Open     |
          |-------------------------------------+-------+--------------|
          | Port 1 is in X.21 mode              |  J9   |    Closed    |
          |-------------------------------------+-------+--------------|
          | í Port 2 is in V.24 mode            |  J10  |     Open     |
          |-------------------------------------+-------+--------------|
          | Port 2 is in X.21 mode              |  J10  |    Closed    |
          |-------------------------------------+-------+--------------|
          | í Port 1 is in DCE mode             |  J13  |    Closed    |
          |-------------------------------------+-------+--------------|
          | Port 1 is in DTE mode               |  J13  |     Open     |
          |-------------------------------------+-------+--------------|
          | í Pin 25 of port 1 is not connected | J13A  |     Open     |
          |-------------------------------------+-------+--------------|
          | Pin 25 of port 1 is +9V DC          | J13A  |    Closed    |
          |-------------------------------------+-------+--------------|
          | í Port 2 is in DCE mode             |  J14  |    Closed    |
          |-------------------------------------+-------+--------------|
          | Port 2 is in DTE mode               |  J14  |     Open     |
          |-------------------------------------+-------+--------------|
          | í Pin 25 of port 2 is not connected | J14A  |     Open     |
          |-------------------------------------+-------+--------------|
          | Pin 25 of port 2 is +9V DC          | J14A  |    Closed    |
          |-------------------------------------+-------+--------------|
          | í Pin 1 of port 1 is capacitive     |  JN1  |     Open     |
          | ground                              |       |              |
          |-------------------------------------+-------+--------------|
          | Pin 1 of port 1 is galvanic ground  |  JN1  |    Closed    |
          |-------------------------------------+-------+--------------|
          | í Pin 1 of port 2 is capacitive     |  JN2  |     Open     |
          | ground                              |       |              |
          |-------------------------------------+-------+--------------|
          | Pin 1 of port 2 is galvanic ground  |  JN2  |    Closed    |
          |-------------------------------------+-------+--------------|
          | í Factory configured - do not alter |  J5   | Unidentified |
          |-------------------------------------+-------+--------------|
          | í Factory configured - do not alter |  J7   | Unidentified |
          |-------------------------------------+-------+--------------|
          | í Factory configured - do not alter |  J8   | Unidentified |
          +------------------------------------------------------------+
       
          +------------------------------------------------------------+
          |                    ISDN INTERFACE TYPE                     |
          |------------------------------------------------------------|
          |     Setting      |        J11         |        J12         |
          |------------------+--------------------+--------------------|
          |   S-interface    | Pins 1 & 2 closed  | Pins 1 & 2 closed  |
          |------------------+--------------------+--------------------|
          |   U-interface    | Pins 2 & 3 closed  | Pins 2 & 3 closed  |
          +------------------------------------------------------------+
       
          +------------------------------------------------------------+
          |                         LINE TYPE                          |
          |------------------------------------------------------------|
          |      Setting       |        J1         |        J2         |
          |--------------------+-------------------+-------------------|
          |    Public ISDN     |       Open        |       Open        |
          |--------------------+-------------------+-------------------|
          |      ISDN PBX      |      Closed       |       Open        |
          |--------------------+-------------------+-------------------|
          | ISDN PBX with LLC  |       Open        |      Closed       |
          +------------------------------------------------------------+
       
          +------------------------------------------------------------+
          |                     DIAGNOSTIC LED(S)                      |
          |------------------------------------------------------------|
          |                LED1 Status                |   Condition    |
          |-------------------------------------------+----------------|
          |                    On                     |  Power is on   |
          |-------------------------------------------+----------------|
          |                    Off                    |  Power is off  |
          |-------------------------------------------+----------------|
          |                 Blinking                  |  ISDN failed   |
          |-------------------------------------------+----------------|
          | LED2 Status  | LED3 Status  | LED4 Status |   Condition    |
          |--------------+--------------+-------------+----------------|
          |     Off      |     Off      |     Off     |     Normal     |
          |              |              |             | operation for  |
          |              |              |             |   channel 1    |
          |--------------+--------------+-------------+----------------|
          |      On      |     Off      |     Off     |      ISDN      |
          |              |              |             |   connection   |
          |              |              |             | established on |
          |              |              |             |   channel 1    |
          |--------------+--------------+-------------+----------------|
          | Alternating  | Alternating  |     Off     |  Hotline call  |
          |              |              |             | repetition in  |
          |              |              |             |  progress on   |
          |              |              |             |   channel 1    |
          |--------------+--------------+-------------+----------------|
          |   Blinking   |   Blinking   |     Off     |  Hotline call  |
          |              |              |             |   repetition   |
          |              |              |             |    error on    |
          |              |              |             |   channel 1    |
          |--------------+--------------+-------------+----------------|
          |   Blinking   |     Off      |     Off     | Hotline active |
          |              |              |             |    without     |
          |              |              |             | connection on  |
          |              |              |             |   channel 1    |
          |--------------+--------------+-------------+----------------|
          |      On      |     Off      |     Off     | Profile editor |
          |              |              |             | in use locally |
          |              |              |             |  on channel 1  |
          |--------------+--------------+-------------+----------------|
          |      On      |      On      |     On      | Profile editor |
          |              |              |             | password being |
          |              |              |             |   entered on   |
          |              |              |             |   channel 1    |
          |--------------+--------------+-------------+----------------|
          |      On      |   Blinking   |  Blinking   | Profile editor |
          |              |              |             |     in use     |
          |              |              |             |  remotely on   |
          |              |              |             |   channel 1    |
          |--------------+--------------+-------------+----------------|
          |     Off      |     Off      |     On      |   Unable to    |
          |              |              |             |   determine    |
          |              |              |             |    correct     |
          |              |              |             |   connection   |
          |              |              |             |    rate on     |
          |              |              |             |   channel 1    |
          |--------------+--------------+-------------+----------------|
          |     Off      |      On      |     Off     |   Buffer has   |
          |              |              |             | overflowed on  |
          |              |              |             |   channel 1    |
          |--------------+--------------+-------------+----------------|
          | Alternating  |   Blinking   | Alternating | Checksum error |
          |              |              |             |    has been    |
          |              |              |             |  detected on   |
          |              |              |             |   channel 1    |
          |--------------+--------------+-------------+----------------|
          | LED5 Status  | LED6 Status  | LED7 Status |   Condition    |
          |--------------+--------------+-------------+----------------|
          |     Off      |     Off      |     Off     |     Normal     |
          |              |              |             | operation for  |
          |              |              |             |   channel 2    |
          |--------------+--------------+-------------+----------------|
          |      On      |     Off      |     Off     |      ISDN      |
          |              |              |             |   connection   |
          |              |              |             | established on |
          |              |              |             |   channel 2    |
          |--------------+--------------+-------------+----------------|
          | Alternating  | Alternating  |     Off     |  Hotline call  |
          |              |              |             | repetition in  |
          |              |              |             |  progress on   |
          |              |              |             |   channel 2    |
          |--------------+--------------+-------------+----------------|
          |   Blinking   |   Blinking   |     Off     |  Hotline call  |
          |              |              |             |   repetition   |
          |              |              |             |    error on    |
          |              |              |             |   channel 2    |
          |--------------+--------------+-------------+----------------|
          |   Blinking   |     Off      |     Off     | Hotline active |
          |              |              |             |    without     |
          |              |              |             | connection on  |
          |              |              |             |   channel 2    |
          |--------------+--------------+-------------+----------------|
          |      On      |     Off      |     Off     | Profile editor |
          |              |              |             | in use locally |
          |              |              |             |  on channel 2  |
          |--------------+--------------+-------------+----------------|
          |      On      |      On      |     On      | Profile editor |
          |              |              |             | password being |
          |              |              |             |   entered on   |
          |              |              |             |   channel 2    |
          |--------------+--------------+-------------+----------------|
          |      On      |   Blinking   |  Blinking   | Profile editor |
          |              |              |             |     in use     |
          |              |              |             |  remotely on   |
          |              |              |             |   channel 2    |
          |--------------+--------------+-------------+----------------|
          |     Off      |     Off      |     On      |   Unable to    |
          |              |              |             |   determine    |
          |              |              |             |    correct     |
          |              |              |             |   connection   |
          |              |              |             |    rate on     |
          |              |              |             |   channel 2    |
          |--------------+--------------+-------------+----------------|
          |     Off      |      On      |     Off     |   Buffer has   |
          |              |              |             | overflowed on  |
          |              |              |             |   channel 2    |
          |--------------+--------------+-------------+----------------|
          | Alternating  |   Blinking   | Alternating | Checksum error |
          |              |              |             |    has been    |
          |              |              |             |  detected on   |
          |              |              |             |   channel 2    |
          |--------------+--------------+-------------+----------------|
          | LED2  | LED3 | LED4 | LED5  | LED6 | LED7 |   Condition    |
          |-------+------+------+-------+------+------+----------------|
          | Blink | Off  | Off  | Blink | Off  | Off  |     TA is      |
          |       |      |      |       |      |      |   resetting    |
          +------------------------------------------------------------+
       
                            Proprietary AT Command Set
       
          +------------------------------------------------------------+
          |                      AUTO-ANSWER TIME                      |
          |------------------------------------------------------------|
          | Type:        | Register                                    |
          |--------------+---------------------------------------------|
          | Format:      | AT [cmds] S0=n [cmds]                       |
          |--------------+---------------------------------------------|
          | Default:     | Unidentified                                |
          |--------------+---------------------------------------------|
          | Range:       | 0-24                                        |
          |--------------+---------------------------------------------|
          | Unit:        | 5 seconds                                   |
          |--------------+---------------------------------------------|
          | Description: | Sets the amount of time that will elapse    |
          |              | before the TA will answer an incoming call. |
          |              | When this value is set to 0 the TA will not |
          |              | automatically answer calls. A value of 1    |
          |              | will answer immediately. Values greater     |
          |              | than 1 set the time to (n-1) * 5 seconds.   |
          +------------------------------------------------------------+
       
          +------------------------------------------------------------+
          |                         CTS SIGNAL                         |
          |------------------------------------------------------------|
          | Type:        | Configuration                               |
          |--------------+---------------------------------------------|
          | Format:      | AT [cmds] &Rn [cmds]                        |
          |--------------+---------------------------------------------|
          | Description: | Controls the operation of the Clear to Send |
          |              | signal.                                     |
          |------------------------------------------------------------|
          |      Command       |               Function                |
          |--------------------+---------------------------------------|
          |        &R0         | CTS follows RTS.                      |
          |--------------------+---------------------------------------|
          |        &R1         | CTS forced high.                      |
          |--------------------+---------------------------------------|
          |        &R2         | CTS follows V.110 flow control.       |
          +------------------------------------------------------------+
       
          +------------------------------------------------------------+
          |                     FLOW CONTROL MODE                      |
          |------------------------------------------------------------|
          | Type:        | Configuration                               |
          |--------------+---------------------------------------------|
          | Format:      | AT [cmds] &Kn [cmds]                        |
          |--------------+---------------------------------------------|
          | Description: | Sets the type of flow control used.         |
          |------------------------------------------------------------|
          |     Command      |                Function                 |
          |------------------+-----------------------------------------|
          |       &K0        | Flow control disabled.                  |
          |------------------+-----------------------------------------|
          |       &K3        | CTS/RTS flow control enabled.           |
          |------------------+-----------------------------------------|
          |       &K4        | XON/XOFF flow control enabled.          |
          |------------------+-----------------------------------------|
          |       &K5        | Flow control disabled.                  |
          +------------------------------------------------------------+
       
          +------------------------------------------------------------+
          |                        RESULT CODES                        |
          |------------------------------------------------------------|
          | Type:        | Register                                    |
          |--------------+---------------------------------------------|
          | Format:      | AT [cmds] S15=n [cmds]                      |
          |--------------+---------------------------------------------|
          | Description: | Enables caller ID information and extended  |
          |              | result codes.                               |
          |------------------------------------------------------------|
          |    Command    |                  Function                  |
          |---------------+--------------------------------------------|
          |     S15=0     | Caller ID information and extended result  |
          |               | codes disabled.                            |
          |---------------+--------------------------------------------|
          |     S15=1     | Caller ID information enabled.             |
          |---------------+--------------------------------------------|
          |     S15=3     | Caller ID information and extended result  |
          |               | codes enabled.                             |
          +------------------------------------------------------------+
       
          +------------------------------------------------------------+
          |                  BIT-MAPPED REGISTER S14                   |
          |------------------------------------------------------------|
          | Format:        | AT [cmds] S14=n [cmds]                    |
          |----------------+-------------------------------------------|
          | Default:       | Unidentified                              |
          |----------------+-------------------------------------------|
          | Range:         | 0-14                                      |
          |----------------+-------------------------------------------|
          | Description:   | Controls echo mode and result codes.      |
          |------------------------------------------------------------|
          |   Bit   |  Value  |                Function                |
          |---------+---------+----------------------------------------|
          |    0    |       0 | Not used.                              |
          |------------------------------------------------------------|
          |      1      |     0 | Command echo disabled.               |
          |             |       |                                      |
          |             |     1 | Command echo enabled.                |
          |-------------+-------+--------------------------------------|
          |      2      |     0 | Result codes enabled.                |
          |             |       |                                      |
          |             |     1 | Result codes disabled.               |
          |-------------+-------+--------------------------------------|
          |      3      |     0 | Numerical result codes enabled.      |
          |             |       |                                      |
          |             |     1 | Verbose result codes enabled.        |
          +------------------------------------------------------------+
       
                             Proprietary Command Set
       
          +------------------------------------------------------------+
          |                      COMMAND ECHOING                       |
          |------------------------------------------------------------|
          | Type:        | Configuration                               |
          |--------------+---------------------------------------------|
          | Format:      | Jn                                          |
          |--------------+---------------------------------------------|
          | Description: | Selects whether commands will be echoed     |
          |              | back to the DTE.                            |
          |------------------------------------------------------------|
          |       Command       |               Function               |
          |---------------------+--------------------------------------|
          |         J0          | Command echoing disabled.            |
          |---------------------+--------------------------------------|
          |        í J1         | Command echoing enabled.             |
          +------------------------------------------------------------+
       
          +------------------------------------------------------------+
          |                      CONNECTION SPEED                      |
          |------------------------------------------------------------|
          | Type:        | Configuration                               |
          |--------------+---------------------------------------------|
          | Format:      | Hn                                          |
          |--------------+---------------------------------------------|
          | Description: | Sets the speed of the remote connection.    |
          |------------------------------------------------------------|
          |        Command         |             Function              |
          |------------------------+-----------------------------------|
          |           H1           | Set speed to 300bps.              |
          |------------------------+-----------------------------------|
          |           H2           | Set speed to 600bps.              |
          |------------------------+-----------------------------------|
          |           H3           | Set speed to 1200bps.             |
          |------------------------+-----------------------------------|
          |           H4           | Set speed to 2400bps.             |
          |------------------------+-----------------------------------|
          |           H5           | Set speed to 4800bps.             |
          |------------------------+-----------------------------------|
          |          í H6          | Set speed to 9600bps.             |
          |------------------------+-----------------------------------|
          |           H7           | Set speed to 19.2Kbps.            |
          |------------------------+-----------------------------------|
          |           H8           | Set speed to 38.4Kbps.            |
          +------------------------------------------------------------+
       
          +------------------------------------------------------------+
          |                   CHANGE PROFILE CHANNEL                   |
          |------------------------------------------------------------|
          | Type:        | Configuration                               |
          |--------------+---------------------------------------------|
          | Format:      | PROn                                        |
          |--------------+---------------------------------------------|
          | Description: | Selects which channel’s profile is being    |
          |              | edited.                                     |
          |------------------------------------------------------------|
          |       Command       |               Function               |
          |---------------------+--------------------------------------|
          |        PRO1         | Edit profile for channel 1.          |
          |---------------------+--------------------------------------|
          |        PRO2         | Edit profile for channel 2.          |
          +------------------------------------------------------------+
       
          +------------------------------------------------------------+
          |                 CTS SIGNAL - NO CONNECTION                 |
          |------------------------------------------------------------|
          | Type:        | Configuration                               |
          |--------------+---------------------------------------------|
          | Format:      | NCTS 0xhh                                   |
          |--------------+---------------------------------------------|
          | Description: | Controls the behaviour of the CTS signal    |
          |              | when there is no ISDN connection.           |
          |------------------------------------------------------------|
          |    Command    |                  Function                  |
          |---------------+--------------------------------------------|
          |   NCTS 0x01   | CTS is forced low.                         |
          |---------------+--------------------------------------------|
          |   NCTS 0x02   | CTS is forced high.                        |
          |---------------+--------------------------------------------|
          |   NCTS 0x04   | CTS follows DTR.                           |
          |---------------+--------------------------------------------|
          |   NCTS 0x08   | CTS follows RTS.                           |
          |---------------+--------------------------------------------|
          |   NCTS 0x10   | CTS is forced high during connection and   |
          |               | negotiation only.                          |
          |---------------+--------------------------------------------|
          |   NCTS 0x20   | CTS follows remote DTR.                    |
          |---------------+--------------------------------------------|
          |   NCTS 0x40   | CTS follows remote RTS.                    |
          |---------------+--------------------------------------------|
          |   NCTS 0x80   | CTS follows V.110 flow control.            |
          +------------------------------------------------------------+
       
          +------------------------------------------------------------+
          |                  CTS SIGNAL - NEGOTIATION                  |
          |------------------------------------------------------------|
          | Type:        | Configuration                               |
          |--------------+---------------------------------------------|
          | Format:      | WCTS 0xhh                                   |
          |--------------+---------------------------------------------|
          | Description: | Controls the behaviour of the CTS signal    |
          |              | while dialing and negotiating a connection. |
          |------------------------------------------------------------|
          |    Command     |                 Function                  |
          |----------------+-------------------------------------------|
          |   WCTS 0x01    | CTS is forced low.                        |
          |----------------+-------------------------------------------|
          |   WCTS 0x02    | CTS is forced high.                       |
          |----------------+-------------------------------------------|
          |   WCTS 0x04    | CTS follows DTR.                          |
          |----------------+-------------------------------------------|
          |   WCTS 0x08    | CTS follows RTS.                          |
          |----------------+-------------------------------------------|
          |   WCTS 0x10    | CTS is forced high during connection and  |
          |                | synchronization only.                     |
          |----------------+-------------------------------------------|
          |   WCTS 0x20    | CTS follows remote DTR.                   |
          |----------------+-------------------------------------------|
          |   WCTS 0x40    | CTS follows remote RTS.                   |
          |----------------+-------------------------------------------|
          |   WCTS 0x80    | CTS follows V.110 flow control.           |
          +------------------------------------------------------------+
       
          +------------------------------------------------------------+
          |                  CTS SIGNAL - CONNECTION                   |
          |------------------------------------------------------------|
          | Type:        | Configuration                               |
          |--------------+---------------------------------------------|
          | Format:      | CCTS 0xhh                                   |
          |--------------+---------------------------------------------|
          | Description: | Controls the behaviour of the CTS signal    |
          |              | while connected.                            |
          |------------------------------------------------------------|
          |    Command    |                  Function                  |
          |---------------+--------------------------------------------|
          |   CCTS 0x01   | CTS is forced low.                         |
          |---------------+--------------------------------------------|
          |   CCTS 0x02   | CTS is forced high.                        |
          |---------------+--------------------------------------------|
          |   CCTS 0x04   | CTS follows DTR.                           |
          |---------------+--------------------------------------------|
          |   CCTS 0x08   | CTS follows RTS.                           |
          |---------------+--------------------------------------------|
          |   CCTS 0x10   | CTS is forced high during connection and   |
          |               | synchronization only.                      |
          |---------------+--------------------------------------------|
          |   CCTS 0x20   | CTS follows remote DTR.                    |
          |---------------+--------------------------------------------|
          |   CCTS 0x40   | CTS follows remote RTS.                    |
          |---------------+--------------------------------------------|
          |   CCTS 0x80   | CTS follows V.110 flow control.            |
          +------------------------------------------------------------+
       
          +------------------------------------------------------------+
          |                        DATA LENGTH                         |
          |------------------------------------------------------------|
          | Type:        | Configuration                               |
          |--------------+---------------------------------------------|
          | Format:      | Ln                                          |
          |--------------+---------------------------------------------|
          | Description: | Selects how many data bits will be          |
          |              | transmitted.                                |
          |------------------------------------------------------------|
          |         Command          |            Function             |
          |--------------------------+---------------------------------|
          |           í L0           | Synchronous mode.               |
          |--------------------------+---------------------------------|
          |            L7            | 7 data bits.                    |
          |--------------------------+---------------------------------|
          |            L8            | 8 data bits.                    |
          +------------------------------------------------------------+
       
          +------------------------------------------------------------+
          |                        DATA PARITY                         |
          |------------------------------------------------------------|
          | Type:        | Configuration                               |
          |--------------+---------------------------------------------|
          | Format:      | Mn                                          |
          |--------------+---------------------------------------------|
          | Description: | Selects how many parity bits will be        |
          |              | transmitted.                                |
          |------------------------------------------------------------|
          |          Command           |           Function            |
          |----------------------------+-------------------------------|
          |            í M0            | No parity.                    |
          |----------------------------+-------------------------------|
          |             M1             | Odd parity.                   |
          |----------------------------+-------------------------------|
          |             M2             | Even parity.                  |
          +------------------------------------------------------------+
       
          +------------------------------------------------------------+
          |                         DATA STOP                          |
          |------------------------------------------------------------|
          | Type:        | Configuration                               |
          |--------------+---------------------------------------------|
          | Format:      | Nn                                          |
          |--------------+---------------------------------------------|
          | Description: | Selects how many stop bits will be          |
          |              | transmitted.                                |
          |------------------------------------------------------------|
          |           Command           |           Function           |
          |-----------------------------+------------------------------|
          |            í M1             | 1 stop bit.                  |
          |-----------------------------+------------------------------|
          |             M2              | 2 stop bits.                 |
          +------------------------------------------------------------+
       
          +------------------------------------------------------------+
          |                 DCD SIGNAL - NO CONNECTION                 |
          |------------------------------------------------------------|
          | Type:        | Configuration                               |
          |--------------+---------------------------------------------|
          | Format:      | NDCD 0xhh                                   |
          |--------------+---------------------------------------------|
          | Description: | Controls the behavior of the DCD signal     |
          |              | when there is no ISDN connection.           |
          |------------------------------------------------------------|
          |    Command    |                  Function                  |
          |---------------+--------------------------------------------|
          |   NDCD 0x01   | DCD is forced low.                         |
          |---------------+--------------------------------------------|
          |   NDCD 0x02   | DCD is forced high.                        |
          |---------------+--------------------------------------------|
          |   NDCD 0x04   | DCD follows DTR.                           |
          |---------------+--------------------------------------------|
          |   NDCD 0x08   | DCD follows RTS.                           |
          |---------------+--------------------------------------------|
          |   NDCD 0x10   | DCD is forced high during connection and   |
          |               | negotiation only.                          |
          |---------------+--------------------------------------------|
          |   NDCD 0x20   | DCD follows remote DTR.                    |
          |---------------+--------------------------------------------|
          |   NDCD 0x40   | DCD follows remote RTS.                    |
          |---------------+--------------------------------------------|
          |   NDCD 0x80   | DCD follows V.110 flow control.            |
          +------------------------------------------------------------+
       
          +------------------------------------------------------------+
          |                  DCD SIGNAL - NEGOTIATION                  |
          |------------------------------------------------------------|
          | Type:        | Configuration                               |
          |--------------+---------------------------------------------|
          | Format:      | WDCD 0xhh                                   |
          |--------------+---------------------------------------------|
          | Description: | Controls the behavior of the DCD signal     |
          |              | while dialing and negotiating a connection. |
          |------------------------------------------------------------|
          |    Command     |                 Function                  |
          |----------------+-------------------------------------------|
          |   WDCD 0x01    | DCD is forced low.                        |
          |----------------+-------------------------------------------|
          |   WDCD 0x02    | DCD is forced high.                       |
          |----------------+-------------------------------------------|
          |   WDCD 0x04    | DCD follows DTR.                          |
          |----------------+-------------------------------------------|
          |   WDCD 0x08    | DCD follows RTS.                          |
          |----------------+-------------------------------------------|
          |   WDCD 0x10    | DCD is forced high during connection and  |
          |                | synchronization only.                     |
          |----------------+-------------------------------------------|
          |   WDCD 0x20    | DCD follows remote DTR.                   |
          |----------------+-------------------------------------------|
          |   WDCD 0x40    | DCD follows remote RTS.                   |
          |----------------+-------------------------------------------|
          |   WDCD 0x80    | DCD follows V.110 flow control.           |
          +------------------------------------------------------------+
       
          +------------------------------------------------------------+
          |                  DCD SIGNAL - CONNECTION                   |
          |------------------------------------------------------------|
          | Type:        | Configuration                               |
          |--------------+---------------------------------------------|
          | Format:      | CDCD 0xhh                                   |
          |--------------+---------------------------------------------|
          | Description: | Controls the behaviour of the DCD signal    |
          |              | while connected.                            |
          |------------------------------------------------------------|
          |    Command    |                  Function                  |
          |---------------+--------------------------------------------|
          |   CDCD 0x01   | DCD is forced low.                         |
          |---------------+--------------------------------------------|
          |   CDCD 0x02   | DCD is forced high.                        |
          |---------------+--------------------------------------------|
          |   CDCD 0x04   | DCD follows DTR.                           |
          |---------------+--------------------------------------------|
          |   CDCD 0x08   | DCD follows RTS.                           |
          |---------------+--------------------------------------------|
          |   CDCD 0x10   | DCD is forced high during connection and   |
          |               | synchronization only.                      |
          |---------------+--------------------------------------------|
          |   CDCD 0x20   | DCD follows remote DTR.                    |
          |---------------+--------------------------------------------|
          |   CDCD 0x40   | DCD follows remote RTS.                    |
          |---------------+--------------------------------------------|
          |   CDCD 0x80   | DCD follows V.110 flow control.            |
          +------------------------------------------------------------+
       
          +------------------------------------------------------------+
          |                       DEBUG PROFILE                        |
          |------------------------------------------------------------|
          | Type:        | Immediate                                   |
          |--------------+---------------------------------------------|
          | Format:      | TEST                                        |
          |--------------+---------------------------------------------|
          | Description: | Displays the profile editor debug page.     |
          +------------------------------------------------------------+
       
          +------------------------------------------------------------+
          |                         DIAL MODE                          |
          |------------------------------------------------------------|
          | Type:        | Configuration                               |
          |--------------+---------------------------------------------|
          | Format:      | En                                          |
          |--------------+---------------------------------------------|
          | Description: | Selects the dial mode the TA will use.      |
          |------------------------------------------------------------|
          |    Command    |                  Function                  |
          |---------------+--------------------------------------------|
          |     í E1      | Manual dialing only; prompt for number     |
          |               | will be displayed.                         |
          |---------------+--------------------------------------------|
          |      E2       | Asynchronous V.25bis dial mode.            |
          |---------------+--------------------------------------------|
          |      E3       | Hotline dial mode; DTR is used for call    |
          |               | signalling.                                |
          |---------------+--------------------------------------------|
          |      E4       | Hotline dial mode; RTS is used for call    |
          |               | signalling.                                |
          |---------------+--------------------------------------------|
          |      E5       | Hotline dial mode; automatic dial attempt. |
          |---------------+--------------------------------------------|
          |      E6       | Incoming calls only.                       |
          |---------------+--------------------------------------------|
          |      E7       | Hayes dialing mode.                        |
          |---------------+--------------------------------------------|
          |      E8       | Synchronous V.25bis dial mode.             |
          +------------------------------------------------------------+
       
          +------------------------------------------------------------+
          |                 DSR SIGNAL - NO CONNECTION                 |
          |------------------------------------------------------------|
          | Type:        | Configuration                               |
          |--------------+---------------------------------------------|
          | Format:      | NDSR 0xhh                                   |
          |--------------+---------------------------------------------|
          | Description: | Controls the behaviour of the DSR signal    |
          |              | when there is no ISDN connection.           |
          |------------------------------------------------------------|
          |    Command    |                  Function                  |
          |---------------+--------------------------------------------|
          |   NDSR 0x01   | DSR is forced low.                         |
          |---------------+--------------------------------------------|
          |   NDSR 0x02   | DSR is forced high.                        |
          |---------------+--------------------------------------------|
          |   NDSR 0x04   | DSR follows DTR.                           |
          |---------------+--------------------------------------------|
          |   NDSR 0x08   | DSR follows RTS.                           |
          |---------------+--------------------------------------------|
          |   NDSR 0x10   | DSR is forced high during connection and   |
          |               | negotiation only.                          |
          |---------------+--------------------------------------------|
          |   NDSR 0x20   | DSR follows remote DTR.                    |
          |---------------+--------------------------------------------|
          |   NDSR 0x40   | DSR follows remote RTS.                    |
          |---------------+--------------------------------------------|
          |   NDSR 0x80   | DSR follows V.110 flow control.            |
          +------------------------------------------------------------+
       
          +------------------------------------------------------------+
          |                  DSR SIGNAL - NEGOTIATION                  |
          |------------------------------------------------------------|
          | Type:        | Configuration                               |
          |--------------+---------------------------------------------|
          | Format:      | WDSR 0xhh                                   |
          |--------------+---------------------------------------------|
          | Description: | Controls the behaviour of the DSR signal    |
          |              | while dialing and negotiating a connection. |
          |------------------------------------------------------------|
          |    Command     |                 Function                  |
          |----------------+-------------------------------------------|
          |   WDSR 0x01    | DSR is forced low.                        |
          |----------------+-------------------------------------------|
          |   WDSR 0x02    | DSR is forced high.                       |
          |----------------+-------------------------------------------|
          |   WDSR 0x04    | DSR follows DTR.                          |
          |----------------+-------------------------------------------|
          |   WDSR 0x08    | DSR follows RTS.                          |
          |----------------+-------------------------------------------|
          |   WDSR 0x10    | DSR is forced high during connection and  |
          |                | synchronization only.                     |
          |----------------+-------------------------------------------|
          |   WDSR 0x20    | DSR follows remote DTR.                   |
          |----------------+-------------------------------------------|
          |   WDSR 0x40    | DSR follows remote RTS.                   |
          |----------------+-------------------------------------------|
          |   WDSR 0x80    | DSR follows V.110 flow control.           |
          +------------------------------------------------------------+
       
          +------------------------------------------------------------+
          |                  DSR SIGNAL - CONNECTION                   |
          |------------------------------------------------------------|
          | Type:        | Configuration                               |
          |--------------+---------------------------------------------|
          | Format:      | CDSR 0xhh                                   |
          |--------------+---------------------------------------------|
          | Description: | Controls the behaviour of the DSR signal    |
          |              | while connected.                            |
          |------------------------------------------------------------|
          |    Command    |                  Function                  |
          |---------------+--------------------------------------------|
          |   CDSR 0x01   | DSR is forced low.                         |
          |---------------+--------------------------------------------|
          |   CDSR 0x02   | DSR is forced high.                        |
          |---------------+--------------------------------------------|
          |   CDSR 0x04   | DSR follows DTR.                           |
          |---------------+--------------------------------------------|
          |   CDSR 0x08   | DSR follows RTS.                           |
          |---------------+--------------------------------------------|
          |   CDSR 0x10   | DSR is forced high during connection and   |
          |               | synchronization only.                      |
          |---------------+--------------------------------------------|
          |   CDSR 0x20   | DSR follows remote DTR.                    |
          |---------------+--------------------------------------------|
          |   CDSR 0x40   | DSR follows remote RTS.                    |
          |---------------+--------------------------------------------|
          |   CDSR 0x80   | DSR follows V.110 flow control.            |
          +------------------------------------------------------------+
       
          +------------------------------------------------------------+
          |                        DTE/DCE MODE                        |
          |------------------------------------------------------------|
          | Type:        | Configuration                               |
          |--------------+---------------------------------------------|
          | Format:      | Sn                                          |
          |--------------+---------------------------------------------|
          | Description: | Sets whether the TA will operate as a DTE   |
          |              | or a DCE device.                            |
          |------------------------------------------------------------|
          |        Command        |              Function              |
          |-----------------------+------------------------------------|
          |         í S0          | TA will operate as DCE.            |
          |-----------------------+------------------------------------|
          |          S1           | TA will operate as DTE.            |
          +------------------------------------------------------------+
       
          +------------------------------------------------------------+
          |                         DTR SIGNAL                         |
          |------------------------------------------------------------|
          | Type:        | Configuration                               |
          |--------------+---------------------------------------------|
          | Format:      | Dn                                          |
          |--------------+---------------------------------------------|
          | Description: | Controls the operation of the Data Terminal |
          |              | Ready signal.                               |
          |------------------------------------------------------------|
          |    Command     |                 Function                  |
          |----------------+-------------------------------------------|
          |       D0       | Incoming calls accepted regardless of DTR |
          |                | state; low DTR does not disconnect.       |
          |----------------+-------------------------------------------|
          |      í D1      | Incoming calls accepted only if DTR is    |
          |                | high; DTR or RTS transition to high will  |
          |                | initiate a hotline call if in hotline     |
          |                | mode; low DTR disconnects.                |
          |----------------+-------------------------------------------|
          |       D2       | Incoming calls accepted only if DTR is    |
          |                | high; high DTR or RTS will initiate a     |
          |                | hotline call if in hotline mode; low DTR  |
          |                | disconnects.                              |
          |----------------+-------------------------------------------|
          |       D3       | Incoming calls accepted regardless of DTR |
          |                | state; DTR or RTS transition to high will |
          |                | initiate a hotline call if in hotline     |
          |                | mode; low DTR disconnects.                |
          |----------------+-------------------------------------------|
          |       D4       | Incoming calls accepted regardless of DTR |
          |                | state; high DTR or RTS will initiate a    |
          |                | hotline call if in hotline mode; low DTR  |
          |                | disconnects.                              |
          |----------------+-------------------------------------------|
          |       D5       | Incoming calls accepted only if DTR is    |
          |                | high; DTR or RTS transition to high will  |
          |                | initiate a hotline call if in hotline     |
          |                | mode; low DTR does not disconnect.        |
          |----------------+-------------------------------------------|
          |       D6       | Incoming calls accepted only if DTR is    |
          |                | high; high DTR or RTS will initiate a     |
          |                | hotline call if in hotline mode; low DTR  |
          |                | does not disconnect.                      |
          +------------------------------------------------------------+
       
          +------------------------------------------------------------+
          |                            EAZ                             |
          |------------------------------------------------------------|
          | Type:        | Configuration                               |
          |--------------+---------------------------------------------|
          | Format:      | An                                          |
          |--------------+---------------------------------------------|
          | Description: | Sets which incoming calls are answered.     |
          |------------------------------------------------------------|
          |    Command    |                  Function                  |
          |---------------+--------------------------------------------|
          |      A0       | All incoming calls are answered; all       |
          |               | channels are notified of the call.         |
          |---------------+--------------------------------------------|
          |    A1 - A8    | Only calls with a matching EAZ are         |
          |               | answered.                                  |
          |---------------+--------------------------------------------|
          |      A9       | All incoming calls are answered; only the  |
          |               | channel matching the EAZ is notified of    |
          |               | the call.                                  |
          +------------------------------------------------------------+
       
          +------------------------------------------------------------+
          |                        EAZ - EDITOR                        |
          |------------------------------------------------------------|
          | Type:        | Configuration                               |
          |--------------+---------------------------------------------|
          | Format:      | Tn                                          |
          |--------------+---------------------------------------------|
          | Description: | Sets which incoming calls should be routed  |
          |              | for remote configuration.                   |
          |------------------------------------------------------------|
          |    Command     |                 Function                  |
          |----------------+-------------------------------------------|
          |       T0       | Only calls ending in "e" are routed to    |
          |                | the editor.                               |
          |----------------+-------------------------------------------|
          |    T1 - T8     | Only calls with a matching EAZ are        |
          |                | answered.                                 |
          |----------------+-------------------------------------------|
          |       T9       | Calls matching the EAZ or ending in "e"   |
          |                | are routed to the editor.                 |
          +------------------------------------------------------------+
       
          +------------------------------------------------------------+
          |                    ENTER PROFILE EDITOR                    |
          |------------------------------------------------------------|
          | Type:        | Immediate                                   |
          |--------------+---------------------------------------------|
          | Description: | Enters the profile editor so that changes   |
          |              | may be made.                                |
          |------------------------------------------------------------|
          |     Mode      |                  Command                   |
          |---------------+--------------------------------------------|
          |  Manual dial  | <CR><ESC>                                  |
          |---------------+--------------------------------------------|
          | V.25bis dial  | <CR><ESC>                                  |
          |---------------+--------------------------------------------|
          |  Hayes dial   | AT<CR><ESC>                                |
          |---------------+--------------------------------------------|
          |   All other   | Push reset button, then <CR><CR><ESC><ESC> |
          |     modes     |                                            |
          +------------------------------------------------------------+
       
          +------------------------------------------------------------+
          |                    EXIT PROFILE EDITOR                     |
          |------------------------------------------------------------|
          | Type:        | Immediate                                   |
          |--------------+---------------------------------------------|
          | Format:      | EXIT                                        |
          |              |                                             |
          |              | <ESC>                                       |
          |--------------+---------------------------------------------|
          | Description: | Quits the editor without saving changes.    |
          +------------------------------------------------------------+
       
          +------------------------------------------------------------+
          |                  FLOW CONTROL MODE - DCE                   |
          |------------------------------------------------------------|
          | Type:        | Configuration                               |
          |--------------+---------------------------------------------|
          | Format:      | Bn                                          |
          |--------------+---------------------------------------------|
          | Description: | Sets the type of flow control used.         |
          |------------------------------------------------------------|
          |     Command      |                Function                 |
          |------------------+-----------------------------------------|
          |        B0        | Flow control disabled.                  |
          |------------------+-----------------------------------------|
          |       í B1       | XON/XOFF flow control enabled.          |
          |------------------+-----------------------------------------|
          |        B2        | CTS flow control enabled.               |
          +------------------------------------------------------------+
       
          +------------------------------------------------------------+
          |                  FLOW CONTROL MODE - DTE                   |
          |------------------------------------------------------------|
          | Type:        | Configuration                               |
          |--------------+---------------------------------------------|
          | Format:      | Cn                                          |
          |--------------+---------------------------------------------|
          | Description: | Sets the type of flow control used.         |
          |------------------------------------------------------------|
          |     Command      |                Function                 |
          |------------------+-----------------------------------------|
          |        C0        | Flow control disabled.                  |
          |------------------+-----------------------------------------|
          |       í C1       | XON/XOFF flow control enabled.          |
          |------------------+-----------------------------------------|
          |        C2        | RTS flow control enabled.               |
          |------------------+-----------------------------------------|
          |        C3        | DTR flow control enabled.               |
          +------------------------------------------------------------+
       
          +------------------------------------------------------------+
          |                       HOTLINE NUMBER                       |
          |------------------------------------------------------------|
          | Type:        | Configuration                               |
          |--------------+---------------------------------------------|
          | Format:      | HOT <#>                                     |
          |--------------+---------------------------------------------|
          | Description: | Sets the number for hotline calling. If no  |
          |              | number is given, hotline calling will not   |
          |              | be allowed.                                 |
          +------------------------------------------------------------+
       
          +------------------------------------------------------------+
          |                      INACTIVITY TIMER                      |
          |------------------------------------------------------------|
          | Type:        | Configuration                               |
          |--------------+---------------------------------------------|
          | Format:      | Fn                                          |
          |--------------+---------------------------------------------|
          | Default:     | 0                                           |
          |--------------+---------------------------------------------|
          | Range:       | 0 - 60                                      |
          |--------------+---------------------------------------------|
          | Unit:        | 1 minute                                    |
          |--------------+---------------------------------------------|
          | Description: | Sets the amount of time that there must be  |
          |              | no activity on the ISDN line before the TA  |
          |              | disconnects.                                |
          +------------------------------------------------------------+
       
          +------------------------------------------------------------+
          |                    INCOMING CALL NUMBER                    |
          |------------------------------------------------------------|
          | Type:        | Configuration                               |
          |--------------+---------------------------------------------|
          | Format:      | RUFn <#>                                    |
          |--------------+---------------------------------------------|
          | Description: | Sets the number in position n of allowed    |
          |              | incoming calls.                             |
          +------------------------------------------------------------+
       
          +------------------------------------------------------------+
          |                          LANGUAGE                          |
          |------------------------------------------------------------|
          | Type:        | Configuration                               |
          |--------------+---------------------------------------------|
          | Format:      | Kn                                          |
          |--------------+---------------------------------------------|
          | Description: | Selects the language the TA will display    |
          |              | messages in.                                |
          |------------------------------------------------------------|
          |    Command    |                  Function                  |
          |---------------+--------------------------------------------|
          |      K0       | Messages will be displayed in English.     |
          |---------------+--------------------------------------------|
          |     í K1      | Messages will be displayed in German.      |
          +------------------------------------------------------------+
       
          +------------------------------------------------------------+
          |                         LINE TYPE                          |
          |------------------------------------------------------------|
          | Type:        | Configuration                               |
          |--------------+---------------------------------------------|
          | Format:      | Rn                                          |
          |--------------+---------------------------------------------|
          | Description: | Sets the type of line the TA will be        |
          |              | operating on.                               |
          |------------------------------------------------------------|
          |    Command    |                  Function                  |
          |---------------+--------------------------------------------|
          |     í R0      | ISDN with BRI service.                     |
          |---------------+--------------------------------------------|
          |      R1       | Group 3 leased line service with 1TR6.     |
          |---------------+--------------------------------------------|
          |      R2       | Group 2 leased line, 2B+D or B+D.          |
          |---------------+--------------------------------------------|
          |      R3       | Group 0 leased line, single B channel      |
          |               | only.                                      |
          |---------------+--------------------------------------------|
          |      R4       | Point-to-point switched line.              |
          |---------------+--------------------------------------------|
          |      R5       | Point-to-point group 3 leased line with    |
          |               | 1TR6.                                      |
          +------------------------------------------------------------+
       
          +------------------------------------------------------------+
          |                       LLC - INCOMING                       |
          |------------------------------------------------------------|
          | Type:        | Configuration                               |
          |--------------+---------------------------------------------|
          | Format:      | Pn                                          |
          |--------------+---------------------------------------------|
          | Description: | Sets the use of LLC for incoming DSS1       |
          |              | calls.                                      |
          |------------------------------------------------------------|
          |    Command    |                  Function                  |
          |---------------+--------------------------------------------|
          |      P1       | Only calls with matching LLC will be       |
          |               | answered.                                  |
          |---------------+--------------------------------------------|
          |     í P2      | Ignore LLC when answering calls.           |
          |---------------+--------------------------------------------|
          |      P3       | All data calls will be answered.           |
          |---------------+--------------------------------------------|
          |      P4       | All calls will be answered.                |
          +------------------------------------------------------------+
       
          +------------------------------------------------------------+
          |                       LLC - OUTGOING                       |
          |------------------------------------------------------------|
          | Type:        | Configuration                               |
          |--------------+---------------------------------------------|
          | Format:      | On                                          |
          |--------------+---------------------------------------------|
          | Description: | Sets the use of LLC for outgoing DSS1       |
          |              | calls.                                      |
          |------------------------------------------------------------|
          |        Command        |              Function              |
          |-----------------------+------------------------------------|
          |          O1           | Standard LLC enabled.              |
          |-----------------------+------------------------------------|
          |         í O2          | LLC disabled.                      |
          |-----------------------+------------------------------------|
          |          O3           | User-defined LLC enabled.          |
          +------------------------------------------------------------+
       
          +------------------------------------------------------------+
          |               LLC - USER-DEFINED DATA OCTET                |
          |------------------------------------------------------------|
          | Type:        | Configuration                               |
          |--------------+---------------------------------------------|
          | Format:      | LLC=hh hh hh..                              |
          |--------------+---------------------------------------------|
          | Description: | Sets the user-defined LLC octets in         |
          |              | hexadecimal.                                |
          +------------------------------------------------------------+
       
          +------------------------------------------------------------+
          |                  LOCAL SERIAL PORT SPEED                   |
          |------------------------------------------------------------|
          | Type:        | Configuration                               |
          |--------------+---------------------------------------------|
          | Format:      | Gn                                          |
          |--------------+---------------------------------------------|
          | Description: | Sets the speed of the serial port.          |
          |------------------------------------------------------------|
          |       Command       |               Function               |
          |---------------------+--------------------------------------|
          |         G1          | Set speed to 300bps.                 |
          |---------------------+--------------------------------------|
          |         G2          | Set speed to 600bps.                 |
          |---------------------+--------------------------------------|
          |         G3          | Set speed to 1200bps.                |
          |---------------------+--------------------------------------|
          |         G4          | Set speed to 2400bps.                |
          |---------------------+--------------------------------------|
          |         G5          | Set speed to 4800bps.                |
          |---------------------+--------------------------------------|
          |        í G6         | Set speed to 9600bps.                |
          |---------------------+--------------------------------------|
          |         G7          | Set speed to 19.2Kbps.               |
          |---------------------+--------------------------------------|
          |         G8          | Set speed to 38.4Kbps.               |
          +------------------------------------------------------------+
       
          +------------------------------------------------------------+
          |                   LOCK SERIAL PORT SPEED                   |
          |------------------------------------------------------------|
          | Type:        | Configuration                               |
          |--------------+---------------------------------------------|
          | Format:      | In                                          |
          |--------------+---------------------------------------------|
          | Description: | Selects whether the serial port speed will  |
          |              | be adjusted to the DTE speed.               |
          |------------------------------------------------------------|
          |    Command     |                 Function                  |
          |----------------+-------------------------------------------|
          |       I0       | Serial port speed locked.                 |
          |----------------+-------------------------------------------|
          |      í I1      | Serial port speed will match DTE speed.   |
          +------------------------------------------------------------+
       
          +------------------------------------------------------------+
          |                            MSN                             |
          |------------------------------------------------------------|
          | Type:        | Configuration                               |
          |--------------+---------------------------------------------|
          | Format:      | MALL <#>*n                                  |
          |--------------+---------------------------------------------|
          | Description: | Sets the MSN and subaddress for both        |
          |              | channels of the TA and the editor.          |
          +------------------------------------------------------------+
       
          +------------------------------------------------------------+
          |                          MSN - TA                          |
          |------------------------------------------------------------|
          | Type:        | Configuration                               |
          |--------------+---------------------------------------------|
          | Format:      | MTAX <#>*n                                  |
          |--------------+---------------------------------------------|
          | Description: | Sets the MSN and subaddress for both        |
          |              | channels of the TA.                         |
          +------------------------------------------------------------+
       
          +------------------------------------------------------------+
          |                        MSN - EDITOR                        |
          |------------------------------------------------------------|
          | Type:        | Configuration                               |
          |--------------+---------------------------------------------|
          | Format:      | MEDX <#>*n                                  |
          |--------------+---------------------------------------------|
          | Description: | Sets the MSN and subaddress for both        |
          |              | channels of the editor.                     |
          +------------------------------------------------------------+
       
          +------------------------------------------------------------+
          |                   MSN - EDITOR CHANNEL 1                   |
          |------------------------------------------------------------|
          | Type:        | Configuration                               |
          |--------------+---------------------------------------------|
          | Format:      | MED1 <#>*n                                  |
          |--------------+---------------------------------------------|
          | Description: | Sets the MSN and subaddress for channel 1   |
          |              | of the editor.                              |
          +------------------------------------------------------------+
       
          +------------------------------------------------------------+
          |                   MSN - EDITOR CHANNEL 2                   |
          |------------------------------------------------------------|
          | Type:        | Configuration                               |
          |--------------+---------------------------------------------|
          | Format:      | MED2 <#>*n                                  |
          |--------------+---------------------------------------------|
          | Description: | Sets the MSN and subaddress for channel 2   |
          |              | of the editor.                              |
          +------------------------------------------------------------+
       
          +------------------------------------------------------------+
          |                     MSN - TA CHANNEL 1                     |
          |------------------------------------------------------------|
          | Type:        | Configuration                               |
          |--------------+---------------------------------------------|
          | Format:      | MTA1 <#>*n                                  |
          |--------------+---------------------------------------------|
          | Description: | Sets the MSN and subaddress for channel 1   |
          |              | of the TA.                                  |
          +------------------------------------------------------------+
       
          +------------------------------------------------------------+
          |                     MSN - TA CHANNEL 2                     |
          |------------------------------------------------------------|
          | Type:        | Configuration                               |
          |--------------+---------------------------------------------|
          | Format:      | MTA2 <#>*n                                  |
          |--------------+---------------------------------------------|
          | Description: | Sets the MSN and subaddress for channel 2   |
          |              | of the TA.                                  |
          +------------------------------------------------------------+
       
          +------------------------------------------------------------+
          |                         NEXT PAGE                          |
          |------------------------------------------------------------|
          | Type:        | Immediate                                   |
          |--------------+---------------------------------------------|
          | Format:      | NEXT                                        |
          |--------------+---------------------------------------------|
          | Description: | Shows the next page of values.              |
          +------------------------------------------------------------+
       
          +------------------------------------------------------------+
          |                       PREVIOUS PAGE                        |
          |------------------------------------------------------------|
          | Type:        | Immediate                                   |
          |--------------+---------------------------------------------|
          | Format:      | PREV                                        |
          |--------------+---------------------------------------------|
          | Description: | Shows the previous page of values.          |
          +------------------------------------------------------------+
       
          +------------------------------------------------------------+
          |               REMOTE CONFIGURATION PASSWORD                |
          |------------------------------------------------------------|
          | Type:        | Configuration                               |
          |--------------+---------------------------------------------|
          | Format:      | PWD xxxx                                    |
          |--------------+---------------------------------------------|
          | Description: | Sets the password for remote configuration. |
          |              | If no password is given, no password will   |
          |              | be required.                                |
          +------------------------------------------------------------+
       
          +------------------------------------------------------------+
          |                 RESET TO FACTORY DEFAULTS                  |
          |------------------------------------------------------------|
          | Type:        | Immediate                                   |
          |--------------+---------------------------------------------|
          | Format:      | DEFA                                        |
          |--------------+---------------------------------------------|
          | Description: | Resets all settings to their factory        |
          |              | defaults.                                   |
          +------------------------------------------------------------+
       
          +------------------------------------------------------------+
          |                        SAVE PROFILE                        |
          |------------------------------------------------------------|
          | Type:        | Immediate                                   |
          |--------------+---------------------------------------------|
          | Format:      | SAVE                                        |
          |--------------+---------------------------------------------|
          | Description: | Saves the current settings into the profile |
          |              | and quits the editor.                       |
          +------------------------------------------------------------+
       
          +------------------------------------------------------------+
          |                     SERVICE INDICATOR                      |
          |------------------------------------------------------------|
          | Type:        | Configuration                               |
          |--------------+---------------------------------------------|
          | Format:      | Pn                                          |
          |--------------+---------------------------------------------|
          | Description: | Sets the 1TR6 Service Indicator.            |
          |------------------------------------------------------------|
          |    Command     |                 Function                  |
          |----------------+-------------------------------------------|
          |      í P0      | Service Indicator reports standard line.  |
          |----------------+-------------------------------------------|
          |       P1       | Service Indicator reports Private SI.     |
          |----------------+-------------------------------------------|
          |       P2       | Service Indicator reports Private 2.      |
          +------------------------------------------------------------+
       
          +------------------------------------------------------------+
          |                 SERVICE INDICATOR DETAILS                  |
          |------------------------------------------------------------|
          | Type:        | Configuration                               |
          |--------------+---------------------------------------------|
          | Format:      | On                                          |
          |--------------+---------------------------------------------|
          | Description: | Sets the details for the 1TR6 Service       |
          |              | Indicator.                                  |
          |------------------------------------------------------------|
          |  Pn Setting   | Command |             Function             |
          |---------------+---------+----------------------------------|
          |      P0       |  í O1   | Service Indicator reports 1TR6.  |
          |---------------+---------+----------------------------------|
          |               |   O2    | Service Indicator reports X.21.  |
          |---------------+---------+----------------------------------|
          |               |   O3    | Service Indicator reports AOI    |
          |               |         | synch/asynch mode.               |
          |---------------+---------+----------------------------------|
          |      P1       |  í O1   | Service Indicator reports V.24   |
          |               |         | asynch.                          |
          |---------------+---------+----------------------------------|
          |               |   O2    | Service Indicator reports 64Kbps |
          |               |         | asynch.                          |
          |---------------+---------+----------------------------------|
          |               |   O3    | Service Indicator reports V.24   |
          |               |         | BTX.                             |
          |---------------+---------+----------------------------------|
          |               |   O4    | Service Indicator reports V.24   |
          |               |         | Text.                            |
          |---------------+---------+----------------------------------|
          |               |   O5    | Service Indicator reports 64Kbps |
          |               |         | PC-Net.                          |
          |---------------+---------+----------------------------------|
          |      P2       |  í O1   | Service Indicator reports        |
          |               |         | Private 2 LLC with the data      |
          |               |         | octet equal to 0.                |
          |---------------+---------+----------------------------------|
          |               |   O2    | Service Indicator reports        |
          |               |         | Private 2 LLC with the data      |
          |               |         | octet not equal to 0.            |
          |---------------+---------+----------------------------------|
          |               |   O3    | Service Indicator reports        |
          |               |         | Private 2 with the data octet    |
          |               |         | equal to 0.                      |
          +------------------------------------------------------------+
       
          +------------------------------------------------------------+
          |                     SYNCHRONOUS SPEED                      |
          |------------------------------------------------------------|
          | Type:        | Configuration                               |
          |--------------+---------------------------------------------|
          | Format:      | Qn                                          |
          |--------------+---------------------------------------------|
          | Description: | Selects what data rate the TA will operate  |
          |              | in when in synchronous mode.                |
          |------------------------------------------------------------|
          |      Command      |                Function                |
          |-------------------+----------------------------------------|
          |        Q0         | Use V.24 asynchronous mode.            |
          |-------------------+----------------------------------------|
          |        Q1         | Use data rate set with Gn and Hn.      |
          |-------------------+----------------------------------------|
          |       í Q2        | Use 64Kbps data rate.                  |
          |-------------------+----------------------------------------|
          |        Q3         | Use 56Kbps data rate.                  |
          |-------------------+----------------------------------------|
          |        Q4         | Use 48Kbps data rate.                  |
          +------------------------------------------------------------+
       
          +------------------------------------------------------------+
          |                       UPDATE PROFILE                       |
          |------------------------------------------------------------|
          | Type:        | Immediate                                   |
          |--------------+---------------------------------------------|
          | Format:      | UPDA                                        |
          |--------------+---------------------------------------------|
          | Description: | Saves the current settings into the         |
          |              | profile.                                    |
          +------------------------------------------------------------+