(TXT) The article
 (IMG) A Bendix G15 state diagram
 (IMG) A logical operations circuit
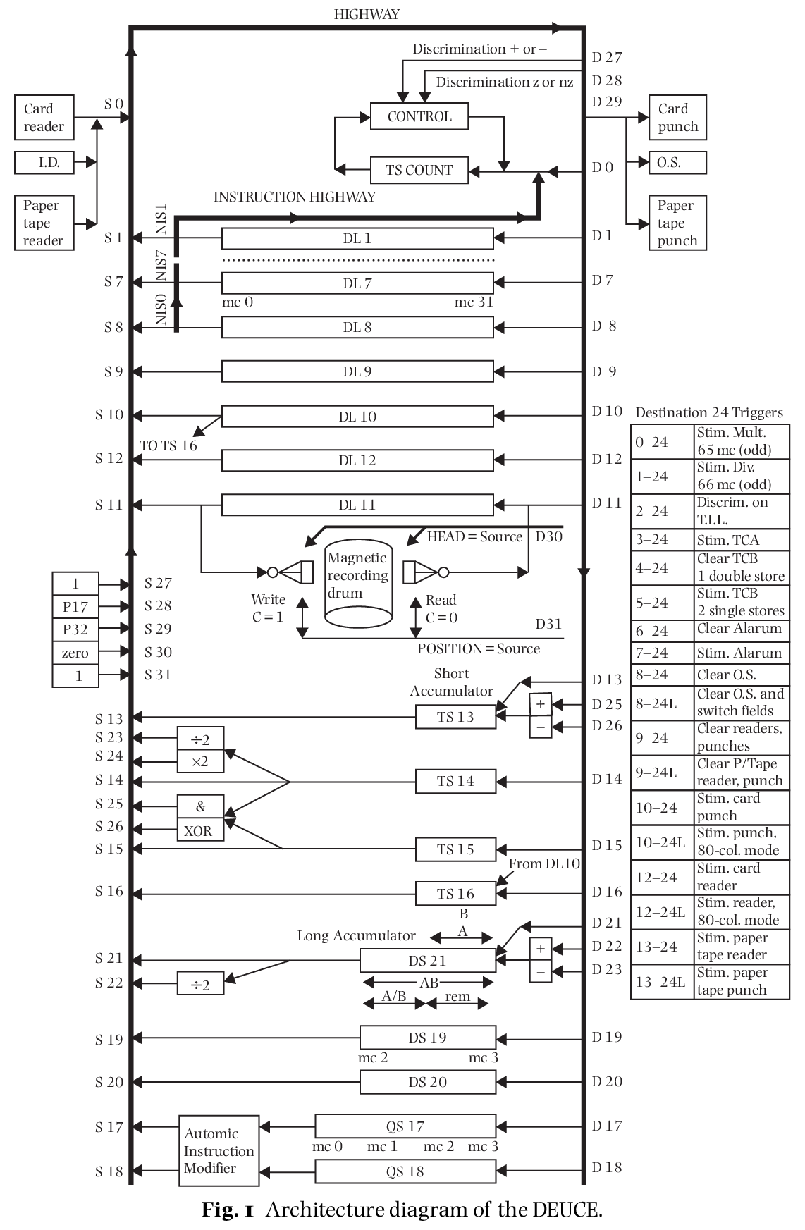
 (IMG) A DEUCE architecture diagram