(DIR) ..                                                                
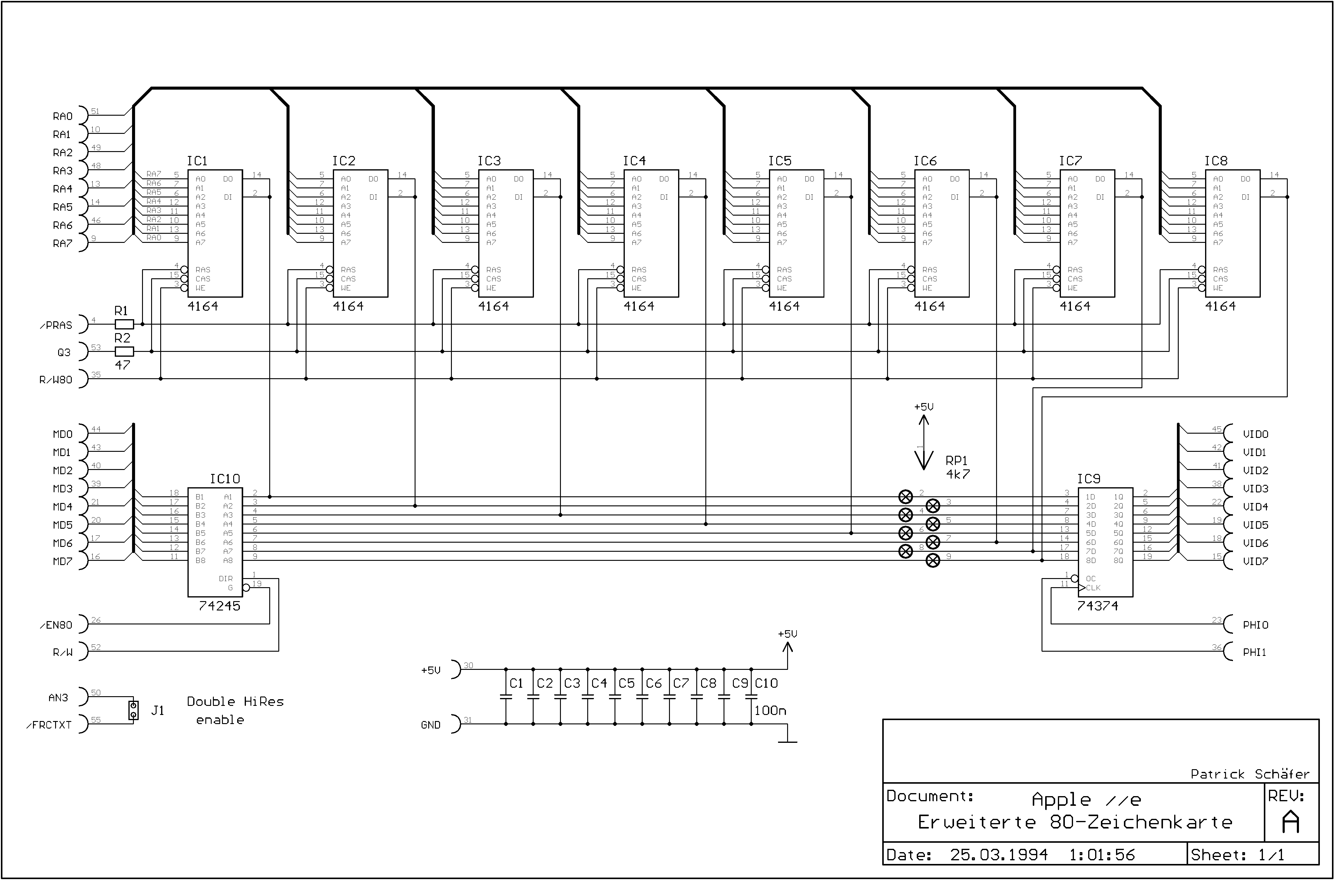
 (GIF) EXP80COL.GIF                          1999-Jan-04 22:22   147.4 KB
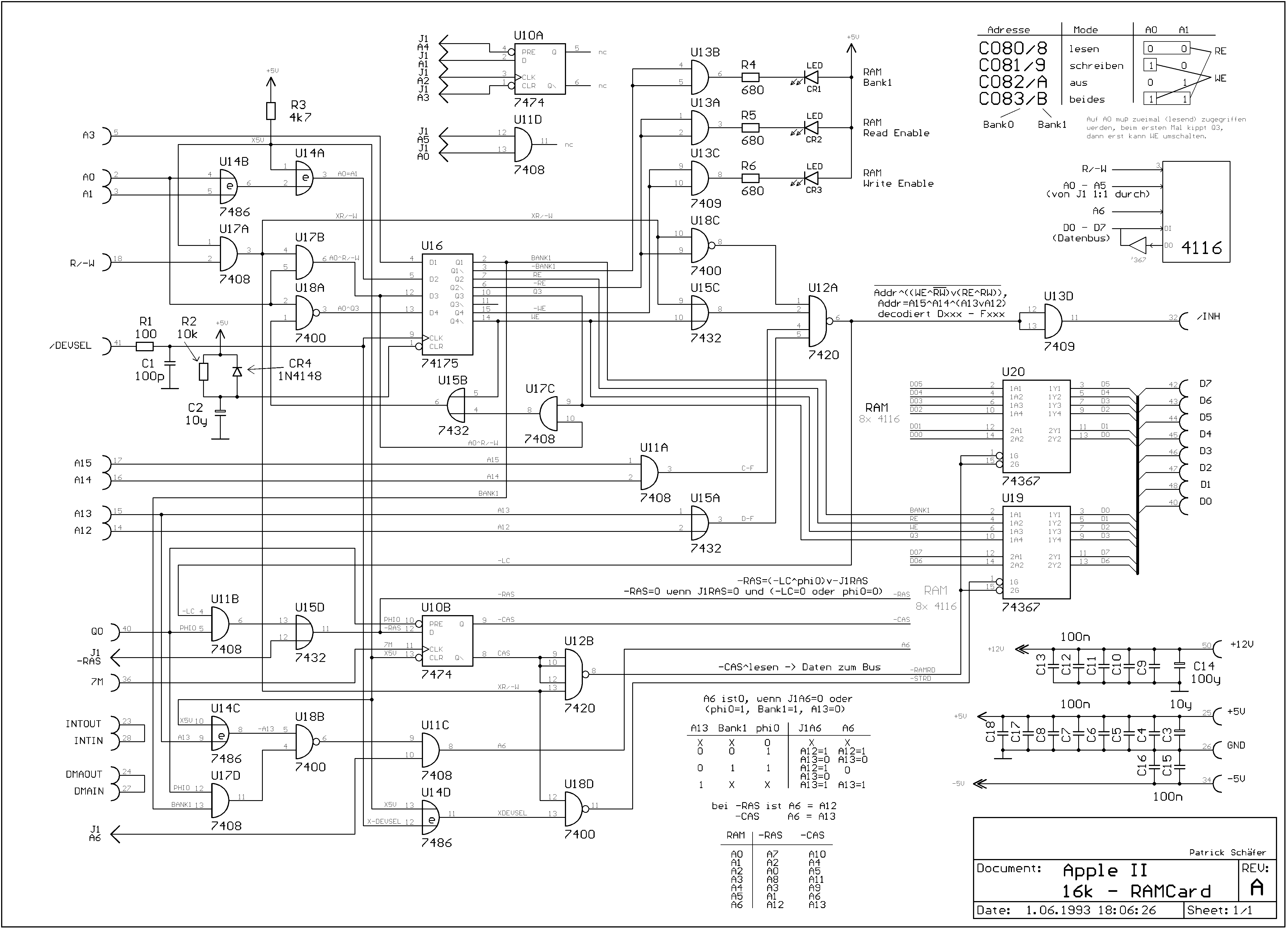
 (GIF) LCARD.GIF                             1999-Jan-04 22:29   208.8 KB
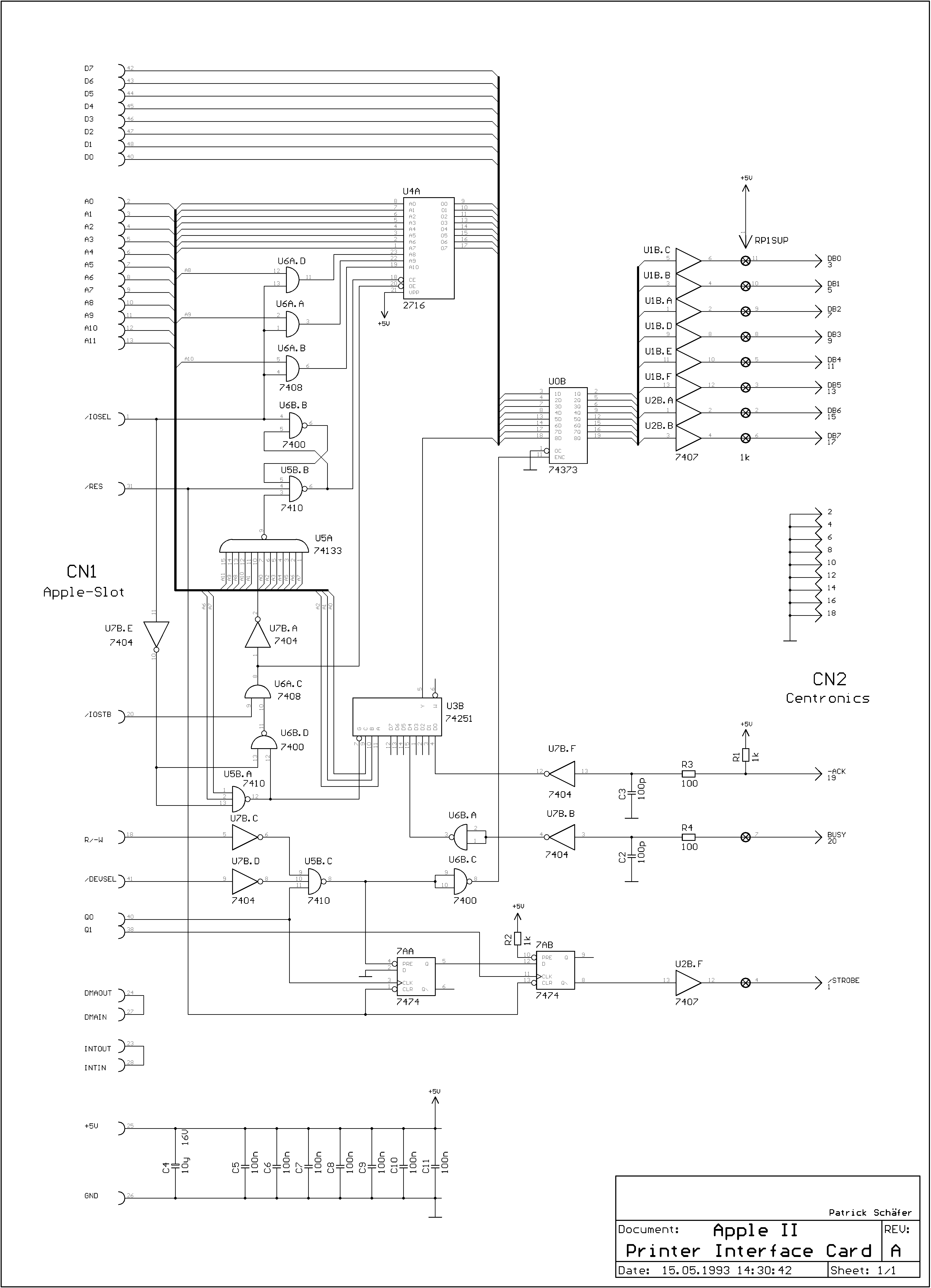
 (GIF) PRINTER.GIF                           1999-Jan-04 22:19   224.2 KB
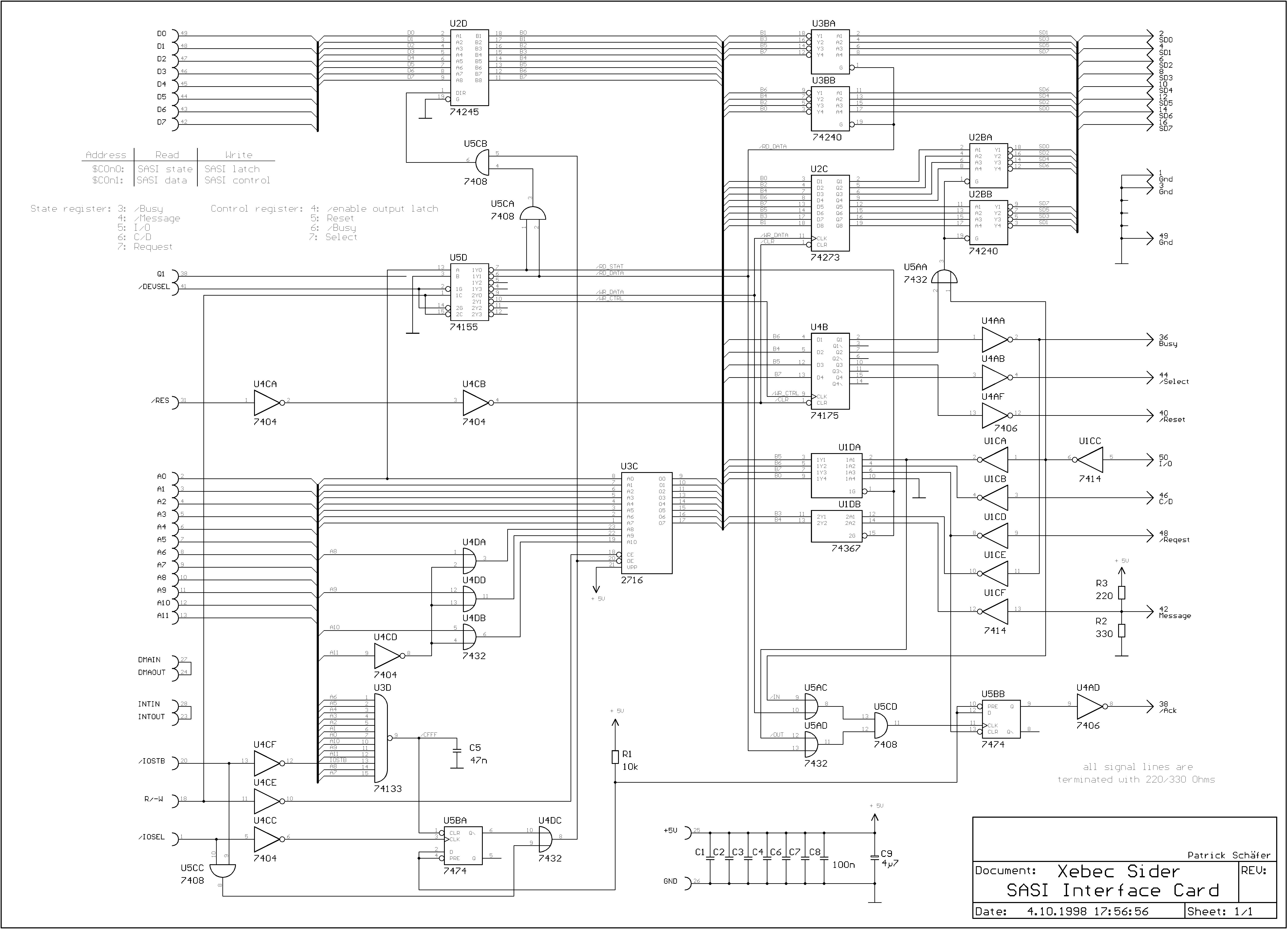
 (GIF) SIDER.GIF                             1999-Jan-04 22:22   272.7 KB
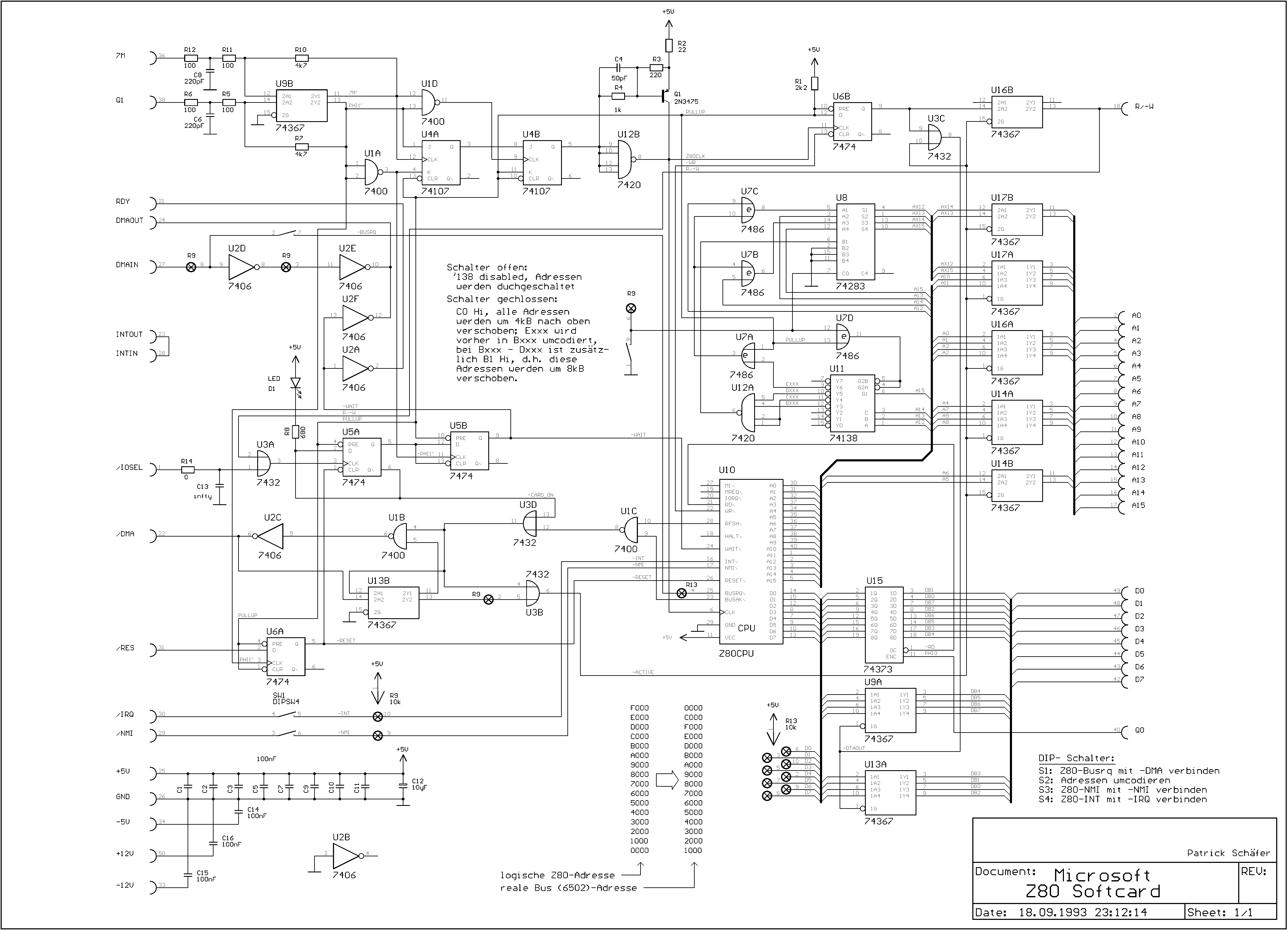
 (GIF) SOFTCARD.GIF                          1999-Jan-04 22:13   313.2 KB
 (TXT) Schematics.txt                        1999-Jan-05 06:35     0.3 KB
 (GIF) WILDCARD.GIF                          1999-Jan-05 09:54   166.7 KB