(DIR) ..                                                                
 (TXT) A2.HD.FAQ.txt                         1999-Jan-05 05:53     7.9 KB
 (TXT) DUODISK.PINOUTS.v2.txt                1999-Jan-05 05:53     1.2 KB
 (TXT) DiskII.CHIPS.2.for.$1.txt             1999-Jan-05 05:53     1.8 KB
 (TXT) Disk][repairs.txt                     1999-Jan-05 05:54     3.0 KB
 (TXT) Focus.800MB.IDE.HD.specs.Scott..txt   1999-Jan-05 05:53     0.9 KB
 (TXT) Focus.IDE.HD.INFO.txt                 1999-Jan-05 05:53     0.4 KB
 (TXT) I'll_repair_your_dead_UNIDISK_.txt    1999-Jan-05 05:54     1.6 KB
 (TXT) IWM.IIGS.TXT                          1999-Jan-05 05:54    31.3 KB
 (TXT) Re.IIc.hard.drive.hack.txt            1999-Jan-05 05:54     1.3 KB
 (TXT) Re__Apple_3.5_Drives-_M0106_vs_.txt   1999-Jan-05 05:54     0.7 KB
 (TXT) Upgrading_Vulcan_H.D.txt              1999-Jan-05 05:54     1.0 KB
 (TXT) adapt1920.txt                         1999-Jan-05 05:54     1.7 KB
 (TXT) disk.routines.txt                     1999-Jan-05 05:54    11.8 KB
 (TXT) disk13or16.txt                        1999-Jan-05 05:54     2.5 KB
 (TXT) disk2smartport.txt                    1999-Jan-05 05:54     2.7 KB
 (TXT) disk35sides.txt                       1999-Jan-05 05:54     2.4 KB
 (TXT) disk525.diskii.txt                    1999-Jan-05 05:54    14.5 KB
 (TXT) diskcheck.txt                         1999-Jan-05 05:54    11.6 KB
 (TXT) diskii.analogls125.txt                1999-Jan-05 05:54     1.2 KB
 (TXT) diskii.encoding.txt                   1999-Jan-05 05:54     4.3 KB
 (TXT) diskii.fix.txt                        1999-Jan-05 05:54     1.2 KB
 (TXT) diskii.fixes.txt                      1999-Jan-05 05:54     1.8 KB
 (TXT) diskii.ls125.txt                      1999-Jan-05 05:54     4.6 KB
 (TXT) diskii.repair.txt                     1999-Jan-05 05:54     3.6 KB
 (TXT) drive.db19.txt                        1999-Jan-05 05:54     2.4 KB
 (TXT) drive.order.txt                       1999-Jan-05 05:54     2.9 KB
 (TXT) drives.txt                            1999-Jan-05 05:54     2.1 KB
 (TXT) duodisk.cable.txt                     1999-Jan-05 05:54     1.3 KB
 (TXT) duodisk.fix.txt                       1999-Jan-05 05:54    12.0 KB
 (TXT) duodisk.fixes.txt                     1999-Jan-05 05:54     2.3 KB
 (TXT) duodisk.gs.txt                        1999-Jan-05 05:54     2.0 KB
 (TXT) duodisk.mod2.txt                      1999-Jan-05 05:54     4.1 KB
 (TXT) duodisk.mods.txt                      1999-Jan-05 05:54     4.2 KB
 (TXT) duodisk.mods2.txt                     1999-Jan-05 05:54     4.8 KB
 (TXT) duodisk.pinouts.txt                   1999-Jan-05 05:54     1.7 KB
 (TXT) duodisk.txt                           1999-Jan-05 05:54     3.4 KB
 (TXT) duodiskmod.txt                        1999-Jan-05 05:54     4.3 KB
 (TXT) fix.disks.txt                         1999-Jan-05 05:54     4.4 KB
 (TXT) fixing.a.disk.txt                     1999-Jan-05 05:54     2.9 KB
 (TXT) focus.dcopy.txt                       1999-Jan-05 05:54     1.6 KB
 (TXT) godrive.25.txt                        1999-Jan-05 05:54    10.9 KB
 (TXT) godrive.pins.txt                      1999-Jan-05 05:54     7.5 KB
 (TXT) godrive.pins2.txt                     1999-Jan-05 05:54     6.5 KB
 (TXT) gsinternal35.txt                      1999-Jan-05 05:54     4.7 KB
 (TXT) hd.repair.txt                         1999-Jan-05 05:54     1.4 KB
 (TXT) hddetect.switch.txt                   1999-Jan-05 05:54     2.8 KB
 (TXT) hdprices.txt                          1999-Jan-05 05:54     2.1 KB
 (TXT) idc20.db19.txt                        1999-Jan-05 05:54     3.2 KB
 (TXT) ide.guide.txt                         1999-Jan-05 05:54     5.6 KB
 (TXT) ide.txt                               1999-Jan-05 05:54     6.6 KB
 (TXT) ii20.19cable.txt                      1999-Jan-05 05:54     3.3 KB
 (TXT) kbsizes.txt                           1999-Jan-05 05:54     5.2 KB
 (TXT) noisy.profile.txt                     1999-Jan-05 05:54     3.6 KB
 (TXT) pc35.txt                              1999-Jan-05 05:54     5.3 KB
 (TXT) quantum.fireball.txt                  1999-Jan-05 05:54     2.8 KB
 (TXT) quantum.trailblazer.txt               1999-Jan-05 05:54     5.0 KB
 (TXT) sider.hd.txt                          1999-Jan-05 05:54     2.2 KB
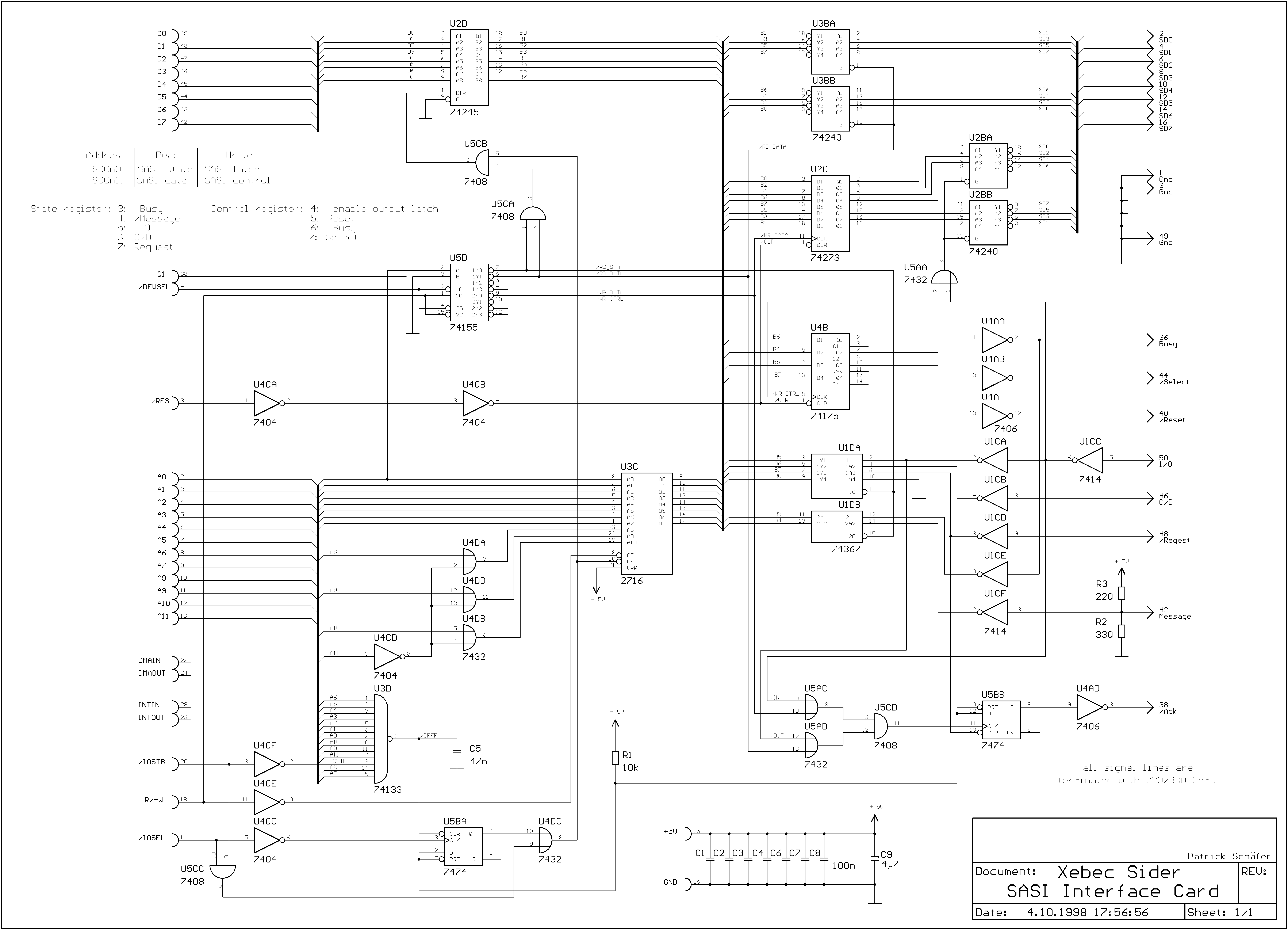
 (GIF) siderDiagram.gif                      1999-Jan-04 20:18   268.6 KB
 (TXT) siderFormatting.txt                   1999-Jan-05 05:54     4.3 KB
 (TXT) siderService.txt                      1999-Jan-05 05:54     2.1 KB
 (TXT) smp.eject.txt                         1999-Jan-05 05:54     2.2 KB
 (TXT) super35.txt                           1999-Jan-05 05:54     1.1 KB
 (TXT) teac.ct600.txt                        1999-Jan-05 05:55     1.1 KB
 (TXT) unidisk35.labotomy.txt                1999-Jan-05 05:54     3.8 KB
 (TXT) vulcan.badblocks.txt                  1999-Jan-05 05:54     8.6 KB
 (TXT) vulcan.format.txt                     1999-Jan-05 05:54     1.2 KB
 (TXT) vulcangs.txt                          1999-Jan-05 05:55     1.5 KB