(TXT) View Source
       
       # YUAN TECHNOLOGY, INC.
       
          PC TV ENCODER CARD
       
          Card Type                    TV Card                           
          Video Chip Set               NEC, Sony, Yamaha                 
          Highest Resolution Supported 800 x 600                         
          Maximum Video Memory         640KB RAM (Factory installed)     
          Data Bus                     8-bit ISA                         
          Video Types Supported        XVGA                              
          Video Format Supported       NTSC, PAL                         
       
 (IMG) IMG 1
          
       
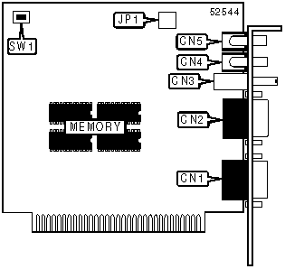
          +------------------------------------------------------------+
          |                        CONNECTIONS                         |
          |------------------------------------------------------------|
          |      Function       | Label |       Function       | Label |
          |---------------------+-------+----------------------+-------|
          | VGA in, Audio/Video |  CN1  | MIC in               |  CN5  |
          | Out                 |       |                      |       |
          |---------------------+-------+----------------------+-------|
          | VGA out             |  CN2  | Brightness control   |  SW1  |
          |---------------------+-------+----------------------+-------|
          | Volume Control      |  CN3  | Horizontal noise     |  JP1  |
          |                     |       | adjustment           |       |
          |---------------------+-------+----------------------+-------|
          | Stereo in           |  CN4  |                      |       |
          +------------------------------------------------------------+