(TXT) View Source
       
       # PROLINK COMPUTER, INC.
       
          PV-CH7002
       
          Card Type                    Video Adapter Card                
          Chip Set                     Unidentified                      
          Maximum Video Memory         Unidentified                      
          Video Type:                  VGA                               
          Highest Resolution Supported 800 x 600                         
          Data Bus                     8-bit ISA                         
          Card Size                    Half-length, half-height card     
       
 (IMG) IMG 1
          
       
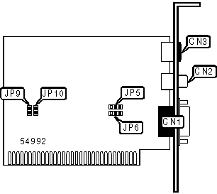
          +------------------------------------------------------------+
          |                        CONNECTIONS                         |
          |------------------------------------------------------------|
          |         Function         | Label |    Function     | Label |
          |--------------------------+-------+-----------------+-------|
          | 15-pin analog video port |  CN1  | S-Video out     |  CN3  |
          |--------------------------+-------+-----------------+-------|
          | Composite out            |  CN2  |                 |       |
          +------------------------------------------------------------+
       
          +------------------------------------------------------------+
          |                    I2C SOURCE SELECTION                    |
          |------------------------------------------------------------|
          |    Selection     |        JP5         |        JP6         |
          |------------------+--------------------+--------------------|
          |     I/O port     | Pins 1 & 2 closed  | Pins 1 & 2 closed  |
          |------------------+--------------------+--------------------|
          |     VGA port     | Pins 2 & 3 closed  | Pins 2 & 3 closed  |
          +------------------------------------------------------------+
       
          +------------------------------------------------------------+
          |                 BASE I/O ADDRESS SELECTION                 |
          |------------------------------------------------------------|
          |      Setting       |        JP9        |       JP10        |
          |--------------------+-------------------+-------------------|
          |        150h        |      Closed       |      Closed       |
          |--------------------+-------------------+-------------------|
          |        550h        |       Open        |      Closed       |
          |--------------------+-------------------+-------------------|
          |        950h        |      Closed       |       Open        |
          |--------------------+-------------------+-------------------|
          |        D50h        |       Open        |       Open        |
          +------------------------------------------------------------+