(TXT) View Source
       
       # QDI COMPUTER, INC.
       
          TVGA8900CL
       
          Card Type                    Video card                        
          Video Chip Set               Trident                           
          Maximum Video Memory         1MB                               
          Video Types Supported        Monochrome, CGA, EGA, VGA         
          Highest Resolution Supported 1024 x 768                        
          Data Bus                     16-bit ISA                        
       
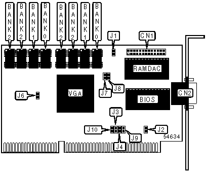
 (IMG) IMG 1
          
       
          +------------------------------------------------------------+
          |                        CONNECTIONS                         |
          |------------------------------------------------------------|
          |        Function        | Label |     Function      | Label |
          |------------------------+-------+-------------------+-------|
          | Feature connector      |  CN1  | Video port        |  CN2  |
          +------------------------------------------------------------+
       
          +------------------------------------------------------------+
          |                 USER CONFIGURABLE SETTINGS                 |
          |------------------------------------------------------------|
          |              Function               | Label |   Position   |
          |-------------------------------------+-------+--------------|
          | » | Factory configured - do not     |  J3   | Unidentified |
          |   | alter                           |       |              |
          |---+---------------------------------+-------+--------------|
          | » | Factory configured - do not     |  J4   | Unidentified |
          |   | alter                           |       |              |
          |---+---------------------------------+-------+--------------|
          |   | Non-interlaced mode             |  J7   |     Open     |
          |---+---------------------------------+-------+--------------|
          |   | Interlaced mode                 |  J7   |    Closed    |
          |---+---------------------------------+-------+--------------|
          |   | Enable BIOS autodetect (8 or    |  J8   |     Open     |
          |   | 16-bit interface)               |       |              |
          |---+---------------------------------+-------+--------------|
          |   | Disable BIOS autodetect (8-bit  |  J8   |    Closed    |
          |   | interface)                      |       |              |
          +------------------------------------------------------------+
       
          +------------------------------------------------------------+
          |                    WAIT STATE SELECTION                    |
          |------------------------------------------------------------|
          |     Wait state     |        J1         |        J2         |
          |--------------------+-------------------+-------------------|
          |      Enabled       |       Open        |      Closed       |
          |--------------------+-------------------+-------------------|
          |      Disabled      |      Closed       |       Open        |
          +------------------------------------------------------------+
       
          +------------------------------------------------------------+
          |           VIDEO MEMORY CONFIGURATION (DRAM/VRAM)           |
          |------------------------------------------------------------|
          |   Size    |    Bank 0     |     Bank 1     |    Bank 2     |
          |-----------+---------------+----------------+---------------|
          |   256KB   | (2) 128KB x 8 |      None      |     None      |
          |-----------+---------------+----------------+---------------|
          |   512KB   | (2) 128KB x 8 | (2) 128KB x 8  |     None      |
          |-----------+---------------+----------------+---------------|
          |    1MB    | (2) 128KB x 8 | (2) 128KB x 8  | (4) 128KB x 8 |
          +------------------------------------------------------------+
       
          +------------------------------------------------------------+
          |                    SLOT SIZE SELECTION                     |
          |------------------------------------------------------------|
          |   Slot size    |      J6       |     J9      |     J10     |
          |----------------+---------------+-------------+-------------|
          |     8-bit      |    Closed     |   Closed    |    Open     |
          |----------------+---------------+-------------+-------------|
          |     16-bit     |     Open      |    Open     |   Closed    |
          |------------------------------------------------------------|
          | Note: J8 must be open to allow for a 16-bit interface.     |
          +------------------------------------------------------------+