(TXT) View Source
       
       # APPIAN TECHNOLOGY
       
          JERONIMO J2/N (8MB)
       
          Card Type                    Video card                        
          Video Chip Set               Cirrus Logic                      
          Highest Resolution Supported 1600 x 1200                       
          Maximum Video Memory         Unidentified                      
          Data Bus                     32-bit PCI                        
          Video Types Supported        CGA, VGA, TARGA, XVGA             
       
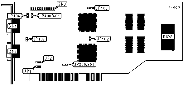
 (IMG) IMG 1
          
       
          +------------------------------------------------------------+
          |                        CONNECTIONS                         |
          |------------------------------------------------------------|
          |      Function       | Label |       Function       | Label |
          |---------------------+-------+----------------------+-------|
          | 15-pin analog video |  CN1  | VESA feature         |  CN3  |
          | port 1              |       | connector            |       |
          |---------------------+-------+----------------------+-------|
          | 15-pin analog video |  CN2  |                      |       |
          | port 2              |       |                      |       |
          +------------------------------------------------------------+
       
          +------------------------------------------------------------+
          |                 USER CONFIGURABLE SETTINGS                 |
          |------------------------------------------------------------|
          |            Function             |   Label   |   Position   |
          |---------------------------------+-----------+--------------|
          |   | Channel 1 interrupt enabled |    JP1    |  Pins 2 & 3  |
          |   |                             |           |    closed    |
          |---+-----------------------------+-----------+--------------|
          |   | Channel 1 interrupt         |    JP1    |  Pins 1 & 2  |
          |   | disabled                    |           |    closed    |
          |---+-----------------------------+-----------+--------------|
          |   | Channel 2 interrupt enabled |    JP2    |  Pins 2 & 3  |
          |   |                             |           |    closed    |
          |---+-----------------------------+-----------+--------------|
          |   | Channel 2 interrupt         |    JP2    |  Pins 1 & 2  |
          |   | disabled                    |           |    closed    |
          |---+-----------------------------+-----------+--------------|
          | » | Factory configured - do not |   JP12    | Unidentified |
          |   | alter                       |           |              |
          |---+-----------------------------+-----------+--------------|
          | » | Factory configured - do not |   JP13    | Unidentified |
          |   | alter                       |           |              |
          |---+-----------------------------+-----------+--------------|
          |   | Primary VGA enabled         |   JP100   |     Open     |
          |---+-----------------------------+-----------+--------------|
          |   | Primary VGA disabled        |   JP100   |    Closed    |
          |---+-----------------------------+-----------+--------------|
          | » | Factory configured - do not |   JP101   | Unidentified |
          |   | alter                       |           |              |
          |---+-----------------------------+-----------+--------------|
          | » | Factory configured - do not |   JP102   | Unidentified |
          |   | alter                       |           |              |
          |---+-----------------------------+-----------+--------------|
          | » | Factory configured - do not |   JP103   | Unidentified |
          |   | alter                       |           |              |
          |---+-----------------------------+-----------+--------------|
          |   | Channel 1 CSYNC             |   JP104   |    Closed    |
          |   | compatibility enabled       |           |              |
          |---+-----------------------------+-----------+--------------|
          |   | Channel 1 CSYNC             |   JP104   |     Open     |
          |   | compatibility disabled      |           |              |
          |---+-----------------------------+-----------+--------------|
          |   | Channel 2 CSYNC             |   JP107   |    Closed    |
          |   | compatibility enabled       |           |              |
          |---+-----------------------------+-----------+--------------|
          |   | Channel 2 CSYNC             |   JP107   |     Open     |
          |   | compatibility disabled      |           |              |
          |---+-----------------------------+-----------+--------------|
          |   | Manual bottom channel slot  | JP300/301 |  Pins 1 & 2  |
          |   | selection enabled           |           |    closed    |
          |---+-----------------------------+-----------+--------------|
          |   | Automatic bottom channel    | JP300/301 |  Pins 2 & 3  |
          |   | slot selection enabled      |           |    closed    |
          |---+-----------------------------+-----------+--------------|
          |   | I2C communication channel   | JP400/401 |     Open     |
          |   | enabled                     |           |              |
          |---+-----------------------------+-----------+--------------|
          |   | I2C communication channel   | JP400/401 |    Closed    |
          |   | disabled                    |           |              |
          |------------------------------------------------------------|
          | Note:                                                      |
          |                                                            |
          | Location and orientation of factory configured jumpers     |
          | JP12, JP13, JP101 & JP103 are unidentifed                  |
          +------------------------------------------------------------+