(TXT) View Source
       
       # AITECH INTERNATIONAL CORPORATION
       
          GAMEPLAYERTV
       
          Category                     Video/Sound                       
          Video Types Supported        XVGA                              
          Video Processor              AITech International              
          Highest Resolution Supported 800 x 600                         
          Data Bus Type                8-bit ISA                         
          Memory Type                  N/A                               
          Maximum Onboard Memory       None                              
       
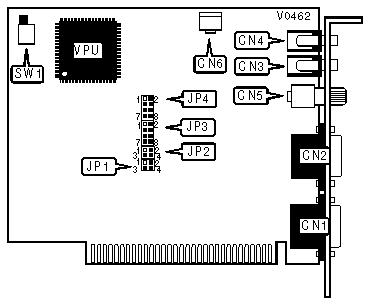
 (IMG) IMG 1
          
       
          +------------------------------------------------------------+
          |                        CONNECTIONS                         |
          |------------------------------------------------------------|
          |      Purpose       | Location |     Purpose     | Location |
          |--------------------+----------+-----------------+----------|
          | GamePlayerTV cable |   CN1    | Audio line-in   |   CN4    |
          | connector          |          | jack            |          |
          |--------------------+----------+-----------------+----------|
          | 15-pin analog      |   CN2    | Volume control  |   CN5    |
          | video port         |          |                 |          |
          |--------------------+----------+-----------------+----------|
          | Microphone jack    |   CN3    | Brightness      |   CN6    |
          |                    |          | control         |          |
          +------------------------------------------------------------+
       
          +------------------------------------------------------------+
          |                   DMA CHANNEL SELECTION                    |
          |------------------------------------------------------------|
          |    DRQ    |  DACK  |        JP1        |        JP2        |
          |-----------+--------+-------------------+-------------------|
          | » | DRQ1  | DACK1  | Pins 2 & 3 closed | Pins 2 & 3 closed |
          |---+-------+--------+-------------------+-------------------|
          |   | DRQ3  | DACK3  | Pins 1 & 2 closed | Pins 1 & 2 closed |
          +------------------------------------------------------------+
       
          +------------------------------------------------------------+
          |                    INTERRUPT SELECTION                     |
          |------------------------------------------------------------|
          |            IRQ             |              JP3              |
          |----------------------------+-------------------------------|
          | » |          IRQ7          |       Pins 1 & 2 closed       |
          |---+------------------------+-------------------------------|
          |   |          IRQ2          |       Pins 7 & 8 closed       |
          |---+------------------------+-------------------------------|
          |   |          IRQ3          |       Pins 5 & 6 closed       |
          |---+------------------------+-------------------------------|
          |   |          IRQ5          |       Pins 3 & 4 closed       |
          +------------------------------------------------------------+
       
          +------------------------------------------------------------+
          |                   I/O ADDRESS SELECTION                    |
          |------------------------------------------------------------|
          |          ADDRESS           |              JP4              |
          |----------------------------+-------------------------------|
          | » |          220           |   Pins 5 & 6, 7 & 8 closed    |
          |---+------------------------+-------------------------------|
          |   |          240           |   Pins 1 & 2, 3 & 4 closed    |
          +------------------------------------------------------------+
       
          +------------------------------------------------------------+
          |              HORIZONTAL VIDEO SYNCHRONIZATION              |
          |------------------------------------------------------------|
          |                            SW1                             |
          |------------------------------------------------------------|
          |    Toggle switch to the side which results in the best     |
          |                          picture.                          |
          +------------------------------------------------------------+