(TXT) View Source
       
       # WISECOM, INC.
       
          WS-2814IM6
       
          Card Type              Modem (asynchronous)                    
          Chipset                Rockwell                                
          Maximum Data Rate      33.6Kbps                                
          Maximum Fax Rate       14.4Kbps                                
          Data Bus               8-bit ISA                               
          Fax Class              Class I & II                            
          Data Modulation        Bell 103A/212A                          
                                                                         
                                 ITU-T V.21, V.22, V.22bis, V.23, V.32,  
                                 V.32bis, V.34                           
                                                                         
                                 Rockwell V.FC                           
          Fax Modulation         ITU-T V.17, V.21CH2, V.27ter, V.29      
          Error                  MNP5, V.42, V.42bis                     
          Correction/Compression 
       
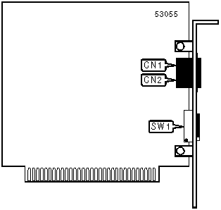
 (IMG) IMG 1
          
       
          +------------------------------------------------------------+
          |                        CONNECTIONS                         |
          |------------------------------------------------------------|
          |       Function       | Label |      Function       | Label |
          |----------------------+-------+---------------------+-------|
          | Line in              |  CN1  | Line out            |  CN2  |
          +------------------------------------------------------------+
       
          +------------------------------------------------------------+
          |               SERIAL PORT ADDRESS SELECTION                |
          |------------------------------------------------------------|
          |      Setting       |       SW1/1       |       SW1/2       |
          |--------------------+-------------------+-------------------|
          |    3F8h (COM1:)    |        On         |        On         |
          |--------------------+-------------------+-------------------|
          |    2F8h (COM2:)    |        Off        |        On         |
          |--------------------+-------------------+-------------------|
          |    3E8h (COM3:)    |        On         |        Off        |
          |--------------------+-------------------+-------------------|
          |    2E8h (COM4:)    |        Off        |        Off        |
          +------------------------------------------------------------+
       
          +------------------------------------------------------------+
          |                    INTERRUPT SELECTION                     |
          |------------------------------------------------------------|
          |  Setting   |   SW1/3   |   SW1/4   |   SW1/5   |   SW1/6   |
          |------------+-----------+-----------+-----------+-----------|
          |    IRQ2    |    On     |    Off    |    Off    |    Off    |
          |------------+-----------+-----------+-----------+-----------|
          |    IRQ3    |    Off    |    On     |    Off    |    Off    |
          |------------+-----------+-----------+-----------+-----------|
          |    IRQ4    |    Off    |    Off    |    On     |    Off    |
          |------------+-----------+-----------+-----------+-----------|
          |    IRQ5    |    Off    |    Off    |    Off    |    On     |
          +------------------------------------------------------------+
       
          +------------------------------------------------------------+
          |                SUPPORTED STANDARD COMMANDS                 |
          |------------------------------------------------------------|
          |                     Basic AT Commands                      |
          |------------------------------------------------------------|
          | +++, ‘comma’, A/                                           |
          |------------------------------------------------------------|
          | A, B, D, E, H, L, M, N, O, P, Q, T, V, W, X, Y, Z          |
          |------------------------------------------------------------|
          | &C, &D, &F, &G, &K, &P, &S, &T, &V, &W, &Y, &Z             |
          |------------------------------------------------------------|
          |                    Extended AT Commands                    |
          |------------------------------------------------------------|
          | \A, \B, \K, \N                                             |
          |------------------------------------------------------------|
          | %C, %E, %L, %Q                                             |
          |------------------------------------------------------------|
          |                    Special AT Commands                     |
          |------------------------------------------------------------|
          | +MS                                                        |
          |------------------------------------------------------------|
          |                        S-Registers                         |
          |------------------------------------------------------------|
          | S0, S1, S2, S3, S4, S5, S6, S7, S8, S9, S10, S11, S12,     |
          | S14, S16, S18, S21, S22, S23, S24, S25                     |
          |------------------------------------------------------------|
          | S26, S27, S29, S30, S31, S32, S33, S36, S38, S39, S40,     |
          | S41, S46, S48, S82, S86, S91, S92, S95                     |
          |------------------------------------------------------------|
          |      Note: See MHI documentation for complete information. |
          +------------------------------------------------------------+
       
          +------------------------------------------------------------+
          |                   UNIDENTIFIED COMMANDS                    |
          |------------------------------------------------------------|
          |           Command            |           Default           |
          |------------------------------+-----------------------------|
          |             S37              |              0              |
          +------------------------------------------------------------+
       
                            Proprietary AT Command Set
       
          +------------------------------------------------------------+
          |                    DISPLAY INFORMATION                     |
          |------------------------------------------------------------|
          | Type:        | Immediate                                   |
          |--------------+---------------------------------------------|
          | Format:      | AT [cmds] In [cmds]                         |
          |--------------+---------------------------------------------|
          | Description: | Displays information requested about the    |
          |              | modem.                                      |
          |--------------+---------------------------------------------|
          |   Command    |                  Function                   |
          |--------------+---------------------------------------------|
          |      I0      | Reports product identification code.        |
          |--------------+---------------------------------------------|
          |      I1      | Reports ROM checksum.                       |
          |--------------+---------------------------------------------|
          |      I2      | Tests and reports ROM checksum.             |
          |--------------+---------------------------------------------|
          |      I3      | Reports firmware revision and model ID.     |
          |--------------+---------------------------------------------|
          |      I6      | Reports data pump ID.                       |
          +------------------------------------------------------------+
       
          +------------------------------------------------------------+
          |                       PROTOCOL/SPEED                       |
          |------------------------------------------------------------|
          | Type:        | Configuration                               |
          |--------------+---------------------------------------------|
          | Format:      | AT [cmds] Fn [cmds]                         |
          |--------------+---------------------------------------------|
          | Description: | Selects the protocol and speed the modem    |
          |              | will attempt to connect at.                 |
          |--------------+---------------------------------------------|
          |   Command    |                  Function                   |
          |--------------+---------------------------------------------|
          |      F0      | Auto-detect the highest common connect      |
          |              | speed.                                      |
          |--------------+---------------------------------------------|
          |      F1      | Select V.21 or Bell 103 at 300bps speed.    |
          |--------------+---------------------------------------------|
          |      F3      | Select V.23 at 75/1200bps speed.            |
          |--------------+---------------------------------------------|
          |      F4      | Select V.22 or Bell 212A at 1200bps speed.  |
          |--------------+---------------------------------------------|
          |      F5      | Select V.22bis at 2400bps speed.            |
          |--------------+---------------------------------------------|
          |      F6      | Select V.32 or V.32bis at 4800bps speed.    |
          |--------------+---------------------------------------------|
          |      F7      | Select V.32bis at 7200bps speed.            |
          |--------------+---------------------------------------------|
          |      F8      | Select V.32bis or V.32 at 9600bps speed.    |
          |--------------+---------------------------------------------|
          |      F9      | Select V.32bis at 12Kbps speed.             |
          |--------------+---------------------------------------------|
          |     F10      | Select V.32bis at 14.4Kbps speed.           |
          +------------------------------------------------------------+