(TXT) View Source
       
       # WISECOM, INC.
       
          WS-2814IM4
       
          Card Type              Modem (asynchronous)                    
          Chipset                AT & T                                  
          Maximum Data Rate      28.8Kbps                                
          Maximum Fax Rate       14.4Kbps                                
          Data Bus               8-bit ISA                               
          Fax Class              Class I & II                            
          Data Modulation        Bell 103A/212A                          
                                                                         
                                 ITU-T V.21, V.22, V.22bis, V.23, V.32,  
                                 V.32bis, V.34                           
                                                                         
                                 AT&T V.32terbo                          
          Fax Modulation         ITU-T V.17, V.21CH2, V.27ter, V.29      
          Error                  MNP5, V.42, V.42bis                     
          Correction/Compression 
       
 (IMG) IMG 1
          
       
          +------------------------------------------------------------+
          |                        CONNECTIONS                         |
          |------------------------------------------------------------|
          |       Function       | Label |      Function       | Label |
          |----------------------+-------+---------------------+-------|
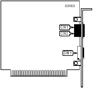
          | Line in              |  CN1  | Line out            |  CN2  |
          +------------------------------------------------------------+
       
          +------------------------------------------------------------+
          |               SERIAL PORT ADDRESS SELECTION                |
          |------------------------------------------------------------|
          |      Setting       |       SW1/1       |       SW1/2       |
          |--------------------+-------------------+-------------------|
          |    3F8h (COM1:)    |        On         |        On         |
          |--------------------+-------------------+-------------------|
          |    2F8h (COM2:)    |        Off        |        On         |
          |--------------------+-------------------+-------------------|
          |    3E8h (COM3:)    |        On         |        Off        |
          |--------------------+-------------------+-------------------|
          |    2E8h (COM4:)    |        Off        |        Off        |
          +------------------------------------------------------------+
       
          +------------------------------------------------------------+
          |                    INTERRUPT SELECTION                     |
          |------------------------------------------------------------|
          |  Setting   |   SW1/3   |   SW1/4   |   SW1/5   |   SW1/6   |
          |------------+-----------+-----------+-----------+-----------|
          |    IRQ2    |    On     |    Off    |    Off    |    Off    |
          |------------+-----------+-----------+-----------+-----------|
          |    IRQ3    |    Off    |    On     |    Off    |    Off    |
          |------------+-----------+-----------+-----------+-----------|
          |    IRQ4    |    Off    |    Off    |    On     |    Off    |
          |------------+-----------+-----------+-----------+-----------|
          |    IRQ5    |    Off    |    Off    |    Off    |    On     |
          +------------------------------------------------------------+
       
          +------------------------------------------------------------+
          |                SUPPORTED STANDARD COMMANDS                 |
          |------------------------------------------------------------|
          |                     Basic AT Commands                      |
          |------------------------------------------------------------|
          | +++, ‘comma’, A/                                           |
          |------------------------------------------------------------|
          | A, E, H, L, M, N, O, P, Q, T, V, X, Y, Z                   |
          |------------------------------------------------------------|
          | &C, &D, &F, &G, &K, &L, &P, &S, &T, &V, &W, &Y, &Z         |
          |------------------------------------------------------------|
          |                    Extended AT Commands                    |
          |------------------------------------------------------------|
          | \A, \B, \C, \G, \J, \K, \N, \Q, \T, \X                     |
          |------------------------------------------------------------|
          | %A, %B, %C, %D, %E, %N, %Q                                 |
          |------------------------------------------------------------|
          |                        S-Registers                         |
          |------------------------------------------------------------|
          | S0, S1, S2, S3, S4, S5, S6, S7, S8, S9, S10, S11, S12,     |
          | S14, S16, S18, S21, S22, S23, S25, S26                     |
          |------------------------------------------------------------|
          | S27, S30, S91                                              |
          |------------------------------------------------------------|
          |      Note: See MHI documentation for complete information. |
          +------------------------------------------------------------+
       
          +------------------------------------------------------------+
          |                   UNIDENTIFIED COMMANDS                    |
          |------------------------------------------------------------|
          |           Command            |           Default           |
          |------------------------------+-----------------------------|
          |             S15              |             83              |
          |------------------------------+-----------------------------|
          |             S17              |             75              |
          |------------------------------+-----------------------------|
          |             S19              |              3              |
          |------------------------------+-----------------------------|
          |             S20              |              0              |
          |------------------------------+-----------------------------|
          |             S24              |             72              |
          |------------------------------+-----------------------------|
          |             S28              |             16              |
          +------------------------------------------------------------+
       
                            Proprietary AT Command Set
       
          +------------------------------------------------------------+
          |                            DIAL                            |
          |------------------------------------------------------------|
          | Type:        | Immediate                                   |
          |--------------+---------------------------------------------|
          | Format:      | AT [cmds] D<#>;[cmds]                       |
          |--------------+---------------------------------------------|
          | Description: | Dials the telephone number indicated        |
          |              | according to any modifiers included in the  |
          |              | string.                                     |
          |--------------+---------------------------------------------|
          | Note:        | Any combination of modifiers can be used to |
          |              | produce the desired dial functions in       |
          |              | sequence.                                   |
          |--------------+---------------------------------------------|
          |   Command    |                  Function                   |
          |--------------+---------------------------------------------|
          |      DL      | Re-dial last number.                        |
          |--------------+---------------------------------------------|
          |      DP      | Pulse dialing enabled.                      |
          |--------------+---------------------------------------------|
          |      DR      | Answer mode enabled; originate mode         |
          |              | disabled following handshake initiation.    |
          |--------------+---------------------------------------------|
          |     DS=n     | Dial stored telephone number n.             |
          |--------------+---------------------------------------------|
          |      DT      | Tone dialing enabled.                       |
          |--------------+---------------------------------------------|
          |      DW      | Dialing resumed following dial tone         |
          |              | detection.                                  |
          |--------------+---------------------------------------------|
          |      D,      | Dialing paused for amount of time specified |
          |              | in S8 register.                             |
          |--------------+---------------------------------------------|
          |      D!      | Flash function initiated. Modem commanded   |
          |              | to go off-hook for specified time before    |
          |              | returning on-hook.                          |
          |--------------+---------------------------------------------|
          |      D@      | Wait for Quiet Answer function enabled.     |
          |              | Modem waits until a "quiet answer," a       |
          |              | ring-back signal followed by silence up to  |
          |              | the time specified in S7, is received prior |
          |              | to executing the rest of the dial string.   |
          |--------------+---------------------------------------------|
          |      D^      | Calling tone enabled for this call.         |
          |--------------+---------------------------------------------|
          |      D;      | Modem returned to idle state after dialing. |
          |              | The semicolon can only be placed at the end |
          |              | of the dial command.                        |
          +------------------------------------------------------------+
       
          +------------------------------------------------------------+
          |                V.32terbo AND V.34 PROTOCOLS                |
          |------------------------------------------------------------|
          | Type:        | Configuration                               |
          |--------------+---------------------------------------------|
          | Format:      | AT [cmds] \Mn [cmds]                        |
          |--------------+---------------------------------------------|
          | Description: | Selects whether the modem will use          |
          |              | V.32terbo and V.34 modulation protocols.    |
          |--------------+---------------------------------------------|
          |   Command    |                  Protocol                   |
          |--------------+---------------------------------------------|
          |    í \M0     | V.32terbo and V.34 protocols enabled.       |
          |--------------+---------------------------------------------|
          |     \M1      | V.32terbo protocol disabled.                |
          |--------------+---------------------------------------------|
          |     \M2      | V.34 protocol disabled.                     |
          +------------------------------------------------------------+
       
             See WISECOM, INC. WS-1414IM4 for a full command summary.