(TXT) View Source
       
       # WISECOM, INC.
       
          DATA/FAX MODEM 14.4 V.32BIS
       
          Card Type              Fax, Modem (asynchronous)               
          Chip Set               Unidentified                            
          Maximum Data Rate      14.4Kbps                                
          Maximum Fax Rate       14.4Kbps                                
          Data Bus               8-bit ISA                               
          Fax Class              Class I                                 
          Data Modulation        Bell 103A/212A                          
          Protocol                                                       
                                 ITU-T V.21, V.22, V.22bis, V.32,        
                                 V.32bis                                 
          Fax Modulation         ITU-T V.17, V.21CH2, V.27ter, V.29      
          Protocol               
          Error                  MNP5, V.42, V.42bis                     
          Correction/Compression 
       
 (IMG) IMG 1
          
       
          +------------------------------------------------------------+
          |                        CONNECTIONS                         |
          |------------------------------------------------------------|
          |        Function        |  Label   |   Function   |  Label  |
          |------------------------------------------------------------|
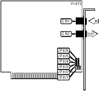
          | Line in                     |    CN1     | Line out | CN2  |
          +------------------------------------------------------------+
       
          +------------------------------------------------------------+
          |                    SERIAL PORT ADDRESS                     |
          |------------------------------------------------------------|
          |     Setting      |       JP8/1        |       JP8/2        |
          |------------------+--------------------+--------------------|
          |   COM1 (3F8h)    | Pins 1 & 2 closed  | Pins 1 & 2 closed  |
          |------------------+--------------------+--------------------|
          |   COM2 (2F8h)    | Pins 2 & 3 closed  | Pins 1 & 2 closed  |
          |------------------+--------------------+--------------------|
          |   COM3 (3E8h)    | Pins 1 & 2 closed  | Pins 2 & 3 closed  |
          |------------------+--------------------+--------------------|
          |  í COM4 (2E8h)   | Pins 2 & 3 closed  | Pins 2 & 3 closed  |
          +------------------------------------------------------------+
       
          +------------------------------------------------------------+
          |                         INTERRUPT                          |
          |------------------------------------------------------------|
          |  Setting   |   JP8/3   |   JP8/4   |   JP8/5   |   JP8/6   |
          |------------+-----------+-----------+-----------+-----------|
          |     2      |  Closed   |   Open    |   Open    |   Open    |
          |------------+-----------+-----------+-----------+-----------|
          |    í 3     |   Open    |  Closed   |   Open    |   Open    |
          |------------+-----------+-----------+-----------+-----------|
          |     4      |   Open    |   Open    |  Closed   |   Open    |
          |------------+-----------+-----------+-----------+-----------|
          |     5      |   Open    |   Open    |   Open    |  Closed   |
          +------------------------------------------------------------+
       
                            Proprietary AT Command Set
       
          +------------------------------------------------------------+
          |            AUTO-RETRAIN - FALLBACK/FALLFORWARD             |
          |------------------------------------------------------------|
          | Type:        | Configuration                               |
          |--------------+---------------------------------------------|
          | Format:      | AT [cmds] %En [cmds]                        |
          |--------------+---------------------------------------------|
          | Description: | Controls auto-retrain mode and              |
          |              | fallback/fall forward                       |
          |--------------+---------------------------------------------|
          |   Command    |                  Function                   |
          |--------------+---------------------------------------------|
          |     %E0      | Auto-retrain disabled                       |
          |--------------+---------------------------------------------|
          |     %E1      | Auto-retrain enabled                        |
          |--------------+---------------------------------------------|
          |    í %E2     | Fallback/fall forward enabled               |
          +------------------------------------------------------------+
       
          +------------------------------------------------------------+
          |                    BIT MAPPED REGISTERS                    |
          |------------------------------------------------------------|
          |          Register          |            Default            |
          |----------------------------+-------------------------------|
          |            S14             |         Unidentified          |
          |----------------------------+-------------------------------|
          |            S16             |               0               |
          |----------------------------+-------------------------------|
          |            S21             |         Unidentified          |
          |----------------------------+-------------------------------|
          |            S22             |         Unidentified          |
          |----------------------------+-------------------------------|
          |            S23             |         Unidentified          |
          |----------------------------+-------------------------------|
          |            S27             |         Unidentified          |
          |----------------------------+-------------------------------|
          |            S31             |         Unidentified          |
          |----------------------------+-------------------------------|
          |            S41             |              131              |
          +------------------------------------------------------------+
       
          +------------------------------------------------------------+
          |                         BREAK TYPE                         |
          |------------------------------------------------------------|
          | Type        | Configuration                                |
          |-------------+----------------------------------------------|
          | Format      | AT [cmds] \Kn [cmds]                         |
          |-------------+----------------------------------------------|
          | Default     | 5                                            |
          |-------------+----------------------------------------------|
          | Range       | 0-5                                          |
          |-------------+----------------------------------------------|
          | Description | Configures action of break signal            |
          +------------------------------------------------------------+
       
          +------------------------------------------------------------+
          |                        CONNECT MODE                        |
          |------------------------------------------------------------|
          | Type:        | Configuration                               |
          |--------------+---------------------------------------------|
          | Format:      | AT [cmds] \Nn [cmds]                        |
          |--------------+---------------------------------------------|
          | Description: | Sets connect mode                           |
          |--------------+---------------------------------------------|
          |   Command    |                  Function                   |
          |--------------+---------------------------------------------|
          |     \N0      | Normal mode enabled                         |
          +------------------------------------------------------------+
       
          +------------------------------------------------------------+
          |                     FAX TRANSMIT LEVEL                     |
          |------------------------------------------------------------|
          | Type:        | Register                                    |
          |--------------+---------------------------------------------|
          | Format:      | AT [cmds] S92=n [cmds]                      |
          |--------------+---------------------------------------------|
          | Default:     | 10                                          |
          |--------------+---------------------------------------------|
          | Range:       | 0-15                                        |
          |--------------+---------------------------------------------|
          | Unit:        | -1dBm                                       |
          |--------------+---------------------------------------------|
          | Description: | Controls fax transmission level             |
          +------------------------------------------------------------+
       
          +------------------------------------------------------------+
          |                  FLASH DIAL MODIFIER TIME                  |
          |------------------------------------------------------------|
          | Format       | AT [cmds] S29=n [cmds]                      |
          |--------------+---------------------------------------------|
          | Default:     | 0                                           |
          |--------------+---------------------------------------------|
          | Range:       | 0-255                                       |
          |--------------+---------------------------------------------|
          | Unit:        | .01 second                                  |
          |--------------+---------------------------------------------|
          | Description: | Time the modem will go on-hook upon         |
          |              | receiving the ! dial modifier in dial       |
          |              | string.                                     |
          +------------------------------------------------------------+
       
          +------------------------------------------------------------+
          |               FLOW CONTROL CHARACTER - XOFF                |
          |------------------------------------------------------------|
          | Type:        | Register                                    |
          |--------------+---------------------------------------------|
          | Format:      | AT [cmds] S33=n [cmds]                      |
          |--------------+---------------------------------------------|
          | Default:     | 19                                          |
          |--------------+---------------------------------------------|
          | Range:       | 0-255                                       |
          |--------------+---------------------------------------------|
          | Unit:        | ASCII                                       |
          |--------------+---------------------------------------------|
          | Description: | Sets the character used to represent XOFF   |
          +------------------------------------------------------------+
       
          +------------------------------------------------------------+
          |                FLOW CONTROL CHARACTER - XON                |
          |------------------------------------------------------------|
          | Type:        | Register                                    |
          |--------------+---------------------------------------------|
          | Format:      | AT [cmds] S32=n [cmds]                      |
          |--------------+---------------------------------------------|
          | Default:     | 17                                          |
          |--------------+---------------------------------------------|
          | Range:       | 0-255                                       |
          |--------------+---------------------------------------------|
          | Unit:        | ASCII                                       |
          |--------------+---------------------------------------------|
          | Description: | Sets the character used to represent XON    |
          +------------------------------------------------------------+
       
          +------------------------------------------------------------+
          |                     LINE SIGNAL LEVEL                      |
          |------------------------------------------------------------|
          | Type:        | Immediate                                   |
          |--------------+---------------------------------------------|
          | Format:      | AT [cmds] %L [cmds]                         |
          |--------------+---------------------------------------------|
          | Description: | Returns a value which indicates the         |
          |              | received line signal level                  |
          +------------------------------------------------------------+
       
          +------------------------------------------------------------+
          |                    LINE SIGNAL QUALITY                     |
          |------------------------------------------------------------|
          | Type:        | Immediate                                   |
          |--------------+---------------------------------------------|
          | Format:      | AT [cmds] %Q [cmds]                         |
          |--------------+---------------------------------------------|
          | Description: | Returns a value which indicates line signal |
          |              | quality                                     |
          +------------------------------------------------------------+
       
          +------------------------------------------------------------+
          |                            RPI                             |
          |------------------------------------------------------------|
          | Type:        | Configuration                               |
          |--------------+---------------------------------------------|
          | Format:      | AT [cmds] +Hn [cmds]                        |
          |--------------+---------------------------------------------|
          | Description: | Controls RPI and sets DTE speed             |
          |------------------------------------------------------------|
          |    Command     |                 Function                  |
          |----------------+-------------------------------------------|
          |      +H0       | RPI disabled                              |
          |----------------+-------------------------------------------|
          |      +H1       | RPI enabled, DTE speed 19200bps           |
          |----------------+-------------------------------------------|
          |      +H2       | RPI enabled, DTE speed 38400bps           |
          |----------------+-------------------------------------------|
          |      +H3       | RPI enabled, DTE speed 57600bps           |
          +------------------------------------------------------------+
       
          +------------------------------------------------------------+
          |                        SLEEP TIMER                         |
          |------------------------------------------------------------|
          | Format       | AT [cmds] S24=n [cmds]                      |
          |--------------+---------------------------------------------|
          | Default:     | 0                                           |
          |--------------+---------------------------------------------|
          | Range:       | 0-255                                       |
          |--------------+---------------------------------------------|
          | Unit:        | 1 second                                    |
          |--------------+---------------------------------------------|
          | Description: | Maximum duration of DTE and DCE inactivity  |
          |              | allowed prior to initiating low-power sleep |
          |              | mode.                                       |
          +------------------------------------------------------------+
       
          +------------------------------------------------------------+
          |                 TRANSMIT ATTENUATION LEVEL                 |
          |------------------------------------------------------------|
          | Type:        | Register                                    |
          |--------------+---------------------------------------------|
          | Format:      | AT [cmds] S91=n [cmds]                      |
          |--------------+---------------------------------------------|
          | Default:     | 10                                          |
          |--------------+---------------------------------------------|
          | Range:       | 0-15                                        |
          |--------------+---------------------------------------------|
          | Unit:        | -1dBm                                       |
          |--------------+---------------------------------------------|
          | Description: | Controls transmission attenuation level     |
          +------------------------------------------------------------+