(TXT) View Source
       
       # SIIG, INC.
       
          SI-1414RI
       
          Modem Type             Data (synchronous/asynchronous)/Fax     
          Maximum Data Rate      14.4Kbps                                
          Maximum Fax Rate       14.4Kbps                                
          Data Bus               Internal                                
          Fax Class              Class I & II                            
          Data Modulation        ITU-T V.22, V.22bis, V.23, V.32,        
          Protocol               V.32bis                                 
          Fax Modulation         ITU-T V.17, V.21CH2, V.27ter, V.29      
          Protocol               
          Error                  MNP5, V.42, V.42bis                     
          Correction/Compression 
       
 (IMG) IMG 1
          
       
          +----------------------------+
          | BASE I/O ADDRESS SELECTION |
          +----------------------------+
       
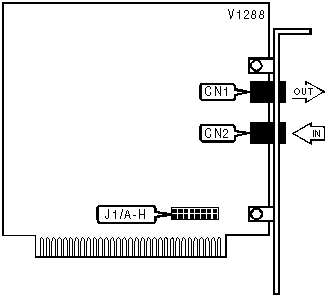
          +------------------------------------------------------------+
          |      Port      |     J1/A     |     J1/B     |    J1/C     |
          |----------------+--------------+--------------+-------------|
          | COM1: (3F8h)   |     Open     |     Open     |    Open     |
          |----------------+--------------+--------------+-------------|
          | COM2: (2F8h)   |    Closed    |     Open     |    Open     |
          |----------------+--------------+--------------+-------------|
          | COM3: (3E8h)   |     Open     |    Closed    |    Open     |
          |----------------+--------------+--------------+-------------|
          | » COM4: (2E8h) |    Closed    |    Closed    |    Open     |
          |----------------+--------------+--------------+-------------|
          | COM5: (2F0h)   |    Closed    |     Open     |   Closed    |
          |----------------+--------------+--------------+-------------|
          | COM6: (3E0h)   |     Open     |    Closed    |   Closed    |
          |----------------+--------------+--------------+-------------|
          | COM7: (2E0h)   |    Closed    |    Closed    |   Closed    |
          +------------------------------------------------------------+
       
          +------------------------------------------------------------+
          |                    INTERRUPT SELECTION                     |
          |------------------------------------------------------------|
          |  IRQ  |   J1/D   |   J1/E   |   J1/F   |  J1/G   |  J1/H   |
          |-------+----------+----------+----------+---------+---------|
          |   3   |   Open   |  Closed  |   Open   |  Open   |  Open   |
          |-------+----------+----------+----------+---------+---------|
          |   4   |   Open   |   Open   |  Closed  |  Open   |  Open   |
          |-------+----------+----------+----------+---------+---------|
          |   5   |   Open   |   Open   |   Open   | Closed  |  Open   |
          |-------+----------+----------+----------+---------+---------|
          |   7   |   Open   |   Open   |   Open   |  Open   | Closed  |
          |-------+----------+----------+----------+---------+---------|
          |   9   |  Closed  |   Open   |   Open   |  Open   |  Open   |
          +------------------------------------------------------------+
       
                            Proprietary AT Command Set
       
          +------------------------------------------------------------+
          |                    ACCEPT RELIABLE MODE                    |
          |------------------------------------------------------------|
          | Type:        | Immediate                                   |
          |--------------+---------------------------------------------|
          | Format:      | AT [cmds] \U                                |
          |--------------+---------------------------------------------|
          | Example:     | AT \U<CR>                                   |
          |--------------+---------------------------------------------|
          | Description: | Accepts remote modem’s request for reliable |
          |              | link.                                       |
          +------------------------------------------------------------+
       
          +------------------------------------------------------------+
          |              AUTO-RELIABLE FALLBACK CHARACTER              |
          |------------------------------------------------------------|
          | Type:        | Configuration                               |
          |--------------+---------------------------------------------|
          | Format:      | AT [cmds] %An [cmds]                        |
          |--------------+---------------------------------------------|
          | Example:     | AT%A20<CR>                                  |
          |--------------+---------------------------------------------|
          | Default:     | 19                                          |
          |--------------+---------------------------------------------|
          | Range:       | 0-127                                       |
          |--------------+---------------------------------------------|
          | Unit:        | ASCII                                       |
          |--------------+---------------------------------------------|
          | Description: | Sets the character used as the              |
          |              | auto-reliable fallback character. %A0 will  |
          |              | disable this function.                      |
          +------------------------------------------------------------+
       
          +------------------------------------------------------------+
          |                         BREAK SEND                         |
          |------------------------------------------------------------|
          | Type:        | Configuration                               |
          |--------------+---------------------------------------------|
          | Format:      | AT [cmds] \Bn [cmds]                        |
          |--------------+---------------------------------------------|
          | Example:     | AT \B3 &W<CR>                               |
          |--------------+---------------------------------------------|
          | Range:       | 1-9                                         |
          |--------------+---------------------------------------------|
          | Unit:        | .1 second                                   |
          |--------------+---------------------------------------------|
          | Description: | Sends break to modem.                       |
          +------------------------------------------------------------+
       
          +------------------------------------------------------------+
          |                         BREAK TYPE                         |
          |------------------------------------------------------------|
          | Type:        | Configuration                               |
          |--------------+---------------------------------------------|
          | Format:      | AT [cmds] \Kn [cmds]                        |
          |--------------+---------------------------------------------|
          | Example:     | AT \K1 <CR>                                 |
          |--------------+---------------------------------------------|
          | Description: | Configures action of break signal.          |
          |--------------+---------------------------------------------|
          | Command      |                  Function                   |
          |--------------+---------------------------------------------|
          | \K0          | Online command mode enabled, send no break  |
          |              | to remote modem.                            |
          |--------------+---------------------------------------------|
          | \K1          | Break sent to remote modem and buffered     |
          |              | cleared.                                    |
          |--------------+---------------------------------------------|
          | \K2          | Online command mode enabled, send no break  |
          |              | to remote modem.                            |
          |--------------+---------------------------------------------|
          | \K3          | Send break to remote modem immediately.     |
          |--------------+---------------------------------------------|
          | \K4          | Online command mode enabled, send no break  |
          |              | to remote modem.                            |
          |--------------+---------------------------------------------|
          | \K5          | Send break with transmitted data.           |
          +------------------------------------------------------------+
       
          +------------------------------------------------------------+
          |                    COMMUNICATIONS MODE                     |
          |------------------------------------------------------------|
          | Type:        | Configuration                               |
          |--------------+---------------------------------------------|
          | Format:      | AT [cmds] &Mn [cmds]                        |
          |--------------+---------------------------------------------|
          | Example:     | AT &M0 &E1<CR>                              |
          |--------------+---------------------------------------------|
          | Description: | Selects communications mode.                |
          |--------------+---------------------------------------------|
          | Command      |                  Function                   |
          |--------------+---------------------------------------------|
          | &M0          | Asynchronous mode.                          |
          |--------------+---------------------------------------------|
          | &M1          | Synchronous connect mode and asynchronous   |
          |              | off-line command mode.                      |
          |--------------+---------------------------------------------|
          | &M2          | Synchronous connect mode and asynchronous   |
          |              | off-line command mode and set DTR high.     |
          |--------------+---------------------------------------------|
          | &M3          | Synchronous connect mode.                   |
          |--------------+---------------------------------------------|
          | » &M5        | V.42 connection enabled.                    |
          +------------------------------------------------------------+
       
          +------------------------------------------------------------+
          |                        COMPRESSION                         |
          |------------------------------------------------------------|
          | Type:        | Configuration                               |
          |--------------+---------------------------------------------|
          | Format:      | AT [cmds] %Cn [cmds]                        |
          |--------------+---------------------------------------------|
          | Example:     | AT *EC0 %C1 *AP0<CR>                        |
          |--------------+---------------------------------------------|
          | Description: | Selects data compression.                   |
          |--------------+---------------------------------------------|
          |   Command    |                  Function                   |
          |--------------+---------------------------------------------|
          | %C0          | Data compression disabled.                  |
          |--------------+---------------------------------------------|
          | » %C1        | Data compression enabled.                   |
          +------------------------------------------------------------+
       
          +------------------------------------------------------------+
          |                        CONNECT MODE                        |
          |------------------------------------------------------------|
          | Type:        | Configuration                               |
          |--------------+---------------------------------------------|
          | Format:      | AT [cmds] \Nn [cmds]                        |
          |--------------+---------------------------------------------|
          | Example:     | AT \N1 DT555-1212<CR>                       |
          |--------------+---------------------------------------------|
          | Description: | Sets connect mode.                          |
          |--------------+---------------------------------------------|
          |   Command    |                  Function                   |
          |--------------+---------------------------------------------|
          |     \N0      | Normal mode.                                |
          |--------------+---------------------------------------------|
          |     \N1      | Direct mode.                                |
          |--------------+---------------------------------------------|
          |     \N2      | Reliable mode.                              |
          |--------------+---------------------------------------------|
          |     \N3      | Auto-reliable mode.                         |
          |--------------+---------------------------------------------|
          |     \N4      | V.42bis reliable mode with phase detection. |
          |--------------+---------------------------------------------|
          |     \N5      | V.42bis auto-reliable mode with phase       |
          |              | detection.                                  |
          |--------------+---------------------------------------------|
          |     \N6      | V.42 reliable mode without phase detection. |
          |--------------+---------------------------------------------|
          |     \N7      | V.42 auto-reliable mode without phase       |
          |              | detection.                                  |
          +------------------------------------------------------------+
       
          +------------------------------------------------------------+
          |                  CONVERT TO RELIABLE MODE                  |
          |------------------------------------------------------------|
          | Type:        | Immediate                                   |
          |--------------+---------------------------------------------|
          | Format:      | AT [cmds] \O  [cmds]                        |
          |--------------+---------------------------------------------|
          | Example:     | AT \O<CR>                                   |
          |--------------+---------------------------------------------|
          | Description: | Initiates reliable mode link.               |
          +------------------------------------------------------------+
       
          +------------------------------------------------------------+
          |                         ECHO DATA                          |
          |------------------------------------------------------------|
          | Type:        | Configuration                               |
          |--------------+---------------------------------------------|
          | Format:      | AT [cmds] \En [cmds]                        |
          |--------------+---------------------------------------------|
          | Example:     | AT \E0<CR>                                  |
          |--------------+---------------------------------------------|
          | Description: | Enables modem to echo received data.        |
          |--------------+---------------------------------------------|
          | Command      |                  Function                   |
          |--------------+---------------------------------------------|
          | » \E0        | Data echo disabled.                         |
          |--------------+---------------------------------------------|
          | \E1          | Data echo enabled.                          |
          +------------------------------------------------------------+
       
          +------------------------------------------------------------+
          |                     FLOW CONTROL TYPE                      |
          |------------------------------------------------------------|
          | Type:        | Configuration                               |
          |--------------+---------------------------------------------|
          | Format:      | AT [cmds] &Kn [cmds]                        |
          |--------------+---------------------------------------------|
          | Example:     | AT *MF1 *DF1 &K5<CR>                        |
          |--------------+---------------------------------------------|
          | Description: | Sets type of flow control used by modem.    |
          |--------------+---------------------------------------------|
          | Command      |                  Function                   |
          |--------------+---------------------------------------------|
          | &K0          | Flow control disabled.                      |
          |--------------+---------------------------------------------|
          | &K3          | CTS/RTS flow control enabled.               |
          |--------------+---------------------------------------------|
          | » &K4        | XON/XOFF flow control enabled.              |
          |--------------+---------------------------------------------|
          | &K5          | XON/XOFF pass-through flow control enabled. |
          +------------------------------------------------------------+
       
          +------------------------------------------------------------+
          |                     FLOW CONTROL TYPE                      |
          |------------------------------------------------------------|
          | Type:        | Configuration                               |
          |--------------+---------------------------------------------|
          | Format:      | AT [cmds] \Qn [cmds]                        |
          |--------------+---------------------------------------------|
          | Example:     | AT \Q0 A<CR>                                |
          |--------------+---------------------------------------------|
          | Description: | Sets type of flow control used by modem.    |
          |--------------+---------------------------------------------|
          | Command      |                  Function                   |
          |--------------+---------------------------------------------|
          | \Q0          | Flow control disabled.                      |
          |--------------+---------------------------------------------|
          | \Q1          | XON/XOFF flow control enabled.              |
          |--------------+---------------------------------------------|
          | \Q2          | CTS flow control enabled.                   |
          |--------------+---------------------------------------------|
          | » \Q3        | CTS/RTS flow control enabled.               |
          +------------------------------------------------------------+
       
          +------------------------------------------------------------+
          |                      LOCK SERIAL PORT                      |
          |------------------------------------------------------------|
          | Type:        | Configuration                               |
          |--------------+---------------------------------------------|
          | Format:      | AT [cmds] \Jn [cmds]                        |
          |--------------+---------------------------------------------|
          | Example:     | AT %L3 %B14 \J0<CR>                         |
          |--------------+---------------------------------------------|
          | Description: | Sets operation of serial port speed.        |
          |--------------+---------------------------------------------|
          | Command      |                  Function                   |
          |--------------+---------------------------------------------|
          | » \J0        | Serial speed locked.                        |
          |--------------+---------------------------------------------|
          | \J1          | Serial speed follows connect speed.         |
          +------------------------------------------------------------+
       
          +------------------------------------------------------------+
          |            MAXIMUM BLOCK SIZE FOR TRANSMISSION             |
          |------------------------------------------------------------|
          | Type:        | Configuration                               |
          |--------------+---------------------------------------------|
          | Format:      | AT [cmds] \An [cmds]                        |
          |--------------+---------------------------------------------|
          | Example:     | AT \A3 %C1<CR>                              |
          |--------------+---------------------------------------------|
          | Description: | Sets the maximum transmittable block size.  |
          |--------------+---------------------------------------------|
          | Command      |                  Function                   |
          |--------------+---------------------------------------------|
          | \A0          | Maximum MNP block size is 64 characters.    |
          |--------------+---------------------------------------------|
          | \A1          | Maximum MNP block size is 128 characters.   |
          |--------------+---------------------------------------------|
          | \A2          | Maximum MNP block size is 192 characters.   |
          |--------------+---------------------------------------------|
          | » \A3        | Maximum MNP block size is 256 characters.   |
          +------------------------------------------------------------+
       
          +------------------------------------------------------------+
          |                 MNP EXTENDED RESULT CODES                  |
          |------------------------------------------------------------|
          | Type:        | Configuration                               |
          |--------------+---------------------------------------------|
          | Format:      | AT [cmds] \Vn [cmds]                        |
          |--------------+---------------------------------------------|
          | Example:     | AT \V1 %C1<CR>                              |
          |--------------+---------------------------------------------|
          | Description: | Selects MNP extended result codes.          |
          |--------------+---------------------------------------------|
          | Command      |                  Function                   |
          |--------------+---------------------------------------------|
          | \V0          | MNP extended result codes disabled.         |
          |--------------+---------------------------------------------|
          | » \V1        | MNP extended result codes enabled.          |
          +------------------------------------------------------------+
       
          +------------------------------------------------------------+
          |                 V.42 EXTENDED RESULT CODES                 |
          |------------------------------------------------------------|
          | Type:        | Configuration                               |
          |--------------+---------------------------------------------|
          | Format:      | AT [cmds] \Wn [cmds]                        |
          |--------------+---------------------------------------------|
          | Example:     | AT \W1 %C1<CR>                              |
          |--------------+---------------------------------------------|
          | Description: | Selects V.42 extended result codes.         |
          |--------------+---------------------------------------------|
          | Command      |                  Function                   |
          |--------------+---------------------------------------------|
          | \W0          | V.42 extended result codes disabled.        |
          |--------------+---------------------------------------------|
          | » \W1        | V.42 extended result codes enabled.         |
          +------------------------------------------------------------+
       
          +------------------------------------------------------------+
          |                   XON/XOFF PASS-THROUGH                    |
          |------------------------------------------------------------|
          | Type:        | Configuration                               |
          |--------------+---------------------------------------------|
          | Format:      | AT [cmds] \Xn [cmds]                        |
          |--------------+---------------------------------------------|
          | Example:     | AT \X0 <CR>                                 |
          |--------------+---------------------------------------------|
          | Description: | Selects whether XON/XOFF signals are sent   |
          |              | to remote modem.                            |
          |--------------+---------------------------------------------|
          | Command      |                  Function                   |
          |--------------+---------------------------------------------|
          | \X0          | XON/XOFF signals trapped by local modem.    |
          |--------------+---------------------------------------------|
          | \X1          | XON/XOFF passed through local modem.        |
          +------------------------------------------------------------+