(TXT) View Source
       
       # RAD DATA COMMUNICATIONS
       
          CMN-CF6A (FC)
       
          Card Type         Modem (asynchronous)                         
          Chipset           Unidentified                                 
          Wire Type         Fiber optic cable                            
          Maximum Data Rate 19.2Kbps x 2                                 
          Data Modulation   Unidentified                                 
          Data Bus          Proprietary                                  
       
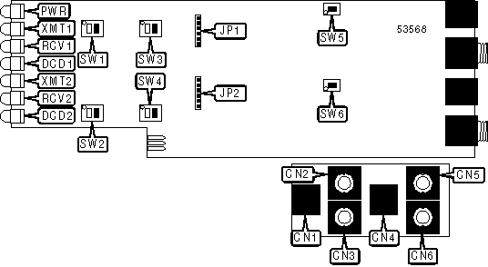
 (IMG) IMG 1
          
       
          +------------------------------------------------------------+
          |                        CONNECTIONS                         |
          |------------------------------------------------------------|
          |       Function       | Label |      Function       | Label |
          |----------------------+-------+---------------------+-------|
          | Serial data port 1   |  CN1  | Serial data port 2  |  CN4  |
          |----------------------+-------+---------------------+-------|
          | Fiber optic FC       |  CN2  | Fiber optic FC      |  CN5  |
          | transmit cable 1     |       | transmit cable 2    |       |
          |----------------------+-------+---------------------+-------|
          | Fiber optic FC       |  CN3  | Fiber optic FC      |  CN6  |
          | receive cable 1      |       | receive cable 2     |       |
          +------------------------------------------------------------+
       
          +------------------------------------------------------------+
          |                 USER CONFIGURABLE SETTINGS                 |
          |------------------------------------------------------------|
          |                 Setting                 | Label | Position |
          |-----------------------------------------+-------+----------|
          | í CN3 is DCE                            |  SW6  |    On    |
          |-----------------------------------------+-------+----------|
          | CN3 is DTE                              |  SW6  |   Off    |
          |-----------------------------------------+-------+----------|
          | í RTS to CTS delay set to 2mS on modem  | SW1/1 |   Off    |
          | 1                                       |       |          |
          |-----------------------------------------+-------+----------|
          | RTS to CTS delay set to 15mS on modem 1 | SW1/1 |    On    |
          |-----------------------------------------+-------+----------|
          | í DCD forced high on modem 1            | SW1/2 |    On    |
          |-----------------------------------------+-------+----------|
          | DCD follows DTR on modem 1              | SW1/2 |   Off    |
          |-----------------------------------------+-------+----------|
          | í RTS to CTS delay set to 2mS on modem  | SW2/1 |   Off    |
          | 2                                       |       |          |
          |-----------------------------------------+-------+----------|
          | RTS to CTS delay set to 15mS on modem 2 | SW2/1 |    On    |
          |-----------------------------------------+-------+----------|
          | í DCD forced high on modem 2            | SW2/2 |    On    |
          |-----------------------------------------+-------+----------|
          | DCD follows DTR on modem 2              | SW2/2 |   Off    |
          |-----------------------------------------+-------+----------|
          | í Cable shield 1 connected to signal    | SW3/1 |    On    |
          | ground                                  |       |          |
          |-----------------------------------------+-------+----------|
          | Cable shield 1 not connected to signal  | SW3/1 |   Off    |
          | ground                                  |       |          |
          |-----------------------------------------+-------+----------|
          | í Signal ground 1 not connected to      | SW3/2 |   Off    |
          | chassis ground                          |       |          |
          |-----------------------------------------+-------+----------|
          | Signal ground 1 connected to chassis    | SW3/2 |    On    |
          | ground                                  |       |          |
          |-----------------------------------------+-------+----------|
          | í Cable shield 2 connected to signal    | SW4/1 |    On    |
          | ground                                  |       |          |
          |-----------------------------------------+-------+----------|
          | Cable shield 2 not connected to signal  | SW4/1 |   Off    |
          | ground                                  |       |          |
          +------------------------------------------------------------+
       
          +------------------------------------------------------------+
          |             USER CONFIGURABLE SETTINGS (CON'T)             |
          |------------------------------------------------------------|
          |                 Setting                 | Label | Position |
          |-----------------------------------------+-------+----------|
          | í Signal ground 2 not connected to      | SW4/2 |   Off    |
          | chassis ground                          |       |          |
          |-----------------------------------------+-------+----------|
          | Signal ground 2 connected to chassis    | SW4/2 |    On    |
          | ground                                  |       |          |
          |-----------------------------------------+-------+----------|
          | í CN1 is DCE                            |  SW5  |    On    |
          |-----------------------------------------+-------+----------|
          | CN1 is DTE                              |  SW5  |   Off    |
          |-----------------------------------------+-------+----------|
          | í CN3 is DCE                            |  SW6  |    On    |
          |-----------------------------------------+-------+----------|
          | CN3 is DTE                              |  SW6  |   Off    |
          +------------------------------------------------------------+
       
          +------------------------------------------------------------+
          |                     DIAGNOSTIC LED(S)                      |
          |------------------------------------------------------------|
          | LED  | Color  | Status |             Condition             |
          |------+--------+--------+-----------------------------------|
          | PWR  | Green  |   On   |            Power is on            |
          |------+--------+--------+-----------------------------------|
          | PWR  | Green  |  Off   |           Power is off            |
          |------+--------+--------+-----------------------------------|
          | XMT1 | Yellow |   On   |   Modem 1 is transmitting data    |
          |------+--------+--------+-----------------------------------|
          | XMT1 | Yellow |  Off   | Modem is 1 not transmitting data  |
          |------+--------+--------+-----------------------------------|
          | RCV1 | Yellow |   On   |     Modem 1 is receiving data     |
          |------+--------+--------+-----------------------------------|
          | RCV1 | Yellow |  Off   |   Modem 1 is not receiving data   |
          |------+--------+--------+-----------------------------------|
          | DCD1 | Yellow |   On   | Carrier signal detected on line 1 |
          |------+--------+--------+-----------------------------------|
          | DCD1 | Yellow |  Off   |  Carrier signal not detected on   |
          |      |        |        |              line 1               |
          |------+--------+--------+-----------------------------------|
          | XMT2 | Yellow |   On   |   Modem 2 is transmitting data    |
          |------+--------+--------+-----------------------------------|
          | XMT2 | Yellow |  Off   | Modem is 2 not transmitting data  |
          |------+--------+--------+-----------------------------------|
          | RCV2 | Yellow |   On   |     Modem 2 is receiving data     |
          |------+--------+--------+-----------------------------------|
          | RCV2 | Yellow |  Off   |   Modem 2 is not receiving data   |
          |------+--------+--------+-----------------------------------|
          | DCD1 | Yellow |   On   | Carrier signal detected on line 1 |
          |------+--------+--------+-----------------------------------|
          | DCD1 | Yellow |  Off   |  Carrier signal not detected on   |
          |      |        |        |              line 1               |
          +------------------------------------------------------------+
       
          +------------------------------------------------------------+
          |                MISCELLANEOUS TECHNICAL NOTE                |
          |------------------------------------------------------------|
          | This card is intended for use in the CMN-16 rack-mount     |
          | system. The bus is used only for supplying power for the   |
          | card. All other card functions are accessed through the    |
          | serial ports.                                              |
          +------------------------------------------------------------+