(TXT) View Source
       
       # RAD DATA COMMUNICATIONS
       
          FOM-E1/T1 (AC POWER, SMA CONNECTOR)
       
          Card Type           T1/E1 interface converter                  
          Chipset             Unidentified                               
          Wire Type           Fiber optic cable                          
          T1/E1 Transfer Rate 1.544Mbps/2.048Mbps                        
          T1/E1 Protocol      B8ZS, HDB3                                 
          Frame Type          Unidentified                               
          Data Bus            N/A                                        
       
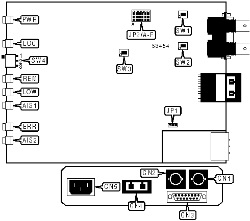
 (IMG) IMG 1
          
       
          +------------------------------------------------------------+
          |                        CONNECTIONS                         |
          |------------------------------------------------------------|
          |       Function       | Label |      Function       | Label |
          |----------------------+-------+---------------------+-------|
          | Unbalanced T1 signal |  CN1  | T1 signal in/out    |  CN4  |
          | in via coaxial cable |       | via fiber optic SMA |       |
          | connector            |       | connector           |       |
          |----------------------+-------+---------------------+-------|
          | Unbalanced T1 signal |  CN2  | AC power in         |  CN5  |
          | out via coaxial      |       |                     |       |
          | cable connector      |       |                     |       |
          |----------------------+-------+---------------------+-------|
          | Balanced T1 signal   |  CN3  |                     |       |
          | in/out via DB-15     |       |                     |       |
          | connector            |       |                     |       |
          |------------------------------------------------------------|
          |      Note:Either connector CN3 or connectors CN1 and CN2   |
          |      may be used, but not both.                            |
          +------------------------------------------------------------+
       
          +------------------------------------------------------------+
          |                 USER CONFIGURABLE SETTINGS                 |
          |------------------------------------------------------------|
          |                Setting                 | Label | Position  |
          |----------------------------------------+-------+-----------|
          | » | Signal ground connected to chassis |  JP1  | Pins 1 &  |
          |   | ground                             |       | 2 closed  |
          |---+------------------------------------+-------+-----------|
          |   | Signal ground not connected to     |  JP1  | Pins 2 &  |
          |   | chassis ground                     |       | 3 closed  |
          |---+------------------------------------+-------+-----------|
          | » | CN1 shield not connected to        |  SW1  |    On     |
          |   | chassis ground                     |       |           |
          |---+------------------------------------+-------+-----------|
          |   | CN1 shield connected to chassis    |  SW1  |    Off    |
          |   | ground                             |       |           |
          |---+------------------------------------+-------+-----------|
          | » | CN2 shield not connected to        |  SW2  |    On     |
          |   | chassis ground                     |       |           |
          |---+------------------------------------+-------+-----------|
          |   | CN2 shield connected to chassis    |  SW2  |    Off    |
          |   | ground                             |       |           |
          |---+------------------------------------+-------+-----------|
          | » | Device will transmit All Ones      |  SW3  |    On     |
          |   | Signal when major alarm is         |       |           |
          |   | detected                           |       |           |
          |---+------------------------------------+-------+-----------|
          |   | Device will transmit nothing when  |  SW3  |    Off    |
          |   | major alarm is detected            |       |           |
          +------------------------------------------------------------+
       
          +------------------------------------------------------------+
          |              ELECTRICAL CABLE TYPE SELECTION               |
          |------------------------------------------------------------|
          |     Setting      |JP2/A |JP2/B |JP2/C |JP2/D |JP2/E |JP2/F |
          |------------------+------+------+------+------+------+------|
          | | Unbalanced 75  |Pins 3|Pins 3|Pins 3|Pins 3|Pins 3|Pins 3|
          | |      ohm       | & 4  | & 4  | & 4  | & 4  | & 4  | & 4  |
          |-+----------------+------+------+------+------+------+------|
          | |Balanced 100 ohm|Pins 1|Pins 1|Pins 1|Pins 1|Pins 1|Pins 1|
          | |                | & 2  | & 2  | & 2  | & 2  | & 2  | & 2  |
          |-+----------------+------+------+------+------+------+------|
          |»|Balanced 120 ohm|Pins 2|Pins 2|Pins 2|Pins 2|Pins 2|Pins 2|
          | |                | & 3  | & 3  | & 3  | & 3  | & 3  | & 3  |
          |------------------------------------------------------------|
          |     Note:Pins designated are in closed position.           |
          +------------------------------------------------------------+
       
          +------------------------------------------------------------+
          |                         TEST MODE                          |
          |------------------------------------------------------------|
          |              Setting              |          SW4           |
          |-----------------------------------+------------------------|
          | » |       Normal operation        |       Position 2       |
          |---+-------------------------------+------------------------|
          |   |      Local loopback test      |       Position 1       |
          |---+-------------------------------+------------------------|
          |   |     Remote loopback test      |       Position 3       |
          +------------------------------------------------------------+
       
          +------------------------------------------------------------+
          |                     DIAGNOSTIC LED(S)                      |
          |------------------------------------------------------------|
          | LED  | Color  | Status |             Condition             |
          |------+--------+--------+-----------------------------------|
          | PWR  | Green  |   On   |            Power is on            |
          |------+--------+--------+-----------------------------------|
          | PWR  | Green  |  Off   |           Power is off            |
          |------+--------+--------+-----------------------------------|
          | LOC  | Yellow |   On   | Device is in local loopback test  |
          |      |        |        |               mode                |
          |------+--------+--------+-----------------------------------|
          | LOC  | Yellow |  Off   |  Device is not in local loopback  |
          |      |        |        |             test mode             |
          |------+--------+--------+-----------------------------------|
          | REM  | Yellow |   On   | Device is in remote loopback test |
          |      |        |        |               mode                |
          |------+--------+--------+-----------------------------------|
          | REM  | Yellow |  Off   | Device is not in remote loopback  |
          |      |        |        |             test mode             |
          |------+--------+--------+-----------------------------------|
          | LOW  |  Red   |   On   | Electrical input signal is below  |
          |      |        |        |        valid signal level         |
          |------+--------+--------+-----------------------------------|
          | LOW  |  Red   |  Off   | Electrical input signal is within |
          |      |        |        |        valid signal levels        |
          |------+--------+--------+-----------------------------------|
          | AIS1 | Yellow |   On   |    All Ones Signal received on    |
          |      |        |        |       electrical interface        |
          |------+--------+--------+-----------------------------------|
          | AIS1 | Yellow |  Off   |  All Ones Signal not received on  |
          |      |        |        |       electrical interface        |
          |------+--------+--------+-----------------------------------|
          | ERR  |  Red   |   On   |     Bit Error Rate of optical     |
          |      |        |        |    interface is 10 -6 or worse    |
          |------+--------+--------+-----------------------------------|
          | ERR  |  Red   |  Off   |     Bit Error Rate of optical     |
          |      |        |        |  interface is better than 10 -6   |
          |------+--------+--------+-----------------------------------|
          | AIS2 | Yellow |   On   | All Ones Signal received on fiber |
          |      |        |        |          optic interface          |
          |------+--------+--------+-----------------------------------|
          | AIS2 | Yellow |  Off   |  All Ones Signal not received on  |
          |      |        |        |       fiber optic interface       |
          +------------------------------------------------------------+