(TXT) View Source
       
       # RAD DATA COMMUNICATIONS
       
          FOM-400
       
          Card Type           T1/E1 signal converter                     
          Chipset             Unidentified                               
          Topology            Peer-Peer                                  
          Wire Type           Fiber optic cable                          
          T1/E1 Transfer Rate 1.544Mbps/2.048Mbps                        
          T1/E1 Protocol      AMI, HDB3                                  
          Frame Type          Unidentified                               
          Data Bus            Proprietary                                
       
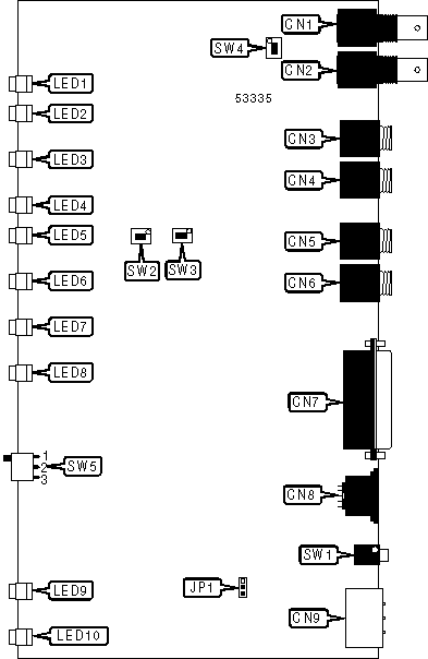
 (IMG) IMG 1
          
       
          +------------------------------------------------------------+
          |                        CONNECTIONS                         |
          |------------------------------------------------------------|
          |       Function       | Label |      Function       | Label |
          |----------------------+-------+---------------------+-------|
          | T1/E1 line in        |  CN1  | Primary fiber optic |  CN6  |
          |                      |       | transmit connector  |       |
          |----------------------+-------+---------------------+-------|
          | T1/E1 line out       |  CN2  | Control port (see   |  CN7  |
          |                      |       | pinout below)       |       |
          |----------------------+-------+---------------------+-------|
          | Secondary fiber      |  CN3  | DC power in         |  CN8  |
          | optic receive        |       |                     |       |
          | connector            |       |                     |       |
          |----------------------+-------+---------------------+-------|
          | Secondary fiber      |  CN4  | AC power in         |  CN9  |
          | optic transmit       |       |                     |       |
          | connector            |       |                     |       |
          |----------------------+-------+---------------------+-------|
          | Primary fiber optic  |  CN5  | Power switch        |  SW1  |
          | receive connector    |       |                     |       |
          +------------------------------------------------------------+
       
          +------------------------------------------------------------+
          |                         CN7 PINOUT                         |
          |------------------------------------------------------------|
          |     Function     | Pin |          Function           | Pin |
          |------------------+-----+-----------------------------+-----|
          | Chassis ground   |  1  | Primary/secondary fiber     | 14  |
          |                  |     | optic channel indicator     |     |
          |                  |     | signal                      |     |
          |------------------+-----+-----------------------------+-----|
          | Not used         |  2  | Not used                    | 15  |
          |------------------+-----+-----------------------------+-----|
          | Not used         |  3  | T1/E1 connection broken     | 16  |
          |                  |     | relay                       |     |
          |------------------+-----+-----------------------------+-----|
          | T1/E1 connection |  4  | Not used                    | 17  |
          | broken signal    |     |                             |     |
          |------------------+-----+-----------------------------+-----|
          | Not used         |  5  | Not used                    | 18  |
          |------------------+-----+-----------------------------+-----|
          | Not used         |  6  | T1/E1 connection broken     | 19  |
          |                  |     | relay                       |     |
          |------------------+-----+-----------------------------+-----|
          | Signal ground    |  7  | Alarm condition signal      | 20  |
          |------------------+-----+-----------------------------+-----|
          | Not used         |  8  | Not used                    | 21  |
          |------------------+-----+-----------------------------+-----|
          | Not used         |  9  | Primary/secondary fiber     | 22  |
          |                  |     | optic channel selection     |     |
          |------------------+-----+-----------------------------+-----|
          | Not used         | 10  | Secondary fiber optic       | 23  |
          |                  |     | connection broken signal    |     |
          |------------------+-----+-----------------------------+-----|
          | Not used         | 11  | Not used                    | 24  |
          |------------------+-----+-----------------------------+-----|
          | Not used         | 12  | Primary fiber optic         | 25  |
          |                  |     | connection broken signal    |     |
          |------------------+-----+-----------------------------+-----|
          | Not used         | 13  | Not used                    |     |
          +------------------------------------------------------------+
       
          +------------------------------------------------------------+
          |                 USER CONFIGURABLE SETTINGS                 |
          |------------------------------------------------------------|
          |                Setting                 | Label | Position  |
          |----------------------------------------+-------+-----------|
          | Signal ground connected to chassis     |  JP1  | Pins 1 &  |
          | ground                                 |       | 2 closed  |
          |----------------------------------------+-------+-----------|
          | Signal ground not connected to chassis |  JP1  | Pins 2 &  |
          | ground                                 |       | 3 closed  |
          |----------------------------------------+-------+-----------|
          | Primary fiber optic channel set for    |  SW2  |    On     |
          | short-range operation                  |       |           |
          |----------------------------------------+-------+-----------|
          | Primary fiber optic channel set for    |  SW2  |    Off    |
          | long-range operation                   |       |           |
          |----------------------------------------+-------+-----------|
          | Secondary fiber optic channel set for  |  SW3  |    On     |
          | short-range operation                  |       |           |
          |----------------------------------------+-------+-----------|
          | Secondary fiber optic channel set for  |  SW3  |    Off    |
          | long-range operation                   |       |           |
          |----------------------------------------+-------+-----------|
          | T1/E1 interface set for 100ohm or      |  SW4  |    On     |
          | 120ohm balanced cable                  |       |           |
          |----------------------------------------+-------+-----------|
          | T1/E1 interface set for 75ohm          |  SW4  |    Off    |
          | unbalanced cable                       |       |           |
          +------------------------------------------------------------+
       
          +------------------------------------------------------------+
          |               FIBER OPTIC CHANNEL SELECTION                |
          |------------------------------------------------------------|
          |               Setting                |         SW5         |
          |--------------------------------------+---------------------|
          | ยป | Channel selected by control port |     Position 2      |
          |---+----------------------------------+---------------------|
          |   |      Primary channel active      |     Position 1      |
          |---+----------------------------------+---------------------|
          |   |     Secondary channel active     |     Position 3      |
          +------------------------------------------------------------+
       
          +------------------------------------------------------------+
          |                     DIAGNOSTIC LED(S)                      |
          |------------------------------------------------------------|
          |  LED  | Color  | Status |            Condition             |
          |-------+--------+--------+----------------------------------|
          | LED1  | Green  |   On   | AC power source is connected at  |
          |       |        |        |               CN9                |
          |-------+--------+--------+----------------------------------|
          | LED1  | Green  |  Off   | AC power source is not connected |
          |       |        |        |              at CN9              |
          |-------+--------+--------+----------------------------------|
          | LED2  | Green  |   On   | Backup DC power is connected to  |
          |       |        |        |               CN8                |
          |-------+--------+--------+----------------------------------|
          | LED2  | Green  |  Off   | Backup DC power is not connected |
          |       |        |        |              to CN8              |
          |-------+--------+--------+----------------------------------|
          | LED3  |  Red   |   On   |   Internal power supply failed   |
          |-------+--------+--------+----------------------------------|
          | LED3  |  Red   |  Off   | Internal power supplies are good |
          |-------+--------+--------+----------------------------------|
          | LED4  | Green  |   On   |      DSU is receiving data       |
          |-------+--------+--------+----------------------------------|
          | LED4  | Green  |  Off   |    DSU is not receiving data     |
          |-------+--------+--------+----------------------------------|
          | LED5  | Green  |   On   |     DSU is transmitting data     |
          |-------+--------+--------+----------------------------------|
          | LED5  | Green  |  Off   |   DSU is not transmitting data   |
          |-------+--------+--------+----------------------------------|
          | LED6  |  Red   |   On   | Fiber optic synchronization lost |
          |-------+--------+--------+----------------------------------|
          | LED6  |  Red   |  Off   | Fiber optic synchronization good |
          |-------+--------+--------+----------------------------------|
          | LED7  | Yellow |   On   |  Primary fiber optic channel in  |
          |       |        |        |               use                |
          |-------+--------+--------+----------------------------------|
          | LED7  | Yellow |  Off   | Primary fiber optic channel not  |
          |       |        |        |              in use              |
          |-------+--------+--------+----------------------------------|
          | LED8  |  Red   |   On   |   Primary fiber optic channel    |
          |       |        |        |  receive level less than -39dBm  |
          |-------+--------+--------+----------------------------------|
          | LED8  |  Red   |  Off   |   Primary fiber optic channel    |
          |       |        |        |  receive level more than -39dBm  |
          |-------+--------+--------+----------------------------------|
          | LED9  | Yellow |   On   | Secondary fiber optic channel in |
          |       |        |        |               use                |
          |-------+--------+--------+----------------------------------|
          | LED9  | Yellow |  Off   |  Secondary fiber optic channel   |
          |       |        |        |            not in use            |
          |-------+--------+--------+----------------------------------|
          | LED10 |  Red   |   On   |  Secondary fiber optic channel   |
          |       |        |        |  receive level less than -39dBm  |
          |-------+--------+--------+----------------------------------|
          | LED10 |  Red   |  Off   |  Secondary fiber optic channel   |
          |       |        |        |  receive level more than -39dBm  |
          +------------------------------------------------------------+