(TXT) View Source
       
       # POWERCOM AMERICA, INC.
       
          PM3314I (JUMPER VERSION)
       
          Card Type              Modem (asynchronous/synchronous)        
          Chipset                Rockwell                                
          Maximum Data Rate      33.6Kbps                                
          Maximum Fax Rate       14.4Kbps                                
          Data Modulation        Bell 103A/212A                          
                                                                         
                                 ITU-T V.21, V.22, V.22bis, V.23, V.32,  
                                 V.32bis, V.34                           
                                                                         
                                 Rockwell V.FC                           
          Fax Modulation         ITU-T V.17, V.21CH2, V.27ter, V.29      
          Error                  MNP5, V.42, V.42bis                     
          Correction/Compression 
          Fax Class              Class I & II                            
          Data Bus               8-bit ISA                               
          Card Size              Full height, one-third length           
       
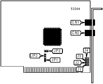
 (IMG) IMG 1
          
       
          +------------------------------------------------------------+
          |                        CONNECTIONS                         |
          |------------------------------------------------------------|
          |       Function       | Label |      Function       | Label |
          |----------------------+-------+---------------------+-------|
          | Telephone line       |  CN1  | Telephone line      |  CN2  |
          +------------------------------------------------------------+
       
          +------------------------------------------------------------+
          |                 BASE I/O ADDRESS SELECTION                 |
          |------------------------------------------------------------|
          |      Setting       |        J3         |        J4         |
          |--------------------+-------------------+-------------------|
          |    3F8h (COM1:)    |      Closed       |      Closed       |
          |--------------------+-------------------+-------------------|
          |    2F8h (COM2:)    |      Closed       |       Open        |
          |--------------------+-------------------+-------------------|
          |    3E8h (COM3:)    |       Open        |      Closed       |
          |--------------------+-------------------+-------------------|
          |    2E8h (COM4:)    |       Open        |       Open        |
          +------------------------------------------------------------+
       
          +------------------------------------------------------------+
          |                    INTERRUPT SELECTION                     |
          |------------------------------------------------------------|
          | Setting  |   J1    |   J2    |   JP1   |   JP2   |   JP3   |
          |----------+---------+---------+---------+---------+---------|
          |    2     |  Open   |  Open   |  Open   |  Open   | Closed  |
          |----------+---------+---------+---------+---------+---------|
          |    3     | Closed  |  Open   |  Open   |  Open   |  Open   |
          |----------+---------+---------+---------+---------+---------|
          |    4     |  Open   | Closed  |  Open   |  Open   |  Open   |
          |----------+---------+---------+---------+---------+---------|
          |    5     |  Open   |  Open   |  Open   | Closed  |  Open   |
          |----------+---------+---------+---------+---------+---------|
          |    7     |  Open   |  Open   | Closed  |  Open   |  Open   |
          +------------------------------------------------------------+
       
          +------------------------------------------------------------+
          |                SUPPORTED STANDARD COMMANDS                 |
          |------------------------------------------------------------|
          |                     Basic AT Commands                      |
          |------------------------------------------------------------|
          | +++, ‘comma’, A/                                           |
          |------------------------------------------------------------|
          | A, B, E, H, L, M, N, O, P, Q, T, V, W, X, Y, Z             |
          |------------------------------------------------------------|
          | &C, &D, &F, &J, &K, &L, &M, &P, &Q, &T, &V, &W, &Y, &Z     |
          |------------------------------------------------------------|
          |                    Extended AT Commands                    |
          |------------------------------------------------------------|
          | \A, \B, \G, \J, \L, \N, \O, \T, \U, \Z                     |
          |------------------------------------------------------------|
          | %C, %E, %Q                                                 |
          |------------------------------------------------------------|
          |                    Special AT Commands                     |
          |------------------------------------------------------------|
          | +MS                                                        |
          |------------------------------------------------------------|
          |                        S-Registers                         |
          |------------------------------------------------------------|
          | S0, S1, S2, S3, S4, S5, S6, S7, S8, S9, S10, S11, S12,     |
          | S14, S16, S18, S25, S26                                    |
          |------------------------------------------------------------|
          | S30, S36, S38, S39, S46, S48, S82, S86, S91, S95           |
          |------------------------------------------------------------|
          |      Note: See MHI help file for complete information.     |
          +------------------------------------------------------------+
       
          +------------------------------------------------------------+
          |                   UNIDENTIFIED COMMANDS                    |
          |------------------------------------------------------------|
          |          Command           |            Default            |
          |----------------------------+-------------------------------|
          |            S21             |         Unidentified          |
          |----------------------------+-------------------------------|
          |            S22             |         Unidentified          |
          |----------------------------+-------------------------------|
          |            S23             |         Unidentified          |
          |----------------------------+-------------------------------|
          |            S27             |         Unidentified          |
          |----------------------------+-------------------------------|
          |            S37             |               0               |
          |----------------------------+-------------------------------|
          |            S40             |              57               |
          |----------------------------+-------------------------------|
          |            S41             |               1               |
          |----------------------------+-------------------------------|
          |            S49             |               8               |
          |----------------------------+-------------------------------|
          |            S50             |              255              |
          +------------------------------------------------------------+
       
                            Proprietary AT Command Set
       
          See POWERCOM AMERICA, INC. PM3314I (SWITCH VERSION) for a full
                                 command summary.