(TXT) View Source
       
       # POWERCOM AMERICA, INC.
       
          PM33V14I (ROCKWELL)
       
          Card Type              Modem (asynchronous)                    
          Chipset                Rockwell                                
          I/O Options            Microphone in, speaker out, voice,      
                                 speakerphone, SVD                       
          Maximum Data Rate      33.6Kbps                                
          Maximum Fax Rate       14.4Kbps                                
          Data Modulation        Unidentified                            
          Fax Modulation         Unidentified                            
          Error                  MNP5, MNP10, V.42, V.42bis              
          Correction/Compression 
          Fax Class              Unidentified                            
          Data Bus               8-bit ISA                               
          Card Size              Full height, one-third length           
       
 (IMG) IMG 1
          
       
          +------------------------------------------------------------+
          |                        CONNECTIONS                         |
          |------------------------------------------------------------|
          |      Function       | Label |       Function       | Label |
          |---------------------+-------+----------------------+-------|
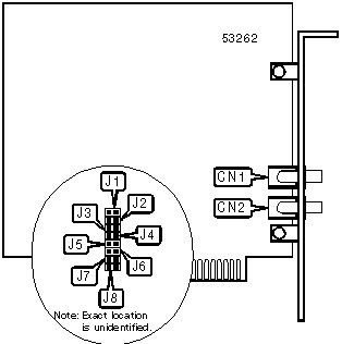
          | Speaker out         |  CN1  | Microphone in        |  CN2  |
          +------------------------------------------------------------+
       
          +------------------------------------------------------------+
          |               SERIAL PORT ADDRESS SELECTION                |
          |------------------------------------------------------------|
          |   Setting    |    J1     |    J2     |    J3    |    J4    |
          |--------------+-----------+-----------+----------+----------|
          | 3F8h (COM1:) |  Closed   |  Closed   |   Open   |   Open   |
          |--------------+-----------+-----------+----------+----------|
          | 2F8h (COM2:) |  Closed   |   Open    |   Open   |  Closed  |
          |--------------+-----------+-----------+----------+----------|
          | 3E8h (COM3:) |   Open    |  Closed   |  Closed  |   Open   |
          |--------------+-----------+-----------+----------+----------|
          | 2E8h (COM4:) |   Open    |   Open    |  Closed  |  Closed  |
          +------------------------------------------------------------+
       
          +------------------------------------------------------------+
          |                    INTERRUPT SELECTION                     |
          |------------------------------------------------------------|
          |  Setting   |    J5     |    J6     |    J7     |    J8     |
          |------------+-----------+-----------+-----------+-----------|
          |     2      |  Closed   |   Open    |   Open    |   Open    |
          |------------+-----------+-----------+-----------+-----------|
          |     3      |   Open    |  Closed   |   Open    |   Open    |
          |------------+-----------+-----------+-----------+-----------|
          |    í 4     |   Open    |   Open    |  Closed   |   Open    |
          |------------+-----------+-----------+-----------+-----------|
          |     5      |   Open    |   Open    |   Open    |  Closed   |
          +------------------------------------------------------------+
       
          +------------------------------------------------------------+
          |                SUPPORTED STANDARD COMMANDS                 |
          |------------------------------------------------------------|
          |                     Basic AT Commands                      |
          |------------------------------------------------------------|
          | +++, ‘comma’, A/                                           |
          |------------------------------------------------------------|
          | A, B, D, E, H, L, M, N, O, P, Q, T, V, W, X, Y, Z          |
          |------------------------------------------------------------|
          | &C, &D, &F, &G, &K, &P, &Q, &R, &S, &T, &V, &W, &Y, &Z     |
          |------------------------------------------------------------|
          |                    Extended AT Commands                    |
          |------------------------------------------------------------|
          | \A, \K, \N, \V                                             |
          |------------------------------------------------------------|
          | %C, %E, %L, %Q                                             |
          |------------------------------------------------------------|
          |                    Special AT Commands                     |
          |------------------------------------------------------------|
          | -K                                                         |
          |------------------------------------------------------------|
          |                        S-Registers                         |
          |------------------------------------------------------------|
          | S0, S1, S2, S3, S4, S5, S6, S7, S8, S9, S10, S11, S12,     |
          | S14, S16, S18, S22, S24, S25, S26, S29                     |
          |------------------------------------------------------------|
          | S30, S32, S33, S39, S46, S48, S82, S91, S92                |
          |------------------------------------------------------------|
          |      Note: See MHI help file for complete information.     |
          +------------------------------------------------------------+
       
          +------------------------------------------------------------+
          |                   UNIDENTIFIED COMMANDS                    |
          |------------------------------------------------------------|
          |           Command            |           Default           |
          |------------------------------+-----------------------------|
          |             S21              |              4              |
          |------------------------------+-----------------------------|
          |             S23              |             55              |
          |------------------------------+-----------------------------|
          |             S27              |             74              |
          |------------------------------+-----------------------------|
          |             S28              |              0              |
          |------------------------------+-----------------------------|
          |             S31              |             194             |
          |------------------------------+-----------------------------|
          |             S37              |              0              |
          |------------------------------+-----------------------------|
          |             S41              |             13              |
          +------------------------------------------------------------+
       
                            Proprietary AT Command Set
       
          +------------------------------------------------------------+
          |                    DISPLAY INFORMATION                     |
          |------------------------------------------------------------|
          | Type:        | Immediate                                   |
          |--------------+---------------------------------------------|
          | Format:      | AT [cmds] In [cmds]                         |
          |--------------+---------------------------------------------|
          | Description: | Displays information requested about the    |
          |              | modem.                                      |
          |--------------+---------------------------------------------|
          |   Command    |                  Function                   |
          |--------------+---------------------------------------------|
          |      I0      | Displays product identification code.       |
          |--------------+---------------------------------------------|
          |      I1      | Displays ROM checksum.                      |
          |--------------+---------------------------------------------|
          |      I2      | Tests and displays ROM checksum result.     |
          |--------------+---------------------------------------------|
          |      I3      | Displays firmware model, revision and       |
          |              | interface type.                             |
          |--------------+---------------------------------------------|
          |      I4      | Displays OEM string.                        |
          |--------------+---------------------------------------------|
          |      I5      | Displays country code.                      |
          |--------------+---------------------------------------------|
          |      I6      | Displays data pump model and revision.      |
          +------------------------------------------------------------+
       
          +------------------------------------------------------------+
          |                SIMULTANEOUS VOICE AND DATA                 |
          |------------------------------------------------------------|
          | Type:        | Configuration                               |
          |--------------+---------------------------------------------|
          | Format:      | AT [cmds] -SMS=n [cmds]                     |
          |--------------+---------------------------------------------|
          | Description: | Selects whether the modem will use SVD      |
          |              | mode.                                       |
          |--------------+---------------------------------------------|
          |   Command    |                  Function                   |
          |--------------+---------------------------------------------|
          |   í -SMS=0   | SVD mode disabled.                          |
          |--------------+---------------------------------------------|
          |    -SMS=2    | SVD mode enabled.                           |
          +------------------------------------------------------------+
       
          +------------------------------------------------------------+
          |                       SVD DATA BURST                       |
          |------------------------------------------------------------|
          | Type:        | Configuration                               |
          |--------------+---------------------------------------------|
          | Format:      | AT [cmds] -SMC=n [cmds]                     |
          |--------------+---------------------------------------------|
          | Description: | Selects whether the modem will use data     |
          |              | burst when in SVD mode.                     |
          |--------------+---------------------------------------------|
          |   Command    |                  Function                   |
          |--------------+---------------------------------------------|
          |    -SMC=0    | Data burst disabled.                        |
          |--------------+---------------------------------------------|
          |   í -SMC=1   | Data burst enabled.                         |
          +------------------------------------------------------------+
       
          +------------------------------------------------------------+
          |                        SVD PROTOCOL                        |
          |------------------------------------------------------------|
          | Type:        | Configuration                               |
          |--------------+---------------------------------------------|
          | Format:      | AT [cmds] -SQS=m,n [cmds]                   |
          |--------------+---------------------------------------------|
          | Description: | Selects the modulation protocol the modem   |
          |              | will use when in SVD mode.                  |
          |--------------+---------------------------------------------|
          |   Command    |                  Function                   |
          |--------------+---------------------------------------------|
          |     m=0      | V.61 protocol selected.                     |
          |--------------+---------------------------------------------|
          |     m=1      | V.61+ protocol selected.                    |
          |--------------+---------------------------------------------|
          |    í m=2     | V.34Q protocol selected.                    |
          |--------------+---------------------------------------------|
          |    í n=0     | Auto-detection of correct protocol          |
          |              | disabled.                                   |
          |--------------+---------------------------------------------|
          |     n=1      | Auto-detection of correct protocol enabled. |
          +------------------------------------------------------------+
       
          +------------------------------------------------------------+
          |                        VOICE DEVICE                        |
          |------------------------------------------------------------|
          | Type:        | Configuration                               |
          |--------------+---------------------------------------------|
          | Format:      | AT [cmds] #VLS=n [cmds]                     |
          |--------------+---------------------------------------------|
          | Description: | Selects the I/O device for the DSP chip.    |
          |--------------+---------------------------------------------|
          |   Command    |                  Function                   |
          |--------------+---------------------------------------------|
          |   í #VLS=0   | Telephone line and handset used for voice   |
          |              | I/O.                                        |
          |--------------+---------------------------------------------|
          |    #VLS=5    | Headset used for voice I/O.                 |
          |--------------+---------------------------------------------|
          |    #VLS=6    | Speakerphone used for voice I/O.            |
          +------------------------------------------------------------+