(TXT) View Source
       
       # PHILIPS CONSUMER ELECTRONICS, CO.
       
          PCA21IM (VER.2)
       
          Card Type              Fax, Modem (asynchronous)               
          Chip Set               Unidentified                            
          Maximum Data Rate      28.8Kbps                                
          Maximum Fax Rate       14.4Kbps                                
          Data Bus               8-bit ISA                               
          Fax Class              Class I & II                            
          Data Modulation        Bell 103/212                            
          Protocol                                                       
                                 ITU-T V.21, V.22, V.22bis, V.23, V.32,  
                                 V.32bis, V.32terbo, V.34                
          Fax Modulation         ITU-T V.17, V.21CH2, V.27ter, V.29      
          Protocol               
          Error                  MNP5, V.42, V.42bis                     
          Correction/Compression 
       
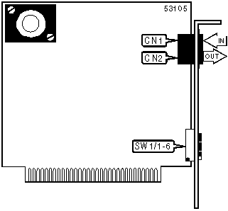
 (IMG) IMG 1
          
       
          +------------------------------------------------------------+
          |                        CONNECTIONS                         |
          |------------------------------------------------------------|
          |        Function        |  Label   |   Function   |  Label  |
          |------------------------------------------------------------|
          | Line in                     |    CN1     | Line out | CN2  |
          +------------------------------------------------------------+
       
          +------------------------------------------------------------+
          |                    SERIAL PORT ADDRESS                     |
          |------------------------------------------------------------|
          |      Setting       |       SW1/1       |       SW1/2       |
          |--------------------+-------------------+-------------------|
          |    COM1 (3F8h)     |        On         |        On         |
          |--------------------+-------------------+-------------------|
          |    COM2 (2F8h)     |        Off        |        On         |
          |--------------------+-------------------+-------------------|
          |    COM3 (3E8h)     |        On         |        Off        |
          |--------------------+-------------------+-------------------|
          |   í COM4 (2E8h)    |        Off        |        Off        |
          +------------------------------------------------------------+
       
          +------------------------------------------------------------+
          |                         INTERRUPT                          |
          |------------------------------------------------------------|
          |  Setting   |   SW1/3   |   SW1/4   |   SW1/5   |   SW1/6   |
          |------------+-----------+-----------+-----------+-----------|
          |     2      |    On     |    Off    |    Off    |    Off    |
          |------------+-----------+-----------+-----------+-----------|
          |    í 3     |    Off    |    On     |    Off    |    Off    |
          |------------+-----------+-----------+-----------+-----------|
          |     4      |    Off    |    Off    |    On     |    Off    |
          |------------+-----------+-----------+-----------+-----------|
          |     5      |    Off    |    Off    |    Off    |    On     |
          +------------------------------------------------------------+
       
          +------------------------------------------------------------+
          |                   SUPPORTED COMMAND SET                    |
          |------------------------------------------------------------|
          |                     Basic AT Commands                      |
          |------------------------------------------------------------|
          | AT, ‘+++’, ‘Comma’, A/                                     |
          |------------------------------------------------------------|
          | A, E, M, O, P, S, T, V, X, Y, Z                            |
          |------------------------------------------------------------|
          | &C, &D, &F, &G, &K, &P, &S, &T, &V, &W, &X, &Y, &Z         |
          |------------------------------------------------------------|
          |                    Extended AT Commands                    |
          |------------------------------------------------------------|
          | \A, \B, \C, \G, \J, \N, \Q, \V, \X, %A, %C, %E             |
          |------------------------------------------------------------|
          |                        S Registers                         |
          |------------------------------------------------------------|
          | S0, S1, S2, S3, S4, S5, S6, S7, S8, S9, S10, S11, S12,     |
          | S16, S18, S25, S26, S27, S91                               |
          |------------------------------------------------------------|
          | Note: See MHI Help file for full command documentation.    |
          +------------------------------------------------------------+
       
                            Proprietary AT Command Set
       
        For a full command summary, see PHILIPS CONSUMER ELECTRONICS, CO.,
                                     PCA21EM