(TXT) View Source
       
       # PRACTICAL PERIPHERALS, INC.
       
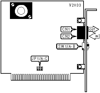
          PC288HC V.FC
       
          Card Type              Fax, Modem (asynchronous)               
          Chip Set               Unidentified                            
          Maximum Data Rate      28.8Kbps                                
          Maximum Fax Rate       14.4Kbps                                
          Data Bus               8-bit ISA                               
          Fax Class              Class I & II                            
          Data Modulation        Bell 103/212A                           
          Protocol                                                       
                                 ITU-T V.21, V.22, V.22bis, V.23, V.32,  
                                 V.32bis, V.34                           
                                                                         
                                 Rockwell V.FC                           
          Fax Modulation         ITU-T V.17, V.21CH2, V.27ter, V.29      
          Protocol               
          Error                  MNP5, V.42bis                           
          Correction/Compression 
       
 (IMG) IMG 1
          
       
          +------------------------------------------------------------+
          |                        CONNECTIONS                         |
          |------------------------------------------------------------|
          |        Function        |  Label   |   Function   |  Label  |
          |------------------------------------------------------------|
          | Line out                    |    CN1     | Line in  | CN2  |
          +------------------------------------------------------------+
       
          +------------------------------------------------------------+
          |                    SERIAL PORT ADDRESS                     |
          |------------------------------------------------------------|
          |      Setting       |       SW1/A       |       SW1/B       |
          |--------------------+-------------------+-------------------|
          |    COM1 (3F8h)     |        On         |        On         |
          |--------------------+-------------------+-------------------|
          |   í COM2 (2F8h)    |        On         |        Off        |
          |--------------------+-------------------+-------------------|
          |    COM3 (3E8h)     |        Off        |        On         |
          |--------------------+-------------------+-------------------|
          |    COM4 (2E8h)     |        Off        |        Off        |
          +------------------------------------------------------------+
       
          +------------------------------------------------------------+
          |                         INTERRUPT                          |
          |------------------------------------------------------------|
          |    Setting    |    JP1/A     |    JP1/B     |    JP1/C     |
          |---------------+--------------+--------------+--------------|
          |       2       |     Open     |    Closed    |     Open     |
          |---------------+--------------+--------------+--------------|
          |      í 3      |    Closed    |     Open     |     Open     |
          |---------------+--------------+--------------+--------------|
          |       4       |    Closed    |     Open     |     Open     |
          |---------------+--------------+--------------+--------------|
          |       5       |     Open     |     Open     |    Closed    |
          +------------------------------------------------------------+
       
                            Proprietary AT Command Set
       
          +------------------------------------------------------------+
          |                        SLEEP TIMER                         |
          |------------------------------------------------------------|
          | Type:        | Register                                    |
          |--------------+---------------------------------------------|
          | Format       | AT [cmds] S24=n [cmds]                      |
          |--------------+---------------------------------------------|
          | Default:     | 0                                           |
          |--------------+---------------------------------------------|
          | Range:       | 0-255                                       |
          |--------------+---------------------------------------------|
          | Unit:        | 1 second                                    |
          |--------------+---------------------------------------------|
          | Description: | Maximum duration of DTE and DCE inactivity  |
          |              | allowed prior to initiating low-power sleep |
          |              | mode.                                       |
          |--------------+---------------------------------------------|
          | Note:        | ATS24=0 will disable timer                  |
          +------------------------------------------------------------+
       
          +------------------------------------------------------------+
          |                      INACTIVITY TIMER                      |
          |------------------------------------------------------------|
          | Type:        | Register                                    |
          |--------------+---------------------------------------------|
          | Format       | AT [cmds] S30=n [cmds]                      |
          |--------------+---------------------------------------------|
          | Default:     | 0                                           |
          |--------------+---------------------------------------------|
          | Range:       | 0-255                                       |
          |--------------+---------------------------------------------|
          | Unit:        | 10 seconds                                  |
          |--------------+---------------------------------------------|
          | Description: | Maximum duration of DTE and DCE inactivity  |
          |              | allowed prior to initiating hang-up         |
          |              | process.                                    |
          |--------------+---------------------------------------------|
          | Note:        | ATS30=0 will disable timer                  |
          +------------------------------------------------------------+
       
          +------------------------------------------------------------+
          |                            DIAL                            |
          |------------------------------------------------------------|
          | Type:        | Immediate                                   |
          |--------------+---------------------------------------------|
          | Format:      | AT [cmds] D<#> [cmds]                       |
          |--------------+---------------------------------------------|
          | Description: | Dials telephone number according to any     |
          |              | modifiers included in the string            |
          |--------------+---------------------------------------------|
          | Note:        | Any combination of modifiers can be used to |
          |              | produce the desired dial functions in       |
          |              | sequence.                                   |
          |--------------+---------------------------------------------|
          |   Modifier   |                  Function                   |
          |--------------+---------------------------------------------|
          |      L       | Re-dial last number                         |
          |--------------+---------------------------------------------|
          |      P       | Pulse dialing enabled                       |
          |--------------+---------------------------------------------|
          |      R       | Answer mode enabled, originate mode         |
          |              | disabled following handshake initiation     |
          |--------------+---------------------------------------------|
          |     S=n      | Dial stored telephone number n              |
          |--------------+---------------------------------------------|
          |      T       | Tone dialing enabled                        |
          |--------------+---------------------------------------------|
          |      W       | Dialing resumed following dial tone         |
          |              | detection                                   |
          |--------------+---------------------------------------------|
          |      ,       | Dialing paused for amount of time specified |
          |              | in S8 register                              |
          |--------------+---------------------------------------------|
          |      "       | Letters enclosed in quotes are interpreted  |
          |              | as numbers according to the telephone       |
          |              | keypad                                      |
          |--------------+---------------------------------------------|
          |      !       | Modem commanded to go off-hook for          |
          |              | specified time before returning on-hook     |
          |--------------+---------------------------------------------|
          |      @       | Wait for quiet answer                       |
          |--------------+---------------------------------------------|
          |      $       | Waits for prompt tone for amount of time    |
          |              | specified by the S7 register                |
          |--------------+---------------------------------------------|
          |      ;       | Modem returned to command state after       |
          |              | dialing                                     |
          +------------------------------------------------------------+
       
          +------------------------------------------------------------+
          |                     REPORT INFORMATION                     |
          |------------------------------------------------------------|
          | Type:        | Immediate                                   |
          |--------------+---------------------------------------------|
          | Format:      | AT [cmds] In [cmds]                         |
          |--------------+---------------------------------------------|
          | Description: | Displays information requested              |
          |--------------+---------------------------------------------|
          |   Command    |                  Function                   |
          |--------------+---------------------------------------------|
          |      I0      | Reports product code                        |
          |--------------+---------------------------------------------|
          |      I1      | Reports ROM checksum                        |
          |--------------+---------------------------------------------|
          |      I2      | Tests and reports ROM checksum              |
          |--------------+---------------------------------------------|
          |      I3      | Reports firmware revision                   |
          |--------------+---------------------------------------------|
          |      I4      | Returns numbers in bit-map format on        |
          |              | software capabilities of the modem          |
          |--------------+---------------------------------------------|
          |      I6      | Reports data connection information         |
          +------------------------------------------------------------+
       
          +------------------------------------------------------------+
          |                        HELP SCREENS                        |
          |------------------------------------------------------------|
          | Type:        | Immediate                                   |
          |--------------+---------------------------------------------|
          | Format:      | AT [cmds] $H [cmds]                         |
          |--------------+---------------------------------------------|
          | Description: | Display help screens. To page forward use   |
          |              | <space bar>, and to exit use <ESC>          |
          +------------------------------------------------------------+
       
          +------------------------------------------------------------+
          |                        COMPRESSION                         |
          |------------------------------------------------------------|
          | Type:        | Configuration                               |
          |--------------+---------------------------------------------|
          | Format:      | AT [cmds] %Cn [cmds]                        |
          |--------------+---------------------------------------------|
          | Description: | Selects data compression                    |
          |--------------+---------------------------------------------|
          |   Command    |                  Function                   |
          |--------------+---------------------------------------------|
          |     %C0      | Data compression disabled                   |
          |--------------+---------------------------------------------|
          |     %C1      | MNP5 enabled                                |
          |--------------+---------------------------------------------|
          |     %C2      | V.42bis enabled                             |
          |--------------+---------------------------------------------|
          |    í %C3     | MNP5 and V.42bis enabled                    |
          +------------------------------------------------------------+
       
          +------------------------------------------------------------+
          |                       CLOCK DOUBLER                        |
          |------------------------------------------------------------|
          | Type:        | Configuration                               |
          |--------------+---------------------------------------------|
          | Format:      | AT [cmds] %BAUDn [cmds]                     |
          |--------------+---------------------------------------------|
          | Description: | Controls clock doubler at the UART          |
          |------------------------------------------------------------|
          |    Command    |                  Function                  |
          |---------------+--------------------------------------------|
          |    %BAUD?     | Reports current clock doubler setting      |
          |---------------+--------------------------------------------|
          |    %BAUD=?    | Reports available clock doubler modes      |
          |---------------+--------------------------------------------|
          |    %BAUD0     | Standard UART speed / clock doubler        |
          |               | disabled                                   |
          |---------------+--------------------------------------------|
          |    %BAUD1     | Double specified UART speed clock doubler  |
          |               | enabled                                    |
          +------------------------------------------------------------+
       
          +------------------------------------------------------------+
          |                         CALLER ID                          |
          |------------------------------------------------------------|
          | Type:        | Configuration                               |
          |--------------+---------------------------------------------|
          | Format:      | AT [cmds] %CCID=n [cmds]                    |
          |--------------+---------------------------------------------|
          | Description: | Controls the Caller ID function             |
          |--------------+---------------------------------------------|
          |   Command    |                  Function                   |
          |--------------+---------------------------------------------|
          |   %CCID=0    | Caller ID disabled                          |
          |--------------+---------------------------------------------|
          |   %CCID=1    | Caller ID displays formatted data           |
          |--------------+---------------------------------------------|
          |   %CCID=2    | Caller ID displays raw hexadecimal data     |
          +------------------------------------------------------------+
       
          +------------------------------------------------------------+
          |                         DUMB MODE                          |
          |------------------------------------------------------------|
          | Type:        | Configuration                               |
          |--------------+---------------------------------------------|
          | Format:      | AT [cmds] %DUMBn [cmds]                     |
          |--------------+---------------------------------------------|
          | Description: | Controls command recognition and result     |
          |              | codes, dumb mode                            |
          |------------------------------------------------------------|
          |         Command         |             Function             |
          |-------------------------+----------------------------------|
          |        í %DUMB0         | Dumb mode disabled               |
          |-------------------------+----------------------------------|
          |         %DUMB1          | Dumb mode enabled                |
          +------------------------------------------------------------+
       
          +------------------------------------------------------------+
          |         AUTO-RETRAIN - AUTO-FALLBACK/FALL-FORWARD          |
          |------------------------------------------------------------|
          | Type:        | Configuration                               |
          |--------------+---------------------------------------------|
          | Format:      | AT [cmds] %En [cmds]                        |
          |--------------+---------------------------------------------|
          | Description: | Controls auto-retrain mode and              |
          |              | fallback/fall-forward                       |
          |--------------+---------------------------------------------|
          |   Command    |                  Function                   |
          |--------------+---------------------------------------------|
          |    í %E0     | Auto-retrain disabled                       |
          |--------------+---------------------------------------------|
          |     %E1      | Auto-retrain enabled                        |
          |--------------+---------------------------------------------|
          |     %E2      | Auto-fallback/fall-forward enabled          |
          +------------------------------------------------------------+
       
          +------------------------------------------------------------+
          |                     LINE SIGNAL LEVEL                      |
          |------------------------------------------------------------|
          | Type:        | Immediate                                   |
          |--------------+---------------------------------------------|
          | Format:      | AT [cmds] %L [cmds]                         |
          |--------------+---------------------------------------------|
          | Description: | Returns a value which indicates the         |
          |              | received line signal level                  |
          +------------------------------------------------------------+
       
          +------------------------------------------------------------+
          |                    LINE SIGNAL QUALITY                     |
          |------------------------------------------------------------|
          | Type:        | Immediate                                   |
          |--------------+---------------------------------------------|
          | Format:      | AT [cmds] %Q [cmds]                         |
          |--------------+---------------------------------------------|
          | Description: | Returns a value which indicates line signal |
          |              | quality (-dBm)                              |
          +------------------------------------------------------------+
       
          +------------------------------------------------------------+
          |            MAXIMUM BLOCK SIZE FOR TRANSMISSION             |
          |------------------------------------------------------------|
          | Type:        | Configuration                               |
          |--------------+---------------------------------------------|
          | Format:      | AT [cmds] \An [cmds]                        |
          |--------------+---------------------------------------------|
          | Description: | Sets the maximum transmittable block size   |
          |--------------+---------------------------------------------|
          |   Command    |                  Function                   |
          |--------------+---------------------------------------------|
          |     \A0      | MNP block size is 64 characters             |
          |--------------+---------------------------------------------|
          |    í \A1     | MNP block size is 128 characters            |
          |--------------+---------------------------------------------|
          |     \A2      | MNP block size is 192 characters            |
          |--------------+---------------------------------------------|
          |     \A3      | MNP block size is 256 characters            |
          +------------------------------------------------------------+
       
          +------------------------------------------------------------+
          |                         BREAK SEND                         |
          |------------------------------------------------------------|
          | Type:        | Configuration                               |
          |--------------+---------------------------------------------|
          | Format:      | AT [cmds] \Bn [cmds]                        |
          |--------------+---------------------------------------------|
          | Default:     | 3                                           |
          |--------------+---------------------------------------------|
          | Range:       | 1-9                                         |
          |--------------+---------------------------------------------|
          | Unit:        | .1 second                                   |
          |--------------+---------------------------------------------|
          | Description: | Sends break to modem                        |
          +------------------------------------------------------------+
       
          +------------------------------------------------------------+
          |          AUTO-RELIABLE TIME BUFFER CONFIGURATION           |
          |------------------------------------------------------------|
          | Type:        | Configuration                               |
          |--------------+---------------------------------------------|
          | Format:      | AT [cmds] \Cn [cmds]                        |
          |--------------+---------------------------------------------|
          | Description: | Controls the handling of incoming data      |
          |              | during auto-reliable time period            |
          |--------------+---------------------------------------------|
          |   Command    |                  Function                   |
          |--------------+---------------------------------------------|
          |    í \C0     | Data is discarded                           |
          |--------------+---------------------------------------------|
          |     \C1      | Data is buffered                            |
          |--------------+---------------------------------------------|
          |     \C2      | Data is discarded; modem returns to normal  |
          |              | mode on receiving auto-reliable fallback    |
          |              | character.                                  |
          +------------------------------------------------------------+
       
          +------------------------------------------------------------+
          |                         ECHO DATA                          |
          |------------------------------------------------------------|
          | Type:        | Configuration                               |
          |--------------+---------------------------------------------|
          | Format:      | AT [cmds] \En [cmds]                        |
          |--------------+---------------------------------------------|
          | Description: | Enables modem to echo received data         |
          |--------------+---------------------------------------------|
          |   Command    |                  Function                   |
          |--------------+---------------------------------------------|
          |     \E0      | Data echo disabled                          |
          |--------------+---------------------------------------------|
          |    í \E1     | Data echo enabled                           |
          +------------------------------------------------------------+
       
          +------------------------------------------------------------+
          |                        FLOW CONTROL                        |
          |------------------------------------------------------------|
          | Type:        | Configuration                               |
          |--------------+---------------------------------------------|
          | Format:      | AT [cmds] \Gn [cmds]                        |
          |--------------+---------------------------------------------|
          | Description: | Selects modem port flow control             |
          |--------------+---------------------------------------------|
          |   Command    |                  Function                   |
          |--------------+---------------------------------------------|
          |    í \G0     | Flow control disabled                       |
          |--------------+---------------------------------------------|
          |     \G1      | Flow control enabled                        |
          +------------------------------------------------------------+
       
          +------------------------------------------------------------+
          |                      LOCK SERIAL PORT                      |
          |------------------------------------------------------------|
          | Type:        | Configuration                               |
          |--------------+---------------------------------------------|
          | Format:      | AT [cmds] \Jn [cmds]                        |
          |--------------+---------------------------------------------|
          | Description: | Sets operation of serial port speed         |
          |--------------+---------------------------------------------|
          |   Command    |                  Function                   |
          |--------------+---------------------------------------------|
          |    í \J0     | Serial speed locked                         |
          |--------------+---------------------------------------------|
          |     \J1      | Serial speed follows connect speed          |
          +------------------------------------------------------------+
       
          +------------------------------------------------------------+
          |                         BREAK TYPE                         |
          |------------------------------------------------------------|
          | Type:               | Configuration                        |
          |---------------------+--------------------------------------|
          | Format:             | AT [cmds] \Kn [cmds]                 |
          |---------------------+--------------------------------------|
          | Description:        | Configures action of break signal    |
          |------------------------------------------------------------|
          |  Command  |  Break from  | Modem receives | Break received |
          |           |     DTE      |       \B       |  from remote   |
          |           |              |                |     modem      |
          |-----------+--------------+----------------+----------------|
          |    \K0    | Online       | Break sent to  | Buffers        |
          |           | command mode | remote modem   | cleared, break |
          |           | enabled,     | and buffered   | sent to DTE    |
          |           | send no      | cleared        |                |
          |           | break to     |                |                |
          |           | remote modem |                |                |
          |-----------+--------------+----------------+----------------|
          |    \K1    | Break sent   | Break sent to  | Buffers        |
          |           | to remote    | remote modem   | cleared, break |
          |           | modem and    | and buffered   | sent to DTE    |
          |           | buffered     | cleared        |                |
          |           | cleared      |                |                |
          |-----------+--------------+----------------+----------------|
          |    \K2    | Online       | Send break to  | Break sent     |
          |           | command mode | remote modem   | immediately to |
          |           | enabled,     | immediately    | DTE            |
          |           | send no      |                |                |
          |           | break to     |                |                |
          |           | remote modem |                |                |
          |-----------+--------------+----------------+----------------|
          |    \K3    | Send break   | Send break to  | Break sent     |
          |           | to remote    | remote modem   | immediately to |
          |           | modem        | immediately    | DTE            |
          |           | immediately  |                |                |
          |-----------+--------------+----------------+----------------|
          |    \K4    | Online       | Send break     | Break sent     |
          |           | command mode | with           | with received  |
          |           | enabled,     | transmitted    | data to the    |
          |           | send no      | data           | DTE            |
          |           | break to     |                |                |
          |           | remote modem |                |                |
          |-----------+--------------+----------------+----------------|
          |   í \K5   | Send break   | Send break     | Break sent     |
          |           | with         | with           | with received  |
          |           | transmitted  | transmitted    | data to the    |
          |           | data         | data           | DTE            |
          +------------------------------------------------------------+
       
          +------------------------------------------------------------+
          |                  MNP - STREAM/BLOCK MODE                   |
          |------------------------------------------------------------|
          | Type:        | Configuration                               |
          |--------------+---------------------------------------------|
          | Format:      | AT [cmds] \Ln [cmds]                        |
          |--------------+---------------------------------------------|
          | Description: | Selects the transfer mode for MNP link      |
          |--------------+---------------------------------------------|
          |   Command    |                  Function                   |
          |--------------+---------------------------------------------|
          |    í \L0     | Stream mode for MNP enabled                 |
          |--------------+---------------------------------------------|
          |     \L1      | Block mode for MNP enabled                  |
          +------------------------------------------------------------+
       
          +------------------------------------------------------------+
          |                        CONNECT MODE                        |
          |------------------------------------------------------------|
          | Type:        | Configuration                               |
          |--------------+---------------------------------------------|
          | Format:      | AT [cmds] \Nn [cmds]                        |
          |--------------+---------------------------------------------|
          | Description: | Controls the type of connection the modem   |
          |              | will operate in                             |
          |--------------+---------------------------------------------|
          |   Command    |                  Function                   |
          |--------------+---------------------------------------------|
          |     \N0      | Normal mode enabled                         |
          |--------------+---------------------------------------------|
          |     \N1      | Direct mode enabled                         |
          |--------------+---------------------------------------------|
          |     \N2      | Reliable mode enabled                       |
          |--------------+---------------------------------------------|
          |     \N3      | Auto-reliable mode enabled                  |
          |--------------+---------------------------------------------|
          |     \N4      | V.42 reliable mode enabled                  |
          |--------------+---------------------------------------------|
          |     \N5      | MNP reliable mode enabled                   |
          +------------------------------------------------------------+
       
          +------------------------------------------------------------+
          |                     FLOW CONTROL TYPE                      |
          |------------------------------------------------------------|
          | Type:        | Configuration                               |
          |--------------+---------------------------------------------|
          | Format:      | AT [cmds] \Qn [cmds]                        |
          |--------------+---------------------------------------------|
          | Description: | Sets type of flow control used by modem     |
          |--------------+---------------------------------------------|
          |   Command    |                  Function                   |
          |--------------+---------------------------------------------|
          |    í \Q0     | Flow control disabled                       |
          |--------------+---------------------------------------------|
          |     \Q1      | XON/XOFF flow control enabled               |
          |--------------+---------------------------------------------|
          |     \Q2      | CTS flow control by DCE enabled             |
          |--------------+---------------------------------------------|
          |     \Q3      | RTS/CTS flow control enabled                |
          +------------------------------------------------------------+
       
          +------------------------------------------------------------+
          |                   CURRENT CONFIGURATION                    |
          |------------------------------------------------------------|
          | Type:        | Immediate                                   |
          |--------------+---------------------------------------------|
          | Format:      | AT [cmds] \S [cmds]                         |
          |--------------+---------------------------------------------|
          | Description: | Displays current operating parameters       |
          +------------------------------------------------------------+
       
          +------------------------------------------------------------+
          |                      INACTIVITY TIMER                      |
          |------------------------------------------------------------|
          | Type:        | Configuration                               |
          |--------------+---------------------------------------------|
          | Format:      | AT [cmds] \Tn [cmds]                        |
          |--------------+---------------------------------------------|
          | Default:     | 0                                           |
          |--------------+---------------------------------------------|
          | Range:       | 0-90                                        |
          |--------------+---------------------------------------------|
          | Unit:        | 1 minute                                    |
          |--------------+---------------------------------------------|
          | Description: | Sets the length of time that the modem does |
          |              | not receive information before it           |
          |              | disconnects.                                |
          |--------------+---------------------------------------------|
          | Note:        | AT\T0 will disable timer                    |
          +------------------------------------------------------------+
       
          +------------------------------------------------------------+
          |                EXTENDED RESULT CODES - MNP                 |
          |------------------------------------------------------------|
          | Type:        | Configuration                               |
          |--------------+---------------------------------------------|
          | Format:      | AT [cmds] \Vn [cmds]                        |
          |--------------+---------------------------------------------|
          | Description: | Selects extended result codes (MNP)         |
          |--------------+---------------------------------------------|
          |   Command    |                  Function                   |
          |--------------+---------------------------------------------|
          |     \V0      | Extended result codes disabled              |
          |--------------+---------------------------------------------|
          |    í \V1     | Extended result codes enabled               |
          +------------------------------------------------------------+
       
          +------------------------------------------------------------+
          |                   XON/XOFF PASS-THROUGH                    |
          |------------------------------------------------------------|
          | Type:        | Configuration                               |
          |--------------+---------------------------------------------|
          | Format:      | AT [cmds] \Xn [cmds]                        |
          |--------------+---------------------------------------------|
          | Description: | Selects whether XON/XOFF signals are sent   |
          |              | to remote modem                             |
          |--------------+---------------------------------------------|
          |   Command    |                  Function                   |
          |--------------+---------------------------------------------|
          |    í \X0     | XON/XOFF signals trapped by local modem     |
          |--------------+---------------------------------------------|
          |     \X1      | XON/XOFF passed through local modem         |
          +------------------------------------------------------------+