(TXT) View Source
       
       # PROMETHEUS
       
          HOME OFFICE 144I
       
          Card Type              Fax, Modem (asynchronous), Voice        
          Chip Set               Unidentified                            
          I/O Options            Speakerphone, Voice-mail                
          Maximum Data Rate      14.4Kbps                                
          Maximum Fax Rate       14.4Kbps                                
          Data Bus               8-bit ISA                               
          Fax Class              Class I & II                            
          Data Modulation        Bell 103/212A                           
          Protocol                                                       
                                 ITU-T V.21, V.22, V.22bis, V.23, V.32,  
                                 V.32bis                                 
          Fax Modulation         ITU-T V.17, V.21CH2, V.27ter, V.29      
          Protocol               
          Error                  MNP5, V.42, V.42bis                     
          Correction/Compression 
       
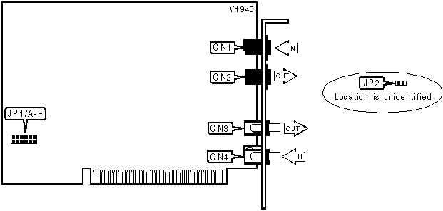
 (IMG) IMG 1
          
       
          +------------------------------------------------------------+
          |                        CONNECTIONS                         |
          |------------------------------------------------------------|
          |       Function       | Label  |   Function    |   Label    |
          |------------------------------------------------------------|
          | Line in                  |   CN1    | Speaker out   | CN3  |
          |--------------------------+----------+---------------+------|
          | Line out                 |   CN2    | Microphone in | CN4  |
          +------------------------------------------------------------+
       
          +------------------------------------------------------------+
          |                 USER CONFIGURABLE SETTINGS                 |
          |------------------------------------------------------------|
          |                Function                | Label | Position  |
          |----------------------------------------+-------+-----------|
          | Speaker plug - normal                  |  JP2  |  Closed   |
          |----------------------------------------+-------+-----------|
          | Speaker plug - monaural                |  JP2  |   Open    |
          +------------------------------------------------------------+
       
          +------------------------------------------------------------+
          |                    SERIAL PORT ADDRESS                     |
          |------------------------------------------------------------|
          |      Setting       |       JP1/A       |       JP1/B       |
          |--------------------+-------------------+-------------------|
          |    COM1 (3F8h)     |       Open        |       Open        |
          |--------------------+-------------------+-------------------|
          |   í COM2 (2F8h)    |      Closed       |       Open        |
          |--------------------+-------------------+-------------------|
          |    COM3 (3E8h)     |       Open        |      Closed       |
          |--------------------+-------------------+-------------------|
          |    COM4 (2E8h)     |      Closed       |      Closed       |
          +------------------------------------------------------------+
       
          +------------------------------------------------------------+
          |                         INTERRUPT                          |
          |------------------------------------------------------------|
          |  Setting   |   JP1/C   |   JP1/D   |   JP1/E   |   JP1/F   |
          |------------+-----------+-----------+-----------+-----------|
          |     2      |  Closed   |   Open    |   Open    |   Open    |
          |------------+-----------+-----------+-----------+-----------|
          |    í 3     |   Open    |  Closed   |   Open    |   Open    |
          |------------+-----------+-----------+-----------+-----------|
          |     4      |   Open    |   Open    |  Closed   |   Open    |
          |------------+-----------+-----------+-----------+-----------|
          |     5      |   Open    |   Open    |   Open    |  Closed   |
          +------------------------------------------------------------+
       
                            Proprietary AT Command Set
       
          +------------------------------------------------------------+
          |              AUTO-RELIABLE FALLBACK CHARACTER              |
          |------------------------------------------------------------|
          | Type:        | Configuration                               |
          |--------------+---------------------------------------------|
          | Format:      | AT [cmds] %An [cmds]                        |
          |--------------+---------------------------------------------|
          | Default:     | Unidentified                                |
          |--------------+---------------------------------------------|
          | Range:       | 0-127                                       |
          |--------------+---------------------------------------------|
          | Unit:        | ASCII                                       |
          |--------------+---------------------------------------------|
          | Description: | Sets the character used as the              |
          |              | auto-reliable fallback character; %A0 will  |
          |              | disable this function.                      |
          +------------------------------------------------------------+
       
          +------------------------------------------------------------+
          |          AUTO-RELIABLE TIME BUFFER CONFIGURATION           |
          |------------------------------------------------------------|
          | Type:        | Configuration                               |
          |--------------+---------------------------------------------|
          | Format:      | AT [cmds] \Cn [cmds]                        |
          |--------------+---------------------------------------------|
          | Description: | Controls the handling of incoming data      |
          |              | during auto-reliable time period            |
          |--------------+---------------------------------------------|
          |   Command    |                  Function                   |
          |--------------+---------------------------------------------|
          |    í \C0     | Data is discarded                           |
          |--------------+---------------------------------------------|
          |     \C1      | Data is buffered                            |
          |--------------+---------------------------------------------|
          |     \C2      | Data is discarded; modem returns to normal  |
          |              | mode on receiving auto-reliable fallback    |
          |              | character.                                  |
          +------------------------------------------------------------+
       
          +------------------------------------------------------------+
          |                        AUTO-RETRAIN                        |
          |------------------------------------------------------------|
          | Type:        | Configuration                               |
          |--------------+---------------------------------------------|
          | Format:      | AT [cmds] %En [cmds]                        |
          |--------------+---------------------------------------------|
          | Description: | Controls auto-retrain mode                  |
          |--------------+---------------------------------------------|
          |   Command    |                  Function                   |
          |--------------+---------------------------------------------|
          |     %E0      | Auto-retrain disabled                       |
          |--------------+---------------------------------------------|
          |    í %E1     | Auto-retrain enabled                        |
          +------------------------------------------------------------+
       
          +------------------------------------------------------------+
          |                         BREAK TYPE                         |
          |------------------------------------------------------------|
          | Type:        | Configuration                               |
          |--------------+---------------------------------------------|
          | Format:      | AT [cmds] \Kn [cmds]                        |
          |--------------+---------------------------------------------|
          | Default:     | 5                                           |
          |--------------+---------------------------------------------|
          | Range:       | 0-5                                         |
          |--------------+---------------------------------------------|
          | Description: | Configures action of break signal           |
          +------------------------------------------------------------+
       
          +------------------------------------------------------------+
          |                        COMPRESSION                         |
          |------------------------------------------------------------|
          | Type:        | Configuration                               |
          |--------------+---------------------------------------------|
          | Format:      | AT [cmds] %Cn [cmds]                        |
          |--------------+---------------------------------------------|
          | Description: | Selects data compression                    |
          |--------------+---------------------------------------------|
          |   Command    |                  Function                   |
          |--------------+---------------------------------------------|
          |     %C0      | Data compression disabled                   |
          |--------------+---------------------------------------------|
          |    í %C1     | MNP5 enabled                                |
          +------------------------------------------------------------+
       
          +------------------------------------------------------------+
          |                        CONNECT MODE                        |
          |------------------------------------------------------------|
          | Type:        | Configuration                               |
          |--------------+---------------------------------------------|
          | Format:      | AT [cmds] \Nn [cmds]                        |
          |--------------+---------------------------------------------|
          | Description: | Controls the type of connection the modem   |
          |              | will operate in                             |
          |--------------+---------------------------------------------|
          |   Command    |                  Function                   |
          |--------------+---------------------------------------------|
          |     \N0      | Normal mode enabled                         |
          |--------------+---------------------------------------------|
          |     \N1      | Direct mode enabled                         |
          |--------------+---------------------------------------------|
          |     \N2      | MNP reliable mode enabled                   |
          |--------------+---------------------------------------------|
          |     \N3      | Auto-reliable mode enabled                  |
          |--------------+---------------------------------------------|
          |     \N4      | V.42 reliable mode enabled                  |
          |--------------+---------------------------------------------|
          |     \N5      | V.42 auto-reliable mode enabled             |
          |--------------+---------------------------------------------|
          |    í \N6     | Reliable mode enabled                       |
          +------------------------------------------------------------+
       
          +------------------------------------------------------------+
          |                      DICTIONARY SIZE                       |
          |------------------------------------------------------------|
          | Type:        | Configuration                               |
          |--------------+---------------------------------------------|
          | Format:      | AT [cmds] %Dn [cmds]                        |
          |--------------+---------------------------------------------|
          | Description: | Select dictionary size                      |
          |--------------+---------------------------------------------|
          |   Command    |                  Function                   |
          |--------------+---------------------------------------------|
          |     %D0      | Select 1/2K dictionary                      |
          |--------------+---------------------------------------------|
          |     %D1      | Select 1K dictionary                        |
          |--------------+---------------------------------------------|
          |    í %D2     | Select 2K dictionary                        |
          +------------------------------------------------------------+
       
          +------------------------------------------------------------+
          |                        FLOW CONTROL                        |
          |------------------------------------------------------------|
          | Type:        | Configuration                               |
          |--------------+---------------------------------------------|
          | Format:      | AT [cmds] \Gn [cmds]                        |
          |--------------+---------------------------------------------|
          | Description: | Selects modem port flow control             |
          |--------------+---------------------------------------------|
          |   Command    |                  Function                   |
          |--------------+---------------------------------------------|
          |    í \G0     | Flow control disabled                       |
          |--------------+---------------------------------------------|
          |     \G1      | Flow control enabled                        |
          +------------------------------------------------------------+
       
          +------------------------------------------------------------+
          |                     FLOW CONTROL TYPE                      |
          |------------------------------------------------------------|
          | Type:        | Configuration                               |
          |--------------+---------------------------------------------|
          | Format:      | AT [cmds] \Qn [cmds]                        |
          |--------------+---------------------------------------------|
          | Description: | Sets type of flow control used by modem     |
          |--------------+---------------------------------------------|
          |   Command    |                  Function                   |
          |--------------+---------------------------------------------|
          |     \Q0      | Flow control disabled                       |
          |--------------+---------------------------------------------|
          |     \Q1      | Bidirectional XON/XOFF flow control enabled |
          |--------------+---------------------------------------------|
          |     \Q2      | CTS flow control by DCE enabled             |
          |--------------+---------------------------------------------|
          |    í \Q3     | Bidirectional RTS/CTS flow control enabled  |
          |--------------+---------------------------------------------|
          |     \Q4      | Unidirectional XON/XOFF flow control by DCE |
          |              | enabled                                     |
          +------------------------------------------------------------+
       
          +------------------------------------------------------------+
          |                      INACTIVITY TIMER                      |
          |------------------------------------------------------------|
          | Type:        | Configuration                               |
          |--------------+---------------------------------------------|
          | Format:      | AT [cmds] \Tn [cmds]                        |
          |--------------+---------------------------------------------|
          | Default:     | 0                                           |
          |--------------+---------------------------------------------|
          | Range:       | 0-90                                        |
          |--------------+---------------------------------------------|
          | Unit:        | 1 minute                                    |
          |--------------+---------------------------------------------|
          | Description: | Sets the length of time that the modem does |
          |              | not receive information before it           |
          |              | disconnects. \T=0 will disable timer.       |
          +------------------------------------------------------------+
       
          +------------------------------------------------------------+
          |                      MNP RESULT CODES                      |
          |------------------------------------------------------------|
          | Type:        | Configuration                               |
          |--------------+---------------------------------------------|
          | Format:      | AT [cmds] \Vn [cmds]                        |
          |--------------+---------------------------------------------|
          | Description: | Selects MNP result codes                    |
          |--------------+---------------------------------------------|
          |   Command    |                  Function                   |
          |--------------+---------------------------------------------|
          |    í \V0     | MNP result codes disabled                   |
          |--------------+---------------------------------------------|
          |     \V1      | MNP result codes enabled                    |
          +------------------------------------------------------------+
       
          +------------------------------------------------------------+
          |                     REPORT INFORMATION                     |
          |------------------------------------------------------------|
          | Type:        | Immediate                                   |
          |--------------+---------------------------------------------|
          | Format:      | AT [cmds] In [cmds]                         |
          |--------------+---------------------------------------------|
          | Description: | Displays information requested              |
          |--------------+---------------------------------------------|
          |   Command    |                  Function                   |
          |--------------+---------------------------------------------|
          |      I0      | Reports 3 digit product code                |
          |--------------+---------------------------------------------|
          |      I1      | Reports ROM checksum                        |
          |--------------+---------------------------------------------|
          |      I2      | Reports OK                                  |
          |--------------+---------------------------------------------|
          |      I3      | Reports firmware revision level             |
          |--------------+---------------------------------------------|
          |      I4      | Reports configuration settings              |
          +------------------------------------------------------------+
       
          +------------------------------------------------------------+
          |                   XON/XOFF PASS-THROUGH                    |
          |------------------------------------------------------------|
          | Type:        | Configuration                               |
          |--------------+---------------------------------------------|
          | Format:      | AT [cmds] \Xn [cmds]                        |
          |--------------+---------------------------------------------|
          | Description: | Selects whether XON/XOFF signals are sent   |
          |              | to remote modem                             |
          |--------------+---------------------------------------------|
          |   Command    |                  Function                   |
          |--------------+---------------------------------------------|
          |    í \X0     | XON/XOFF signals trapped by local modem     |
          |--------------+---------------------------------------------|
          |     \X1      | XON/XOFF passed through local modem         |
          +------------------------------------------------------------+