(TXT) View Source
       
       # POSITIVE CORPORATION
       
          PC MODEM 2400S
       
          Card Type                Modem(asynchronous)                   
          Chip Set                 Unidentified                          
          Maximum Data Rate        2400bps                               
          Data Bus                 8 bit ISA                             
          Data Modulation Protocol Bell 103A/212A                        
                                                                         
                                   ITU-T V.21, V.22, V.22bis             
       
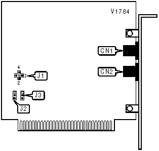
 (IMG) IMG 1
          
       
          +------------------------------------------------------------+
          |                        CONNECTIONS                         |
          |------------------------------------------------------------|
          |        Function        |  Label   |   Function   |  Label  |
          |------------------------------------------------------------|
          | Line in                     |    CN1     | Line out | CN2  |
          +------------------------------------------------------------+
       
          +------------------------------------------------------------+
          |                    SERIAL PORT ADDRESS                     |
          |------------------------------------------------------------|
          |     Setting      |         J2         |         J3         |
          |------------------+--------------------+--------------------|
          |  í COM1 (3F8h)   | Pins 2 & 3 closed  | Pins 2 & 3 closed  |
          |------------------+--------------------+--------------------|
          |   COM2 (2F8h)    | Pins 2 & 3 closed  | Pins 1 & 2 closed  |
          |------------------+--------------------+--------------------|
          |   COM3 (3E8h)    | Pins 1 & 2 closed  | Pins 2 & 3 closed  |
          |------------------+--------------------+--------------------|
          |   COM4 (2E8h)    | Pins 1 & 2 closed  | Pins 1 & 2 closed  |
          +------------------------------------------------------------+
       
          +------------------------------------------------------------+
          |                         INTERRUPT                          |
          |------------------------------------------------------------|
          |          Setting           |              J1               |
          |----------------------------+-------------------------------|
          |             2              |       Pins 1 & 2 closed       |
          |----------------------------+-------------------------------|
          |             3              |       Pins 1 & 3 closed       |
          |----------------------------+-------------------------------|
          |            í 4             |       Pins 1 & 4 closed       |
          |----------------------------+-------------------------------|
          |             5              |       Pins 1 & 5 closed       |
          +------------------------------------------------------------+
       
                            Proprietary AT Command Set
       
          +------------------------------------------------------------+
          |                  BIT-MAPPED REGISTER S14                   |
          |------------------------------------------------------------|
          | Format       | AT [cmds] S14=n [cmds]                      |
          |--------------+---------------------------------------------|
          | Default:     | 170                                         |
          |--------------+---------------------------------------------|
          | Range:       | 0-174                                       |
          |--------------+---------------------------------------------|
          | Unit:        | Bit-mapped.                                 |
          |--------------+---------------------------------------------|
          | Description: | Controls echo, result codes, result code    |
          |              | display, dial mode, and answer/originate    |
          |              | mode                                        |
          |--------------+---------------------------------------------|
          | Bit  | Value |                  Function                   |
          |------+-------+---------------------------------------------|
          |  0   |     0 | Not used                                    |
          |------+-------+---------------------------------------------|
          |  1   |     0 | Command echo disabled                       |
          |      |       |                                             |
          |      |   í 1 | Command echo enabled                        |
          |------+-------+---------------------------------------------|
          |  2   |   í 0 | Result codes enabled                        |
          |      |       |                                             |
          |      |     1 | Result codes disabled                       |
          |------+-------+---------------------------------------------|
          |  3   |     0 | Display result codes in numeric format      |
          |      |       |                                             |
          |      |   í 1 | Display result codes in verbose format      |
          |------+-------+---------------------------------------------|
          |  4   |     0 | Not used                                    |
          |------+-------+---------------------------------------------|
          |  5   |     0 | Tone dial enabled                           |
          |      |       |                                             |
          |      |   í 1 | Pulse dial enabled                          |
          |------+-------+---------------------------------------------|
          |  6   |     0 | Not used                                    |
          |------+-------+---------------------------------------------|
          |  7   |     0 | Answer mode enabled                         |
          |      |       |                                             |
          |      |   í 1 | Originate mode enabled                      |
          +------------------------------------------------------------+
       
          +------------------------------------------------------------+
          |                  BIT-MAPPED REGISTER S21                   |
          |------------------------------------------------------------|
          | Format       | AT [cmds] S21=n [cmds]                      |
          |--------------+---------------------------------------------|
          | Default:     | 16                                          |
          |--------------+---------------------------------------------|
          | Range:       | 0 - 184                                     |
          |--------------+---------------------------------------------|
          | Unit:        | Bit-mapped.                                 |
          |--------------+---------------------------------------------|
          | Description: | Selects low DTR action, DCD signal, and the |
          |              | Long Space Disconnect function.             |
          |--------------+---------------------------------------------|
          | Bit  | Value |                  Function                   |
          |------+-------+---------------------------------------------|
          |  0   |     0 | Not used.                                   |
          |------+-------+---------------------------------------------|
          |  1   |     0 | Not used.                                   |
          |------+-------+---------------------------------------------|
          |  2   |     0 | Not used.                                   |
          |------+-------+---------------------------------------------|
          | 4, 3 |  í 00 | DTR signal ignored.                         |
          |      |       |                                             |
          |      |    01 | Modem goes to command mode on low DTR.      |
          |      |       |                                             |
          |      |    10 | Modem disconnects on low DTR. Auto-Answer   |
          |      |       | is disabled.                                |
          |      |    11 |                                             |
          |      |       | Modem is initialized on low DTR.            |
          |------+-------+---------------------------------------------|
          |  5   |     0 | DCD forced high.                            |
          |      |       |                                             |
          |      |   í 1 | DCD normal.                                 |
          |------+-------+---------------------------------------------|
          |  6   |     0 | Not used.                                   |
          |------+-------+---------------------------------------------|
          |  7   |   í 0 | Long Space Disconnect function disabled.    |
          |      |       |                                             |
          |      |     1 | Long Space Disconnect function enabled.     |
          +------------------------------------------------------------+
       
          +------------------------------------------------------------+
          |                  BIT-MAPPED REGISTER S22                   |
          |------------------------------------------------------------|
          | Format       | AT [cmds] S22=n [cmds]                      |
          |--------------+---------------------------------------------|
          | Default:     | 117                                         |
          |--------------+---------------------------------------------|
          | Range:       | 0-127                                       |
          |--------------+---------------------------------------------|
          | Unit:        | Bit-mapped                                  |
          |--------------+---------------------------------------------|
          | Description: | Controls speaker volume and controls, and   |
          |              | limits results codes                        |
          |--------------+---------------------------------------------|
          | Bit  | Value |                  Function                   |
          |------+-------+---------------------------------------------|
          | 1, 0 |    01 | On volume                                   |
          |      |       |                                             |
          |      |  í 10 | Medium level volume                         |
          |      |       |                                             |
          |      |    11 | High level volume                           |
          |------+-------+---------------------------------------------|
          | 3, 2 |    00 | Speaker off                                 |
          |      |       |                                             |
          |      |  í 01 | Speaker off until carrier detect            |
          |      |       |                                             |
          |      |    10 | Speaker always on                           |
          |      |       |                                             |
          |      |    11 | Speaker on during handshake                 |
          |------+-------+---------------------------------------------|
          |  6,  |   000 | Basic result codes only enabled             |
          | 5, 4 |       |                                             |
          |      |   100 | Basic and connection speed result codes     |
          |      |       | enabled                                     |
          |      |   101 |                                             |
          |      |       | Basic and connection speed result codes and |
          |      |   110 | dial tone detection enabled                 |
          |      |       |                                             |
          |      | í 111 | All result codes except dial tone detection |
          |      |       | enabled                                     |
          |      |       |                                             |
          |      |       | All result codes enabled                    |
          |------+-------+---------------------------------------------|
          |  7   |  í 00 | Make/break ratio 39%/61%                    |
          |      |       |                                             |
          |      |    01 | Make/break ratio 33%/67%                    |
          +------------------------------------------------------------+
       
          +------------------------------------------------------------+
          |                  BIT-MAPPED REGISTER S23                   |
          |------------------------------------------------------------|
          | Format       | AT [cmds] S23=n [cmds]                      |
          |--------------+---------------------------------------------|
          | Default:     | 7                                           |
          |--------------+---------------------------------------------|
          | Range:       | 0-247                                       |
          |--------------+---------------------------------------------|
          | Unit:        | Bit-mapped                                  |
          |--------------+---------------------------------------------|
          | Description: | Grants/denies remote digital loopback,      |
          |              | controls DTE rate and parity, and sets      |
          |              | guard tone                                  |
          |--------------+---------------------------------------------|
          | Bit  | Value |                  Function                   |
          |------+-------+---------------------------------------------|
          |  0   |     0 | Remote digital loopback disabled            |
          |      |       |                                             |
          |      |   í 1 | Remote digital loopback enabled             |
          |------+-------+---------------------------------------------|
          | 2, 1 |    00 | Sets serial port speed to 0-300bps          |
          |      |       |                                             |
          |      |    01 | Not used                                    |
          |      |       |                                             |
          |      |    10 | Sets serial port speed to 1200bps           |
          |      |       |                                             |
          |      |  í 11 | Sets serial port speed to 2400bps           |
          |------+-------+---------------------------------------------|
          |  3   |     0 | Not used                                    |
          |------+-------+---------------------------------------------|
          | 5,4  |  í 00 | Parity even                                 |
          |      |       |                                             |
          |      |    01 | Space                                       |
          |      |       |                                             |
          |      |    10 | Parity odd                                  |
          |      |       |                                             |
          |      |    11 | No Parity                                   |
          |------+-------+---------------------------------------------|
          | 7, 6 |  í 00 | Guard tone disabled                         |
          |      |       |                                             |
          |      |    01 | Guard tone 550Hz enabled                    |
          |      |       |                                             |
          |      |    10 | Guard tone 1800Hz enabled                   |
          +------------------------------------------------------------+
       
          +------------------------------------------------------------+
          |                          PROTOCOL                          |
          |------------------------------------------------------------|
          | Format       | AT [cmds] S27=n [cmds]                      |
          |--------------+---------------------------------------------|
          | Default:     | 32                                          |
          |--------------+---------------------------------------------|
          | Range:       | 0 - 32                                      |
          |--------------+---------------------------------------------|
          | Unit:        | Bit-mapped                                  |
          |--------------+---------------------------------------------|
          | Description: | Selects operating protocol                  |
          |--------------+---------------------------------------------|
          | Bit  | Value |                  Function                   |
          |------+-------+---------------------------------------------|
          |  0   |     0 | Not used                                    |
          |------+-------+---------------------------------------------|
          |  1   |     0 | Not used                                    |
          |------+-------+---------------------------------------------|
          |  2   |     0 | Not used                                    |
          |------+-------+---------------------------------------------|
          |  3   |     0 | Not used                                    |
          |------+-------+---------------------------------------------|
          |  4   |     0 | Not used                                    |
          |------+-------+---------------------------------------------|
          |  5   |     0 | Not used                                    |
          |------+-------+---------------------------------------------|
          |  6   |     0 | CCITT V.22bis/V.22 enabled                  |
          |      |       |                                             |
          |      |   í 1 | Bell 212 enabled                            |
          +------------------------------------------------------------+
       
          +------------------------------------------------------------+
          |                         TEST MODES                         |
          |------------------------------------------------------------|
          | Format       | AT [cmds] S16=n [cmds]                      |
          |--------------+---------------------------------------------|
          | Default:     | 0                                           |
          |--------------+---------------------------------------------|
          | Range:       | 0-125                                       |
          |--------------+---------------------------------------------|
          | Unit:        | Bit-mapped                                  |
          |--------------+---------------------------------------------|
          | Description: | Controls loopback tests, analog, digital,   |
          |              | remote digital, and self tests.             |
          |--------------+---------------------------------------------|
          | Bit  | Value |                  Function                   |
          |------+-------+---------------------------------------------|
          |  0   |   í 0 | Local analog loopback disabled              |
          |      |       |                                             |
          |      |     1 | Local analog loopback enabled               |
          |------+-------+---------------------------------------------|
          |  1   |     0 | Not used.                                   |
          |------+-------+---------------------------------------------|
          |  2   |   í 0 | Local digital loopback disabled             |
          |      |       |                                             |
          |      |     1 | Local digital loopback enabled              |
          |------+-------+---------------------------------------------|
          |  3   |   í 0 | Modem not in remote digital loopback.       |
          |      |       |                                             |
          |      |     1 | Remote digital loopback in progress.        |
          |------+-------+---------------------------------------------|
          |  4   |   í 0 | Remote digital loopback disabled            |
          |      |       |                                             |
          |      |     1 | Remote digital loopback enabled             |
          |------+-------+---------------------------------------------|
          |  5   |   í 0 | Remote digital loopback w/ self-test        |
          |      |       | disabled                                    |
          |      |     1 |                                             |
          |      |       | Remote digital loopback w/ self-test        |
          |      |       | enabled                                     |
          |------+-------+---------------------------------------------|
          |  6   |   í 0 | Local analog loopback w/ self-test disabled |
          |      |       |                                             |
          |      |     1 | Local analog loopback w/ self-test enabled  |
          +------------------------------------------------------------+