(TXT) View Source
       
       # RAD DATA COMMUNICATIONS
       
          ASM-20 V.35
       
          Modem Type               Data (Synchronous)                    
          Maximum Data Rate        144Kbps                               
          Data Bus                 External                              
          Data Modulation Protocol Proprietary                           
       
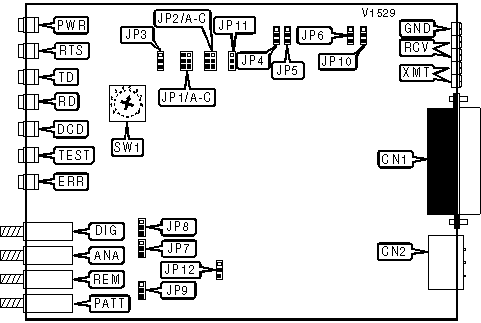
 (IMG) IMG 1
          
       
          +------------------------------------------------------------+
          |                        CONNECTIONS                         |
          |------------------------------------------------------------|
          |   Purpose   | Location |        Purpose         | Location |
          |-------------+----------+------------------------+----------|
          | V.35        |   CN1    | Diagnostic test switch |   DIG    |
          |-------------+----------+------------------------+----------|
          | AC power    |   CN2    | Analog loopback switch |   ANA    |
          |-------------+----------+------------------------+----------|
          | Ground      |   GND    | Remote loopback switch |   REM    |
          |-------------+----------+------------------------+----------|
          | Receive     |   RCV    | Test pattern           |   PATT   |
          |-------------+----------+------------------------+----------|
          | Transmit    |   XMT    |                        |          |
          +------------------------------------------------------------+
       
          +------------------------------------------------------------+
          |                      ANALOG LOOPBACK                       |
          |------------------------------------------------------------|
          | Setting                    |              JP7              |
          |----------------------------+-------------------------------|
          | » Enabled                  |       Pins 1 & 2 closed       |
          |----------------------------+-------------------------------|
          | Disabled                   |       Pins 2 & 3 closed       |
          +------------------------------------------------------------+
       
          +------------------------------------------------------------+
          |                         BAUD RATE                          |
          |------------------------------------------------------------|
          | Setting                       |            SW1             |
          |-------------------------------+----------------------------|
          | 128Kbps                       |             0              |
          |-------------------------------+----------------------------|
          | 112Kbps/144Kbps               |             1              |
          |-------------------------------+----------------------------|
          | » 64Kbps                      |             2              |
          |-------------------------------+----------------------------|
          | 56Kbps/72Kbps                 |             3              |
          |-------------------------------+----------------------------|
          | 48Kbps                        |             4              |
          |-------------------------------+----------------------------|
          | 32Kbps                        |             5              |
          +------------------------------------------------------------+
       
          +------------------------------------------------------------+
          |                         CD SIGNAL                          |
          |------------------------------------------------------------|
          | Setting                     |             JP3              |
          |-----------------------------+------------------------------|
          | CD normal                   |      Pins 1 & 2 closed       |
          |-----------------------------+------------------------------|
          | » CD forced high            |      Pins 2 & 3 closed       |
          +------------------------------------------------------------+
       
          +------------------------------------------------------------+
          |                  CHASSIS TO SIGNAL GROUND                  |
          |------------------------------------------------------------|
          | Setting                    |             JP10              |
          |----------------------------+-------------------------------|
          | » Connected                |       Pins 2 & 3 closed       |
          |----------------------------+-------------------------------|
          | Disconnected               |       Pins 1 & 2 closed       |
          +------------------------------------------------------------+
       
          +------------------------------------------------------------+
          |                        CLOCK SOURCE                        |
          |------------------------------------------------------------|
          | Setting       |    JP1/A     |    JP1/B     |    JP1/C     |
          |---------------+--------------+--------------+--------------|
          | » Internal    |    Closed    |     Open     |     Open     |
          |---------------+--------------+--------------+--------------|
          | External      |     Open     |    Closed    |     Open     |
          |---------------+--------------+--------------+--------------|
          | Receive       |     Open     |     Open     |    Closed    |
          +------------------------------------------------------------+
       
          +------------------------------------------------------------+
          |                     ENABLE PUSHBUTTONS                     |
          |------------------------------------------------------------|
          | Setting                       |            JP9             |
          |-------------------------------+----------------------------|
          | » DIG, ANA, REM, PATT enabled |     Pins 1 & 2 closed      |
          |-------------------------------+----------------------------|
          | Disabled                      |     Pins 2 & 3 closed      |
          +------------------------------------------------------------+
       
          +------------------------------------------------------------+
          |                     RECEIVE IMPEDANCE                      |
          |------------------------------------------------------------|
          | Setting                    |              JP6              |
          |----------------------------+-------------------------------|
          | » 135omhs                  |       Pins 1 & 2 closed       |
          |----------------------------+-------------------------------|
          | Low                        |       Pins 2 & 3 closed       |
          +------------------------------------------------------------+
       
          +------------------------------------------------------------+
          |                      REMOTE LOOPBACK                       |
          |------------------------------------------------------------|
          | Setting                    |              JP8              |
          |----------------------------+-------------------------------|
          | » Enabled                  |       Pins 1 & 2 closed       |
          |----------------------------+-------------------------------|
          | Disabled                   |       Pins 2 & 3 closed       |
          +------------------------------------------------------------+
       
          +------------------------------------------------------------+
          |                    REMOTE POWER FAILURE                    |
          |------------------------------------------------------------|
          | Setting                       |            JP12            |
          |-------------------------------+----------------------------|
          | » Transmit RPF tone           |     Pins 1 & 2 closed      |
          |-------------------------------+----------------------------|
          | Doesn’t transmit RPF tone     |     Pins 2 & 3 closed      |
          +------------------------------------------------------------+
       
          +------------------------------------------------------------+
          |                       RTS/CTS DELAY                        |
          |------------------------------------------------------------|
          | Setting       |    JP2/A     |    JP2/B     |    JP2/C     |
          |---------------+--------------+--------------+--------------|
          | 0ms           |    Closed    |     Open     |     Open     |
          |---------------+--------------+--------------+--------------|
          | » 9ms         |     Open     |    Closed    |     Open     |
          |---------------+--------------+--------------+--------------|
          | 70ms          |     Open     |     Open     |    Closed    |
          +------------------------------------------------------------+
       
          +------------------------------------------------------------+
          |                     TRANSMIT IMPEDANCE                     |
          |------------------------------------------------------------|
          | Setting                    |              JP5              |
          |----------------------------+-------------------------------|
          | » 135omhs                  |       Pins 1 & 2 closed       |
          |----------------------------+-------------------------------|
          | Low                        |       Pins 2 & 3 closed       |
          +------------------------------------------------------------+
       
          +------------------------------------------------------------+
          |                       TRANSMIT LEVEL                       |
          |------------------------------------------------------------|
          | Setting                    |              JP4              |
          |----------------------------+-------------------------------|
          | » 0dBm                     |       Pins 1 & 2 closed       |
          |----------------------------+-------------------------------|
          | -6dBm                      |       Pins 2 & 3 closed       |
          +------------------------------------------------------------+
       
          +------------------------------------------------------------+
          |                         V.54 DELAY                         |
          |------------------------------------------------------------|
          | Setting                    |             JP11              |
          |----------------------------+-------------------------------|
          | » On                       |       Pins 2 & 3 closed       |
          |----------------------------+-------------------------------|
          | Off                        |       Pins 1 & 2 closed       |
          +------------------------------------------------------------+
       
          +------------------------------------------------------------+
          |                     DIAGNOSTIC LED(S)                      |
          |------------------------------------------------------------|
          | LED  | Color  |  Status  |            Condition            |
          |------+--------+----------+---------------------------------|
          | PWR  | Green  |    On    |           Power is on           |
          |------+--------+----------+---------------------------------|
          | PWR  | Green  |   Off    |          Power is off           |
          |------+--------+----------+---------------------------------|
          | RTS  | Yellow |    On    |     Request to Send enabled     |
          |------+--------+----------+---------------------------------|
          | RTS  | Yellow |   Off    |    Request to Send disabled     |
          |------+--------+----------+---------------------------------|
          |  TD  | Yellow |    On    |  Modem is transmitting steady   |
          |      |        |          |              SPACE              |
          |------+--------+----------+---------------------------------|
          |  TD  | Yellow |   Off    | Modem is not transmitting data  |
          |------+--------+----------+---------------------------------|
          |  TD  | Yellow | Blinking |   Modem is transmitting data    |
          |------+--------+----------+---------------------------------|
          |  RD  | Yellow |    On    | Modem is receiving steady SPACE |
          |------+--------+----------+---------------------------------|
          |  RD  | Yellow |   Off    |   Modem is not receiving data   |
          |------+--------+----------+---------------------------------|
          |  RD  | Yellow | Blinking |     Modem is receiving data     |
          |------+--------+----------+---------------------------------|
          | DCD  | Yellow |    On    |     Carrier signal detected     |
          |------+--------+----------+---------------------------------|
          | DCD  | Yellow |   Off    |   Carrier signal not detected   |
          |------+--------+----------+---------------------------------|
          | TEST |  Red   |    On    |       Modem in test mode        |
          |------+--------+----------+---------------------------------|
          | TEST |  Red   |   Off    |     Modem not in test mode      |
          |------+--------+----------+---------------------------------|
          | ERR  | Yellow |    On    |     Errors in test pattern      |
          |------+--------+----------+---------------------------------|
          | ERR  | Yellow |   Off    |        Good test pattern        |
          +------------------------------------------------------------+