(TXT) View Source
       
       # RAD DATA COMMUNICATIONS
       
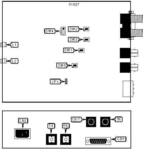
          FOM-T1
       
          Modem Type               Data (synchronous/asynchronous)       
          Maximum Data Rate        2.048Mbps                             
          Data Bus                 External                              
          Data Modulation Protocol Proprietary                           
       
 (IMG) IMG 1
          
       
          +------------------------------------------------------------+
          |                        CONNECTIONS                         |
          |------------------------------------------------------------|
          |    Purpose     | Location |       Purpose       | Location |
          |----------------+----------+---------------------+----------|
          | DB-15          |   CN1    | Receive fiber       |    RX    |
          |----------------+----------+---------------------+----------|
          | AC power       |   CN2    | Coaxial connector   |   OUT    |
          |                |          | out                 |          |
          |----------------+----------+---------------------+----------|
          | Transmit fiber |    TX    | Coaxial connector   |    IN    |
          |                |          | in                  |          |
          +------------------------------------------------------------+
       
          +------------------------------------------------------------+
          |                CHASSIS TO ELECTRICAL GROUND                |
          |------------------------------------------------------------|
          | Setting                    |              JP1              |
          |----------------------------+-------------------------------|
          | » Connected                |       Pins 1 & 2 closed       |
          |----------------------------+-------------------------------|
          | Disconnected               |       Pins 2 & 3 closed       |
          +------------------------------------------------------------+
       
          +------------------------------------------------------------+
          |                           INPUT                            |
          |------------------------------------------------------------|
          | Setting                       |            SW2             |
          |-------------------------------+----------------------------|
          | Grounded                      |            Off             |
          |-------------------------------+----------------------------|
          | » Floating                    |             On             |
          +------------------------------------------------------------+
       
          +------------------------------------------------------------+
          |                         INTERFACE                          |
          |------------------------------------------------------------|
          | Setting                       |            SW4             |
          |-------------------------------+----------------------------|
          | » 100 Omhs-(DB-15) T1         |       Position 1 on        |
          |-------------------------------+----------------------------|
          | » 120 Omhs-(DB-15) E1         |       Position 2 on        |
          |-------------------------------+----------------------------|
          | 75 Omhs-(BNC) E1              |       Position 3 on        |
          +------------------------------------------------------------+
       
          +------------------------------------------------------------+
          |                     OPTICAL AIS SIGNAL                     |
          |------------------------------------------------------------|
          | Setting                       |            SW5             |
          |-------------------------------+----------------------------|
          | » Off                         |            Off             |
          |-------------------------------+----------------------------|
          | On                            |             On             |
          +------------------------------------------------------------+
       
          +------------------------------------------------------------+
          |                           OUTPUT                           |
          |------------------------------------------------------------|
          | Setting                       |            SW3             |
          |-------------------------------+----------------------------|
          | Grounded                      |            Off             |
          |-------------------------------+----------------------------|
          | » Floating                    |             On             |
          +------------------------------------------------------------+
       
          +------------------------------------------------------------+
          |                           RANGE                            |
          |------------------------------------------------------------|
          | Setting                       |            SW1             |
          |-------------------------------+----------------------------|
          | » Short                       |            Off             |
          |-------------------------------+----------------------------|
          | Long                          |             On             |
          +------------------------------------------------------------+
       
          +------------------------------------------------------------+
          |                     DIAGNOSTIC LED(S)                      |
          |------------------------------------------------------------|
          |  LED   |  Color  |  Status  |          Condition           |
          |--------+---------+----------+------------------------------|
          |   L1   |   Red   |    On    |         Power is on          |
          |--------+---------+----------+------------------------------|
          |   L1   |   Red   |   Off    |         Power is off         |
          |--------+---------+----------+------------------------------|
          |   L2   |   Red   |    On    | Optical signal below -43dBm  |
          |--------+---------+----------+------------------------------|
          |   L2   |   Red   |   Off    | All link equipment operating |
          +------------------------------------------------------------+