(TXT) View Source
       
       # NEWCOM, INC.
       
          33600 EFX EXTERNAL
       
          Card Type              Modem (asynchronous/synchronous)        
          Chipset                Rockwell                                
          Maximum Data Rate      33.6Kbps                                
          Maximum Fax Rate       14.4Kbps                                
          Data Modulation        Bell 103A/212A                          
                                                                         
                                 ITU-T V.21, V.22, V.22bis, V.23, V.32,  
                                 V.32bis, V.34                           
                                                                         
                                 Rockwell V.FC                           
          Fax Modulation         ITU-T V.17, V.21CH2, V.27ter, V.29      
          Error                  MNP5, MNP10, V.42, V.42bis              
          Correction/Compression 
          Fax Class              Class II                                
          Data Bus               Serial                                  
       
 (IMG) IMG 1
          
       
          +------------------------------------------------------------+
          |                        CONNECTIONS                         |
          |------------------------------------------------------------|
          |       Function        | Label |      Function      | Label |
          |-----------------------+-------+--------------------+-------|
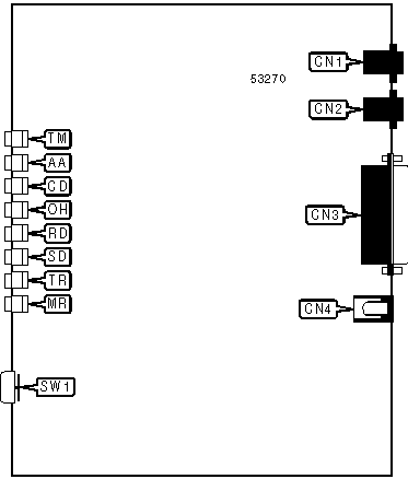
          | Telephone line        |  CN1  | DC power in        |  CN4  |
          |-----------------------+-------+--------------------+-------|
          | Telephone line        |  CN2  | Power switch       |  SW1  |
          |-----------------------+-------+--------------------+-------|
          | Serial port           |  CN3  |                    |       |
          +------------------------------------------------------------+
       
          +------------------------------------------------------------+
          |                     DIAGNOSTIC LED(S)                      |
          |------------------------------------------------------------|
          | LED | Color |  Status  |             Condition             |
          |-----+-------+----------+-----------------------------------|
          | TM  |  Red  |    On    |  Modem is performing diagnostic   |
          |     |       |          |               test                |
          |-----+-------+----------+-----------------------------------|
          | TM  |  Red  |   Off    |      Modem is not performing      |
          |     |       |          |          diagnostic test          |
          |-----+-------+----------+-----------------------------------|
          | AA  |  Red  |    On    |        Auto-answer enabled        |
          |-----+-------+----------+-----------------------------------|
          | AA  |  Red  |   Off    |       Auto-answer disabled        |
          |-----+-------+----------+-----------------------------------|
          | AA  |  Red  | Blinking |         Phone is ringing          |
          |-----+-------+----------+-----------------------------------|
          | CD  |  Red  |    On    |      Carrier signal detected      |
          |-----+-------+----------+-----------------------------------|
          | CD  |  Red  |   Off    |    Carrier signal not detected    |
          +------------------------------------------------------------+
       
          +------------------------------------------------------------+
          |                 DIAGNOSTIC LED(S) (CON'T)                  |
          |------------------------------------------------------------|
          |  LED  |  Color  | Status  |           Condition            |
          |-------+---------+---------+--------------------------------|
          |  OH   |   Red   |   On    |       Modem is off-hook        |
          |-------+---------+---------+--------------------------------|
          |  OH   |   Red   |   Off   |        Modem is on-hook        |
          |-------+---------+---------+--------------------------------|
          |  RD   |   Red   |   On    |    Modem is receiving data     |
          |-------+---------+---------+--------------------------------|
          |  RD   |   Red   |   Off   |  Modem is not receiving data   |
          |-------+---------+---------+--------------------------------|
          |  SD   |   Red   |   On    |   Modem is transmitting data   |
          |-------+---------+---------+--------------------------------|
          |  SD   |   Red   |   Off   | Modem is not transmitting data |
          |-------+---------+---------+--------------------------------|
          |  TR   |   Red   |   On    |       DTR signal is high       |
          |-------+---------+---------+--------------------------------|
          |  TR   |   Red   |   Off   |       DTR signal is low        |
          |-------+---------+---------+--------------------------------|
          |  MR   |   Red   |   On    |          Power is on           |
          |-------+---------+---------+--------------------------------|
          |  MR   |   Red   |   Off   |          Power is off          |
          +------------------------------------------------------------+
       
          +------------------------------------------------------------+
          |                SUPPORTED STANDARD COMMANDS                 |
          |------------------------------------------------------------|
          |                     Basic AT Commands                      |
          |------------------------------------------------------------|
          | +++, ‘comma’, A/                                           |
          |------------------------------------------------------------|
          | A, E, H, L, M, N, O, P, Q, T, V, W, X, Y, Z                |
          |------------------------------------------------------------|
          | &C, &D, &F, &G, &J, &K, &L, &M, &P, &Q, &R, &S, &T, &V,    |
          | &W, &X, &Y, &Z                                             |
          |------------------------------------------------------------|
          |                    Extended AT Commands                    |
          |------------------------------------------------------------|
          | \A, \B, \J, \K, \L, \N                                     |
          |------------------------------------------------------------|
          | %C, %E, %L, %Q, %TT                                        |
          |------------------------------------------------------------|
          |                    Special AT Commands                     |
          |------------------------------------------------------------|
          | +MS                                                        |
          |------------------------------------------------------------|
          |                        S-Registers                         |
          |------------------------------------------------------------|
          | S0, S1, S2, S3, S4, S5, S6, S7, S8, S9, S10, S11, S12,     |
          | S14, S16, S18, S21, S22, S23, S24, S25                     |
          |------------------------------------------------------------|
          | S26, S27, S29, S30, S31, S32, S33, S36, S38, S39, S46,     |
          | S48, S82, S86, S91, S92, S95                               |
          |------------------------------------------------------------|
          |      Note: See MHI help file for complete information.     |
          +------------------------------------------------------------+
       
                            Proprietary AT Command Set
       
          See NEWCOM, INC 33600 IFX INTERNAL for a full command summary.