(TXT) View Source
       
       # MOTOROLA, INC.
       
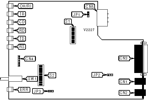
          RM201C
       
          Card Type                Modem (synchronous/asynchronous)      
          Chip Set                 Unidentified                          
          Maximum Data Rate        2400bps                               
          Data Bus                 External                              
          Data Modulation Protocol Unidentified                          
       
 (IMG) IMG 1
          
       
          +------------------------------------------------------------+
          |                        CONNECTIONS                         |
          |------------------------------------------------------------|
          |  Function  |  Label  |      Function      |     Label      |
          |------------------------------------------------------------|
          | Line out        |    CN1    | Eye Pattern connector | CN4  |
          |-----------------+-----------+-----------------------+------|
          | Line in         |    CN2    | AC power in           | CN5  |
          |-----------------+-----------+-----------------------+------|
          | RS-232/422      |    CN3    | Power/Error switch    | SW1  |
          +------------------------------------------------------------+
       
          +------------------------------------------------------------+
          |                 USER CONFIGURABLE SETTINGS                 |
          |------------------------------------------------------------|
          |                Setting                 | Label | Position  |
          |----------------------------------------+-------+-----------|
          | Chassis ground connected to signal     |  JP1  | Pins 2 &  |
          | ground                                 |       | 3 closed  |
          |----------------------------------------+-------+-----------|
          | Chassis ground not connected to signal |  JP1  | Pins 1 &  |
          | ground                                 |       | 2 closed  |
          |----------------------------------------+-------+-----------|
          | Transmit level set to -9 (permissive)  |  JP2  | Pins 1 &  |
          |                                        |       | 2 closed  |
          |----------------------------------------+-------+-----------|
          | Transmit level set to programmable     |  JP2  | Pins 2 &  |
          |                                        |       | 3 closed  |
          |----------------------------------------+-------+-----------|
          | Long haul equalization                 |  JP3  | Pins 1 &  |
          |                                        |       | 2 closed  |
          |----------------------------------------+-------+-----------|
          | Short haul equalization                |  JP3  | Pins 2 &  |
          |                                        |       | 3 closed  |
          |----------------------------------------+-------+-----------|
          | Internal clock source                  | S1/3  |    Off    |
          |----------------------------------------+-------+-----------|
          | External clock source                  | S1/3  |    On     |
          |----------------------------------------+-------+-----------|
          | Factory configured - do not alter      | S1/4  |    N/A    |
          |----------------------------------------+-------+-----------|
          | Factory configured - do not alter      | S1/5  |    N/A    |
          |----------------------------------------+-------+-----------|
          | CD normal                              | S1/6  |    Off    |
          |----------------------------------------+-------+-----------|
          | CD forced high                         | S1/6  |    On     |
          |----------------------------------------+-------+-----------|
          | Factory configured - do not alter      | S1/7  |    N/A    |
          |----------------------------------------+-------+-----------|
          | Factory configured - do not alter      | S1/8  |    N/A    |
          |----------------------------------------+-------+-----------|
          | Squelch receiver for 8ms during        | S2/3  |    Off    |
          | carrier detection                      |       |           |
          |----------------------------------------+-------+-----------|
          | Squelch receiver for 110ms during      | S2/3  |    On     |
          | carrier detection                      |       |           |
          |----------------------------------------+-------+-----------|
          | Auto-answer enabled                    | S2/4  |    On     |
          |----------------------------------------+-------+-----------|
          | Auto-answer disabled                   | S2/4  |    Off    |
          |----------------------------------------+-------+-----------|
          | CD signal level set to -30dBm          | S2/5  |    Off    |
          |----------------------------------------+-------+-----------|
          | CD signal level set to -45dBm          | S2/5  |    On     |
          |----------------------------------------+-------+-----------|
          | Factory configured - do not alter      | S2/6  |    N/A    |
          |----------------------------------------+-------+-----------|
          | Use Type A modulation                  | S2/7  |    On     |
          |----------------------------------------+-------+-----------|
          | Use Type B modulation                  | S2/7  |    Off    |
          |----------------------------------------+-------+-----------|
          | Factory configured - do not alter      | S2/8  |    N/A    |
          +------------------------------------------------------------+
       
          +------------------------------------------------------------+
          |                 CTS ECHO SUPPRESION DELAY                  |
          |------------------------------------------------------------|
          |      Setting       |       S1/1        |       S1/2        |
          |--------------------+-------------------+-------------------|
          |        0ms         |        On         |        Off        |
          |--------------------+-------------------+-------------------|
          |        9ms         |        Off        |        On         |
          |--------------------+-------------------+-------------------|
          |        25ms        |        Off        |        Off        |
          |--------------------+-------------------+-------------------|
          |       150ms        |        On         |        On         |
          +------------------------------------------------------------+
       
          +------------------------------------------------------------+
          |                 DISCONNECT DETECTION TIME                  |
          |------------------------------------------------------------|
          |      Setting       |       S2/1        |       S2/2        |
          |--------------------+-------------------+-------------------|
          |     í Disabled     |        Off        |        Off        |
          |--------------------+-------------------+-------------------|
          |  50ms disconnect   |        On         |        Off        |
          |--------------------+-------------------+-------------------|
          |  100ms disconnect  |        Off        |        On         |
          |--------------------+-------------------+-------------------|
          |  200ms disconnect  |        On         |        On         |
          +------------------------------------------------------------+
       
          +------------------------------------------------------------+
          |              ANSWER-BACK TONE ECHO SUPPRESION              |
          |------------------------------------------------------------|
          |      Setting       |       S2/9        |       S2/10       |
          |--------------------+-------------------+-------------------|
          |     í Disabled     |        Off        |        Off        |
          |--------------------+-------------------+-------------------|
          |       1000ms       |        On         |        Off        |
          |--------------------+-------------------+-------------------|
          |       200ms        |        Off        |        On         |
          |--------------------+-------------------+-------------------|
          |       400ms        |        On         |        On         |
          +------------------------------------------------------------+
       
          +------------------------------------------------------------+
          |                     DIAGNOSTIC LED(S)                      |
          |------------------------------------------------------------|
          |  LED  | Color |  Status  |            Condition            |
          |-------+-------+----------+---------------------------------|
          | OH/RI |  Red  |    On    |        Modem is off-hook        |
          |-------+-------+----------+---------------------------------|
          | OH/RI |  Red  |   Off    |        Modem is on-hook         |
          |-------+-------+----------+---------------------------------|
          | OH/RI |  Red  | Blinking |        Phone is ringing         |
          |-------+-------+----------+---------------------------------|
          |  TR   |  Red  |    On    |       DTR signal is high        |
          |-------+-------+----------+---------------------------------|
          |  TR   |  Red  |   Off    |        DTR signal is low        |
          |-------+-------+----------+---------------------------------|
          |  CD   |  Red  |    On    |     Carrier signal has been     |
          |       |       |          |            detected             |
          |-------+-------+----------+---------------------------------|
          |  CD   |  Red  |   Off    |   Carrier signal has not been   |
          |       |       |          |            detected             |
          |-------+-------+----------+---------------------------------|
          |  RD   |  Red  |    On    |     Modem is receiving data     |
          |-------+-------+----------+---------------------------------|
          |  RD   |  Red  |   Off    |   Modem is not receiving data   |
          |-------+-------+----------+---------------------------------|
          |  TD   |  Red  |    On    |   Modem is transmitting data    |
          |-------+-------+----------+---------------------------------|
          |  TD   |  Red  |   Off    | Modem is not transmitting data  |
          |-------+-------+----------+---------------------------------|
          |  RS   |  Red  |    On    |       RTS signal is high        |
          |-------+-------+----------+---------------------------------|
          |  RS   |  Red  |   Off    |        RTS signal is low        |
          +------------------------------------------------------------+