(TXT) View Source
       
       # MOTOROLA, INC.
       
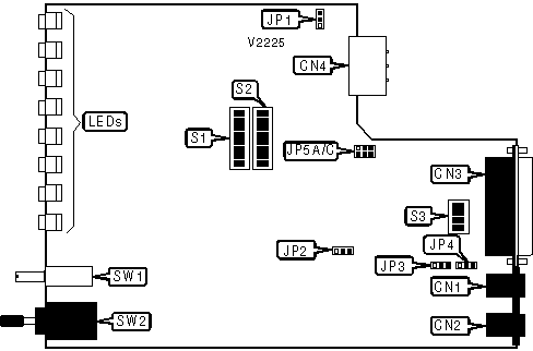
          212A/D
       
          Card Type                Modem (synchronous/asynchronous)      
          Chip Set                 Unidentified                          
          Maximum Data Rate        1200bps                               
          Data Bus                 External                              
          Data Modulation Protocol Bell 212A                             
       
 (IMG) IMG 1
          
       
          +------------------------------------------------------------+
          |                        CONNECTIONS                         |
          |------------------------------------------------------------|
          |    Function     | Label  |     Function     |    Label     |
          |------------------------------------------------------------|
          | Line out            |   CN1    | AC power in        | CN4  |
          |---------------------+----------+--------------------+------|
          | Line in             |   CN2    | Talk/data switch   | SW1  |
          |---------------------+----------+--------------------+------|
          | RS-232/422          |   CN3    | 300/1200bps switch | SW2  |
          +------------------------------------------------------------+
       
          +------------------------------------------------------------+
          |                 USER CONFIGURABLE SETTINGS                 |
          |------------------------------------------------------------|
          |                Setting                 | Label | Position  |
          |----------------------------------------+-------+-----------|
          | í Chassis ground connected to signal   |  JP1  | Pins 2 &  |
          | ground                                 |       | 3 closed  |
          |----------------------------------------+-------+-----------|
          | Chassis ground not connected to signal |  JP1  | Pins 1 &  |
          | ground                                 |       | 2 closed  |
          |----------------------------------------+-------+-----------|
          | í Transmit level set to -9             |  JP2  | Pins 2 &  |
          | (permissive)                           |       | 3 closed  |
          |----------------------------------------+-------+-----------|
          | Transmit level set to programmable     |  JP2  | Pins 1 &  |
          |                                        |       | 2 closed  |
          |----------------------------------------+-------+-----------|
          | í Factory configured - do not alter    | S1/1  |    N/A    |
          |----------------------------------------+-------+-----------|
          | í Automatic Call Unit returns verbose  | S1/2  |    Off    |
          | result codes                           |       |           |
          |----------------------------------------+-------+-----------|
          | Automatic Call Unit returns numeric    | S1/2  |    On     |
          | result codes                           |       |           |
          |----------------------------------------+-------+-----------|
          | í Automatic Call Unit enabled          | S1/7  |    On     |
          |----------------------------------------+-------+-----------|
          | Automatic Call Unit disabled           | S1/7  |    Off    |
          |----------------------------------------+-------+-----------|
          | í XXXT<CR> escape sequence enabled     | S1/8  |    On     |
          |----------------------------------------+-------+-----------|
          | XXXT<CR> escape sequence disabled      | S1/8  |    Off    |
          |----------------------------------------+-------+-----------|
          | í Modem operates in originate mode     | S2/1  |    Off    |
          | when forced to manual                  |       |           |
          |----------------------------------------+-------+-----------|
          | Modem operates in answer mode when     | S2/1  |    On     |
          | forced to manual                       |       |           |
          |----------------------------------------+-------+-----------|
          | í Switched-line mode                   | S2/2  |    Off    |
          |----------------------------------------+-------+-----------|
          | Leased-line mode                       | S2/2  |    On     |
          |----------------------------------------+-------+-----------|
          | í Disconnect modem on receipt of a     | S2/3  |    On     |
          | long space                             |       |           |
          |----------------------------------------+-------+-----------|
          | Do not disconnect modem on receipt of  | S2/3  |    Off    |
          | a long space                           |       |           |
          |----------------------------------------+-------+-----------|
          | í Transmit long space on disconnect    | S2/4  |    On     |
          |----------------------------------------+-------+-----------|
          | Do not transmit long space on          | S2/4  |    Off    |
          | disconnect                             |       |           |
          |----------------------------------------+-------+-----------|
          | í Auto-answer enabled                  | S2/5  |    On     |
          |----------------------------------------+-------+-----------|
          | Auto-answer disabled                   | S2/5  |    Off    |
          |----------------------------------------+-------+-----------|
          | í Disconnect on loss of carrier        | S2/6  |    On     |
          |----------------------------------------+-------+-----------|
          | Disconnect after 18s loss of carrier   | S2/6  |    Off    |
          |----------------------------------------+-------+-----------|
          | í Disconnect modem on low DTR          | S2/7  |    On     |
          |----------------------------------------+-------+-----------|
          | Do not disconnect modem on low DTR     | S2/7  |    Off    |
          |----------------------------------------+-------+-----------|
          | í Line will not be set busy during     | S2/8  |    Off    |
          | test modes                             |       |           |
          |----------------------------------------+-------+-----------|
          | Line will be set busy during test      | S2/8  |    On     |
          | modes                                  |       |           |
          |----------------------------------------+-------+-----------|
          | í DTR normal                           | S3/1  |    Off    |
          |----------------------------------------+-------+-----------|
          | DTR forced high                        | S3/1  |    On     |
          |----------------------------------------+-------+-----------|
          | í Pin 23 of RS-232 port ignored        | S3/2  |    Off    |
          |----------------------------------------+-------+-----------|
          | Speed set to 1200bps when pin 23 of    | S3/2  |    On     |
          | RS-232 port is high                    |       |           |
          |----------------------------------------+-------+-----------|
          | í Pin 25 of RS-232 port ignored        | S3/3  |    Off    |
          |----------------------------------------+-------+-----------|
          | Analog loopback test performed when    | S3/3  |    On     |
          | pin 25 of RS-232 port is high          |       |           |
          |----------------------------------------+-------+-----------|
          | í Pin 12 of RS-232 port has no         | S3/4  |    Off    |
          | function                               |       |           |
          |----------------------------------------+-------+-----------|
          | Pin 12 of RS-232 port high indicates   | S3/4  |    On     |
          | speed set to 1200bps                   |       |           |
          +------------------------------------------------------------+
       
          +------------------------------------------------------------+
          |                      HANDSET POLARITY                      |
          |------------------------------------------------------------|
          |     Setting      |        JP3         |        JP4         |
          |------------------+--------------------+--------------------|
          |     í Normal     | Pins 2 & 3 closed  | Pins 2 & 3 closed  |
          |------------------+--------------------+--------------------|
          |     Reversed     | Pins 1 & 2 closed  | Pins 1 & 2 closed  |
          +------------------------------------------------------------+
       
          +------------------------------------------------------------+
          |                     RECEIVED CD SIGNAL                     |
          |------------------------------------------------------------|
          |      Setting       |       S1/3        |       S1/4        |
          |--------------------+-------------------+-------------------|
          |     Forced low     |        Off        |        Off        |
          |--------------------+-------------------+-------------------|
          |    Forced high     |        Off        |        On         |
          |--------------------+-------------------+-------------------|
          |   Low when idle    |        On         |        Off        |
          +------------------------------------------------------------+
       
          +------------------------------------------------------------+
          |                 RESET TO FACTORY DEFAULTS                  |
          |------------------------------------------------------------|
          |       Setting       |       S1/3        |       S1/4       |
          |---------------------+-------------------+------------------|
          | í Normal operation  |  See above table  | See above table  |
          |---------------------+-------------------+------------------|
          | Reset configuration |        On         |        On        |
          +------------------------------------------------------------+
       
          +------------------------------------------------------------+
          |                        DATA FORMAT                         |
          |------------------------------------------------------------|
          |             Setting             |    S1/5     |    S1/6    |
          |---------------------------------+-------------+------------|
          |  9-bit characters, async mode   |     Off     |    Off     |
          |---------------------------------+-------------+------------|
          | í 10-bit characters, async mode |     Off     |     On     |
          |---------------------------------+-------------+------------|
          |  11-bit characters, async mode  |     On      |    Off     |
          |---------------------------------+-------------+------------|
          |        Synchronous mode         |     On      |     On     |
          +------------------------------------------------------------+
       
          +------------------------------------------------------------+
          |                        CLOCK SOURCE                        |
          |------------------------------------------------------------|
          |    Setting    |    JP6/A     |    JP6/B     |    JP6/C     |
          |---------------+--------------+--------------+--------------|
          |     Slave     |     Open     |     Open     |    Closed    |
          |---------------+--------------+--------------+--------------|
          |   Internal    |     Open     |    Closed    |     Open     |
          |---------------+--------------+--------------+--------------|
          |   External    |    Closed    |     Open     |     Open     |
          +------------------------------------------------------------+
       
          +--------------------------------------------------+
          |                DIAGNOSTIC LED(S)                 |
          |--------------------------------------------------|
          |      The functions of the LEDs are unidentified. |
          +--------------------------------------------------+