(TXT) View Source
       
       # MOTOROLA, INC.
       
          212AT/D
       
          Card Type                Modem (synchronous/asynchronous)      
          Chip Set                 Unidentified                          
          Maximum Data Rate        1200bps                               
          Data Bus                 External                              
          Data Modulation Protocol Bell 212A                             
       
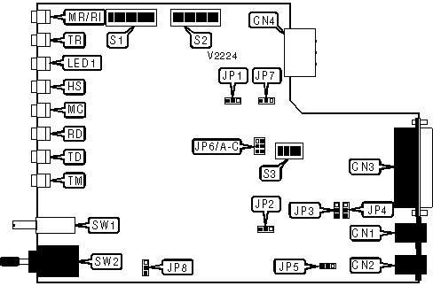
 (IMG) IMG 1
          
       
          +------------------------------------------------------------+
          |                        CONNECTIONS                         |
          |------------------------------------------------------------|
          |    Function     | Label  |     Function     |    Label     |
          |------------------------------------------------------------|
          | Line out            |   CN1    | AC power in        | CN4  |
          |---------------------+----------+--------------------+------|
          | Line in             |   CN2    | Talk/data switch   | SW1  |
          |---------------------+----------+--------------------+------|
          | RS-232/422          |   CN3    | 300/1200bps switch | SW2  |
          +------------------------------------------------------------+
       
          +------------------------------------------------------------+
          |                 USER CONFIGURABLE SETTINGS                 |
          |------------------------------------------------------------|
          |                Setting                 | Label | Position  |
          |----------------------------------------+-------+-----------|
          | í Transmit level set to -9             |  JP2  | Pins 2 &  |
          | (permissive)                           |       | 3 closed  |
          |----------------------------------------+-------+-----------|
          | Transmit level set to programmable     |  JP2  | Pins 1 &  |
          |                                        |       | 2 closed  |
          |----------------------------------------+-------+-----------|
          | í Factory configured - do not alter    |  JP5  | Pins 1 &  |
          |                                        |       | 2 closed  |
          |----------------------------------------+-------+-----------|
          | í Audio circuit enabled                |  JP8  | Pins 1 &  |
          |                                        |       | 2 closed  |
          |----------------------------------------+-------+-----------|
          | Audio circuit disabled                 |  JP8  | Pins 2 &  |
          |                                        |       | 3 closed  |
          |----------------------------------------+-------+-----------|
          | í Modem operates in answer mode when   | S1/1  |    On     |
          | forced to manual                       |       |           |
          |----------------------------------------+-------+-----------|
          | Modem operates in originate mode when  | S1/1  |    Off    |
          | forced to manual                       |       |           |
          |----------------------------------------+-------+-----------|
          | í Modem auto-detects answer/originate  | S1/2  |    Off    |
          | mode                                   |       |           |
          |----------------------------------------+-------+-----------|
          | Manual answer/originate mode           | S1/2  |    On     |
          |----------------------------------------+-------+-----------|
          | í Line will not be set busy during     | S1/3  |    Off    |
          | test modes                             |       |           |
          |----------------------------------------+-------+-----------|
          | Line will be set busy during test      | S1/3  |    On     |
          | modes                                  |       |           |
          |----------------------------------------+-------+-----------|
          | í Disconnect after 150ms loss of       | S1/4  |    On     |
          | carrier                                |       |           |
          |----------------------------------------+-------+-----------|
          | Disconnect after 10s loss of carrier   | S1/4  |    Off    |
          |----------------------------------------+-------+-----------|
          | í Auto-answer disabled                 | S1/5  |    Off    |
          |----------------------------------------+-------+-----------|
          | Auto-answer enabled                    | S1/5  |    On     |
          |----------------------------------------+-------+-----------|
          | í Load profile indicated by &Y command | S1/6  |    Off    |
          | on startup                             |       |           |
          |----------------------------------------+-------+-----------|
          | Load profile 0 on startup              | S1/6  |    On     |
          |----------------------------------------+-------+-----------|
          | í Disconnect modem on receipt of long  | S1/7  |    Off    |
          | space if indicated by Y command        |       |           |
          |----------------------------------------+-------+-----------|
          | Disconnect modem on receipt of long    | S1/7  |    On     |
          | space                                  |       |           |
          |----------------------------------------+-------+-----------|
          | í Switched-line mode                   | S1/8  |    Off    |
          |----------------------------------------+-------+-----------|
          | Leased-line mode                       | S1/8  |    On     |
          |----------------------------------------+-------+-----------|
          | í DTR normal                           | S2/1  |    Off    |
          |----------------------------------------+-------+-----------|
          | DTR used for off/on hook in manual     | S2/1  |    On     |
          | answer/originate                       |       |           |
          |----------------------------------------+-------+-----------|
          | í DCD normal                           | S2/2  |    Off    |
          |----------------------------------------+-------+-----------|
          | DCD forced high                        | S2/2  |    On     |
          |----------------------------------------+-------+-----------|
          | í CTS normal                           | S2/3  |    Off    |
          |----------------------------------------+-------+-----------|
          | CTS forced high                        | S2/3  |    On     |
          |----------------------------------------+-------+-----------|
          | í AT command set enabled               | S2/4  |    On     |
          |----------------------------------------+-------+-----------|
          | AT command set disabled                | S2/4  |    Off    |
          |----------------------------------------+-------+-----------|
          | í Result code format set by V command  | S2/5  |    Off    |
          |----------------------------------------+-------+-----------|
          | Numeric result codes                   | S2/5  |    On     |
          |----------------------------------------+-------+-----------|
          | í DSR normal                           | S2/6  |    Off    |
          |----------------------------------------+-------+-----------|
          | DSR forced high                        | S2/6  |    On     |
          |----------------------------------------+-------+-----------|
          | í Dumb mode uses 10-bit characters     | S2/7  |    Off    |
          |----------------------------------------+-------+-----------|
          | Dumb mode uses 11-bit characters       | S2/7  |    On     |
          |----------------------------------------+-------+-----------|
          | í Sync/async mode set by &M command    | S2/8  |    Off    |
          |----------------------------------------+-------+-----------|
          | Synchronous mode                       | S2/8  |    On     |
          |----------------------------------------+-------+-----------|
          | í DTR normal                           | S3/1  |    Off    |
          |----------------------------------------+-------+-----------|
          | DTR forced high                        | S3/1  |    On     |
          |----------------------------------------+-------+-----------|
          | í Pin 23 of RS-232 port ignored        | S3/2  |    Off    |
          |----------------------------------------+-------+-----------|
          | Speed set to 1200bps when pin 23 of    | S3/2  |    On     |
          | RS-232 port is high                    |       |           |
          |----------------------------------------+-------+-----------|
          | í Pin 12 of RS-232 port has no         | S3/3  |    Off    |
          | function                               |       |           |
          |----------------------------------------+-------+-----------|
          | Pin 12 of RS-232 port high indicates   | S3/3  |    On     |
          | speed set to 1200bps                   |       |           |
          |----------------------------------------+-------+-----------|
          | í Analog loopback test performed when  | S3/4  |    On     |
          | pin 25 of RS-232 port is high          |       |           |
          |----------------------------------------+-------+-----------|
          | Pin 25 of RS-232 port ignored          | S3/4  |    Off    |
          +------------------------------------------------------------+
       
          +------------------------------------------------------------+
          |                       CHASSIS GROUND                       |
          |------------------------------------------------------------|
          |     Setting      |        JP1         |        JP7         |
          |------------------+--------------------+--------------------|
          |  í Disconnected  | Pins 2 & 3 closed  | Pins 2 & 3 closed  |
          |------------------+--------------------+--------------------|
          |    Connected     | Pins 1 & 2 closed  | Pins 1 & 2 closed  |
          +------------------------------------------------------------+
       
          +------------------------------------------------------------+
          |                      HANDSET POLARITY                      |
          |------------------------------------------------------------|
          |     Setting      |        JP3         |        JP4         |
          |------------------+--------------------+--------------------|
          |     í Normal     | Pins 2 & 3 closed  | Pins 2 & 3 closed  |
          |------------------+--------------------+--------------------|
          |     Reversed     | Pins 1 & 2 closed  | Pins 1 & 2 closed  |
          +------------------------------------------------------------+
       
          +------------------------------------------------------------+
          |                        CLOCK SOURCE                        |
          |------------------------------------------------------------|
          |    Setting    |    JP6/A     |    JP6/B     |    JP6/C     |
          |---------------+--------------+--------------+--------------|
          |     Slave     |     Open     |     Open     |    Closed    |
          |---------------+--------------+--------------+--------------|
          |   Internal    |     Open     |    Closed    |     Open     |
          |---------------+--------------+--------------+--------------|
          |   External    |    Closed    |     Open     |     Open     |
          +------------------------------------------------------------+
       
          +------------------------------------------------------------+
          |                     DIAGNOSTIC LED(S)                      |
          |------------------------------------------------------------|
          |  LED  | Color |  Status  |            Condition            |
          |-------+-------+----------+---------------------------------|
          | MR/RI |  Red  |    On    |           Power is on           |
          |-------+-------+----------+---------------------------------|
          | MR/RI |  Red  |   Off    |          Power is off           |
          |-------+-------+----------+---------------------------------|
          | MR/RI |  Red  | Blinking |        Phone is ringing         |
          |-------+-------+----------+---------------------------------|
          |  TR   |  Red  |    On    |       DTR signal is high        |
          |-------+-------+----------+---------------------------------|
          |  TR   |  Red  |   Off    |        DTR signal is low        |
          |-------+-------+----------+---------------------------------|
          |  HS   |  Red  |    On    |  Modem is operating at 1200bps  |
          |-------+-------+----------+---------------------------------|
          |  HS   |  Red  |   Off    |  Modem is operating at 300bps   |
          |-------+-------+----------+---------------------------------|
          |  RD   |  Red  |    On    |     Modem is receiving data     |
          |-------+-------+----------+---------------------------------|
          |  RD   |  Red  |   Off    |   Modem is not receiving data   |
          |-------+-------+----------+---------------------------------|
          |  TD   |  Red  |    On    |   Modem is transmitting data    |
          |-------+-------+----------+---------------------------------|
          |  TD   |  Red  |   Off    | Modem is not transmitting data  |
          |-------+-------+----------+---------------------------------|
          |  TM   |  Red  |    On    |      Modem is in test mode      |
          |-------+-------+----------+---------------------------------|
          |  TM   |  Red  |   Off    |    Modem is not in test mode    |
          |------------------------------------------------------------|
          |      Note: The functions of MC and LED1 are unidentified.  |
          +------------------------------------------------------------+