(TXT) View Source
       
       # MOTOROLA, INC.
       
          EC 212A/D
       
          Card Type                Modem (asynchronous)                  
          Chip Set                 Unidentified                          
          Maximum Data Rate        1200bps                               
          Data Bus                 External                              
          Data Modulation Protocol Bell 212A                             
          Error Correction         Unidentified                          
       
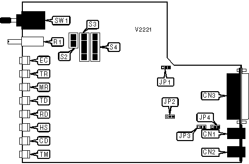
 (IMG) IMG 1
          
       
          +------------------------------------------------------------+
          |                        CONNECTIONS                         |
          |------------------------------------------------------------|
          |       Function        | Label  |   Function    |   Label   |
          |------------------------------------------------------------|
          | Line out                  |   CN1    | Unidentified |  R1  |
          |---------------------------+----------+--------------+------|
          | Line in                   |   CN2    | Unidentified | SW1  |
          |---------------------------+----------+--------------+------|
          | RS-232/422                |   CN3    |              |      |
          +------------------------------------------------------------+
       
          +------------------------------------------------------------+
          |                 USER CONFIGURABLE SETTINGS                 |
          |------------------------------------------------------------|
          |                Setting                 | Label | Position  |
          |----------------------------------------+-------+-----------|
          | í Chassis ground connected to signal   |  JP1  | Pins 2 &  |
          | ground                                 |       | 3 closed  |
          |----------------------------------------+-------+-----------|
          | Chassis ground not connected to signal |  JP1  | Pins 1 &  |
          | ground                                 |       | 2 closed  |
          |----------------------------------------+-------+-----------|
          | í Transmit level set to -9             |  JP2  | Pins 2 &  |
          | (permissive)                           |       | 3 closed  |
          |----------------------------------------+-------+-----------|
          | Transmit level set to programmable     |  JP2  | Pins 1 &  |
          |                                        |       | 2 closed  |
          |----------------------------------------+-------+-----------|
          | í Auto-dialer enabled                  | S2/1  |    On     |
          |----------------------------------------+-------+-----------|
          | Auto-dialer disabled                   | S2/1  |    Off    |
          |----------------------------------------+-------+-----------|
          | í XXXT<CR> escape sequence enabled     | S2/2  |    On     |
          |----------------------------------------+-------+-----------|
          | XXXT<CR> escape sequence disabled      | S2/2  |    Off    |
          |----------------------------------------+-------+-----------|
          | í Speed set to 1200bps when pin 23 of  | S2/3  |    On     |
          | RS-232 port is high                    |       |           |
          |----------------------------------------+-------+-----------|
          | Pin 23 of RS-232 port ignored          | S2/3  |    Off    |
          |----------------------------------------+-------+-----------|
          | í Analog loopback test performed when  | S2/4  |    On     |
          | pin 25 of RS-232 port is high          |       |           |
          |----------------------------------------+-------+-----------|
          | Pin 25 of RS-232 port ignored          | S2/4  |    Off    |
          |----------------------------------------+-------+-----------|
          | í Disconnect modem on receipt of a     | S3/3  |    On     |
          | long space                             |       |           |
          |----------------------------------------+-------+-----------|
          | Do not disconnect modem on receipt of  | S3/3  |    Off    |
          | a long space                           |       |           |
          |----------------------------------------+-------+-----------|
          | í Do not transmit long space on        | S3/4  |    Off    |
          | disconnect                             |       |           |
          |----------------------------------------+-------+-----------|
          | Transmit long space on disconnect      | S3/4  |    On     |
          |----------------------------------------+-------+-----------|
          | í Line will not be set busy during     | S3/5  |    Off    |
          | test modes                             |       |           |
          |----------------------------------------+-------+-----------|
          | Line will be set busy during test      | S3/5  |    On     |
          | modes                                  |       |           |
          |----------------------------------------+-------+-----------|
          | DTR normal                             | S3/6  |    On     |
          |----------------------------------------+-------+-----------|
          | DTR forced high                        | S3/6  |    Off    |
          |----------------------------------------+-------+-----------|
          | í Disconnect after 150ms loss of       | S3/7  |    On     |
          | carrier                                |       |           |
          |----------------------------------------+-------+-----------|
          | Disconnect after 10s loss of carrier   | S3/7  |    Off    |
          |----------------------------------------+-------+-----------|
          | í Auto-answer enabled                  | S3/8  |    On     |
          |----------------------------------------+-------+-----------|
          | Auto-answer disabled                   | S3/8  |    Off    |
          |----------------------------------------+-------+-----------|
          | í DTR flow control from modem to DTE   | S4/1  |    Off    |
          |----------------------------------------+-------+-----------|
          | XON/XOFF flow control from modem to    | S4/1  |    On     |
          | DTE                                    |       |           |
          |----------------------------------------+-------+-----------|
          | í DTE to modem flow control disabled   | S4/2  |    Off    |
          |----------------------------------------+-------+-----------|
          | DTE to modem flow control enabled      | S4/2  |    On     |
          +------------------------------------------------------------+
       
          +------------------------------------------------------------+
          |                      HANDSET POLARITY                      |
          |------------------------------------------------------------|
          |     Setting      |        JP3         |        JP4         |
          |------------------+--------------------+--------------------|
          |     í Normal     | Pins 2 & 3 closed  | Pins 2 & 3 closed  |
          |------------------+--------------------+--------------------|
          |     Reversed     | Pins 1 & 2 closed  | Pins 1 & 2 closed  |
          +------------------------------------------------------------+
       
          +------------------------------------------------------------+
          |                   ERROR CORRECTION MODE                    |
          |------------------------------------------------------------|
          |           Setting            |     S3/1     |     S3/2     |
          |------------------------------+--------------+--------------|
          |  Error correction disabled   |     Off      |     Off      |
          |------------------------------+--------------+--------------|
          |  í Error correction enabled  |      On      |     Off      |
          |------------------------------+--------------+--------------|
          | Auto-detect error correction |     Off      |      On      |
          |------------------------------+--------------+--------------|
          | Auto-detect error correction |      On      |      On      |
          +------------------------------------------------------------+
       
          +------------------------------------------------------------+
          |              FLOW CONTROL MODE - MODEM TO DTE              |
          |------------------------------------------------------------|
          |        Setting        |       S4/3       |      S4/4       |
          |-----------------------+------------------+-----------------|
          |  í CTS flow control   |       Off        |       Off       |
          |-----------------------+------------------+-----------------|
          | XON/XOFF flow control |        On        |       Off       |
          |-----------------------+------------------+-----------------|
          | Pin 11 of RS-232 port |       Off        |       On        |
          |-----------------------+------------------+-----------------|
          | Pin 11 of RS-232 port |        On        |       On        |
          +------------------------------------------------------------+
       
          +------------------------------------------------------------+
          |                       RCD OPERATION                        |
          |------------------------------------------------------------|
          |      Setting       |       S4/5        |       S4/6        |
          |--------------------+-------------------+-------------------|
          |       RCD on       |        Off        |        Off        |
          |--------------------+-------------------+-------------------|
          |      RCD off       |        On         |        Off        |
          |--------------------+-------------------+-------------------|
          | í RCD follows data |        Off        |        On         |
          |--------------------+-------------------+-------------------|
          |  RCD follows data  |        On         |        On         |
          +------------------------------------------------------------+
       
          +------------------------------------------------------------+
          |                        DATA FORMAT                         |
          |------------------------------------------------------------|
          |          Setting          |      S4/7      |     S4/8      |
          |---------------------------+----------------+---------------|
          | 7 data bits, mark parity  |      Off       |      Off      |
          |---------------------------+----------------+---------------|
          | 7 data bits, even parity  |       On       |      Off      |
          |---------------------------+----------------+---------------|
          | í 7 data bits, odd parity |      Off       |      On       |
          |---------------------------+----------------+---------------|
          |  8 data bits, no parity   |       On       |      On       |
          +------------------------------------------------------------+
       
          +------------------------------------------------------------+
          |                     DIAGNOSTIC LED(S)                      |
          |------------------------------------------------------------|
          | LED  | Color | Status |             Condition              |
          |------+-------+--------+------------------------------------|
          |  EC  |  Red  |   On   |      Error correction enabled      |
          |------+-------+--------+------------------------------------|
          |  EC  |  Red  |  Off   |     Error correction disabled      |
          |------+-------+--------+------------------------------------|
          |  TR  |  Red  |   On   |         DTR signal is high         |
          |------+-------+--------+------------------------------------|
          |  TR  |  Red  |  Off   |         DTR signal is low          |
          |------+-------+--------+------------------------------------|
          |  MR  |  Red  |   On   |            Power is on             |
          |------+-------+--------+------------------------------------|
          |  MR  |  Red  |  Off   |            Power is off            |
          |------+-------+--------+------------------------------------|
          |  TD  |  Red  |   On   |     Modem is transmitting data     |
          |------+-------+--------+------------------------------------|
          |  TD  |  Red  |  Off   |   Modem is not transmitting data   |
          |------+-------+--------+------------------------------------|
          |  RD  |  Red  |   On   |      Modem is receiving data       |
          |------+-------+--------+------------------------------------|
          |  RD  |  Red  |  Off   |    Modem is not receiving data     |
          |------+-------+--------+------------------------------------|
          |  HS  |  Red  |   On   |   Modem is operating at 1200bps    |
          |------+-------+--------+------------------------------------|
          |  HS  |  Red  |  Off   |    Modem is operating at 300bps    |
          |------+-------+--------+------------------------------------|
          |  CD  |  Red  |   On   |      Carrier signal detected       |
          |------+-------+--------+------------------------------------|
          |  CD  |  Red  |  Off   |    Carrier signal not detected     |
          |------+-------+--------+------------------------------------|
          |  TM  |  Red  |   On   |       Modem is in test mode        |
          |------+-------+--------+------------------------------------|
          |  TM  |  Red  |  Off   |     Modem is not in test mode      |
          +------------------------------------------------------------+