(TXT) View Source
       
       # MAXTECH CORPORATION
       
          MAXTECH 9424H
       
          Card Type                    Modem(asynchronous)               
          Chip Set                     Unidentified                      
          Maximum Data Rate            2400bps                           
          Maximum Fax Rate             9600bps                           
          Data Bus                     8 bit ISA                         
          Fax Class                    Class I                           
          Data Modulation Protocol     Bell 103A/212A                    
                                                                         
                                       ITU-T V.21, V.22, V.22bis         
          Fax Modulation Protocol      ITU-T V.21CH2, V.27ter, V.29      
          Error Correction/Compression MNP5, V.42, V.42bis               
       
 (IMG) IMG 1
          
       
          +------------------------------------------------------------+
          |                        CONNECTIONS                         |
          |------------------------------------------------------------|
          |        Function        |  Label   |   Function   |  Label  |
          |------------------------------------------------------------|
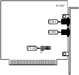
          | Line in                     |    CN1     | Line out | CN2  |
          +------------------------------------------------------------+
       
          +------------------------------------------------------------+
          |                    SERIAL PORT ADDRESS                     |
          |------------------------------------------------------------|
          |     Setting      |         J1         |         J2         |
          |------------------+--------------------+--------------------|
          |   COM1 (3F8h)    | Pins 1 & 2 closed  | Pins 1 & 2 closed  |
          |------------------+--------------------+--------------------|
          |   COM2 (2F8h)    |  Pins 2 &3 closed  | Pins 1 & 2 closed  |
          |------------------+--------------------+--------------------|
          |   COM3 (3E8h)    | Pins 1 & 2 closed  |  Pins 2 &3 closed  |
          |------------------+--------------------+--------------------|
          |   COM4 (2E8h)    |  Pins 2 &3 closed  |  Pins 2 &3 closed  |
          +------------------------------------------------------------+
       
          +------------------------------------------------------------+
          |                         INTERRUPT                          |
          |------------------------------------------------------------|
          |  Setting   |    J3     |    J4     |    J5     |    J6     |
          |------------+-----------+-----------+-----------+-----------|
          |     2      |    On     |    Off    |    Off    |    Off    |
          |------------+-----------+-----------+-----------+-----------|
          |     3      |    Off    |    On     |    Off    |    Off    |
          |------------+-----------+-----------+-----------+-----------|
          |     4      |    Off    |    Off    |    On     |    Off    |
          |------------+-----------+-----------+-----------+-----------|
          |     5      |    Off    |    Off    |    Off    |    On     |
          +------------------------------------------------------------+
       
                            Proprietary AT Command Set
       
          +------------------------------------------------------------+
          |                  BIT-MAPPED REGISTER S14                   |
          |------------------------------------------------------------|
          | Format       | AT [cmds] S14=n [cmds]                      |
          |--------------+---------------------------------------------|
          | Default:     | 170                                         |
          |--------------+---------------------------------------------|
          | Range:       | 0 - 174                                     |
          |--------------+---------------------------------------------|
          | Unit:        | Bit-mapped                                  |
          |--------------+---------------------------------------------|
          | Description: | Controls command echo, result codes,        |
          |              | dialing mode, and answer/originate mode     |
          |--------------+---------------------------------------------|
          | Bit  | Value |                  Function                   |
          |------+-------+---------------------------------------------|
          |  0   |     0 | Not used                                    |
          |------+-------+---------------------------------------------|
          |  1   |     0 | Command echo off                            |
          |      |       |                                             |
          |      |   í 1 | Command echo on                             |
          |------+-------+---------------------------------------------|
          |  2   |   í 0 | Result codes enabled                        |
          |      |       |                                             |
          |      |     1 | Result codes disabled                       |
          |------+-------+---------------------------------------------|
          |  3   |     0 | Numeric result codes                        |
          |      |       |                                             |
          |      |   í 1 | Verbose result codes                        |
          |------+-------+---------------------------------------------|
          |  4   |     0 | Not used                                    |
          |------+-------+---------------------------------------------|
          |  5   |     0 | Tone dialing selected                       |
          |      |       |                                             |
          |      |   í 1 | Pulse dialing selected                      |
          |------+-------+---------------------------------------------|
          |  6   |     0 | Not used                                    |
          |------+-------+---------------------------------------------|
          |  7   |     0 | Answer mode selected                        |
          |      |       |                                             |
          |      |   í 1 | Originate mode selected                     |
          +------------------------------------------------------------+
       
          +------------------------------------------------------------+
          |                  BIT-MAPPED REGISTER S21                   |
          |------------------------------------------------------------|
          | Format       | AT [cmds] S21=n [cmds]                      |
          |--------------+---------------------------------------------|
          | Default:     | 0                                           |
          |--------------+---------------------------------------------|
          | Range:       | 0 - 249                                     |
          |--------------+---------------------------------------------|
          | Unit:        | Bit-mapped                                  |
          |--------------+---------------------------------------------|
          | Description: | Selects jack type, low DTR action, DCD      |
          |              | signal, DSR signal, and the Long Space      |
          |              | Disconnect function                         |
          |--------------+---------------------------------------------|
          | Bit  | Value |                  Function                   |
          |------+-------+---------------------------------------------|
          |  0   |   í 0 | Selects RJ-11jack                           |
          |      |       |                                             |
          |      |     1 | Selects RJ-12 or RJ-13 jack                 |
          |------+-------+---------------------------------------------|
          |  1   |     0 | Not used                                    |
          |------+-------+---------------------------------------------|
          |  2   |     0 | Not used                                    |
          |------+-------+---------------------------------------------|
          | 4, 3 |  í 00 | DTR signal ignored                          |
          |      |       |                                             |
          |      |    01 | Modem goes to command mode on low DTR       |
          |      |       |                                             |
          |      |    10 | Modem disconnects on low DTR                |
          |      |       |                                             |
          |      |    11 | Modem is initialized on low DTR             |
          |------+-------+---------------------------------------------|
          |  5   |   í 0 | DCD forced high                             |
          |      |       |                                             |
          |      |     1 | DCD normal                                  |
          |------+-------+---------------------------------------------|
          |  6   |   í 0 | DSR forced high                             |
          |      |       |                                             |
          |      |     1 | DSR normal                                  |
          |------+-------+---------------------------------------------|
          |  7   |   í 0 | Long Space Disconnect function disabled     |
          |      |       |                                             |
          |      |     1 | Long Space Disconnect function enabled      |
          +------------------------------------------------------------+
       
          +------------------------------------------------------------+
          |                  BIT-MAPPED REGISTER S22                   |
          |------------------------------------------------------------|
          | Format       | AT [cmds] S22=n [cmds]                      |
          |--------------+---------------------------------------------|
          | Default:     | 118                                         |
          |--------------+---------------------------------------------|
          | Range:       | 0 - 255                                     |
          |--------------+---------------------------------------------|
          | Unit:        | Bit-mapped                                  |
          |--------------+---------------------------------------------|
          | Description: | Controls volume and speaker settings,       |
          |              | result codes, and make/break pulse ratio    |
          |--------------+---------------------------------------------|
          | Bit  | Value |                  Function                   |
          |------+-------+---------------------------------------------|
          | 1, 0 |    00 | Not used                                    |
          |      |       |                                             |
          |      |  í 01 | Low volume setting                          |
          |      |       |                                             |
          |      |    10 | Medium volume setting                       |
          |      |       |                                             |
          |      |    11 | Highest volume setting                      |
          |------+-------+---------------------------------------------|
          | 3, 2 |    00 | Speaker disabled                            |
          |      |       |                                             |
          |      |  í 01 | Speaker enabled until carrier signal        |
          |      |       | detected                                    |
          |      |    10 |                                             |
          |      |       | Speaker enabled                             |
          |      |    11 |                                             |
          |      |       | Speaker off during dialing                  |
          |------+-------+---------------------------------------------|
          | 6, 5 |   000 | Busy and dialtone detection disabled,       |
          |  ,4  |       | result codes 0-4 enabled                    |
          |      |   001 |                                             |
          |      |       | Not used                                    |
          |      |   010 |                                             |
          |      |       | Not used                                    |
          |      |   011 |                                             |
          |      |       | Not used                                    |
          |      |   100 |                                             |
          |      |       | Busy and dialtone detection disabled,       |
          |      |   101 | result codes 0-5, 10 enabled                |
          |      |       |                                             |
          |      |   110 | Busy tone detection disabled, dialtone      |
          |      |       | detection enabled, result codes 0-6, 10     |
          |      | í 111 | enabled                                     |
          |      |       |                                             |
          |      |       | Busy tone detection enabled, dialtone       |
          |      |       | detection disabled, result codes 0-5, 7, 10 |
          |      |       | enabled                                     |
          |      |       |                                             |
          |      |       | Busy and dialtone detection enabled, all    |
          |      |       | result codes enabled                        |
          |------+-------+---------------------------------------------|
          |  7   |   í 0 | 39/61ms at 10pps (North America)            |
          |      |       |                                             |
          |      |     1 | 33/67ms at 10pps (Europe)                   |
          +------------------------------------------------------------+
       
          +------------------------------------------------------------+
          |                  BIT-MAPPED REGISTER S23                   |
          |------------------------------------------------------------|
          | Format       | AT [cmds] S23=n [cmds]                      |
          |--------------+---------------------------------------------|
          | Default:     | 7                                           |
          |--------------+---------------------------------------------|
          | Range:       | 0-247                                       |
          |--------------+---------------------------------------------|
          | Unit:        | Bit-mapped                                  |
          |--------------+---------------------------------------------|
          | Description: | Grants/denies remote digital loopback,      |
          |              | connect speed, parity and guard tone        |
          |--------------+---------------------------------------------|
          | Bit  | Value |                  Function                   |
          |------+-------+---------------------------------------------|
          |  0   |     0 | Remote digital loopback denied              |
          |      |       |                                             |
          |      |   í 1 | Remote digital loopback allowed             |
          |------+-------+---------------------------------------------|
          | 2, 1 |    00 | Connect at 0-300bps                         |
          |      |       |                                             |
          |      |    01 | Not used                                    |
          |      |       |                                             |
          |      |    10 | Connect at 1200bps                          |
          |      |       |                                             |
          |      |  í 11 | Connect at 2400bps                          |
          |------+-------+---------------------------------------------|
          |  3   |     0 | Not used                                    |
          |------+-------+---------------------------------------------|
          | 5,4  |  í 00 | Parity even                                 |
          |      |       |                                             |
          |      |    01 | Space parity                                |
          |      |       |                                             |
          |      |    10 | Parity odd                                  |
          |      |       |                                             |
          |      |    11 | No Parity                                   |
          |------+-------+---------------------------------------------|
          | 7, 6 |  í 00 | Guard tone disabled                         |
          |      |       |                                             |
          |      |    01 | Guard tone 550Hz enabled                    |
          |      |       |                                             |
          |      |    10 | Guard tone 1800Hz enabled                   |
          |      |       |                                             |
          |      |    11 | Not used                                    |
          +------------------------------------------------------------+
       
          +------------------------------------------------------------+
          |                  BIT-MAPPED REGISTER S27                   |
          |------------------------------------------------------------|
          | Format:         | AT [cmds] S27=n [cmds]                   |
          |-----------------+------------------------------------------|
          | Default:        | 64                                       |
          |-----------------+------------------------------------------|
          | Range:          | 0-127                                    |
          |-----------------+------------------------------------------|
          | Description:    | Asynchronous operation, leased/switched  |
          |                 | line, ITU-U/Bell operation               |
          |------------------------------------------------------------|
          |   Bit    |   Value   |              Function               |
          |----------+-----------+-------------------------------------|
          | 3, 1, 0  |    í 0x00 | Asynchronous operation              |
          |------------------------------------------------------------|
          |      2       |       í 0 | Switched line                   |
          |              |           |                                 |
          |              |         1 | Leased line                     |
          |--------------+-----------+---------------------------------|
          |      4       |         0 | Not used                        |
          |--------------+-----------+---------------------------------|
          |      5       |         0 | Not used                        |
          |--------------+-----------+---------------------------------|
          |      6       |         0 | V.21/V.22                       |
          |              |           |                                 |
          |              |       í 1 | Bell 212A                       |
          +------------------------------------------------------------+
       
          +------------------------------------------------------------+
          |                        TEST STATUS                         |
          |------------------------------------------------------------|
          | Format       | AT [cmds] S16=n [cmds]                      |
          |--------------+---------------------------------------------|
          | Default:     | 0                                           |
          |--------------+---------------------------------------------|
          | Range:       | 0 - 122                                     |
          |--------------+---------------------------------------------|
          | Unit:        | Bit-mapped                                  |
          |--------------+---------------------------------------------|
          | Description: | Contains status of loopback tests           |
          |--------------+---------------------------------------------|
          | Bit  | Value |                  Function                   |
          |------+-------+---------------------------------------------|
          |  0   |   í 0 | Local analog loopback test disabled         |
          |      |       |                                             |
          |      |     1 | Local analog loopback test enabled          |
          |------+-------+---------------------------------------------|
          |  1   |     0 | Not used                                    |
          |------+-------+---------------------------------------------|
          |  2   |   í 0 | Local digital loopback test disabled        |
          |      |       |                                             |
          |      |     1 | Local digital loopback test enabled         |
          |------+-------+---------------------------------------------|
          |  3   |   í 0 | Remote digital loopback test disabled       |
          |      |       |                                             |
          |      |     1 | Remote digital loopback test enabled        |
          |------+-------+---------------------------------------------|
          |  4   |   í 0 | Remote digital loopback test not in         |
          |      |       | progress                                    |
          |      |     1 |                                             |
          |      |       | Remote digital loopback test in progress    |
          |------+-------+---------------------------------------------|
          |  5   |   í 0 | Remote digital loopback test with test and  |
          |      |       | error disabled                              |
          |      |     1 |                                             |
          |      |       | Remote digital loopback test with test and  |
          |      |       | error enabled                               |
          |------+-------+---------------------------------------------|
          |  6   |   í 0 | Local digital loopback test with self test  |
          |      |       | disabled                                    |
          |      |     1 |                                             |
          |      |       | Local digital loopback test with self test  |
          |      |       | enabled                                     |
          +------------------------------------------------------------+