(TXT) View Source
       
       # OMNITEL, INC.
       
          T2400-PC1/PC2
       
          Modem Type              Data (Asynchronous/Synchronous)        
          Maximum Data Rate       2400 bps                               
          Maximum Fax Rate        N/A                                    
          Data Bus                8-bit ISA                              
          Fax Class               N/A                                    
          Data Modulation         Bell 103A & 212A, CCITT V.22bis & V.22 
          Protocol                
          Fax Modulation Protocol N/A                                    
          Error                   Unidentified                           
          Correction/Compression  
       
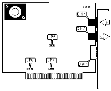
 (IMG) IMG 1
          
       
          +------------------------------------------------------------+
          |                        CONNECTIONS                         |
          |------------------------------------------------------------|
          |     Purpose      | Location |     Purpose      | Location  |
          |------------------+----------+------------------+-----------|
          | Line in          |   CN1    | Line out         |    CN2    |
          +------------------------------------------------------------+
       
          +------------------------------------------------------------+
          |                  COM PORT CONFIGURATIONS                   |
          |------------------------------------------------------------|
          |        COM        |       SW1/1        |       SW1/2       |
          |-------------------+--------------------+-------------------|
          |      í COM1       |         On         |        On         |
          |-------------------+--------------------+-------------------|
          |       COM2        |         On         |        Off        |
          |-------------------+--------------------+-------------------|
          |       COM3        |        Off         |        On         |
          |-------------------+--------------------+-------------------|
          |       COM4        |        Off         |        Off        |
          +------------------------------------------------------------+
       
          +------------------------------------------------------------+
          |                 DATA TERMINAL READY - DTR                  |
          |------------------------------------------------------------|
          |            Setting            |           SW1/3            |
          |-------------------------------+----------------------------|
          |          í Disabled           |            Off             |
          |-------------------------------+----------------------------|
          |            Enabled            |             On             |
          +------------------------------------------------------------+
       
          +------------------------------------------------------------+
          |                    CARRIER DETECT - CD                     |
          |------------------------------------------------------------|
          |            Setting            |           SW1/4            |
          |-------------------------------+----------------------------|
          |          í Disabled           |            Off             |
          |-------------------------------+----------------------------|
          |            Enabled            |             On             |
          +------------------------------------------------------------+
       
          +------------------------------------------------------------+
          |                FACTORY CONFIGURED SETTINGS                 |
          |------------------------------------------------------------|
          |           Switch            |            Setting           |
          |-----------------------------+------------------------------|
          |            SW1/5            |             Off              |
          |-----------------------------+------------------------------|
          |            SW1/6            |             Off              |
          +------------------------------------------------------------+
       
          +------------------------------------------------------------+
          |                   CLEAR TO SEND OPTIONS                    |
          |------------------------------------------------------------|
          |            Setting            |             JP5            |
          |-------------------------------+----------------------------|
          |        CTS follows RTS        |         Pins 2 & 3         |
          |-------------------------------+----------------------------|
          |        CTS follows CD         |         Pins 1 & 2         |
          +------------------------------------------------------------+
       
          +------------------------------------------------------------+
          |                      INTERUPT SELECT                       |
          |------------------------------------------------------------|
          |      Setting       |         JP6       |         JP7       |
          |--------------------+-------------------+-------------------|
          |        IRQ2        |        N/A        | Pins 2 & 3 closed |
          |--------------------+-------------------+-------------------|
          |        IRQ3        |        N/A        | Pins 1 & 2 closed |
          |--------------------+-------------------+-------------------|
          |        IRQ4        | Pins 1 & 2 closed |        N/A        |
          |--------------------+-------------------+-------------------|
          |        IRQ5        | Pins 2 & 3 closed |        N/A        |
          +------------------------------------------------------------+