(TXT) View Source
       
       # IBM CORPORATION
       
       
       
          Card Type              Fax, Modem (asynchronous)               
          Chip Set               Unidentified                            
          Maximum Data Rate      14.4Kbps                                
          Maximum Fax Rate       14.4Kbps                                
          Data Bus               8-bit ISA                               
          Fax Class              Class I & II                            
          Data Modulation        Bell 103/212A                           
          Protocol                                                       
                                 ITU-T V.21, V.22, V.22bis, V.32,        
                                 V.32bis                                 
          Fax Modulation         ITU-T V.17, V.21, V.27ter, V.29         
          Protocol               
          Error                  MNP5, V.42, V.42bis                     
          Correction/Compression 
       
 (IMG) IMG 1
          
       
          +------------------------------------------------------------+
          |                        CONNECTIONS                         |
          |------------------------------------------------------------|
          |        Function        |  Label   |   Function   |  Label  |
          |------------------------------------------------------------|
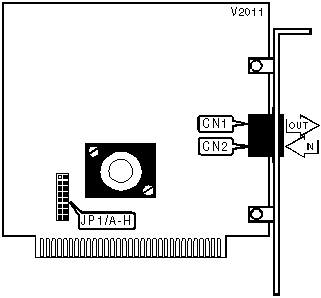
          | Line out                    |    CN1     | Line in  | CN2  |
          +------------------------------------------------------------+
       
          +------------------------------------------------------------+
          |                    SERIAL PORT ADDRESS                     |
          |------------------------------------------------------------|
          |   Setting   |   JP1/A   |   JP1/B   |   JP1/C   |  JP1/D   |
          |-------------+-----------+-----------+-----------+----------|
          | COM1 (3F8h) |  Closed   |   Open    |   Open    |   Open   |
          |-------------+-----------+-----------+-----------+----------|
          | COM2 (2F8h) |   Open    |  Closed   |   Open    |   Open   |
          |-------------+-----------+-----------+-----------+----------|
          | COM3 (3E8h) |   Open    |   Open    |  Closed   |   Open   |
          |-------------+-----------+-----------+-----------+----------|
          | COM4 (2E8h) |   Open    |   Open    |   Open    |  Closed  |
          +------------------------------------------------------------+
       
          +------------------------------------------------------------+
          |                    INTERRUPT SELECTION                     |
          |------------------------------------------------------------|
          |  Setting   |   JP1/E   |   JP1/F   |   JP1/G   |   JP1/H   |
          |------------+-----------+-----------+-----------+-----------|
          |     3      |  Closed   |   Open    |   Open    |   Open    |
          |------------+-----------+-----------+-----------+-----------|
          |     4      |   Open    |  Closed   |   Open    |   Open    |
          |------------+-----------+-----------+-----------+-----------|
          |     5      |   Open    |   Open    |  Closed   |   Open    |
          |------------+-----------+-----------+-----------+-----------|
          |     7      |   Open    |   Open    |   Open    |  Closed   |
          +------------------------------------------------------------+
       
                            Proprietary AT Command Set
       
          +------------------------------------------------------------+
          |         AUTO-RETRAIN - AUTO-FALLBACK/FALL-FORWARD          |
          |------------------------------------------------------------|
          | Type:        | Configuration                               |
          |--------------+---------------------------------------------|
          | Format:      | AT [cmds] %En [cmds]                        |
          |--------------+---------------------------------------------|
          | Description: | Controls auto-retrain mode and              |
          |              | fallback/fall-forward                       |
          |--------------+---------------------------------------------|
          |   Command    |                  Function                   |
          |--------------+---------------------------------------------|
          |     %E0      | Auto-retrain disabled                       |
          |--------------+---------------------------------------------|
          |    í %E1     | Auto-retrain enabled                        |
          |--------------+---------------------------------------------|
          |     %E2      | Auto-fallback/fall-forward enabled          |
          +------------------------------------------------------------+
       
          +------------------------------------------------------------+
          |                  BIT-MAPPED REGISTER S14                   |
          |------------------------------------------------------------|
          | Format:      | AT [cmds] S14=n [cmds]                      |
          |--------------+---------------------------------------------|
          | Default:     | 138                                         |
          |--------------+---------------------------------------------|
          | Range:       | 0-174                                       |
          |--------------+---------------------------------------------|
          | Unit:        | Bit-mapped                                  |
          |--------------+---------------------------------------------|
          | Description: | Controls echo, result codes and display,    |
          |              | dial mode, and answer/originate mode.       |
          |--------------+---------------------------------------------|
          | Bit  | Value |                  Function                   |
          |------+-------+---------------------------------------------|
          |  0   |   í 0 | Not used                                    |
          |------+-------+---------------------------------------------|
          |  1   |     0 | Command echo disabled                       |
          |      |       |                                             |
          |      |   í 1 | Command echo enabled                        |
          |------+-------+---------------------------------------------|
          |  2   |   í 0 | Result codes enabled                        |
          |      |       |                                             |
          |      |     1 | Result codes disabled                       |
          |------+-------+---------------------------------------------|
          |  3   |     0 | Display result codes in numeric format      |
          |      |       |                                             |
          |      |   í 1 | Display result codes in verbose format      |
          |------+-------+---------------------------------------------|
          |  4   |   í 0 | Not used                                    |
          |------+-------+---------------------------------------------|
          |  5   |   í 0 | Tone dial enabled                           |
          |      |       |                                             |
          |      |     1 | Pulse dial enabled                          |
          |------+-------+---------------------------------------------|
          |  6   |   í 0 | Not used                                    |
          |------+-------+---------------------------------------------|
          |  7   |     0 | Answer mode enabled                         |
          |      |       |                                             |
          |      |   í 1 | Originate mode enabled                      |
          +------------------------------------------------------------+
       
          +------------------------------------------------------------+
          |                  BIT-MAPPED REGISTER S21                   |
          |------------------------------------------------------------|
          | Format       | AT [cmds] S21=n [cmds]                      |
          |--------------+---------------------------------------------|
          | Default:     | 52                                          |
          |--------------+---------------------------------------------|
          | Range:       | 0-253                                       |
          |--------------+---------------------------------------------|
          | Unit:        | Bit-mapped                                  |
          |--------------+---------------------------------------------|
          | Description: | Selects jack type, CTS/DCD/DSR signals, low |
          |              | DTR action, and the long space disconnect   |
          |              | function.                                   |
          |--------------+---------------------------------------------|
          | Bit  | Value |                  Function                   |
          |------+-------+---------------------------------------------|
          |  0   |   í 0 | Selects RJ-11, RJ-41S, or RJ45S jack        |
          |      |       |                                             |
          |      |     1 | Selects RJ-12 or RJ-13 jack                 |
          |------+-------+---------------------------------------------|
          |  1   |     0 | Not used                                    |
          |------+-------+---------------------------------------------|
          |  2   |     0 | CTS follows RTS                             |
          |      |       |                                             |
          |      |   í 1 | CTS forced high                             |
          |------+-------+---------------------------------------------|
          | 4, 3 |    00 | DTR signal ignored                          |
          |      |       |                                             |
          |      |    01 | Modem goes to command mode on low DTR       |
          |      |       |                                             |
          |      |  í 10 | Modem disconnects on low DTR; Auto-Answer   |
          |      |       | is disabled.                                |
          |      |    11 |                                             |
          |      |       | Modem is initialized on low DTR             |
          |------+-------+---------------------------------------------|
          |  5   |     0 | DCD forced high                             |
          |      |       |                                             |
          |      |   í 1 | DCD normal                                  |
          |------+-------+---------------------------------------------|
          |  6   |   í 0 | DSR forced high                             |
          |      |       |                                             |
          |      |     1 | DSR normal                                  |
          |------+-------+---------------------------------------------|
          |  7   |   í 0 | Long space disconnect function disabled     |
          |      |       |                                             |
          |      |     1 | Long space disconnect function enabled      |
          +------------------------------------------------------------+
       
          +------------------------------------------------------------+
          |                  BIT-MAPPED REGISTER S22                   |
          |------------------------------------------------------------|
          | Format       | AT [cmds] S22=n [cmds]                      |
          |--------------+---------------------------------------------|
          | Default:     | 117                                         |
          |--------------+---------------------------------------------|
          | Range:       | 0-127                                       |
          |--------------+---------------------------------------------|
          | Unit:        | Bit-mapped                                  |
          |--------------+---------------------------------------------|
          | Description: | Controls speaker volume and controls, and   |
          |              | limits results codes.                       |
          |--------------+---------------------------------------------|
          | Bit  | Value |                  Function                   |
          |------+-------+---------------------------------------------|
          | 1, 0 |    00 | Off volume                                  |
          |      |       |                                             |
          |      |  í 01 | Low level volume                            |
          |      |       |                                             |
          |      |    10 | Medium level volume                         |
          |      |       |                                             |
          |      |    11 | High level volume                           |
          |------+-------+---------------------------------------------|
          | 3, 2 |    00 | Speaker off                                 |
          |      |       |                                             |
          |      |  í 01 | Speaker off on carrier                      |
          |      |       |                                             |
          |      |    10 | Speaker always on                           |
          |      |       |                                             |
          |      |    11 | Speaker on during handshake                 |
          |------+-------+---------------------------------------------|
          | 6 -  |   000 | Basic result codes only enabled             |
          |  4   |       |                                             |
          |      |   100 | Basic and connection speed result codes     |
          |      |       | enabled                                     |
          |      |   101 |                                             |
          |      |       | Basic and connection speed result codes and |
          |      |   110 | dialtone detection enabled                  |
          |      |       |                                             |
          |      | í 111 | All result codes except dialtone detection  |
          |      |       | enabled                                     |
          |      |       |                                             |
          |      |       | All result codes enabled                    |
          +------------------------------------------------------------+
       
          +------------------------------------------------------------+
          |                  BIT-MAPPED REGISTER S23                   |
          |------------------------------------------------------------|
          | Format       | AT [cmds] S23=n [cmds]                      |
          |--------------+---------------------------------------------|
          | Default:     | Unidentified                                |
          |--------------+---------------------------------------------|
          | Range:       | 0-189                                       |
          |--------------+---------------------------------------------|
          | Unit:        | Bit-mapped                                  |
          |--------------+---------------------------------------------|
          | Description: | Grants/denies remote digital loopback,      |
          |              | controls DTE rate and parity, and sets      |
          |              | guard tone.                                 |
          |--------------+---------------------------------------------|
          | Bit  | Value |                  Function                   |
          |------+-------+---------------------------------------------|
          |  0   |     0 | Remote digital loopback denied              |
          |      |       |                                             |
          |      |   í 1 | Remote digital loopback allowed             |
          |------+-------+---------------------------------------------|
          | 3 -  |   000 | Sets serial port speed to 0-300bps          |
          |  1   |       |                                             |
          |      |   001 | Sets serial port speed to 600bps            |
          |      |       |                                             |
          |      |   010 | Sets serial port speed to 1200bps           |
          |      |       |                                             |
          |      |   011 | Sets serial port speed to 2400bps           |
          |      |       |                                             |
          |      |   100 | Sets serial port speed to 4800bps           |
          |      |       |                                             |
          |      |   101 | Sets serial port speed to 9600bps           |
          |      |       |                                             |
          |      |   110 | Sets serial port speed to 19200bps          |
          |------+-------+---------------------------------------------|
          | 5, 4 |    00 | Parity even                                 |
          |      |       |                                             |
          |      |    01 | Not used                                    |
          |      |       |                                             |
          |      |    10 | Parity odd                                  |
          |      |       |                                             |
          |      |    11 | No Parity                                   |
          |------+-------+---------------------------------------------|
          | 7, 6 |  í 00 | Guard tone disabled                         |
          |      |       |                                             |
          |      |    01 | Guard tone disabled                         |
          |      |       |                                             |
          |      |    10 | Guard tone 1800Hz enabled                   |
          +------------------------------------------------------------+
       
          +------------------------------------------------------------+
          |                  BIT-MAPPED REGISTER S27                   |
          |------------------------------------------------------------|
          | Format       | AT [cmds] S27=n [cmds]                      |
          |--------------+---------------------------------------------|
          | Default:     | 64                                          |
          |--------------+---------------------------------------------|
          | Range:       | 0-116                                       |
          |--------------+---------------------------------------------|
          | Unit:        | Bit-mapped                                  |
          |--------------+---------------------------------------------|
          | Description: | Selects line type, clock source, and        |
          |              | ITU-T/Bell modes.                           |
          |--------------+---------------------------------------------|
          | Bit  | Value |                  Function                   |
          |------+-------+---------------------------------------------|
          |  3,  |   000 | Not used                                    |
          | 1, 0 |       |                                             |
          |------+-------+---------------------------------------------|
          |  2   |   í 0 | Switched line                               |
          |      |       |                                             |
          |      |     1 | Leased line                                 |
          |------+-------+---------------------------------------------|
          | 5, 4 |  í 00 | Local modem generates transmit clock source |
          |      |       |                                             |
          |      |    01 | Local DTE generates transmit clock source   |
          |      |       |                                             |
          |      |    10 | Remote DCE/DTE generates transmit clock     |
          |      |       | source                                      |
          |------+-------+---------------------------------------------|
          |  6   |     0 | ITU/T mode                                  |
          |      |       |                                             |
          |      |   í 1 | Bell mode                                   |
          +------------------------------------------------------------+
       
          +------------------------------------------------------------+
          |                  BIT-MAPPED REGISTER S28                   |
          |------------------------------------------------------------|
          | Format       | AT [cmds] S28=n [cmds]                      |
          |--------------+---------------------------------------------|
          | Default:     | 0                                           |
          |--------------+---------------------------------------------|
          | Range:       | 0-31                                        |
          |--------------+---------------------------------------------|
          | Unit:        | Bit-mapped                                  |
          |--------------+---------------------------------------------|
          | Description: | Controls V.23 split speed, transmit/receive |
          |              | speed, half duplex, and pulse dialing.      |
          |--------------+---------------------------------------------|
          | Bit  | Value |                  Function                   |
          |------+-------+---------------------------------------------|
          |  0   |   í 0 | V.23 split speed operation disabled         |
          |      |       |                                             |
          |      |     1 | V.23 split speed operation enabled          |
          |------+-------+---------------------------------------------|
          |  1   |   í 0 | 75bps transmit, 1200bps receive enabled     |
          |      |       |                                             |
          |      |     1 | 1200bps transmit, 75bps receive enabled     |
          |------+-------+---------------------------------------------|
          |  2   |   í 0 | V.23 half-duplex disabled                   |
          |      |       |                                             |
          |      |     1 | V.23 half-duplex enabled                    |
          |------+-------+---------------------------------------------|
          | 4, 3 |  í 00 | 39ms make/61ms break at 10pps               |
          |      |       |                                             |
          |      |    01 | 33ms make/67ms break at 10pps               |
          |      |       |                                             |
          |      |    10 | 39ms make/61ms break at 20pps               |
          |      |       |                                             |
          |      |    11 | 33ms make/67ms break at 20pps               |
          +------------------------------------------------------------+
       
          +------------------------------------------------------------+
          |                  BIT-MAPPED REGISTER S31                   |
          |------------------------------------------------------------|
          | Format:        | AT [cmds] S31=n [cmds]                    |
          |----------------+-------------------------------------------|
          | Default:       | 2                                         |
          |----------------+-------------------------------------------|
          | Range:         | 0-10                                      |
          |----------------+-------------------------------------------|
          | Description:   | Select automode and extended result code  |
          |                | format.                                   |
          |------------------------------------------------------------|
          |   Bit    | Value |                Function                 |
          |----------+-------+-----------------------------------------|
          |    0     |   í 0 | Not used                                |
          |----------+-------+-----------------------------------------|
          |    1     |     0 | Auto-mode detection disabled            |
          |          |       |                                         |
          |          |   í 1 | In originate mode, handshake begins at  |
          |          |       | line speed designated by the S37        |
          |          |       | register. Modem can shift to a slower   |
          |          |       | speed if necessary.                     |
          |          |       |                                         |
          |          |       | In answer mode, handshake attempted     |
          |          |       | with the following protocols in order - |
          |          |       | V.32bis, V.32, V.22bis, V.22 or Bell    |
          |          |       | 212, V.21, and Bell 103                 |
          |----------+-------+-----------------------------------------|
          |   3, 2   |  í 00 | Enables CONNECT result codes to report  |
          |          |       | DTE speed                               |
          |          |    01 |                                         |
          |          |       | Full reporting of CONNECT result codes  |
          |          |    10 |                                         |
          |          |       | Enables CONNECT result codes to report  |
          |          |       | DCE speed                               |
          +------------------------------------------------------------+
       
          +------------------------------------------------------------+
          |                  BIT-MAPPED REGISTER S40                   |
          |------------------------------------------------------------|
          | Format       | AT [cmds] S40=n [cmds]                      |
          |--------------+---------------------------------------------|
          | Default:     | 105                                         |
          |--------------+---------------------------------------------|
          | Range:       | 0-239                                       |
          |--------------+---------------------------------------------|
          | Unit:        | Bit-mapped                                  |
          |--------------+---------------------------------------------|
          | Description: | Controls power level and break handling,    |
          |              | selects MNP extended services, link         |
          |              | negotiation, and block size.                |
          |--------------+---------------------------------------------|
          | Bit  | Value |                  Function                   |
          |------+-------+---------------------------------------------|
          |  0   |     0 | MNP disabled                                |
          |      |       |                                             |
          |      |   í 1 | MNP enabled                                 |
          |------+-------+---------------------------------------------|
          |  1   |   í 0 | Power level adjustment enabled              |
          |      |       |                                             |
          |      |     1 | Power level adjustment disabled             |
          |------+-------+---------------------------------------------|
          |  2   |   í 0 | Link will be negotiated at highest possible |
          |      |       | speed                                       |
          |      |     1 |                                             |
          |      |       | Link will be negotiated at 1200bps          |
          |------+-------+---------------------------------------------|
          |  5,  |   000 | \K0                                         |
          | 4, 3 |       |                                             |
          |      |   001 | \K1                                         |
          |      |       |                                             |
          |      |   010 | \K2                                         |
          |      |       |                                             |
          |      |   011 | \K3                                         |
          |      |       |                                             |
          |      |   100 | \K4                                         |
          |      |       |                                             |
          |      | í 101 | \K5                                         |
          |------+-------+---------------------------------------------|
          | 7, 6 |    00 | MNP block size is 64 characters             |
          |      |       |                                             |
          |      |  í 01 | MNP block size is 128 characters            |
          |      |       |                                             |
          |      |    10 | MNP block size is 192 characters            |
          |      |       |                                             |
          |      |    11 | MNP block size is 256 characters            |
          +------------------------------------------------------------+
       
          +------------------------------------------------------------+
          |                  BIT-MAPPED REGISTER S41                   |
          |------------------------------------------------------------|
          | Format       | AT [cmds] S41=n [cmds]                      |
          |--------------+---------------------------------------------|
          | Default:     | 7                                           |
          |--------------+---------------------------------------------|
          | Range:       | 0-31                                        |
          |--------------+---------------------------------------------|
          | Unit:        | Bit-mapped                                  |
          |--------------+---------------------------------------------|
          | Description: | Selects compression, auto-retrain, flow     |
          |              | control, and MNP mode.                      |
          |--------------+---------------------------------------------|
          | Bit  | Value |                  Function                   |
          |------+-------+---------------------------------------------|
          | 1 -  |    00 | Data compression disabled                   |
          |  0   |       |                                             |
          |      |    01 | MNP5 enabled                                |
          |      |       |                                             |
          |      |    10 | V.42bis enabled                             |
          |      |       |                                             |
          |      |  í 11 | MNP5 and V.42bis enabled                    |
          |------+-------+---------------------------------------------|
          |  2   |     0 | Auto-retrain disabled                       |
          |      |       |                                             |
          |      |   í 1 | Auto-retrain enabled                        |
          |------+-------+---------------------------------------------|
          |  3   |   í 0 | Flow control disabled                       |
          |      |       |                                             |
          |      |     1 | Flow control enabled                        |
          |------+-------+---------------------------------------------|
          |  4   |   í 0 | Stream mode for MNP                         |
          |      |       |                                             |
          |      |     1 | Block mode for MNP                          |
          +------------------------------------------------------------+
       
          +------------------------------------------------------------+
          |                         BREAK SEND                         |
          |------------------------------------------------------------|
          | Type:        | Configuration                               |
          |--------------+---------------------------------------------|
          | Format:      | AT [cmds] \Bn [cmds]                        |
          |--------------+---------------------------------------------|
          | Default:     | 3                                           |
          |--------------+---------------------------------------------|
          | Range:       | 1-9                                         |
          |--------------+---------------------------------------------|
          | Unit:        | .1 second                                   |
          |--------------+---------------------------------------------|
          | Description: | Sends break to modem                        |
          +------------------------------------------------------------+
       
          +------------------------------------------------------------+
          |                         BREAK TYPE                         |
          |------------------------------------------------------------|
          | Type:               | Configuration                        |
          |---------------------+--------------------------------------|
          | Format:             | AT [cmds] \Kn [cmds]                 |
          |---------------------+--------------------------------------|
          | Description:        | Configures action of break signal    |
          |------------------------------------------------------------|
          |  Command  |  Break from  | Break from DTE | Break received |
          |           | DTE while in |    while in    |  from remote   |
          |           |  Normal or   |  Direct mode   |     modem      |
          |           |   MNP mode   |                |                |
          |-----------+--------------+----------------+----------------|
          |    \K0    | On-line      | On-line        | Buffers        |
          |           | command mode | command mode   | cleared, break |
          |           | enabled,     | enabled, send  | sent to DTE    |
          |           | send no      | no break to    |                |
          |           | break to     | remote modem   |                |
          |           | remote modem |                |                |
          |-----------+--------------+----------------+----------------|
          |    \K1    | Break sent   | On-line        | Buffers        |
          |           | to remote    | command mode   | cleared, break |
          |           | modem and    | enabled, send  | sent to DTE    |
          |           | buffers      | no break to    |                |
          |           | cleared      | remote modem   |                |
          |-----------+--------------+----------------+----------------|
          |    \K2    | On-line      | Send break to  | Break sent     |
          |           | command mode | remote modem   | immediately to |
          |           | enabled,     | immediately    | DTE            |
          |           | send no      |                |                |
          |           | break to     |                |                |
          |           | remote modem |                |                |
          |-----------+--------------+----------------+----------------|
          |    \K3    | Send break   | On-line        | Break sent     |
          |           | to remote    | command mode   | immediately to |
          |           | modem        | enabled, send  | DTE            |
          |           | immediately  | no break to    |                |
          |           |              | remote modem   |                |
          |-----------+--------------+----------------+----------------|
          |    \K4    | On-line      | Send break to  | Break sent     |
          |           | command mode | remote modem   | with received  |
          |           | enabled,     | immediately    | data to the    |
          |           | send no      |                | DTE            |
          |           | break to     |                |                |
          |           | remote modem |                |                |
          |-----------+--------------+----------------+----------------|
          |  î  \K5   | Send break   | Send break to  | Break sent     |
          |           | with         | remote modem   | with received  |
          |           | transmitted  | immediately    | data to the    |
          |           | data         |                | DTE            |
          +------------------------------------------------------------+
       
          +------------------------------------------------------------+
          |                        COMPRESSION                         |
          |------------------------------------------------------------|
          | Type:        | Configuration                               |
          |--------------+---------------------------------------------|
          | Format:      | AT [cmds] %Cn [cmds]                        |
          |--------------+---------------------------------------------|
          | Description: | Selects data compression                    |
          |--------------+---------------------------------------------|
          |   Command    |                  Function                   |
          |--------------+---------------------------------------------|
          |     %C0      | Data compression disabled                   |
          |--------------+---------------------------------------------|
          |     %C1      | Not used                                    |
          |--------------+---------------------------------------------|
          |     %C2      | V.42bis enabled                             |
          |--------------+---------------------------------------------|
          |    í %C3     | MNP5 and V.42bis enabled                    |
          +------------------------------------------------------------+
       
          +------------------------------------------------------------+
          |                        CONNECT MODE                        |
          |------------------------------------------------------------|
          | Type:        | Configuration                               |
          |--------------+---------------------------------------------|
          | Format:      | AT [cmds] \Nn [cmds]                        |
          |--------------+---------------------------------------------|
          | Description: | Controls the type of connection the modem   |
          |              | will operate in                             |
          |--------------+---------------------------------------------|
          |   Command    |                  Function                   |
          |--------------+---------------------------------------------|
          |     \N0      | Normal mode enabled                         |
          |--------------+---------------------------------------------|
          |    í \N1     | Direct mode enabled                         |
          |--------------+---------------------------------------------|
          |     \N2      | Reliable mode enabled                       |
          |--------------+---------------------------------------------|
          |     \N3      | Auto-reliable mode enabled                  |
          |--------------+---------------------------------------------|
          |     \N4      | V.42 reliable mode enabled                  |
          |--------------+---------------------------------------------|
          |     \N5      | MNP reliable mode enabled                   |
          +------------------------------------------------------------+
       
          +------------------------------------------------------------+
          |                            DIAL                            |
          |------------------------------------------------------------|
          | Type:        | Immediate                                   |
          |--------------+---------------------------------------------|
          | Format:      | AT [cmds] D<#> [cmds]                       |
          |--------------+---------------------------------------------|
          | Description: | Dials telephone number according to any     |
          |              | modifiers included in the string            |
          |--------------+---------------------------------------------|
          | Note:        | Any combination of modifiers can be used to |
          |              | produce the desired dial functions in       |
          |              | sequence.                                   |
          |--------------+---------------------------------------------|
          |   Modifier   |                  Function                   |
          |--------------+---------------------------------------------|
          |      L       | Re-dial last number                         |
          |--------------+---------------------------------------------|
          |     í P      | Pulse dialing enabled                       |
          |--------------+---------------------------------------------|
          |     S=n      | Dial stored telephone number n              |
          |--------------+---------------------------------------------|
          |      T       | Tone dialing enabled                        |
          |--------------+---------------------------------------------|
          |      W       | Dialing resumed following dial tone         |
          |              | detection                                   |
          |--------------+---------------------------------------------|
          |      ,       | Dialing paused for amount of time specified |
          |              | in S8 register                              |
          |--------------+---------------------------------------------|
          |      !       | Flash function initiated                    |
          |--------------+---------------------------------------------|
          |      @       | Wait for quiet answer enabled               |
          |--------------+---------------------------------------------|
          |      ;       | Modem returned to command state after       |
          |              | dialing                                     |
          |--------------+---------------------------------------------|
          |      ^       | Calling tone disabled                       |
          +------------------------------------------------------------+
       
          +------------------------------------------------------------+
          |                        FLOW CONTROL                        |
          |------------------------------------------------------------|
          | Type:        | Configuration                               |
          |--------------+---------------------------------------------|
          | Format:      | AT [cmds] \Gn [cmds]                        |
          |--------------+---------------------------------------------|
          | Description: | Selects modem port flow control             |
          |--------------+---------------------------------------------|
          |   Command    |                  Function                   |
          |--------------+---------------------------------------------|
          |    í \G0     | Flow control disabled                       |
          |--------------+---------------------------------------------|
          |     \G1      | Flow control enabled                        |
          +------------------------------------------------------------+
       
          +------------------------------------------------------------+
          |                        FLOW CONTROL                        |
          |------------------------------------------------------------|
          | Type:        | Register                                    |
          |--------------+---------------------------------------------|
          | Format       | AT [cmds] S39? [cmds]                       |
          |--------------+---------------------------------------------|
          | Description: | Displays the current flow control           |
          |--------------+---------------------------------------------|
          |    Value     |                   Meaning                   |
          |--------------+---------------------------------------------|
          |      0       | Flow control disabled                       |
          |--------------+---------------------------------------------|
          |     í 3      | RTS/CTS flow control enabled                |
          |--------------+---------------------------------------------|
          |      4       | XON/XOFF flow control enabled               |
          |--------------+---------------------------------------------|
          |      5       | Transparent XON/XOFF flow control enabled   |
          +------------------------------------------------------------+
       
          +------------------------------------------------------------+
          |               FLOW CONTROL CHARACTER - XOFF                |
          |------------------------------------------------------------|
          | Type:        | Register                                    |
          |--------------+---------------------------------------------|
          | Format:      | AT [cmds] S33=n [cmds]                      |
          |--------------+---------------------------------------------|
          | Default:     | 19                                          |
          |--------------+---------------------------------------------|
          | Range:       | 0-255                                       |
          |--------------+---------------------------------------------|
          | Unit:        | ASCII                                       |
          |--------------+---------------------------------------------|
          | Description: | Sets the character used to represent XOFF   |
          +------------------------------------------------------------+
       
          +------------------------------------------------------------+
          |                FLOW CONTROL CHARACTER - XON                |
          |------------------------------------------------------------|
          | Type:        | Register                                    |
          |--------------+---------------------------------------------|
          | Format:      | AT [cmds] S32=n [cmds]                      |
          |--------------+---------------------------------------------|
          | Default:     | 17                                          |
          |--------------+---------------------------------------------|
          | Range:       | 0-255                                       |
          |--------------+---------------------------------------------|
          | Unit:        | ASCII                                       |
          |--------------+---------------------------------------------|
          | Description: | Sets the character used to represent XON    |
          +------------------------------------------------------------+
       
          +------------------------------------------------------------+
          |                      INACTIVITY TIMER                      |
          |------------------------------------------------------------|
          | Type:        | Configuration                               |
          |--------------+---------------------------------------------|
          | Format:      | AT [cmds] \Tn [cmds]                        |
          |--------------+---------------------------------------------|
          | Default:     | 0                                           |
          |--------------+---------------------------------------------|
          | Range:       | 0-42                                        |
          |--------------+---------------------------------------------|
          | Unit:        | 1 minute                                    |
          |--------------+---------------------------------------------|
          | Description: | Sets the length of time that the modem does |
          |              | not receive information before it           |
          |              | disconnects.                                |
          +------------------------------------------------------------+
       
          +------------------------------------------------------------+
          |                     LINE SIGNAL LEVEL                      |
          |------------------------------------------------------------|
          | Type:        | Immediate                                   |
          |--------------+---------------------------------------------|
          | Format:      | AT [cmds] %L [cmds]                         |
          |--------------+---------------------------------------------|
          | Default:     | Unidentified                                |
          |--------------+---------------------------------------------|
          | Range:       | 9-43                                        |
          |--------------+---------------------------------------------|
          | Unit:        | -dBm                                        |
          |--------------+---------------------------------------------|
          | Description: | Returns a value which indicates the         |
          |              | received line signal level                  |
          +------------------------------------------------------------+
       
          +------------------------------------------------------------+
          |                    LINE SIGNAL QUALITY                     |
          |------------------------------------------------------------|
          | Type:        | Immediate                                   |
          |--------------+---------------------------------------------|
          | Format:      | AT [cmds] %Q [cmds]                         |
          |--------------+---------------------------------------------|
          | Description: | Returns a value which indicates line signal |
          |              | quality                                     |
          |------------------------------------------------------------|
          |          Value          |             Meaning              |
          |-------------------------+----------------------------------|
          |          0 - 7          | Auto-retrain disabled            |
          |-------------------------+----------------------------------|
          |         8 - 255         | Auto-retrain enabled             |
          +------------------------------------------------------------+
       
          +------------------------------------------------------------+
          |            MAXIMUM BLOCK SIZE FOR TRANSMISSION             |
          |------------------------------------------------------------|
          | Type:        | Configuration                               |
          |--------------+---------------------------------------------|
          | Format:      | AT [cmds] \An [cmds]                        |
          |--------------+---------------------------------------------|
          | Description: | Sets the maximum transmittable block size   |
          |--------------+---------------------------------------------|
          |   Command    |                  Function                   |
          |--------------+---------------------------------------------|
          |     \A0      | MNP block size is 64 characters             |
          |--------------+---------------------------------------------|
          |    í \A1     | MNP block size is 128 characters            |
          |--------------+---------------------------------------------|
          |     \A2      | MNP block size is 192 characters            |
          |--------------+---------------------------------------------|
          |     \A3      | MNP block size is 256 characters            |
          +------------------------------------------------------------+
       
          +------------------------------------------------------------+
          |                  MNP - STREAM/BLOCK MODE                   |
          |------------------------------------------------------------|
          | Type:        | Configuration                               |
          |--------------+---------------------------------------------|
          | Format:      | AT [cmds] \Ln [cmds]                        |
          |--------------+---------------------------------------------|
          | Description: | Selects the transfer mode for MNP link      |
          |--------------+---------------------------------------------|
          |   Command    |                  Function                   |
          |--------------+---------------------------------------------|
          |    í \L0     | Stream mode for MNP enabled                 |
          |--------------+---------------------------------------------|
          |     \L1      | Block mode for MNP enabled                  |
          +------------------------------------------------------------+
       
          +------------------------------------------------------------+
          |                   MNP - LINK NEGOTIATION                   |
          |------------------------------------------------------------|
          | Type:        | Configuration                               |
          |--------------+---------------------------------------------|
          | Format:      | AT [cmds] *Hn [cmds]                        |
          |--------------+---------------------------------------------|
          | Description: | Sets the speed at which an MNP link         |
          |              | negotiation will occur                      |
          |--------------+---------------------------------------------|
          |   Command    |                  Function                   |
          |--------------+---------------------------------------------|
          |    í *H0     | Link will be negotiated at highest possible |
          |              | speed                                       |
          |--------------+---------------------------------------------|
          |     *H1      | Link will be negotiated at 1200bps          |
          +------------------------------------------------------------+
       
          +------------------------------------------------------------+
          |                     REPORT INFORMATION                     |
          |------------------------------------------------------------|
          | Type:        | Immediate                                   |
          |--------------+---------------------------------------------|
          | Format:      | AT [cmds] In [cmds]                         |
          |--------------+---------------------------------------------|
          | Description: | Displays information requested              |
          |--------------+---------------------------------------------|
          |   Command    |                  Function                   |
          |--------------+---------------------------------------------|
          |      I0      | Reports product identification code         |
          |--------------+---------------------------------------------|
          |      I1      | Reports ROM checksum as OK or ERROR         |
          |--------------+---------------------------------------------|
          |      I2      | Tests and reports ROM checksum              |
          |--------------+---------------------------------------------|
          |      I3      | Reports firmware revision level             |
          |--------------+---------------------------------------------|
          |      I4      | Reports OEM-defined identifier string       |
          |--------------+---------------------------------------------|
          |      I5      | Reports country code                        |
          |--------------+---------------------------------------------|
          |      I6      | Reports Modem data pump model               |
          +------------------------------------------------------------+
       
          +------------------------------------------------------------+
          |                        SLEEP TIMER                         |
          |------------------------------------------------------------|
          | Type:        | Register                                    |
          |--------------+---------------------------------------------|
          | Format       | AT [cmds] S24=n [cmds]                      |
          |--------------+---------------------------------------------|
          | Default:     | 0                                           |
          |--------------+---------------------------------------------|
          | Range:       | 0-255                                       |
          |--------------+---------------------------------------------|
          | Unit:        | 1 second                                    |
          |--------------+---------------------------------------------|
          | Description: | Maximum duration of DTE and DCE inactivity  |
          |              | allowed prior to initiating low-power sleep |
          |              | mode.                                       |
          +------------------------------------------------------------+
       
          +------------------------------------------------------------+
          |                    SPLIT-SPEED CONTROL                     |
          |------------------------------------------------------------|
          | Type:        | Configuration                               |
          |--------------+---------------------------------------------|
          | Format:      | AT [cmds] \Wn [cmds]                        |
          |--------------+---------------------------------------------|
          | Description: | Controls split-speed mode                   |
          |--------------+---------------------------------------------|
          |   Command    |                  Function                   |
          |--------------+---------------------------------------------|
          |    í \W0     | V.23 split-speed mode disabled              |
          |--------------+---------------------------------------------|
          |     \W1      | V.23 split-speed mode enabled               |
          +------------------------------------------------------------+
       
          +------------------------------------------------------------+
          |                      SPLIT-SPEED MODE                      |
          |------------------------------------------------------------|
          | Type:        | Configuration                               |
          |--------------+---------------------------------------------|
          | Format:      | AT [cmds] %Fn [cmds]                        |
          |--------------+---------------------------------------------|
          | Description: | Controls split-speed direction              |
          |------------------------------------------------------------|
          |    Command    |                  Function                  |
          |---------------+--------------------------------------------|
          |      %F0      | Not used                                   |
          |---------------+--------------------------------------------|
          |      %F1      | 75bps transmit, 1200bps receive            |
          |---------------+--------------------------------------------|
          |     í %F2     | 1200bps transmit, 75bps receive; when      |
          |               | AT\W1 is set.                              |
          +------------------------------------------------------------+
       
          +------------------------------------------------------------+
          |                   SWITCH TO NORMAL MODE                    |
          |------------------------------------------------------------|
          | Type:        | Immediate                                   |
          |--------------+---------------------------------------------|
          | Format:      | AT [cmds] \Z [cmds]                         |
          |--------------+---------------------------------------------|
          | Description: | Switches to normal mode from MNP mode       |
          +------------------------------------------------------------+
       
          +------------------------------------------------------------+
          |                         TEST MODES                         |
          |------------------------------------------------------------|
          | Type:        | Register                                    |
          |--------------+---------------------------------------------|
          | Format:      | AT [cmds] S16=n [cmds]                      |
          |--------------+---------------------------------------------|
          | Default:     | 0                                           |
          |--------------+---------------------------------------------|
          | Range:       | 0-125                                       |
          |--------------+---------------------------------------------|
          | Unit:        | Bit-mapped                                  |
          |--------------+---------------------------------------------|
          | Description: | Controls loopback tests: analog, digital,   |
          |              | remote digital, and self tests.             |
          |--------------+---------------------------------------------|
          | Bit  | Value |                  Function                   |
          |------+-------+---------------------------------------------|
          |  0   |   í 0 | Local analog loopback not in progress       |
          |      |       |                                             |
          |      |     1 | Local analog loopback in progress           |
          |------+-------+---------------------------------------------|
          |  1   |   í 0 | Not used                                    |
          |------+-------+---------------------------------------------|
          |  2   |   í 0 | Local digital loopback not in progress      |
          |      |       |                                             |
          |      |     1 | Local digital loopback in progress          |
          |------+-------+---------------------------------------------|
          |  3   |   í 0 | Modem not in remote digital loopback        |
          |      |       |                                             |
          |      |     1 | Remote digital loopback in progress         |
          |------+-------+---------------------------------------------|
          |  4   |   í 0 | Remote digital loopback not requested       |
          |      |       |                                             |
          |      |     1 | Remote digital loopback requested           |
          |------+-------+---------------------------------------------|
          |  5   |   í 0 | Remote digital loopback w/ error count not  |
          |      |       | in progress                                 |
          |      |     1 |                                             |
          |      |       | Remote digital loopback w/ error count in   |
          |      |       | progress                                    |
          |------+-------+---------------------------------------------|
          |  6   |   í 0 | Local analog loopback w/ self-test not in   |
          |      |       | progress                                    |
          |      |     1 |                                             |
          |      |       | Local analog loopback w/ self-test in       |
          |      |       | progress                                    |
          +------------------------------------------------------------+
       
          +------------------------------------------------------------+
          |                 TRANSMISSION LEVEL - PSTN                  |
          |------------------------------------------------------------|
          | Type        | Register                                     |
          |-------------+----------------------------------------------|
          | Format      | AT [cmds] S91=n [cmds]                       |
          |-------------+----------------------------------------------|
          | Default     | 10                                           |
          |-------------+----------------------------------------------|
          | Range       | 0-15                                         |
          |-------------+----------------------------------------------|
          | Unit        | -1 dBm                                       |
          |-------------+----------------------------------------------|
          | Description | Sets the signal level for transmission over  |
          |             | switched phone lines                         |
          +------------------------------------------------------------+