(TXT) View Source
       
       # ELSA, INC.
       
          MICROLINK 33.6TQV
       
          Card Type              Modem (asynchronous)                    
          Chipset                Unidentified                            
          I/O Options            Voice                                   
          Maximum Data Rate      33.6Kbps                                
          Maximum Fax Rate       14.4Kbps                                
          Data Modulation        Bell 103A, 212A                         
                                                                         
                                 ITU-T V.21, V.22, V.23, V.32, V.32bis,  
                                 V.34                                    
                                                                         
                                 Rockwell V.FC                           
          Fax Modulation         ITU-T V.17, V.27ter, V.29, V.33         
          Error                  MNP5, V.42, V.42bis                     
          Correction/Compression 
          Fax Class              Class I & II                            
          Data Bus               Serial                                  
       
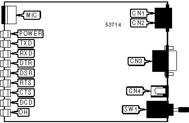
 (IMG) IMG 1
          
       
          +------------------------------------------------------------+
          |                        CONNECTIONS                         |
          |------------------------------------------------------------|
          |        Function        | Label |     Function      | Label |
          |------------------------+-------+-------------------+-------|
          | Telephone line in      |  CN1  | DC power in       |  CN4  |
          |------------------------+-------+-------------------+-------|
          | Telephone line out     |  CN2  | Power switch      |  SW1  |
          |------------------------+-------+-------------------+-------|
          | Serial port            |  CN3  |                   |       |
          +------------------------------------------------------------+
       
          +------------------------------------------------------------+
          |                     DIAGNOSTIC LED(S)                      |
          |------------------------------------------------------------|
          |  LED   | Color  | Status  |           Condition            |
          |--------+--------+---------+--------------------------------|
          | POWER  |  Red   |   On    |          Power is on           |
          |--------+--------+---------+--------------------------------|
          | POWER  |  Red   |   Off   |          Power is off          |
          |--------+--------+---------+--------------------------------|
          |  TXD   |  Red   |   On    |   Modem is transmitting data   |
          |--------+--------+---------+--------------------------------|
          |  TXD   |  Red   |   Off   | Modem is not transmitting data |
          |--------+--------+---------+--------------------------------|
          |  RXD   |  Red   |   On    |    Modem is receiving data     |
          |--------+--------+---------+--------------------------------|
          |  RXD   |  Red   |   Off   |  Modem is not receiving data   |
          |--------+--------+---------+--------------------------------|
          |  DTR   |  Red   |   On    |       DTR signal is high       |
          |--------+--------+---------+--------------------------------|
          |  DTR   |  Red   |   Off   |       DTR signal is low        |
          |--------+--------+---------+--------------------------------|
          |  DSR   |  Red   |   On    |       DSR signal is high       |
          |--------+--------+---------+--------------------------------|
          |  DSR   |  Red   |   Off   |       DSR signal is low        |
          |--------+--------+---------+--------------------------------|
          |  RTS   |  Red   |   On    |       RTS signal is high       |
          |--------+--------+---------+--------------------------------|
          |  RTS   |  Red   |   Off   |       RTS signal is low        |
          +------------------------------------------------------------+
       
          +------------------------------------------------------------+
          |                 DIAGNOSTIC LED(S) (CON'T)                  |
          |------------------------------------------------------------|
          |  LED  |  Color  |  Status  |           Condition           |
          |-------+---------+----------+-------------------------------|
          |  CTS  |   Red   |    On    |      CTS signal is high       |
          |-------+---------+----------+-------------------------------|
          |  CTS  |   Red   |   Off    |       CTS signal is low       |
          |-------+---------+----------+-------------------------------|
          |  DCD  |   Red   |    On    |    Carrier signal detected    |
          |-------+---------+----------+-------------------------------|
          |  DCD  |   Red   |   Off    |  Carrier signal not detected  |
          |-------+---------+----------+-------------------------------|
          |  OH   |   Red   |    On    |       Modem is off-hook       |
          |-------+---------+----------+-------------------------------|
          |  OH   |   Red   |   Off    |       Modem is on-hook        |
          +------------------------------------------------------------+
       
          +------------------------------------------------------------+
          |                SUPPORTED STANDARD COMMANDS                 |
          |------------------------------------------------------------|
          |                     Basic AT Commands                      |
          |------------------------------------------------------------|
          | +++, ‘comma’, A/                                           |
          |------------------------------------------------------------|
          | A, B, E, H, L, M, O, P, T, V, X, Z                         |
          |------------------------------------------------------------|
          | &D, &F, &S, &T, &V, &W, &Y, &Z                             |
          |------------------------------------------------------------|
          |                    Extended AT Commands                    |
          |------------------------------------------------------------|
          | \C, \J, \K, \N, \Q, \T, \X                                 |
          |------------------------------------------------------------|
          | %A, %C, %E                                                 |
          |------------------------------------------------------------|
          |                    Special AT Commands                     |
          |------------------------------------------------------------|
          | -J                                                         |
          |------------------------------------------------------------|
          |                        S-Registers                         |
          |------------------------------------------------------------|
          | S0, S1, S2, S3, S4, S5, S6, S7, S8, S9, S10, S11, S12,     |
          | S16, S21, S22, S25, S26, S30, S38                          |
          |------------------------------------------------------------|
          |      Note: See MHI help file for complete information.     |
          +------------------------------------------------------------+
       
                            Proprietary AT Command Set
       
          +------------------------------------------------------------+
          |              AUTO-RELIABLE FALLBACK CHARACTER              |
          |------------------------------------------------------------|
          | Type:        | Register                                    |
          |--------------+---------------------------------------------|
          | Format:      | AT [cmds] S47=n [cmds]                      |
          |--------------+---------------------------------------------|
          | Default:     | 13                                          |
          |--------------+---------------------------------------------|
          | Range:       | 0-127                                       |
          |--------------+---------------------------------------------|
          | Unit:        | 1 ASCII character                           |
          |--------------+---------------------------------------------|
          | Description: | Sets the character used as the              |
          |              | auto-reliable fallback character; S47=0     |
          |              | will disable this function.                 |
          +------------------------------------------------------------+
       
          +------------------------------------------------------------+
          |                  BIT-MAPPED REGISTER S14                   |
          |------------------------------------------------------------|
          | Format:      | AT [cmds] S14=n [cmds]                      |
          |--------------+---------------------------------------------|
          | Default:     | 81                                          |
          |--------------+---------------------------------------------|
          | Range:       | 0 - 254                                     |
          |--------------+---------------------------------------------|
          | Description: | Controls echo, result codes and display,    |
          |              | dial mode, and answer/originate mode.       |
          |--------------+---------------------------------------------|
          | Bit  | Value |                  Function                   |
          |------+-------+---------------------------------------------|
          |  0   |   í 0 | Not used.                                   |
          |------+-------+---------------------------------------------|
          |  1   |     0 | Command echo disabled.                      |
          |      |       |                                             |
          |      |   í 1 | Command echo enabled.                       |
          |------+-------+---------------------------------------------|
          |  2   |   í 0 | Result codes enabled.                       |
          |      |       |                                             |
          |      |     1 | Result codes disabled.                      |
          |------+-------+---------------------------------------------|
          |  3   |     0 | Display result codes in numeric format.     |
          |      |       |                                             |
          |      |   í 1 | Display result codes in verbose format.     |
          |------+-------+---------------------------------------------|
          |  4   |   í 0 | Command set enabled.                        |
          |      |       |                                             |
          |      |     1 | Command set disabled. (See -H command for   |
          |      |       | more information.)                          |
          |------+-------+---------------------------------------------|
          |  5   |   í 0 | Tone dial enabled.                          |
          |      |       |                                             |
          |      |     1 | Pulse dial enabled.                         |
          |------+-------+---------------------------------------------|
          |  6   |   í 0 | Polling not allowed during connection       |
          |      |       | establishment.                              |
          |      |     1 |                                             |
          |      |       | Polling allowed during connection           |
          |      |       | establishment.                              |
          |------+-------+---------------------------------------------|
          |  7   |     0 | Answer mode enabled.                        |
          |      |       |                                             |
          |      |   í 1 | Originate mode enabled.                     |
          +------------------------------------------------------------+
       
          +------------------------------------------------------------+
          |                  BIT-MAPPED REGISTER S27                   |
          |------------------------------------------------------------|
          | Format:         | AT [cmds] S27=n [cmds]                   |
          |-----------------+------------------------------------------|
          | Default:        | 0                                        |
          |-----------------+------------------------------------------|
          | Range:          | 0 - 192                                  |
          |-----------------+------------------------------------------|
          | Description:    | Controls modulation protocol and         |
          |                 | duplexing.                               |
          |------------------------------------------------------------|
          |   Bit    |     Value     |            Function             |
          |------------------------------------------------------------|
          |    5 - 0    |            000000 | Not used.                |
          |-------------+-------------------+--------------------------|
          |      6      |               í 0 | ITU/T mode.              |
          |             |                   |                          |
          |             |                 1 | Bell mode.               |
          |-------------+-------------------+--------------------------|
          |      7      |               í 0 | Full-duplex mode.        |
          |             |                   |                          |
          |             |                 1 | Half-duplex mode.        |
          +------------------------------------------------------------+
       
          +------------------------------------------------------------+
          |                  BIT-MAPPED REGISTER S28                   |
          |------------------------------------------------------------|
          | Format:         | AT [cmds] S28=n [cmds]                   |
          |-----------------+------------------------------------------|
          | Default:        | 6                                        |
          |-----------------+------------------------------------------|
          | Range:          | 0 - 239                                  |
          |-----------------+------------------------------------------|
          | Description:    | Controls low DTR control, automatic      |
          |                 | retrain, bit rate tolerance, V.100       |
          |                 | fallback, and data format.               |
          |------------------------------------------------------------|
          |    Bit    | Value |                Function                |
          |-----------+-------+----------------------------------------|
          |   1, 0    |    00 | Modem set for 8 data bits in direct    |
          |           |       | mode.                                  |
          |           |    01 |                                        |
          |           |       | Modem set for 9 data bits in direct    |
          |           |  í 10 | mode.                                  |
          |           |       |                                        |
          |           |    11 | Modem set for 10 data bits in direct   |
          |           |       | mode.                                  |
          |           |       |                                        |
          |           |       | Modem set for 11 data bits in direct   |
          |           |       | mode.                                  |
          |------------------------------------------------------------|
          |     3, 2     |  00 | Non-V.100 fallback enabled.           |
          |              |     |                                       |
          |              |   í | V.100 fallback enabled.               |
          |              |  01 |                                       |
          |              |     | Fallback disabled.                    |
          |              |  10 |                                       |
          |              |     | V.100 fallback enabled.               |
          |              |  11 |                                       |
          |--------------+-----+---------------------------------------|
          |      4       |   0 | Not used.                             |
          |--------------+-----+---------------------------------------|
          |      5       | í 0 | Bit rate tolerance set to between     |
          |              |     | -2.5% and +1%.                        |
          |              |   1 |                                       |
          |              |     | Bit rate tolerance set to between     |
          |              |     | -2.5% and +2.3%.                      |
          |--------------+-----+---------------------------------------|
          |      6       | í 0 | Automatic retrain enabled.            |
          |              |     |                                       |
          |              |   1 | Automatic retrain disabled.           |
          |--------------+-----+---------------------------------------|
          |      7       | í 0 | Modem will not accept calls and       |
          |              |     | generate RING response when DTR is    |
          |              |   1 | low.                                  |
          |              |     |                                       |
          |              |     | Modem will accept calls and generate  |
          |              |     | RING response when DTR is low.        |
          +------------------------------------------------------------+
       
          +------------------------------------------------------------+
          |                  BIT-MAPPED REGISTER S29                   |
          |------------------------------------------------------------|
          | Format:        | AT [cmds] S29=n [cmds]                    |
          |----------------+-------------------------------------------|
          | Default:       | 66                                        |
          |----------------+-------------------------------------------|
          | Range:         | 0 - 247                                   |
          |----------------+-------------------------------------------|
          | Description:   | Controls V.FC ID for V.8, trellis coding, |
          |                | V.32 clear down sequence, V.34 and V.FC   |
          |                | rate re-negotiation, V.8 adaptation,      |
          |                | asymmetric bit rates, and fallback to     |
          |                | V.23.                                     |
          |------------------------------------------------------------|
          |   Bit   | Value |                 Function                 |
          |---------+-------+------------------------------------------|
          |    0    |   í 0 | Fallback to V.23 enabled.                |
          |         |       |                                          |
          |         |     1 | Fallback to V.23 disabled.               |
          |---------+-------+------------------------------------------|
          |    1    |     0 | Asymmetric bit rates disabled.           |
          |         |       |                                          |
          |         |   í 1 | Asymmetric bit rates enabled.            |
          |---------+-------+------------------------------------------|
          |    2    |   í 0 | V.8 adaptation enabled.                  |
          |         |       |                                          |
          |         |     1 | V.8 adaptation disabled.                 |
          |------------------------------------------------------------|
          |      3      |  0 | Not used.                               |
          |-------------+----+-----------------------------------------|
          |      4      |  í | V.34 and V.FC rate re-negotiation       |
          |             |  0 | enabled.                                |
          |             |    |                                         |
          |             |  1 | V.34 and V.FC rate re-negotiation       |
          |             |    | disabled.                               |
          |-------------+----+-----------------------------------------|
          |      5      |  í | V.32 clear down sequence disabled.      |
          |             |  0 |                                         |
          |             |    | V.32 clear down sequence enabled.       |
          |             |  1 |                                         |
          |-------------+----+-----------------------------------------|
          |      6      |  0 | Trellis coding in V.32 disabled.        |
          |             |    |                                         |
          |             |  í | Trellis coding in V.32 enabled.         |
          |             |  1 |                                         |
          |-------------+----+-----------------------------------------|
          |      7      |  í | V.8 answer tone includes V.FC           |
          |             |  0 | identification.                         |
          |             |    |                                         |
          |             |  1 | V.8 answer tone does not include V.FC   |
          |             |    | identification.                         |
          +------------------------------------------------------------+
       
          +------------------------------------------------------------+
          |                  BIT-MAPPED REGISTER S31                   |
          |------------------------------------------------------------|
          | Format:        | AT [cmds] S31=n [cmds]                    |
          |----------------+-------------------------------------------|
          | Default:       | 0                                         |
          |----------------+-------------------------------------------|
          | Range:         | 0 - 63                                    |
          |----------------+-------------------------------------------|
          | Description:   | Controls guard tone, calling tone, manual |
          |                | dialing DTR connection, and DTR dialing.  |
          |------------------------------------------------------------|
          |   Bit   | Value |                 Function                 |
          |------------------------------------------------------------|
          |    1, 0     |  í | Guard tone disabled.                    |
          |             | 00 |                                         |
          |             |    | 550Hz guard tone enabled.               |
          |             | 01 |                                         |
          |             |    | 1800Hz guard tone enabled.              |
          |             | 10 |                                         |
          |------------------------------------------------------------|
          |    2    |   í 0 | Calling tone enabled.                    |
          |         |       |                                          |
          |         |     1 | Calling tone disabled.                   |
          |---------+-------+------------------------------------------|
          |    3    |   í 0 | V.25 calling tone enabled.               |
          |         |       |                                          |
          |         |     1 | V.8 calling tone enabled.                |
          |------------------------------------------------------------|
          |      4      |  í | Modem will not attempt to connect on    |
          |             |  0 | high DTR.                               |
          |             |    |                                         |
          |             |  1 | Modem will attempt to connect on high   |
          |             |    | DTR.                                    |
          |-------------+----+-----------------------------------------|
          |      5      |  í | DTR dialing disabled.                   |
          |             |  0 |                                         |
          |             |    | DTR dialing enabled.                    |
          |             |  1 |                                         |
          +------------------------------------------------------------+
       
          +------------------------------------------------------------+
          |                  BIT-MAPPED REGISTER S33                   |
          |------------------------------------------------------------|
          | Format:         | AT [cmds] S33=n [cmds]                   |
          |-----------------+------------------------------------------|
          | Default:        | 0                                        |
          |-----------------+------------------------------------------|
          | Range:          | 0 - 14                                   |
          |-----------------+------------------------------------------|
          | Description:    | Controls callback mode, callback trace,  |
          |                 | and remote configuration.                |
          |------------------------------------------------------------|
          |   Bit    | Value |                Function                 |
          |------------------------------------------------------------|
          |     0, 1     |  í | Callback disabled.                     |
          |              | 00 |                                        |
          |              |    | Callback enabled; RING and CONNECT are |
          |              | 01 | displayed before login prompts.        |
          |              |    |                                        |
          |              | 10 | Callback enabled; RING and CONNECT are |
          |              |    | displayed after login prompts.         |
          |------------------------------------------------------------|
          |    2     |   í 0 | Callback trace disabled.                |
          |          |       |                                         |
          |          |     1 | Callback trace enabled.                 |
          |------------------------------------------------------------|
          |      3       |  í | Remote configuration disabled.         |
          |              |  0 |                                        |
          |              |    | Remote configuration enabled.          |
          |              |  1 |                                        |
          +------------------------------------------------------------+
       
          +------------------------------------------------------------+
          |                  BIT-MAPPED REGISTER S36                   |
          |------------------------------------------------------------|
          | Format:        | AT [cmds] S36=n [cmds]                    |
          |----------------+-------------------------------------------|
          | Default:       | 131                                       |
          |----------------+-------------------------------------------|
          | Range:         | 0 - 134                                   |
          |----------------+-------------------------------------------|
          | Description:   | Controls connect mode and Selective       |
          |                | Reject.                                   |
          |------------------------------------------------------------|
          |   Bit    |  Value   |               Function               |
          |----------+----------+--------------------------------------|
          |  2 - 0   |      000 | Normal mode enabled.                 |
          |          |          |                                      |
          |          |      001 | Direct mode enabled.                 |
          |          |          |                                      |
          |          |      010 | MNP reliable mode enabled.           |
          |          |          |                                      |
          |          |    í 011 | Auto-reliable mode enabled.          |
          |          |          |                                      |
          |          |      100 | V.42 reliable mode enabled.          |
          |          |          |                                      |
          |          |      101 | V.42 auto-reliable mode enabled.     |
          |          |          |                                      |
          |          |      110 | V.42 or MNP reliable mode enabled.   |
          |------------------------------------------------------------|
          |    6 - 3    |       0000 | Not used.                       |
          |-------------+------------+---------------------------------|
          |      7      |        í 0 | Selective Reject enabled.       |
          |             |            |                                 |
          |             |          1 | Selective Reject disabled.      |
          +------------------------------------------------------------+
       
          +------------------------------------------------------------+
          |                  BIT-MAPPED REGISTER S37                   |
          |------------------------------------------------------------|
          | Format:        | AT [cmds] S37=n [cmds]                    |
          |----------------+-------------------------------------------|
          | Default:       | 19                                        |
          |----------------+-------------------------------------------|
          | Range:         | 0 - 211                                   |
          |----------------+-------------------------------------------|
          | Description:   | Controls line, modem, and serial port     |
          |                | speed options.                            |
          |------------------------------------------------------------|
          |   Bit    | Value |                Function                 |
          |----------+-------+-----------------------------------------|
          |  4 - 0   | 00001 | Set line speed to 75/1200bps.           |
          |          |       |                                         |
          |          | 00010 | Set line speed to 1200/75bps.           |
          |          |       |                                         |
          |          | 00011 | Set line speed to 300bps.               |
          |          |       |                                         |
          |          | 00101 | Set line speed to 1200bps.              |
          |          |       |                                         |
          |          | 00110 | Set line speed to 2400bps.              |
          |          |       |                                         |
          |          | 00111 | Set line speed to 4800bps.              |
          |          |       |                                         |
          |          | 01000 | Set line speed to 7200bps.              |
          |          |       |                                         |
          |          | 01001 | Set line speed to 9600bps.              |
          |          |       |                                         |
          |          | 01010 | Set line speed to 12Kbps.               |
          |          |       |                                         |
          |          | 01011 | Set line speed to 14.4Kbps.             |
          |          |       |                                         |
          |          | 01100 | Set line speed to 16.8Kbps.             |
          |          |       |                                         |
          |          | 01101 | Set line speed to 19.2Kbps.             |
          |          |       |                                         |
          |          | 01110 | Set line speed to 21.6Kbps.             |
          |          |       |                                         |
          |          | 01111 | Set line speed to 24Kbps.               |
          |          |       |                                         |
          |          | 10000 | Set line speed to 26.4Kbps.             |
          |          |       |                                         |
          |          | 10001 | Set line speed to 28.8Kbps.             |
          |          |       |                                         |
          |          | 10010 | Set line speed to 31.2Kbps.             |
          |          |       |                                         |
          |          |     í | Set line speed to 33.6Kbps.             |
          |          | 10011 |                                         |
          |------------------------------------------------------------|
          |      5      |   0 | Not used.                              |
          |-------------+-----+----------------------------------------|
          |      6      | í 0 | Modem port speed changed               |
          |             |     | automatically.                         |
          |             |   1 |                                        |
          |             |     | User must change modem port speed with |
          |             |     | %B command.                            |
          |-------------+-----+----------------------------------------|
          |      7      | í 0 | Serial port speed follows connect      |
          |             |     | speed.                                 |
          |             |   1 |                                        |
          |             |     | Serial port speed locked.              |
          +------------------------------------------------------------+
       
          +------------------------------------------------------------+
          |                  BIT-MAPPED REGISTER S48                   |
          |------------------------------------------------------------|
          | Format:        | AT [cmds] S48=n [cmds]                    |
          |----------------+-------------------------------------------|
          | Default:       | 164                                       |
          |----------------+-------------------------------------------|
          | Range:         | 0 - 180                                   |
          |----------------+-------------------------------------------|
          | Description:   | Controls V.42 detection phase,            |
          |                | auto-reliable time buffer, and break      |
          |                | type.                                     |
          |------------------------------------------------------------|
          |   Bit    | Value |                Function                 |
          |------------------------------------------------------------|
          |    1 - 0    |  00 | Not used.                              |
          |------------------------------------------------------------|
          |    2     |     0 | V.42 detection phase disabled.          |
          |          |       |                                         |
          |          |   í 1 | V.42 detection phase enabled.           |
          |------------------------------------------------------------|
          |    4, 3     |   í | Data is discarded during auto-reliable |
          |             |  00 | time.                                  |
          |             |     |                                        |
          |             |  01 | Data is buffered for 4 seconds or 200  |
          |             |     | characters during auto-reliable time.  |
          |             |  10 |                                        |
          |             |     | Data is discarded during auto-reliable |
          |             |     | time; modem returns to normal mode on  |
          |             |     | receiving auto-reliable fallback       |
          |             |     | character.                             |
          |-------------+-----+----------------------------------------|
          |    7 - 5    | 000 | \K0 is selected.                       |
          |             |     |                                        |
          |             | 001 | \K1 is selected.                       |
          |             |     |                                        |
          |             | 010 | \K2 is selected.                       |
          |             |     |                                        |
          |             | 011 | \K3 is selected.                       |
          |             |     |                                        |
          |             | 100 | \K4 is selected.                       |
          |             |     |                                        |
          |             |   í | \K5 is selected.                       |
          |             | 101 |                                        |
          +------------------------------------------------------------+
       
          +------------------------------------------------------------+
          |                  BIT-MAPPED REGISTER S87                   |
          |------------------------------------------------------------|
          | Format:        | AT [cmds] S87? [cmds]                     |
          |----------------+-------------------------------------------|
          | Default:       | Read-only                                 |
          |----------------+-------------------------------------------|
          | Range:         | 0 - 211                                   |
          |----------------+-------------------------------------------|
          | Description:   | Returns a value indicating current        |
          |                | transmit line speed, fax mode connection, |
          |                | and modulation protocol type.             |
          |------------------------------------------------------------|
          |    Bit    | Value |                Meaning                 |
          |-----------+-------+----------------------------------------|
          |   4 - 0   | 00001 | Transmit line speed is 75/1200bps.     |
          |           |       |                                        |
          |           | 00010 | Transmit line speed is 1200/75bps.     |
          |           |       |                                        |
          |           | 00011 | Transmit line speed is 300bps.         |
          |           |       |                                        |
          |           | 00101 | Transmit line speed is 1200bps.        |
          |           |       |                                        |
          |           | 00110 | Transmit line speed is 2400bps.        |
          |           |       |                                        |
          |           | 00111 | Transmit line speed is 4800bps.        |
          |           |       |                                        |
          |           | 01000 | Transmit line speed is 7200bps.        |
          |           |       |                                        |
          |           | 01001 | Transmit line speed is 9600bps.        |
          |           |       |                                        |
          |           | 01010 | Transmit line speed is 12Kbps.         |
          |           |       |                                        |
          |           | 01011 | Transmit line speed is 14.4Kbps.       |
          |           |       |                                        |
          |           | 01100 | Transmit line speed is 16.8Kbps.       |
          |           |       |                                        |
          |           | 01101 | Transmit line speed is 19.2Kbps.       |
          |           |       |                                        |
          |           | 01110 | Transmit line speed is 21.6Kbps.       |
          |           |       |                                        |
          |           | 01111 | Transmit line speed is 24Kbps.         |
          |           |       |                                        |
          |           | 10000 | Transmit line speed is 26.4Kbps.       |
          |           |       |                                        |
          |           | 10001 | Transmit line speed is 28.8Kbps.       |
          |           |       |                                        |
          |           | 10010 | Transmit line speed is 31.2Kbps.       |
          |           |       |                                        |
          |           | 10011 | Transmit line speed is 33.6Kbps.       |
          +------------------------------------------------------------+
       
          +------------------------------------------------------------+
          |              BIT-MAPPED REGISTER S87 (CON'T)               |
          |------------------------------------------------------------|
          | Bit  | Value |                   Meaning                   |
          |------------------------------------------------------------|
          |    5     |  0 | Not used.                                  |
          |----------+----+--------------------------------------------|
          |    6     |  0 | Modem is not connected in fax mode.        |
          |          |    |                                            |
          |          |  1 | Modem is connected in fax mode.            |
          |----------+----+--------------------------------------------|
          |    7     |  0 | ITU-T protocols selected.                  |
          |          |    |                                            |
          |          |  1 | Bell protocols selected.                   |
          +------------------------------------------------------------+
       
          +------------------------------------------------------------+
          |                  BIT-MAPPED REGISTER S88                   |
          |------------------------------------------------------------|
          | Format:        | AT [cmds] S88? [cmds]                     |
          |----------------+-------------------------------------------|
          | Default:       | Read-only                                 |
          |----------------+-------------------------------------------|
          | Range:         |                                           |
          |----------------+-------------------------------------------|
          | Description:   | Returns a value indicating                |
          |------------------------------------------------------------|
          |   Bit   | Value |                 Meaning                  |
          |---------+-------+------------------------------------------|
          |    0    |     0 | Modem is not connected with MNP1 through |
          |         |       | MNP4.                                    |
          |         |     1 |                                          |
          |         |       | Modem is connected with MNP1 through     |
          |         |       | MNP4.                                    |
          |------------------------------------------------------------|
          |      1      |  0 | Modem is not connected with MNP5.       |
          |             |    |                                         |
          |             |  1 | Modem is connected with MNP5.           |
          |-------------+----+-----------------------------------------|
          |      2      |  0 | Modem is not connected with V.42.       |
          |             |    |                                         |
          |             |  1 | Modem is connected with V.42.           |
          |-------------+----+-----------------------------------------|
          |      3      |  0 | Modem is not connected with V.42bis.    |
          |             |    |                                         |
          |             |  1 | Modem is connected with V.42bis.        |
          +------------------------------------------------------------+
       
          +------------------------------------------------------------+
          |                  BIT-MAPPED REGISTER S89                   |
          |------------------------------------------------------------|
          | Format:         | AT [cmds] S89? [cmds]                    |
          |-----------------+------------------------------------------|
          | Default:        | Read-only                                |
          |-----------------+------------------------------------------|
          | Range:          | 0 - 211                                  |
          |-----------------+------------------------------------------|
          | Description:    | Returns a value indicating current       |
          |                 | receive line speed and modulation        |
          |                 | protocol.                                |
          |------------------------------------------------------------|
          |    Bit     | Value |                Meaning                |
          |------------+-------+---------------------------------------|
          |   4 - 0    | 00001 | Receive line speed is 75/1200bps.     |
          |            |       |                                       |
          |            | 00010 | Receive line speed is 1200/75bps.     |
          |            |       |                                       |
          |            | 00011 | Receive line speed is 300bps.         |
          |            |       |                                       |
          |            | 00101 | Receive line speed is 1200bps.        |
          |            |       |                                       |
          |            | 00110 | Receive line speed is 2400bps.        |
          |            |       |                                       |
          |            | 00111 | Receive line speed is 4800bps.        |
          |            |       |                                       |
          |            | 01000 | Receive line speed is 7200bps.        |
          |            |       |                                       |
          |            | 01001 | Receive line speed is 9600bps.        |
          |            |       |                                       |
          |            | 01010 | Receive line speed is 12Kbps.         |
          |            |       |                                       |
          |            | 01011 | Receive line speed is 14.4Kbps.       |
          |            |       |                                       |
          |            | 01100 | Receive line speed is 16.8Kbps.       |
          |            |       |                                       |
          |            | 01101 | Receive line speed is 19.2Kbps.       |
          |            |       |                                       |
          |            | 01110 | Receive line speed is 21.6Kbps.       |
          |            |       |                                       |
          |            | 01111 | Receive line speed is 24Kbps.         |
          |            |       |                                       |
          |            | 10000 | Receive line speed is 26.4Kbps.       |
          |            |       |                                       |
          |            | 10001 | Receive line speed is 28.8Kbps.       |
          |            |       |                                       |
          |            | 10010 | Receive line speed is 31.2Kbps.       |
          |            |       |                                       |
          |            | 10011 | Receive line speed is 33.6Kbps.       |
          +------------------------------------------------------------+
       
          +------------------------------------------------------------+
          |              BIT-MAPPED REGISTER S89 (CON'T)               |
          |------------------------------------------------------------|
          |  Bit  |  Value  |                 Meaning                  |
          |------------------------------------------------------------|
          |   7 - 5    | 000 | Modulation protocol in use is V.23.     |
          |            |     |                                         |
          |            | 001 | Modulation protocol in use is V.21.     |
          |            |     |                                         |
          |            | 010 | Modulation protocol in use is V.22bis.  |
          |            |     |                                         |
          |            | 011 | Modulation protocol in use is V.32.     |
          |            |     |                                         |
          |            | 100 | Modulation protocol in use is V.32bis.  |
          |            |     |                                         |
          |            | 101 | Modulation protocol in use is V.FC.     |
          |            |     |                                         |
          |            | 110 | Modulation protocol in use is V.34.     |
          |            |     |                                         |
          |            | 111 | Modulation protocol in use is V.34 with |
          |            |     | asymmetric bit rates.                   |
          +------------------------------------------------------------+
       
          +------------------------------------------------------------+
          |                  BIT-MAPPED REGISTER S95                   |
          |------------------------------------------------------------|
          | Format:         | AT [cmds] S95=n [cmds]                   |
          |-----------------+------------------------------------------|
          | Default:        | 8                                        |
          |-----------------+------------------------------------------|
          | Range:          | 0 - 184                                  |
          |-----------------+------------------------------------------|
          | Description:    | Controls result code options and CONNECT |
          |                 | response after invalid escape sequence.  |
          |------------------------------------------------------------|
          |   Bit    | Value  |                Function                |
          |------------------------------------------------------------|
          |    3 - 0    | 0000 | Extended result codes disabled.       |
          |             |      |                                       |
          |             | 0001 | /REL extended result codes enabled.   |
          |             |      |                                       |
          |             | 0010 | LAPM and MNP extended result codes    |
          |             |      | enabled.                              |
          |             |    í |                                       |
          |             | 1000 | V.42bis, MNP5, and modulation         |
          |             |      | protocol (if selected with S96)       |
          |             |      | extended result codes enabled.        |
          |-------------+------+---------------------------------------|
          |      4      |  í 0 | Modem uses \V command to select       |
          |             |      | extended result codes.                |
          |             |    1 |                                       |
          |             |      | Modem always displays extended result |
          |             |      | codes.                                |
          |-------------+------+---------------------------------------|
          |      5      |  í 0 | Modem will send CONNECT response      |
          |             |      | after invalid escape sequence.        |
          |             |    1 |                                       |
          |             |      | Modem will not send CONNECT response  |
          |             |      | after invalid escape sequence.        |
          |-------------+------+---------------------------------------|
          |    7, 6     | í 00 | Result codes enabled.                 |
          |             |      |                                       |
          |             |   01 | Result codes disabled.                |
          |             |      |                                       |
          |             |   10 | Result codes disabled in answer mode. |
          +------------------------------------------------------------+
       
          +------------------------------------------------------------+
          |                  BIT-MAPPED REGISTER S96                   |
          |------------------------------------------------------------|
          | Format:         | AT [cmds] S96=n [cmds]                   |
          |-----------------+------------------------------------------|
          | Default:        | 8                                        |
          |-----------------+------------------------------------------|
          | Range:          | 0 - 110                                  |
          |-----------------+------------------------------------------|
          | Description:    | Controls register display, end-of-page   |
          |                 | prompting, modem language, bit rate      |
          |                 | display, and \V8 result code format.     |
          |------------------------------------------------------------|
          |    Bit    | Value |                Function                |
          |-----------+-------+----------------------------------------|
          |   1, 0    |  í 00 | Modem will display register values in  |
          |           |       | decimal.                               |
          |           |    01 |                                        |
          |           |       | Modem will display register values in  |
          |           |    10 | hexadecimal.                           |
          |           |       |                                        |
          |           |       | Modem will display register values in  |
          |           |       | binary.                                |
          |------------------------------------------------------------|
          |      2       | í 0 | Modem will prompt user to press a key |
          |              |     | after a full page of text.            |
          |              |   1 |                                       |
          |              |     | Modem will not prompt user to press a |
          |              |     | key after a full page of text.        |
          |--------------+-----+---------------------------------------|
          |      3       |   0 | Modem text displayed in German.       |
          |              |     |                                       |
          |              | í 1 | Modem text displayed in English.      |
          |--------------+-----+---------------------------------------|
          |      4       |   0 | Not used.                             |
          |--------------+-----+---------------------------------------|
          |      5       | í 0 | Modem will display transmit bit rate. |
          |              |     |                                       |
          |              |   1 | Modem will display both transmit and  |
          |              |     | receive bit rate.                     |
          |--------------+-----+---------------------------------------|
          |      6       | í 0 | Modem will display only error         |
          |              |     | correction and compression result     |
          |              |   1 | codes with \V8.                       |
          |              |     |                                       |
          |              |     | Modem will display error correction,  |
          |              |     | compression, and modulation result    |
          |              |     | codes with \V8.                       |
          +------------------------------------------------------------+
       
          +------------------------------------------------------------+
          |                  BIT-MAPPED REGISTER S130                  |
          |------------------------------------------------------------|
          | Format:         | AT [cmds] S130=n [cmds]                  |
          |-----------------+------------------------------------------|
          | Default:        | 4                                        |
          |-----------------+------------------------------------------|
          | Range:          | 0 - 220                                  |
          |-----------------+------------------------------------------|
          | Description:    | Controls T.4 bit order, fax mode, fill   |
          |                 | bit removal, fax mode flow control, and  |
          |                 | V.17 modulation.                         |
          |------------------------------------------------------------|
          |   Bit    | Value  |                Function                |
          |------------------------------------------------------------|
          |     1, 0     |  00 | Not used.                             |
          |------------------------------------------------------------|
          |    2     |      0 | T.4 bit order for Class 2 fax receive  |
          |          |        | reversed.                              |
          |          |    í 1 |                                        |
          |          |        | T.4 bit order for Class 2 fax receive  |
          |          |        | normal.                                |
          |------------------------------------------------------------|
          |      3       | í 0 | Modem is in normal fax mode.          |
          |              |     |                                       |
          |              |   1 | Modem is in Elsa TransFax mode.       |
          |--------------+-----+---------------------------------------|
          |      4       | í 0 | Fill bits are removed from T.4 data.  |
          |              |     |                                       |
          |              |   1 | Fill bits are not removed from T.4    |
          |              |     | data.                                 |
          |--------------+-----+---------------------------------------|
          |      5       |   0 | Not used.                             |
          |--------------+-----+---------------------------------------|
          |      6       | í 0 | Unidirectional CTS and XON/XOFF flow  |
          |              |     | control enabled.                      |
          |              |   1 |                                       |
          |              |     | Flow control set by \Q command.       |
          |--------------+-----+---------------------------------------|
          |      7       | í 0 | V.17 fax modulation enabled.          |
          |              |     |                                       |
          |              |   1 | V.17 fax modulation disabled.         |
          +------------------------------------------------------------+
       
          +------------------------------------------------------------+
          |                  CALL FAILURE INDICATION                   |
          |------------------------------------------------------------|
          | Type:        | Register (read-only)                        |
          |--------------+---------------------------------------------|
          | Format:      | AT [cmds] S86? [cmds]                       |
          |--------------+---------------------------------------------|
          | Description: | Returns a value indicating the cause of the |
          |              | last disconnect.                            |
          |--------------+---------------------------------------------|
          |    Value     |                   Meaning                   |
          |--------------+---------------------------------------------|
          |      0       | Normal disconnection, no error occurred.    |
          |--------------+---------------------------------------------|
          |      4       | Loss of carrier occurred.                   |
          |--------------+---------------------------------------------|
          |      5       | Negotiation phase failed; modem at remote   |
          |              | station has no error correction.            |
          |--------------+---------------------------------------------|
          |      6       | Remote modem is not answering protocol      |
          |              | requests.                                   |
          |--------------+---------------------------------------------|
          |      7       | Remote modem is only functioning            |
          |              | synchronously.                              |
          |--------------+---------------------------------------------|
          |      8       | Modems could not find a common framing      |
          |              | scheme.                                     |
          |--------------+---------------------------------------------|
          |      9       | Modems could not find a common protocol.    |
          |--------------+---------------------------------------------|
          |      10      | Remote modem is sending incorrect protocol  |
          |              | requests.                                   |
          |--------------+---------------------------------------------|
          |      11      | Synchronous information is missing;         |
          |              | connection terminated after 30 seconds.     |
          |--------------+---------------------------------------------|
          |      12      | Normal disconnect initiated by the remote   |
          |              | modem.                                      |
          |--------------+---------------------------------------------|
          |      13      | Remote modem is no longer answering;        |
          |              | connection terminated after 10              |
          |              | re-transmissions.                           |
          |--------------+---------------------------------------------|
          |      14      | Protocol violation occurred.                |
          |--------------+---------------------------------------------|
          |      15      | Compression error occurred.                 |
          |--------------+---------------------------------------------|
          |      16      | Inactivity timer has elapsed.               |
          |--------------+---------------------------------------------|
          |      17      | No loop current detected.                   |
          |--------------+---------------------------------------------|
          |      20      | Busy tone detected.                         |
          |--------------+---------------------------------------------|
          |      21      | No dial tone detected.                      |
          |--------------+---------------------------------------------|
          |      22      | No answer tone detected.                    |
          |--------------+---------------------------------------------|
          |      23      | No connection reached, connection timed     |
          |              | out, or wrong modulation type.              |
          |--------------+---------------------------------------------|
          |      24      | Fallback not permitted because of AT%L2;    |
          |              | connection terminated.                      |
          |--------------+---------------------------------------------|
          |      25      | No modem or fax is answering at the number  |
          |              | called.                                     |
          |--------------+---------------------------------------------|
          |      30      | ATH was entered online.                     |
          |--------------+---------------------------------------------|
          |      31      | ATZ was entered online.                     |
          |--------------+---------------------------------------------|
          |      32      | AT&T0 was entered - modem is in analog      |
          |              | loopback test.                              |
          |--------------+---------------------------------------------|
          |      33      | Keystroke received during handshaking.      |
          |--------------+---------------------------------------------|
          |      34      | DTR signal dropped.                         |
          |--------------+---------------------------------------------|
          |      60      | V.32/V32bis handshake signal AA, CC, AC or  |
          |              | CA missing.                                 |
          |--------------+---------------------------------------------|
          |      61      | V.32/V.32bis handshake signal R1, R2 or R3  |
          |              | missing.                                    |
          |--------------+---------------------------------------------|
          |      62      | V.32/V.32bis handshake signal S missing.    |
          |--------------+---------------------------------------------|
          |      63      | V.32/V.32bis handshake signal transition    |
          |              | from S to \S missing.                       |
          |--------------+---------------------------------------------|
          |      64      | V.32/V.32bis handshake signal E missing.    |
          |--------------+---------------------------------------------|
          |      68      | No answer to automatic retrain.             |
          +------------------------------------------------------------+
       
          +------------------------------------------------------------+
          |                          CALLBACK                          |
          |------------------------------------------------------------|
          | Type:        | Configuration                               |
          |--------------+---------------------------------------------|
          | Format:      | AT [cmds] $Bn [cmds]                        |
          |--------------+---------------------------------------------|
          | Description: | Selects what type of callback procedure is  |
          |              | used.                                       |
          |--------------+---------------------------------------------|
          |   Command    |                  Function                   |
          |--------------+---------------------------------------------|
          |    í $B0     | Callback disabled.                          |
          |--------------+---------------------------------------------|
          |     $B1      | Callback enabled; RING and CONNECT result   |
          |              | codes are displayed before login prompts.   |
          |--------------+---------------------------------------------|
          |     $B2      | Callback enabled; RING and CONNECT result   |
          |              | codes are displayed after login prompts.    |
          +------------------------------------------------------------+
       
          +------------------------------------------------------------+
          |                       CALLBACK DELAY                       |
          |------------------------------------------------------------|
          | Type:        | Register                                    |
          |--------------+---------------------------------------------|
          | Format:      | AT [cmds] S43=n [cmds]                      |
          |--------------+---------------------------------------------|
          | Default:     | 1                                           |
          |--------------+---------------------------------------------|
          | Range:       | 0 - 2                                       |
          |--------------+---------------------------------------------|
          | Unit:        | 1 minute                                    |
          |--------------+---------------------------------------------|
          | Description: | Sets the amount of time that must elapse    |
          |              | before the modem will attempt a callback    |
          |              | sequence.                                   |
          +------------------------------------------------------------+
       
          +------------------------------------------------------------+
          |            CALLBACK - MAXIMUM CALLBACK ATTEMPTS            |
          |------------------------------------------------------------|
          | Type:        | Register                                    |
          |--------------+---------------------------------------------|
          | Format:      | AT [cmds] S35=n [cmds]                      |
          |--------------+---------------------------------------------|
          | Default:     | 3                                           |
          |--------------+---------------------------------------------|
          | Range:       | 1 - 99                                      |
          |--------------+---------------------------------------------|
          | Unit:        | 1 callback                                  |
          |--------------+---------------------------------------------|
          | Description: | Sets the maximum number of callback         |
          |              | attempts the modem will perform.            |
          +------------------------------------------------------------+
       
          +------------------------------------------------------------+
          |                       CALLBACK TRACE                       |
          |------------------------------------------------------------|
          | Type:        | Configuration                               |
          |--------------+---------------------------------------------|
          | Format:      | AT [cmds] $Tn [cmds]                        |
          |--------------+---------------------------------------------|
          | Description: | Selects whether the progress of callback    |
          |              | procedures will be displayed as a           |
          |              | diagnostic tool.                            |
          |--------------+---------------------------------------------|
          |   Command    |                  Function                   |
          |--------------+---------------------------------------------|
          |    í $T0     | Callback trace disabled.                    |
          |--------------+---------------------------------------------|
          |     $T1      | Callback trace enabled.                     |
          +------------------------------------------------------------+
       
          +------------------------------------------------------------+
          |                        COMMAND SET                         |
          |------------------------------------------------------------|
          | Type:        | Configuration                               |
          |--------------+---------------------------------------------|
          | Format:      | AT [cmds] -Hn [cmds]                        |
          |--------------+---------------------------------------------|
          | Description: | Selects whether the modem will generate     |
          |              | result codes and accept commands. When the  |
          |              | command set is disabled, the modem will     |
          |              | still accept the -H and D commands, and     |
          |              | will act as if S0=1.                        |
          |--------------+---------------------------------------------|
          |   Command    |                  Function                   |
          |--------------+---------------------------------------------|
          |    í -H0     | Command set enabled.                        |
          |--------------+---------------------------------------------|
          |     -H1      | Command set disabled.                       |
          +------------------------------------------------------------+
       
          +------------------------------------------------------------+
          |                        COMPRESSION                         |
          |------------------------------------------------------------|
          | Type:        | Register                                    |
          |--------------+---------------------------------------------|
          | Format:      | AT [cmds] S46=n [cmds]                      |
          |--------------+---------------------------------------------|
          | Description: | Selects data compression.                   |
          |--------------+---------------------------------------------|
          |   Command    |                  Function                   |
          |--------------+---------------------------------------------|
          |    S46=0     | Data compression disabled.                  |
          |--------------+---------------------------------------------|
          |    S46=1     | MNP5 enabled.                               |
          |--------------+---------------------------------------------|
          |    S46=2     | V.42bis enabled.                            |
          |--------------+---------------------------------------------|
          |   í S46=3    | MNP5 and V.42bis enabled.                   |
          +------------------------------------------------------------+
       
          +------------------------------------------------------------+
          |                 CTS, DCD, AND DSR SIGNALS                  |
          |------------------------------------------------------------|
          | Format:        | AT [cmds] S52=n [cmds]                    |
          |----------------+-------------------------------------------|
          | Default:       | 4                                         |
          |----------------+-------------------------------------------|
          | Range:         | 0 - 11                                    |
          |----------------+-------------------------------------------|
          | Description:   | Controls the behaviour of the CTS, DCD,   |
          |                | and DSR signals.                          |
          |------------------------------------------------------------|
          |   Bit   | Value |                 Function                 |
          |---------+-------+------------------------------------------|
          |    0    |   í 0 | DSR forced high.                         |
          |         |       |                                          |
          |         |     1 | DSR normal.                              |
          |---------+-------+------------------------------------------|
          |    1    |   í 0 | CTS forced high.                         |
          |         |       |                                          |
          |         |     1 | CTS normal.                              |
          |------------------------------------------------------------|
          |    3, 2     | 00 | DCD forced high.                        |
          |             |    |                                         |
          |             |  í | DCD forced high after carrier signal is |
          |             | 01 | detected.                               |
          |             |    |                                         |
          |             | 10 | DCD forced high except at disconnect.   |
          +------------------------------------------------------------+
       
          +------------------------------------------------------------+
          |                        DATA FORMAT                         |
          |------------------------------------------------------------|
          | Type:        | Register                                    |
          |--------------+---------------------------------------------|
          | Format:      | AT [cmds] S53=n [cmds]                      |
          |--------------+---------------------------------------------|
          | Description: | Controls the data length, parity, and stop  |
          |              | bit for the local serial port.              |
          |--------------+---------------------------------------------|
          |   Command    |                  Function                   |
          |--------------+---------------------------------------------|
          |   í S53=0    | Data format set to 8N1, 7E1, 7O1, or 7N2.   |
          |--------------+---------------------------------------------|
          |    S53=1     | Data format set to 8E1                      |
          |--------------+---------------------------------------------|
          |    S53=2     | Data format set to 8O1                      |
          |--------------+---------------------------------------------|
          |    S53=3     | Data format set to 8N2                      |
          +------------------------------------------------------------+
       
          +------------------------------------------------------------+
          |                         DCD SIGNAL                         |
          |------------------------------------------------------------|
          | Type:        | Configuration                               |
          |--------------+---------------------------------------------|
          | Format:      | AT [cmds] &Cn [cmds]                        |
          |--------------+---------------------------------------------|
          | Description: | Controls the behaviour of the DCD signal.   |
          |--------------+---------------------------------------------|
          |   Command    |                  Function                   |
          |--------------+---------------------------------------------|
          |    í &C0     | DCD forced high.                            |
          |--------------+---------------------------------------------|
          |     &C1      | DCD forced high after carrier signal is     |
          |              | detected.                                   |
          |--------------+---------------------------------------------|
          |     &C2      | DCD forced high except at disconnect.       |
          +------------------------------------------------------------+
       
          +------------------------------------------------------------+
          |                            DIAL                            |
          |------------------------------------------------------------|
          | Type:        | Immediate                                   |
          |--------------+---------------------------------------------|
          | Format:      | AT [cmds] D<#> [cmds]                       |
          |--------------+---------------------------------------------|
          | Description: | Dials the telephone number indicated        |
          |              | according to any modifiers included in the  |
          |              | string.                                     |
          |--------------+---------------------------------------------|
          |   Command    |                  Function                   |
          |--------------+---------------------------------------------|
          |      DL      | Re-dial last number.                        |
          |--------------+---------------------------------------------|
          |      DM      | Make a LAPM reliable mode connection this   |
          |              | call.                                       |
          |--------------+---------------------------------------------|
          |      DP      | Pulse dialing enabled.                      |
          |--------------+---------------------------------------------|
          |      DQ      | Make an LAPM auto-reliable mode connection  |
          |              | this call.                                  |
          |--------------+---------------------------------------------|
          |     DSn      | Dial stored telephone number n.             |
          |--------------+---------------------------------------------|
          |      DT      | Tone dialing enabled.                       |
          |--------------+---------------------------------------------|
          |      DV      | Make an LAPM or MNP reliable mode           |
          |              | connection this call.                       |
          |--------------+---------------------------------------------|
          |      DW      | Dialing resumed following dial tone         |
          |              | detection.                                  |
          |--------------+---------------------------------------------|
          |      DX      | Make an auto-reliable mode connection this  |
          |              | call.                                       |
          |--------------+---------------------------------------------|
          |      DY      | Make an MNP reliable mode connection this   |
          |              | call.                                       |
          |--------------+---------------------------------------------|
          |      DZ      | Make a normal mode connection this call.    |
          |--------------+---------------------------------------------|
          |      D,      | Dialing paused for amount of time specified |
          |              | in S8 register.                             |
          |--------------+---------------------------------------------|
          |      D<      | Dialing paused for 1 second.                |
          |--------------+---------------------------------------------|
          |     D/n      | Dial stored telephone number n.             |
          |--------------+---------------------------------------------|
          |      D!      | Flash function initiated. Modem commanded   |
          |              | to go off-hook for specified time before    |
          |              | returning on-hook.                          |
          |--------------+---------------------------------------------|
          |      D@      | Wait for Quiet Answer function enabled.     |
          |              | Modem waits until a "quiet answer," a       |
          |              | ring-back signal followed by silence up to  |
          |              | the time specified in S7, is received prior |
          |              | to executing the rest of the dial string.   |
          |--------------+---------------------------------------------|
          |      D&      | Flash function initiated. Modem commanded   |
          |              | to go off-hook for specified time before    |
          |              | returning on-hook.                          |
          |--------------+---------------------------------------------|
          |      D=      | Dialing paused for 3 seconds.               |
          |--------------+---------------------------------------------|
          |      D[      | Flash function initiated. Modem commanded   |
          |              | to go off-hook for specified time before    |
          |              | returning on-hook.                          |
          |--------------+---------------------------------------------|
          |      D;      | Modem returned to idle state after dialing. |
          |              | The semicolon can only be placed at the end |
          |              | of the dial command.                        |
          |--------------+---------------------------------------------|
          |      D:      | Dialing resumed following dial tone         |
          |              | detection.                                  |
          +------------------------------------------------------------+
       
          +------------------------------------------------------------+
          |                  DISCONNECT BUFFER DELAY                   |
          |------------------------------------------------------------|
          | Type:        | Configuration                               |
          |--------------+---------------------------------------------|
          | Format       | AT [cmds] %Dn [cmds]                        |
          |--------------+---------------------------------------------|
          | Default:     | 0                                           |
          |--------------+---------------------------------------------|
          | Range:       | 0-255                                       |
          |--------------+---------------------------------------------|
          | Unit:        | 1 second                                    |
          |--------------+---------------------------------------------|
          | Description: | Sets maximum duration allowed during        |
          |              | buffered data calls for modem to perform    |
          |              | clearing functions after losing             |
          |              | carrier-signal or receiving a clear call    |
          |              | signal from the remote modem and before     |
          |              | initiating hang-up process.                 |
          +------------------------------------------------------------+
       
          +------------------------------------------------------------+
          |                   DISPLAY CONFIGURATION                    |
          |------------------------------------------------------------|
          | Type:        | Immediate                                   |
          |--------------+---------------------------------------------|
          | Format:      | AT [cmds] \Sn [cmds]                        |
          |--------------+---------------------------------------------|
          | Description: | Displays the settings of all commands.      |
          |------------------------------------------------------------|
          |    Command    |                  Function                  |
          |---------------+--------------------------------------------|
          |      \S0      | Displays all command settings.             |
          |---------------+--------------------------------------------|
          |      \S1      | Displays all command settings.             |
          |---------------+--------------------------------------------|
          |      \S2      | Displays line and host interface,          |
          |               | protocol, and result code/speaker command  |
          |               | settings.                                  |
          |---------------+--------------------------------------------|
          |      \S3      | Displays host interface, protocol, and     |
          |               | result code/speaker command settings.      |
          |---------------+--------------------------------------------|
          |      \S4      | Displays host interface and result         |
          |               | code/speaker command settings.             |
          |---------------+--------------------------------------------|
          |      \S5      | Displays result code/speaker command       |
          |               | settings.                                  |
          +------------------------------------------------------------+
       
          +------------------------------------------------------------+
          |                  DISPLAY FIRMWARE VERSION                  |
          |------------------------------------------------------------|
          | Type:        | Immediate                                   |
          |--------------+---------------------------------------------|
          | Format:      | AT [cmds] %V [cmds]                         |
          |--------------+---------------------------------------------|
          | Description: | Displays the current firmware version.      |
          +------------------------------------------------------------+
       
          +------------------------------------------------------------+
          |                    DISPLAY INFORMATION                     |
          |------------------------------------------------------------|
          | Type:        | Immediate                                   |
          |--------------+---------------------------------------------|
          | Format:      | AT [cmds] In [cmds]                         |
          |--------------+---------------------------------------------|
          | Description: | Displays information requested about the    |
          |              | modem.                                      |
          |--------------+---------------------------------------------|
          |   Command    |                  Function                   |
          |--------------+---------------------------------------------|
          |      I0      | Displays product identification code.       |
          |--------------+---------------------------------------------|
          |      I1      | Displays ROM checksum.                      |
          |--------------+---------------------------------------------|
          |      I2      | Tests and displays ROM checksum result.     |
          |--------------+---------------------------------------------|
          |      I3      | Displays firmware revision.                 |
          |--------------+---------------------------------------------|
          |      I4      | Displays configuration.                     |
          |--------------+---------------------------------------------|
          |      I5      | Displays serial number.                     |
          |--------------+---------------------------------------------|
          |      I6      | Displays product name.                      |
          |--------------+---------------------------------------------|
          |      I7      | Displays result of power-up self-test.      |
          |--------------+---------------------------------------------|
          |      I9      | Displays Plug-N-Play information.           |
          +------------------------------------------------------------+
       
          +------------------------------------------------------------+
          |                     DISPLAY REGISTERS                      |
          |------------------------------------------------------------|
          | Type:        | Immediate                                   |
          |--------------+---------------------------------------------|
          | Format:      | AT [cmds] %R [cmds]                         |
          |--------------+---------------------------------------------|
          | Description: | Displays all status registers.              |
          +------------------------------------------------------------+
       
          +------------------------------------------------------------+
          |                   DISPLAY STORED NUMBERS                   |
          |------------------------------------------------------------|
          | Type:        | Immediate                                   |
          |--------------+---------------------------------------------|
          | Format:      | AT [cmds] \F [cmds]                         |
          |--------------+---------------------------------------------|
          | Description: | Displays all stored telephone numbers.      |
          +------------------------------------------------------------+
       
          +------------------------------------------------------------+
          |                    DSR AND CTS SIGNALS                     |
          |------------------------------------------------------------|
          | Type:        | Configuration                               |
          |--------------+---------------------------------------------|
          | Format:      | AT [cmds] \Dn [cmds]                        |
          |--------------+---------------------------------------------|
          | Description: | Controls the behaviour of the DSR and CTS   |
          |              | signals.                                    |
          |--------------+---------------------------------------------|
          |   Command    |                  Function                   |
          |--------------+---------------------------------------------|
          |    í \D0     | DSR and CTS forced high.                    |
          |--------------+---------------------------------------------|
          |     \D1      | DSR normal, CTS forced high.                |
          |--------------+---------------------------------------------|
          |     \D2      | DSR forced high, CTS follow CD.             |
          |--------------+---------------------------------------------|
          |     \D3      | DSR normal, CTS forced high.                |
          +------------------------------------------------------------+
       
          +------------------------------------------------------------+
          |                        DTR DIALING                         |
          |------------------------------------------------------------|
          | Type:        | Configuration                               |
          |--------------+---------------------------------------------|
          | Format:      | AT [cmds] $Dn [cmds]                        |
          |--------------+---------------------------------------------|
          | Description: | Selects whether the modem will use DTR      |
          |              | dialing.                                    |
          |--------------+---------------------------------------------|
          |   Command    |                  Function                   |
          |--------------+---------------------------------------------|
          |    í $D0     | DTR dialing disabled.                       |
          |--------------+---------------------------------------------|
          |     $D1      | DTR dialing enabled.                        |
          +------------------------------------------------------------+
       
          +------------------------------------------------------------+
          |               EXTENDED RESULT CODE SELECTION               |
          |------------------------------------------------------------|
          | Type:        | Configuration                               |
          |--------------+---------------------------------------------|
          | Format:      | AT [cmds] -Mn [cmds]                        |
          |--------------+---------------------------------------------|
          | Description: | Selects whether the modem will use the \V   |
          |              | command to select extended result codes.    |
          |--------------+---------------------------------------------|
          |   Command    |                  Function                   |
          |--------------+---------------------------------------------|
          |    í -M0     | Modem uses \V command to select extended    |
          |              | result codes.                               |
          |--------------+---------------------------------------------|
          |     -M1      | Modem always displays extended result       |
          |              | codes.                                      |
          +------------------------------------------------------------+
       
          +------------------------------------------------------------+
          |                   EXTENDED RESULT CODES                    |
          |------------------------------------------------------------|
          | Type:        | Configuration                               |
          |--------------+---------------------------------------------|
          | Format:      | AT [cmds] \Vn [cmds]                        |
          |--------------+---------------------------------------------|
          | Description: | Selects extended result codes.              |
          |--------------+---------------------------------------------|
          |   Command    |                  Function                   |
          |--------------+---------------------------------------------|
          |     \V0      | Extended result codes disabled.             |
          |--------------+---------------------------------------------|
          |     \V1      | /REL extended result codes enabled.         |
          |--------------+---------------------------------------------|
          |     \V2      | LAPM and MNP extended result codes enabled. |
          |--------------+---------------------------------------------|
          |    í \V8     | V.42bis, MNP5, and modulation protocol (if  |
          |              | selected with S96) extended result codes    |
          |              | enabled.                                    |
          +------------------------------------------------------------+
       
          +------------------------------------------------------------+
          |                    FLOW CONTROL OPTIONS                    |
          |------------------------------------------------------------|
          | Format:        | AT [cmds] S51=n [cmds]                    |
          |----------------+-------------------------------------------|
          | Default:       | 3                                         |
          |----------------+-------------------------------------------|
          | Range:         | 0 - 20                                    |
          |----------------+-------------------------------------------|
          | Description:   | Controls flow control type and XON/XOFF   |
          |                | pass-through.                             |
          |------------------------------------------------------------|
          |   Bit    | Value |                Function                 |
          |----------+-------+-----------------------------------------|
          |  2 - 0   |   000 | Flow control disabled.                  |
          |          |       |                                         |
          |          |   001 | Bidirectional XON/XOFF flow control     |
          |          |       | enabled.                                |
          |          |   010 |                                         |
          |          |       | CTS flow control by DCE enabled.        |
          |          | í 011 |                                         |
          |          |       | Bidirectional RTS/CTS flow control      |
          |          |   100 | enabled.                                |
          |          |       |                                         |
          |          |       | Unidirectional XON/XOFF flow control by |
          |          |       | DCE enabled.                            |
          |------------------------------------------------------------|
          |      3      |     0 | Not used.                            |
          |-------------+-------+--------------------------------------|
          |      4      |   í 0 | XON/XOFF signals trapped by local    |
          |             |       | modem.                               |
          |             |     1 |                                      |
          |             |       | XON/XOFF signals passed through by   |
          |             |       | local modem.                         |
          +------------------------------------------------------------+
       
          +------------------------------------------------------------+
          |                GUARD TONE AND CALLING TONE                 |
          |------------------------------------------------------------|
          | Type:        | Configuration                               |
          |--------------+---------------------------------------------|
          | Format:      | AT [cmds] &Gn [cmds]                        |
          |--------------+---------------------------------------------|
          | Description: | Commands the modem to transmit a calling    |
          |              | tone, and a guard tone in V.22 or V.22bis   |
          |              | modes.                                      |
          |--------------+---------------------------------------------|
          |   Command    |                  Function                   |
          |--------------+---------------------------------------------|
          |    í &G0     | Guard tone disabled, calling tone enabled.  |
          |--------------+---------------------------------------------|
          |     &G1      | 550Hz guard tone and calling tone enabled.  |
          |--------------+---------------------------------------------|
          |     &G2      | 1800Hz guard tone and calling tone enabled. |
          |--------------+---------------------------------------------|
          |     &G4      | Guard and calling tones disabled.           |
          |--------------+---------------------------------------------|
          |     &G5      | 550Hz guard tone enabled, calling tone      |
          |              | disabled.                                   |
          |--------------+---------------------------------------------|
          |     &G6      | 1800Hz guard tone enabled, calling tone     |
          |              | disabled.                                   |
          +------------------------------------------------------------+
       
          +------------------------------------------------------------+
          |            INVALID ESCAPE SEQUENCE RESULT CODE             |
          |------------------------------------------------------------|
          | Type:        | Configuration                               |
          |--------------+---------------------------------------------|
          | Format:      | AT [cmds] *Qn [cmds]                        |
          |--------------+---------------------------------------------|
          | Description: | Selects whether the modem will send a       |
          |              | CONNECT response when an invalid escape     |
          |              | sequence has been entered.                  |
          |--------------+---------------------------------------------|
          |   Command    |                  Function                   |
          |--------------+---------------------------------------------|
          |    í *Q0     | Modem will send CONNECT response.           |
          |--------------+---------------------------------------------|
          |     *Q1      | Modem will not send CONNECT response.       |
          +------------------------------------------------------------+
       
          +------------------------------------------------------------+
          |                         LINE SPEED                         |
          |------------------------------------------------------------|
          | Type:        | Configuration                               |
          |--------------+---------------------------------------------|
          | Format:      | AT [cmds] %Bnnnn [cmds]                     |
          |--------------+---------------------------------------------|
          | Description: | Sets the speed that the modem will attempt  |
          |              | to connect at.                              |
          |--------------+---------------------------------------------|
          |   Command    |                  Function                   |
          |--------------+---------------------------------------------|
          |    %B300     | Set speed to 300bps.                        |
          |--------------+---------------------------------------------|
          |    %B1200    | Set speed to 1200bps.                       |
          |--------------+---------------------------------------------|
          |  %B1200/75   | Set speed to 1200/75bps.                    |
          |--------------+---------------------------------------------|
          |  %B75/1200   | Set speed to 75/1200bps.                    |
          |--------------+---------------------------------------------|
          |    %B2400    | Set speed to 2400bps.                       |
          |--------------+---------------------------------------------|
          |    %B4800    | Set speed to 4800bps.                       |
          |--------------+---------------------------------------------|
          |    %B7200    | Set speed to 7200bps.                       |
          |--------------+---------------------------------------------|
          |    %B9600    | Set speed to 9600bps.                       |
          |--------------+---------------------------------------------|
          |   %B12000    | Set speed to 12Kbps.                        |
          |--------------+---------------------------------------------|
          |   %B14400    | Set speed to 14.4Kbps.                      |
          |--------------+---------------------------------------------|
          |   %B16800    | Set speed to 16.8Kbps.                      |
          |--------------+---------------------------------------------|
          |   %B19200    | Set speed to 19.2Kbps.                      |
          |--------------+---------------------------------------------|
          |   %B21600    | Set speed to 21.6Kbps.                      |
          |--------------+---------------------------------------------|
          |   %B24000    | Set speed to 24Kbps.                        |
          |--------------+---------------------------------------------|
          |   %B26400    | Set speed to 26.4Kbps.                      |
          |--------------+---------------------------------------------|
          |   %B28800    | Set speed to 28.8Kbps.                      |
          |--------------+---------------------------------------------|
          |   %B31200    | Set speed to 31.2Kbps.                      |
          |--------------+---------------------------------------------|
          |   %B33600    | Set speed to 33.6Kbps.                      |
          +------------------------------------------------------------+
       
          +------------------------------------------------------------+
          |             LOCAL SERIAL PORT SPEED - CURRENT              |
          |------------------------------------------------------------|
          | Format:           | AT [cmds] S93? [cmds]                  |
          |-------------------+----------------------------------------|
          | Default:          | Read-only                              |
          |-------------------+----------------------------------------|
          | Range:            | 0 - 16                                 |
          |-------------------+----------------------------------------|
          | Description:      | Returns a value indicating the current |
          |                   | local serial port speed.               |
          |------------------------------------------------------------|
          |    Bit    |    Value     |             Meaning             |
          |------------------------------------------------------------|
          |     4 - 0     |          00000 | DTE rate 300 bps          |
          |               |                |                           |
          |               |          00001 | DTE rate 300 bps          |
          |               |                |                           |
          |               |          00010 | DTE rate 300 bps          |
          |               |                |                           |
          |               |          00011 | DTE rate 300 bps          |
          |               |                |                           |
          |               |          00100 | DTE rate 600 bps          |
          |               |                |                           |
          |               |          00101 | DTE rate 1200 bps         |
          |               |                |                           |
          |               |          00110 | DTE rate 2400 bps         |
          |               |                |                           |
          |               |          00111 | DTE rate 4800 bps         |
          |               |                |                           |
          |               |          01000 | DTE rate 7200 bps         |
          |               |                |                           |
          |               |          01001 | DTE rate 9600 bps         |
          |               |                |                           |
          |               |          01010 | DTE rate 12,000 bps       |
          |               |                |                           |
          |               |          01011 | DTE rate 14,400 bps       |
          |               |                |                           |
          |               |          01100 | DTE rate 19,200 bps       |
          |               |                |                           |
          |               |          01101 | DTE rate 38,400 bps       |
          |               |                |                           |
          |               |          01110 | DTE rate 57,600 bps       |
          |               |                |                           |
          |               |          10000 | DTE rate 115,200 bps      |
          +------------------------------------------------------------+
       
          +------------------------------------------------------------+
          |              LOCAL SERIAL PORT SPEED MATCHING              |
          |------------------------------------------------------------|
          | Type:        | Configuration                               |
          |--------------+---------------------------------------------|
          | Format:      | AT [cmds] %Gn [cmds]                        |
          |--------------+---------------------------------------------|
          | Description: | Selects whether the speed of the modem’s    |
          |              | port will be changed to match the local     |
          |              | serial port, or if the user must do it by   |
          |              | hand.                                       |
          |------------------------------------------------------------|
          |    Command    |                  Function                  |
          |---------------+--------------------------------------------|
          |     í %G0     | Speed changed automatically.               |
          |---------------+--------------------------------------------|
          |      %G1      | User must change speed with %B command.    |
          +------------------------------------------------------------+
       
          +------------------------------------------------------------+
          |                 MANUAL DIALING DTR CHANGE                  |
          |------------------------------------------------------------|
          | Type:        | Configuration                               |
          |--------------+---------------------------------------------|
          | Format:      | AT [cmds] :Dn [cmds]                        |
          |--------------+---------------------------------------------|
          | Description: | Selects whether the modem will attempt to   |
          |              | connect to a manually dialed call when DTR  |
          |              | goes high.                                  |
          |--------------+---------------------------------------------|
          |   Command    |                  Function                   |
          |--------------+---------------------------------------------|
          |    í :D0     | Modem will not attempt to connect on high   |
          |              | DTR.                                        |
          |--------------+---------------------------------------------|
          |     :D1      | Modem will attempt to connect on high DTR.  |
          +------------------------------------------------------------+
       
          +------------------------------------------------------------+
          |                   RECEIVED SIGNAL LEVEL                    |
          |------------------------------------------------------------|
          | Type:        | Register                                    |
          |--------------+---------------------------------------------|
          | Format:      | AT [cmds] 65? [cmds]                        |
          |--------------+---------------------------------------------|
          | Default:     | Read-only                                   |
          |--------------+---------------------------------------------|
          | Range:       | 0 - 43                                      |
          |--------------+---------------------------------------------|
          | Unit:        | -1 dBm                                      |
          |--------------+---------------------------------------------|
          | Description: | Displays the current received signal level. |
          +------------------------------------------------------------+
       
          +------------------------------------------------------------+
          |                    REMOTE CONFIGURATION                    |
          |------------------------------------------------------------|
          | Type:        | Configuration                               |
          |--------------+---------------------------------------------|
          | Format:      | AT [cmds] *En [cmds]                        |
          |--------------+---------------------------------------------|
          | Description: | Selects whether the modem will accept       |
          |              | requests for remote configuration.          |
          |------------------------------------------------------------|
          |     Command      |                Function                 |
          |------------------+-----------------------------------------|
          |      í *E0       | Remote configuration disabled.          |
          |------------------+-----------------------------------------|
          |       *E1        | Remote configuration enabled.           |
          +------------------------------------------------------------+
       
          +------------------------------------------------------------+
          |               REMOTE CONFIGURATION CHARACTER               |
          |------------------------------------------------------------|
          | Type:        | Register                                    |
          |--------------+---------------------------------------------|
          | Format:      | AT [cmds] S34=n [cmds]                      |
          |--------------+---------------------------------------------|
          | Default:     | 42                                          |
          |--------------+---------------------------------------------|
          | Range:       | 0 - 126                                     |
          |--------------+---------------------------------------------|
          | Unit:        | 1 ASCII character                           |
          |--------------+---------------------------------------------|
          | Description: | Defines the character that, when sent four  |
          |              | times within the guard time set by S12,     |
          |              | will notify the remote modem that a remote  |
          |              | configuration session has been requested.   |
          +------------------------------------------------------------+
       
          +------------------------------------------------------------+
          |                 REMOTE CONFIGURATION EXIT                  |
          |------------------------------------------------------------|
          | Type:        | Immediate                                   |
          |--------------+---------------------------------------------|
          | Format:      | AT [cmds] *X [cmds]                         |
          |--------------+---------------------------------------------|
          | Description: | Exits the remote configuration session and  |
          |              | discards the changes that have been made.   |
          +------------------------------------------------------------+
       
          +------------------------------------------------------------+
          |                 REMOTE CONFIGURATION SAVE                  |
          |------------------------------------------------------------|
          | Type:        | Immediate                                   |
          |--------------+---------------------------------------------|
          | Format:      | AT [cmds] *U [cmds]                         |
          |--------------+---------------------------------------------|
          | Description: | Saves the changes that have been made to    |
          |              | the remote configuration.                   |
          +------------------------------------------------------------+
       
          +------------------------------------------------------------+
          |                        RESULT CODES                        |
          |------------------------------------------------------------|
          | Type:        | Configuration                               |
          |--------------+---------------------------------------------|
          | Format:      | AT [cmds] Qn [cmds]                         |
          |--------------+---------------------------------------------|
          | Description: | Enables modem to send result codes to the   |
          |              | DTE.                                        |
          |--------------+---------------------------------------------|
          |   Command    |                  Function                   |
          |--------------+---------------------------------------------|
          |     í Q0     | Result codes enabled.                       |
          |--------------+---------------------------------------------|
          |      Q1      | Result codes disabled.                      |
          |--------------+---------------------------------------------|
          |      Q2      | Result codes disabled in answer mode.       |
          +------------------------------------------------------------+
       
          +------------------------------------------------------------+
          |                         RING DELAY                         |
          |------------------------------------------------------------|
          | Type:        | Register                                    |
          |--------------+---------------------------------------------|
          | Format:      | AT [cmds] S99=n [cmds]                      |
          |--------------+---------------------------------------------|
          | Default:     | 10 - 255                                    |
          |--------------+---------------------------------------------|
          | Range:       | 50                                          |
          |--------------+---------------------------------------------|
          | Unit:        | .1 second                                   |
          |--------------+---------------------------------------------|
          | Description: | Sets the maximum delay between incoming     |
          |              | ring signals.                               |
          +------------------------------------------------------------+
       
          +------------------------------------------------------------+
          |                      RTS TO CTS DELAY                      |
          |------------------------------------------------------------|
          | Type:        | Register                                    |
          |--------------+---------------------------------------------|
          | Format:      | AT [cmds] S39=n [cmds]                      |
          |--------------+---------------------------------------------|
          | Default:     | 3                                           |
          |--------------+---------------------------------------------|
          | Range:       | 0 - 255                                     |
          |--------------+---------------------------------------------|
          | Unit:        | 10 mS                                       |
          |--------------+---------------------------------------------|
          | Description: | In half-duplex mode, sets the amount of     |
          |              | time that must elapse after an RTS state    |
          |              | change before CTS is set to follow.         |
          +------------------------------------------------------------+
       
          +------------------------------------------------------------+
          |                   SECURITY - ACCESS MODE                   |
          |------------------------------------------------------------|
          | Type:        | Configuration                               |
          |--------------+---------------------------------------------|
          | Format:      | AT [cmds] $Sxxxxx [cmds]                    |
          |--------------+---------------------------------------------|
          | Description: | Sets the access mode for configuration      |
          |              | according to the options listed below.      |
          |--------------+---------------------------------------------|
          |    Option    |                   Meaning                   |
          |--------------+---------------------------------------------|
          |      A       | All commands that do not change the modem's |
          |              | memory are accessible.                      |
          |--------------+---------------------------------------------|
          |      W       | Commands that write to the modem's memory   |
          |              | are accessible.                             |
          |--------------+---------------------------------------------|
          |      I       | Incoming calls may be accepted. If this     |
          |              | option is not specified, the RING response  |
          |              | code is not sent.                           |
          |--------------+---------------------------------------------|
          |      O       | The modem may dial out.                     |
          |--------------+---------------------------------------------|
          |      P       | The password list may be displayed or       |
          |              | edited.                                     |
          +------------------------------------------------------------+
       
          +------------------------------------------------------------+
          |                SECURITY - CALLBACK PASSWORD                |
          |------------------------------------------------------------|
          | Type:             | Configuration                          |
          |------------------------------------------------------------|
          | Format:        | AT [cmds] $Pn;yyyy                        |
          |                |                                           |
          |                | AT [cmds] $Pn;bb;xxxx;<#>                 |
          |----------------+-------------------------------------------|
          | Description:   | Sets the information for the callback     |
          |                | password at location n. For the first     |
          |                | form of this command, yyyy indicates the  |
          |                | dialing prefix that will be used to dial  |
          |                | the number associated with this entry     |
          |                | (see second form). xxxx indicates the     |
          |                | password for this callback entry. The bb  |
          |                | sets the options for this entry according |
          |                | to the bitmap explained below.            |
          |------------------------------------------------------------|
          |  Bit   | Value  |                 Function                 |
          |--------+--------+------------------------------------------|
          |   0    |      0 | Entry inactive.                          |
          |        |        |                                          |
          |        |      1 | Entry active.                            |
          |------------------------------------------------------------|
          |    2, 1     | 00 | Password required for login.            |
          |             |    |                                         |
          |             | 01 | Password and phone number required for  |
          |             |    | login.                                  |
          |             | 10 |                                         |
          |             |    | Prompt for password; call user back at  |
          |             | 11 | stored number.                          |
          |             |    |                                         |
          |             |    | Prompt for password and phone number;   |
          |             |    | call user back at entered number.       |
          |-------------+----+-----------------------------------------|
          |      3      |  0 | Not used.                               |
          |-------------+----+-----------------------------------------|
          |    5, 4     | 00 | User may not perform remote             |
          |             |    | configuration.                          |
          |             | 01 |                                         |
          |             |    | User may perform read-only remote       |
          |             | 10 | configuration.                          |
          |             |    |                                         |
          |             |    | User may perform full access remote     |
          |             |    | configuration.                          |
          +------------------------------------------------------------+
       
          +------------------------------------------------------------+
          |                SECURITY - DISPLAY PASSWORDS                |
          |------------------------------------------------------------|
          | Type:        | Immediate                                   |
          |--------------+---------------------------------------------|
          | Format:      | AT [cmds] $R [cmds]                         |
          |--------------+---------------------------------------------|
          | Description: | Displays the callback password table.       |
          +------------------------------------------------------------+
       
          +------------------------------------------------------------+
          |                  SECURITY - MAIN PASSWORD                  |
          |------------------------------------------------------------|
          | Type:        | Configuration                               |
          |--------------+---------------------------------------------|
          | Format:      | AT [cmds] $Y [cmds]                         |
          |--------------+---------------------------------------------|
          | Description: | Changes the main security password. The     |
          |              | user will be prompted for the old and new   |
          |              | passwords. Passwords must be between four   |
          |              | and eight characters, case insensitive.     |
          +------------------------------------------------------------+
       
          +------------------------------------------------------------+
          |               SECURITY - PASSWORD WAIT TIME                |
          |------------------------------------------------------------|
          | Type:        | Register                                    |
          |--------------+---------------------------------------------|
          | Format:      | AT [cmds] S42=n [cmds]                      |
          |--------------+---------------------------------------------|
          | Default:     | 30                                          |
          |--------------+---------------------------------------------|
          | Range:       | 20 - 120                                    |
          |--------------+---------------------------------------------|
          | Unit:        | 1 second                                    |
          |--------------+---------------------------------------------|
          | Description: | Sets the amount of time that the modem will |
          |              | wait for a password to be entered.          |
          +------------------------------------------------------------+
       
          +------------------------------------------------------------+
          |                  SPEAKER ENABLED FOR RING                  |
          |------------------------------------------------------------|
          | Type:        | Register                                    |
          |--------------+---------------------------------------------|
          | Format:      | AT [cmds] S54=n [cmds]                      |
          |--------------+---------------------------------------------|
          | Description: | Selects whether the modem will emit a       |
          |              | ringing sound when an incoming call is      |
          |              | detected.                                   |
          |--------------+---------------------------------------------|
          |   Command    |                  Function                   |
          |--------------+---------------------------------------------|
          |   í S54=0    | Modem will not emit ringing sound.          |
          |--------------+---------------------------------------------|
          |    S54=1     | Modem will emit ringing sound.              |
          +------------------------------------------------------------+
       
          +------------------------------------------------------------+
          |        STORE ACTIVE PROFILE WITH EXTENDED REGISTERS        |
          |------------------------------------------------------------|
          | Type:        | Configuration                               |
          |--------------+---------------------------------------------|
          | Format:      | AT [cmds] *Wn [cmds]                        |
          |--------------+---------------------------------------------|
          | Description: | Writes the command settings with extended   |
          |              | S-registers for the active profile into the |
          |              | non-volatile RAM.                           |
          |--------------+---------------------------------------------|
          |   Command    |                  Function                   |
          |--------------+---------------------------------------------|
          |     *W0      | Write the active profile to stored profile  |
          |              | 0.                                          |
          |--------------+---------------------------------------------|
          |     *W1      | Write the active profile to stored profile  |
          |              | 1.                                          |
          +------------------------------------------------------------+
       
          +------------------------------------------------------------+
          |                   STORE TELEPHONE NUMBER                   |
          |------------------------------------------------------------|
          | Type:        | Configuration                               |
          |--------------+---------------------------------------------|
          | Format:      | AT [cmds] \Pn<#>                            |
          |--------------+---------------------------------------------|
          | Description: | Stores the telephone number indicated at    |
          |              | memory location n.                          |
          +------------------------------------------------------------+
       
          +------------------------------------------------------------+
          |                          V.8 MODE                          |
          |------------------------------------------------------------|
          | Type:        | Configuration                               |
          |--------------+---------------------------------------------|
          | Format:      | AT [cmds] %Mn [cmds]                        |
          |--------------+---------------------------------------------|
          | Description: | Selects whether the modem will use V.8 for  |
          |              | bit rate adaptation.                        |
          |--------------+---------------------------------------------|
          |   Command    |                  Function                   |
          |--------------+---------------------------------------------|
          |    í %M0     | V.8 adaptation enabled.                     |
          |--------------+---------------------------------------------|
          |     %M1      | V.8 adaptation disabled.                    |
          +------------------------------------------------------------+
       
          +------------------------------------------------------------+
          |                      V.34 BAUD RATES                       |
          |------------------------------------------------------------|
          | Type:        | Register                                    |
          |--------------+---------------------------------------------|
          | Format:      | AT [cmds] S63=n [cmds]                      |
          |--------------+---------------------------------------------|
          | Default:     | 0                                           |
          |--------------+---------------------------------------------|
          | Range:       | 0 - 61                                      |
          |--------------+---------------------------------------------|
          | Description: | Selects which baud rates may be used in     |
          |              | V.34 mode.                                  |
          |--------------+---------------------------------------------|
          | Bit  | Value |                  Function                   |
          |------+-------+---------------------------------------------|
          |  0   |   í 0 | 2400 baud rate enabled.                     |
          |      |       |                                             |
          |      |     1 | 2400 baud rate disabled.                    |
          |------+-------+---------------------------------------------|
          |  1   |     0 | Not used.                                   |
          |------+-------+---------------------------------------------|
          |  2   |   í 0 | 2800 baud rate enabled.                     |
          |      |       |                                             |
          |      |     1 | 2800 baud rate disabled.                    |
          |------+-------+---------------------------------------------|
          |  3   |   í 0 | 3000 baud rate enabled.                     |
          |      |       |                                             |
          |      |     1 | 3000 baud rate disabled.                    |
          |------+-------+---------------------------------------------|
          |  4   |   í 0 | 3200 baud rate enabled.                     |
          |      |       |                                             |
          |      |     1 | 3200 baud rate disabled.                    |
          |------+-------+---------------------------------------------|
          |  5   |   í 0 | 3429 baud rate enabled.                     |
          |      |       |                                             |
          |      |     1 | 3429 baud rate disabled.                    |
          +------------------------------------------------------------+
       
          +------------------------------------------------------------+
          |                  V.34 BAUD RATE - CURRENT                  |
          |------------------------------------------------------------|
          | Type:        | Register (read-only)                        |
          |--------------+---------------------------------------------|
          | Format:      | AT [cmds] S84? [cmds]                       |
          |--------------+---------------------------------------------|
          | Description: | Displays a number which indicates the baud  |
          |              | rate of the current V.34 connection.        |
          |--------------+---------------------------------------------|
          |    Value     |                   Meaning                   |
          |--------------+---------------------------------------------|
          |      0       | Current connection is 2400 baud.            |
          |--------------+---------------------------------------------|
          |      2       | Current connection is 2800 baud.            |
          |--------------+---------------------------------------------|
          |      3       | Current connection is 3000 baud.            |
          |--------------+---------------------------------------------|
          |      4       | Current connection is 3200 baud.            |
          |--------------+---------------------------------------------|
          |      5       | Current connection is 3429 baud.            |
          +------------------------------------------------------------+
       
          +------------------------------------------------------------+
          |                       V.100 FALLBACK                       |
          |------------------------------------------------------------|
          | Type:        | Configuration                               |
          |--------------+---------------------------------------------|
          | Format:      | AT [cmds] %Ln [cmds]                        |
          |--------------+---------------------------------------------|
          | Description: | Selects whether the modem will use V.100    |
          |              | for fallback operations.                    |
          |--------------+---------------------------------------------|
          |   Command    |                  Function                   |
          |--------------+---------------------------------------------|
          |     %L0      | Non-V.100 fallback enabled.                 |
          |--------------+---------------------------------------------|
          |    í %L1     | V.100 fallback enabled.                     |
          |--------------+---------------------------------------------|
          |     %L2      | Fallback disabled.                          |
          |--------------+---------------------------------------------|
          |     %L3      | V.100 fallback enabled.                     |
          +------------------------------------------------------------+
       
          +------------------------------------------------------------+
          |                     VOICE DATA FORMAT                      |
          |------------------------------------------------------------|
          | Type:        | Configuration                               |
          |--------------+---------------------------------------------|
          | Format:      | AT [cmds] S229=n [cmds]                     |
          |--------------+---------------------------------------------|
          | Description: | Selects the format of voice data the modem  |
          |              | will use.                                   |
          |--------------+---------------------------------------------|
          |   Command    |                  Function                   |
          |--------------+---------------------------------------------|
          |   í S229=0   | Modem will use new voice format.            |
          |--------------+---------------------------------------------|
          |    S229=1    | Modem will use old voice format.            |
          +------------------------------------------------------------+