(TXT) View Source
       
       # ESCOM AG
       
          ESFAXMODINT 14.4
       
          Card Type                    Modem (asynchronous)              
          Chip Set                     Rockwell                          
          Maximum Data Rate            14.4Kbps                          
          Maximum Fax Rate             14.4Kbps                          
          Data Bus                     8-bit ISA                         
          Fax Class                    Unidentified                      
          Data Modulation Protocol     Unidentified                      
          Fax Modulation Protocol      Unidentified                      
          Error Correction/Compression Unidentified                      
       
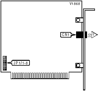
 (IMG) IMG 1
          
       
          +------------------------------------------------------------+
          |                        CONNECTIONS                         |
          |------------------------------------------------------------|
          |              Function              |         Label         |
          |------------------------------------------------------------|
          | Line out                             |         CN1         |
          +------------------------------------------------------------+
       
          +------------------------------------------------------------+
          |                    SERIAL PORT ADDRESS                     |
          |------------------------------------------------------------|
          |    Setting    |   JP1/1   |  JP1/2   |  JP1/4   |  JP1/6   |
          |---------------+-----------+----------+----------+----------|
          |  COM1 (3F8h)  |   Open    |  Closed  |  Closed  |   Open   |
          |---------------+-----------+----------+----------+----------|
          | í COM2 (2F8h) |   Open    |  Closed  |   Open   |  Closed  |
          |---------------+-----------+----------+----------+----------|
          |  COM3 (3E8h)  |  Closed   |   Open   |  Closed  |   Open   |
          |---------------+-----------+----------+----------+----------|
          |  COM4 (2E8h)  |  Closed   |   Open   |   Open   |  Closed  |
          +------------------------------------------------------------+
       
          +------------------------------------------------------------+
          |                         INTERRUPT                          |
          |------------------------------------------------------------|
          |  Setting   |   JP1/3   |   JP1/5   |   JP1/7   |   JP1/8   |
          |------------+-----------+-----------+-----------+-----------|
          |    í 3     |   Open    |  Closed   |   Open    |   Open    |
          |------------+-----------+-----------+-----------+-----------|
          |     4      |  Closed   |   Open    |   Open    |   Open    |
          |------------+-----------+-----------+-----------+-----------|
          |     5      |   Open    |   Open    |  Closed   |   Open    |
          |------------+-----------+-----------+-----------+-----------|
          |     7      |   Open    |   Open    |   Open    |  Closed   |
          +------------------------------------------------------------+