(TXT) View Source
       
       # E-TECH RESEARCH, INC.
       
          UFOMATE P1496MX (REV. 4)
       
          Card Type              Modem(asynchronous)                     
          Chip Set               Unidentified                            
          Maximum Data Rate      14.4Kbps                                
          Maximum Fax Rate       9600bps                                 
          Data Bus               External                                
          Fax Class              Class I & II                            
          Data Modulation        Bell 103A/212A                          
          Protocol                                                       
                                 ITU-T V.21, V.22, V.22bis, V.23, V.32,  
                                 V.32bis                                 
          Fax Modulation         ITU-T V.21CH2, V.27ter, V.29            
          Protocol               
          Error                  MNP5, V.42, V.42bis                     
          Correction/Compression 
       
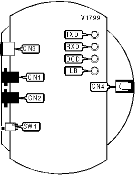
 (IMG) IMG 1
          
       
          +------------------------------------------------------------+
          |                        CONNECTIONS                         |
          |------------------------------------------------------------|
          |       Function        | Label  |   Function    |   Label   |
          |------------------------------------------------------------|
          | Line in                   |   CN1    | Power in     | CN4  |
          |---------------------------+----------+--------------+------|
          | Line out                  |   CN2    | Power switch | SW1  |
          |---------------------------+----------+--------------+------|
          | RS-232/422                |   CN3    |              |      |
          +------------------------------------------------------------+
       
          +------------------------------------------------------------+
          |                     DIAGNOSTIC LED(S)                      |
          |------------------------------------------------------------|
          | LED | Color | Status |              Condition              |
          |-----+-------+--------+-------------------------------------|
          | TXD |  Red  |   On   |     Modem is transmitting data      |
          |-----+-------+--------+-------------------------------------|
          | TXD |  Red  |  Off   |   Modem is not transmitting data    |
          |-----+-------+--------+-------------------------------------|
          | RXD |  Red  |   On   |       Modem is receiving data       |
          |-----+-------+--------+-------------------------------------|
          | RXD |  Red  |  Off   |     Modem is not receiving data     |
          |-----+-------+--------+-------------------------------------|
          | DCD |  Red  |   On   |       Carrier signal detected       |
          |-----+-------+--------+-------------------------------------|
          | DCD |  Red  |  Off   |     Carrier signal not detected     |
          |-----+-------+--------+-------------------------------------|
          | LB  |  Red  |   On   |  Battery is low (ten minutes power  |
          |     |       |        |             remaining)              |
          |-----+-------+--------+-------------------------------------|
          | LB  |  Red  |  Off   |          Normal operation           |
          +------------------------------------------------------------+
       
                            Proprietary AT Command Set
       
                  See document V1798 for a full command summary.