(TXT) View Source
       
       # ENTRE COMPUTER CENTER
       
          ENTRE 2400B
       
          Modem Type               Data (asynchronous)                   
          Maximum Data Rate        2400bps                               
          Data Bus                 8-bit ISA                             
          Data Modulation Protocol Unidentified                          
       
 (IMG) IMG 1
          
       
          +------------------------------------------------------------+
          |                        CONNECTIONS                         |
          |------------------------------------------------------------|
          |      Purpose      | Location |     Purpose      | Location |
          |-------------------+----------+------------------+----------|
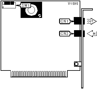
          | Line out          |   CN1    | Line in          |   CN2    |
          +------------------------------------------------------------+
       
          +------------------------------------------------------------+
          |                 SERIAL PORT CONFIGURATION                  |
          |------------------------------------------------------------|
          |      Port      |     IRQ     |    SW1/3     |    SW1/4     |
          |----------------+-------------+--------------+--------------|
          | COM1: (3F8h)   |      4      |      On      |     Off      |
          |----------------+-------------+--------------+--------------|
          | » COM2: (2F8h) |      3      |     Off      |     Off      |
          |----------------+-------------+--------------+--------------|
          | COM3: (3E8h)   |      4      |      On      |      On      |
          |----------------+-------------+--------------+--------------|
          | COM4: (2E8h)   |      3      |     Off      |      On      |
          +------------------------------------------------------------+
       
          +------------------------------------------------------------+
          |                        AUTO ANSWER                         |
          |------------------------------------------------------------|
          | Setting                              |        SW1/2        |
          |--------------------------------------+---------------------|
          | » Auto answer enabled                |         Off         |
          |--------------------------------------+---------------------|
          | Auto answer disabled                 |         On          |
          |------------------------------------------------------------|
          | Note: S14 holds the state of this switch at the time power |
          | turned on, or if a reset command is enabled.               |
          +------------------------------------------------------------+
       
          +------------------------------------------------------------+
          |                            DTR                             |
          |------------------------------------------------------------|
          | Setting                       |           SW1/1            |
          |-------------------------------+----------------------------|
          | » DTR normal                  |            Off             |
          |-------------------------------+----------------------------|
          | DTR forced high               |             On             |
          +------------------------------------------------------------+
       
          +------------------------------------------------------------+
          |                         CD SIGNAL                          |
          |------------------------------------------------------------|
          | Setting                       |           SW1/5            |
          |-------------------------------+----------------------------|
          | » CD normal                   |            Off             |
          |-------------------------------+----------------------------|
          | CD forced high                |             On             |
          +------------------------------------------------------------+
       
          +------------------------------------------------------------+
          |                    SLOT 8 INSTALLATION                     |
          |------------------------------------------------------------|
          | Setting                       |           SW1/6            |
          |-------------------------------+----------------------------|
          | » Normal installation         |            Off             |
          |-------------------------------+----------------------------|
          | IBM XT slot 8 installation    |             On             |
          +------------------------------------------------------------+
       
                            Proprietary AT Command Set
       
          +------------------------------------------------------------+
          |                  BIT-MAPPED REGISTER S13                   |
          |------------------------------------------------------------|
          | Format        | AT [cmds] S13? [cmds]                      |
          |---------------+--------------------------------------------|
          | Example:      | ATS13?<CR>                                 |
          |---------------+--------------------------------------------|
          | Default:      | Read-only                                  |
          |---------------+--------------------------------------------|
          | Range:        | 0 - 222                                    |
          |---------------+--------------------------------------------|
          | Unit:         | Bit-mapped                                 |
          |---------------+--------------------------------------------|
          | Description:  | Displays extended result codes, parity,    |
          |               | data bits, and buffer overrflow.           |
          |------------------------------------------------------------|
          |   Bit   | Value |                 Function                 |
          |---------+-------+------------------------------------------|
          |    0    | 0     | Not used.                                |
          |---------+-------+------------------------------------------|
          |    1    | 0 1   | Extended result codes disabled.          |
          |         |       |                                          |
          |         |       | Extended result codes enabled.           |
          |---------+-------+------------------------------------------|
          |    2    | 0 1   | Parity disabled.                         |
          |         |       |                                          |
          |         |       | Parity enabled.                          |
          |---------+-------+------------------------------------------|
          |    3    | 0 1   | Odd parity.                              |
          |         |       |                                          |
          |         |       | Even parity.                             |
          |---------+-------+------------------------------------------|
          |    4    | 0 1   | 7 data bits.                             |
          |         |       |                                          |
          |         |       | 8 data bits.                             |
          |---------+-------+------------------------------------------|
          |    5    |  N/A  | Not used.                                |
          |---------+-------+------------------------------------------|
          |    6    | 0 1   | Buffer is not full.                      |
          |         |       |                                          |
          |         |       | Buffer overflow; ERROR result code sent. |
          |---------+-------+------------------------------------------|
          |    7    | 0 1   | Space parity.                            |
          |         |       |                                          |
          |         |       | Mark parity.                             |
          +------------------------------------------------------------+
       
          +------------------------------------------------------------+
          |                  BIT-MAPPED REGISTER S14                   |
          |------------------------------------------------------------|
          | Format         | AT [cmds] S14? [cmds]                     |
          |----------------+-------------------------------------------|
          | Example:       | ATS14?<CR>                                |
          |----------------+-------------------------------------------|
          | Default:       | Read-only                                 |
          |----------------+-------------------------------------------|
          | Range:         | 0 - 239                                   |
          |----------------+-------------------------------------------|
          | Unit:          | Bit-mapped                                |
          |----------------+-------------------------------------------|
          | Description:   | Displays the state of SW1/2, echo, result |
          |                | codes, tone/pulse dial, and speaker.      |
          |------------------------------------------------------------|
          |   Bit    | Value |                Function                 |
          |----------+-------+-----------------------------------------|
          |    0     | 0 1   | SW1/2 off (Auto-answer).                |
          |          |       |                                         |
          |          |       | SW1/2 on(Auto-answer).                  |
          |----------+-------+-----------------------------------------|
          |    1     | 0 1   | Echo disabled.                          |
          |          |       |                                         |
          |          |       | Echo enabled.                           |
          |----------+-------+-----------------------------------------|
          |    2     | 0 1   | Result codes enabled.                   |
          |          |       |                                         |
          |          |       | Result codes disabled.                  |
          |----------+-------+-----------------------------------------|
          |    3     | 0 1   | Numeric result codes.                   |
          |          |       |                                         |
          |          |       | Verbose result codes.                   |
          |----------+-------+-----------------------------------------|
          |    4     | 0     | Not used.                               |
          |----------+-------+-----------------------------------------|
          |    5     | 0 1   | Tone dial                               |
          |          |       |                                         |
          |          |       | Pulse dial                              |
          |----------+-------+-----------------------------------------|
          |    6     | 0 1   | Speaker disabled                        |
          |          |       |                                         |
          |          |       | Speaker enabled until carrier signal is |
          |          |       | detected.                               |
          |----------+-------+-----------------------------------------|
          |    7     | 0 1   | Speaker disabled.                       |
          |          |       |                                         |
          |          |       | Speaker enabled.                        |
          +------------------------------------------------------------+
       
          +------------------------------------------------------------+
          |                  BIT-MAPPED REGISTER S15                   |
          |------------------------------------------------------------|
          | Format             | AT [cmds] S15? [cmds]                 |
          |--------------------+---------------------------------------|
          | Example:           | ATS15?<CR>                            |
          |--------------------+---------------------------------------|
          | Default:           | Read-only                             |
          |--------------------+---------------------------------------|
          | Range:             | 0 - 127                               |
          |--------------------+---------------------------------------|
          | Unit:              | Bit-mapped                            |
          |--------------------+---------------------------------------|
          | Description:       | Displays baud rate, answer/originate, |
          |                    | duplex, CD signal.                    |
          |------------------------------------------------------------|
          |    Bit    | Value                |        Function         |
          |-----------+----------------------+-------------------------|
          |   1, 0    | 00 01 10 11          | 2400bps.                |
          |           |                      |                         |
          |           |                      | 110bps.                 |
          |           |                      |                         |
          |           |                      | 300bps.                 |
          |           |                      |                         |
          |           |                      | 1200bps.                |
          |-----------+----------------------+-------------------------|
          |     2     |          0           | Answer mode.            |
          |           |                      |                         |
          |           |          1           | Originate mode.         |
          |-----------+----------------------+-------------------------|
          |     3     |          0           | Half duplex.            |
          |           |                      |                         |
          |           |          1           | Full duplex.            |
          |-----------+----------------------+-------------------------|
          |   5, 4    | 00 01 10 11          | 2400bps.                |
          |           |                      |                         |
          |           |                      | 110bps.                 |
          |           |                      |                         |
          |           |                      | 300bps.                 |
          |           |                      |                         |
          |           |                      | 1200bps.                |
          |-----------+----------------------+-------------------------|
          |     6     |          0           | CD normal.              |
          |           |                      |                         |
          |           |          1           | CD forced high.         |
          +------------------------------------------------------------+
       
          +------------------------------------------------------------+
          |                         TEST MODES                         |
          |------------------------------------------------------------|
          | Format        | AT [cmds] S16? [cmds]                      |
          |---------------+--------------------------------------------|
          | Example:      | ATS16?<CR>                                 |
          |---------------+--------------------------------------------|
          | Default:      | Read-only                                  |
          |---------------+--------------------------------------------|
          | Range:        | 0-125                                      |
          |---------------+--------------------------------------------|
          | Unit:         | Bit-mapped                                 |
          |---------------+--------------------------------------------|
          | Description:  | Controls loopback tests, analog, digital,  |
          |               | remote digital, and self tests.            |
          |------------------------------------------------------------|
          |   Bit   | Value |                 Function                 |
          |---------+-------+------------------------------------------|
          |    0    |   0   | Local analog loopback not in progress.   |
          |         |       |                                          |
          |         |   1   | Local analog loopback in progress.       |
          |---------+-------+------------------------------------------|
          |    1    |   0   | Not used.                                |
          |---------+-------+------------------------------------------|
          |    2    |   0   | Local digital loopback not in progress.  |
          |         |       |                                          |
          |         |   1   | Local digital loopback in progress.      |
          |---------+-------+------------------------------------------|
          |    3    |   0   | Modem not in remote digital loopback.    |
          |         |       |                                          |
          |         |   1   | Remote digital loopback in progress.     |
          |---------+-------+------------------------------------------|
          |    4    |   0   | Remote digital loopback not requested.   |
          |         |       |                                          |
          |         |   1   | Remote digital loopback requested.       |
          |---------+-------+------------------------------------------|
          |    5    |   0   | Remote digital loopback w/ self-test not |
          |         |       | in progress.                             |
          |         |   1   |                                          |
          |         |       | Remote digital loopback w/ self-test in  |
          |         |       | progress.                                |
          |---------+-------+------------------------------------------|
          |    6    |   0   | Local analog loopback w/ self-test not   |
          |         |       | in progress.                             |
          |         |   1   |                                          |
          |         |       | Local analog loopback w/ self-test in    |
          |         |       | progress.                                |
          +------------------------------------------------------------+