(TXT) View Source
       
       # 3COM CORPORATION
       
          PASSWORD 300 MODEM
       
          Modem Type               Data (synchronous/asynchronous)       
          Maximum Data Rate        300bps                                
          Data Bus                 External                              
          Data Modulation Protocol Bell 103A/212A                        
       
 (IMG) IMG 1
          
       
          +------------------------------------------------------------+
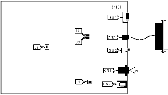
          |                        CONNECTIONS                         |
          |------------------------------------------------------------|
          |     Purpose     | Location |      Purpose       | Location |
          |-----------------+----------+--------------------+----------|
          | Line in         |   CN1    | RS-232/422         |   CN3    |
          |-----------------+----------+--------------------+----------|
          | DC power        |   CN2    | Power switch       |   SW2    |
          +------------------------------------------------------------+
       
          +------------------------------------------------------------+
          |                      CHARACTER LENGTH                      |
          |------------------------------------------------------------|
          | Setting                       |             J2             |
          |-------------------------------+----------------------------|
          | » 10-bit                      |            Off             |
          |-------------------------------+----------------------------|
          | 11-bit                        |             On             |
          +------------------------------------------------------------+
       
          +------------------------------------------------------------+
          |                TRANSMIT AND RECEIVE SIGNAL                 |
          |------------------------------------------------------------|
          | Setting            |        J3         |        J4         |
          |--------------------+-------------------+-------------------|
          | » Normal pin       | Pins 1 & 2 closed | Pins 1 & 2 closed |
          | assignment         |                   |                   |
          |--------------------+-------------------+-------------------|
          | Tx/Rx pins         | Pins 2 & 3 closed | Pins 2 & 3 closed |
          | reversed           |                   |                   |
          +------------------------------------------------------------+
       
          +------------------------------------------------------------+
          |                        AUTO ANSWER                         |
          |------------------------------------------------------------|
          | Setting                             |        SW1/1         |
          |-------------------------------------+----------------------|
          | » Modem answers on first ring       |         Off          |
          |-------------------------------------+----------------------|
          | Modem does not answer on first ring |          On          |
          +------------------------------------------------------------+
       
          +------------------------------------------------------------+
          |                       CARRIER DETECT                       |
          |------------------------------------------------------------|
          | Setting                       |           SW1/2            |
          |-------------------------------+----------------------------|
          | » CD normal                   |            Off             |
          |-------------------------------+----------------------------|
          | CD forced high                |             On             |
          +------------------------------------------------------------+
       
          +------------------------------------------------------------+
          |                         DTR SIGNAL                         |
          |------------------------------------------------------------|
          | Setting                       |           SW1/4            |
          |-------------------------------+----------------------------|
          | » DTR normal                  |            Off             |
          |-------------------------------+----------------------------|
          | DTR forced high               |             On             |
          +------------------------------------------------------------+
       
          +------------------------------------------------------------+
          |                FACTORY CONFIGURED SETTINGS                 |
          |------------------------------------------------------------|
          |            Jumper            |           Setting           |
          |------------------------------+-----------------------------|
          |            SW1/3             |             N/A             |
          |------------------------------+-----------------------------|
          |              J1              |             N/A             |
          +------------------------------------------------------------+