(TXT) View Source
       
       # 3COM CORPORATION
       
          PASSWORD MODEM
       
          Modem Type               Data (synchronous/asynchronous)       
          Maximum Data Rate        1200bps                               
          Data Bus                 External                              
          Data Modulation Protocol Bell 103A/212A                        
       
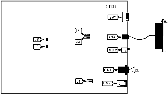
 (IMG) IMG 1
          
       
          +------------------------------------------------------------+
          |                        CONNECTIONS                         |
          |------------------------------------------------------------|
          |     Purpose     | Location |      Purpose       | Location |
          |-----------------+----------+--------------------+----------|
          | Line in         |   CN1    | RS-232/422         |   CN3    |
          |-----------------+----------+--------------------+----------|
          | DC power        |   CN2    | Power switch       |   SW2    |
          +------------------------------------------------------------+
       
          +------------------------------------------------------------+
          |                MULTILINE PHONE INSTALLATION                |
          |------------------------------------------------------------|
          | Setting                       |             J1             |
          |-------------------------------+----------------------------|
          | » Single line                 |            Off             |
          |-------------------------------+----------------------------|
          | Multiline                     |             On             |
          +------------------------------------------------------------+
       
          +------------------------------------------------------------+
          |                      CHARACTER LENGTH                      |
          |------------------------------------------------------------|
          | Setting                       |             J2             |
          |-------------------------------+----------------------------|
          | » 10-bit                      |            Off             |
          |-------------------------------+----------------------------|
          | 11-bit                        |             On             |
          +------------------------------------------------------------+
       
          +------------------------------------------------------------+
          |                TRANSMIT AND RECEIVE SIGNAL                 |
          |------------------------------------------------------------|
          | Setting            |        J3         |        J4         |
          |--------------------+-------------------+-------------------|
          | » Normal pin       | Pins 1 & 2 closed | Pins 1 & 2 closed |
          | assignment         |                   |                   |
          |--------------------+-------------------+-------------------|
          | Tx/Rx pins         | Pins 2 & 3 closed | Pins 2 & 3 closed |
          | reversed           |                   |                   |
          +------------------------------------------------------------+
       
          +------------------------------------------------------------+
          |                  ANLOG LOOPBACK TEST MODE                  |
          |------------------------------------------------------------|
          | Setting                    |              J5               |
          |----------------------------+-------------------------------|
          | » On                       |       Normal operation        |
          |----------------------------+-------------------------------|
          | Off                        |     Analog loopback mode      |
          +------------------------------------------------------------+
       
          +------------------------------------------------------------+
          |                        AUTO ANSWER                         |
          |------------------------------------------------------------|
          | Setting              |                SW1/1                |
          |----------------------+-------------------------------------|
          | » Off                |     Modem answers on first ring     |
          |----------------------+-------------------------------------|
          | On                   | Modem does not answer on first ring |
          +------------------------------------------------------------+
       
          +------------------------------------------------------------+
          |                       CARRIER DETECT                       |
          |------------------------------------------------------------|
          | Setting                    |             SW1/2             |
          |----------------------------+-------------------------------|
          | » Off                      |           CD normal           |
          |----------------------------+-------------------------------|
          | On                         |        CD forced high         |
          +------------------------------------------------------------+
       
          +------------------------------------------------------------+
          |                          PBX MODE                          |
          |------------------------------------------------------------|
          | Setting                 |              SW1/3               |
          |-------------------------+----------------------------------|
          | » Off                   | Normal dial up line equalization |
          |-------------------------+----------------------------------|
          | On                      |          PBX operation           |
          +------------------------------------------------------------+
       
          +------------------------------------------------------------+
          |                         DTR SIGNAL                         |
          |------------------------------------------------------------|
          | Setting                    |             SW1/4             |
          |----------------------------+-------------------------------|
          | » Off                      |          DTR normal           |
          |----------------------------+-------------------------------|
          | On                         |        DTR forced high        |
          +------------------------------------------------------------+