(TXT) View Source
       
       # IET STARTECH
       
          LANSTAR 2000A (V3.2)
       
          NIC Type              Ethernet                                 
          Network Transfer Rate 10Mbps                                   
          Data Bus              16-bit ISA                               
          Topology              Linear Bus, Star                         
          Wiring Type           Unshielded twisted pair                  
                                                                         
                                AUI transceiver via DB-15 port           
                                                                         
                                RG-58A/U 50ohm coaxial                   
          Boot ROM              Available                                
       
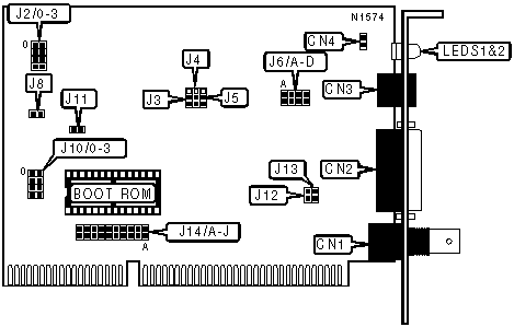
 (IMG) IMG 1
          
       
          +------------------------------------------------------------+
          |                        CONNECTIONS                         |
          |------------------------------------------------------------|
          |       Function        | Label |      Function      | Label |
          |-----------------------+-------+--------------------+-------|
          | RG-58A/U 50ohm        |  CN1  | Unshielded twisted |  CN3  |
          | coaxial               |       | pair               |       |
          |-----------------------+-------+--------------------+-------|
          | AUI transceiver via   |  CN2  | External LED       |  CN4  |
          | DB-15 port            |       | connector          |       |
          +------------------------------------------------------------+
       
          +------------------------------------------------------------+
          |                 USER CONFIGURABLE SETTINGS                 |
          |------------------------------------------------------------|
          |                Function                | Label | Position  |
          |----------------------------------------+-------+-----------|
          |   | SQE test function enabled          |  J3   | Pins 1 &  |
          |   |                                    |       | 2 closed  |
          |---+------------------------------------+-------+-----------|
          |   | SQE test function disabled         |  J3   | Pins 2 &  |
          |   |                                    |       | 3 closed  |
          |---+------------------------------------+-------+-----------|
          |   | Cable length normal                |  J4   | Pins 1 &  |
          |   |                                    |       | 2 closed  |
          |---+------------------------------------+-------+-----------|
          |   | Cable length extended              |  J4   | Pins 2 &  |
          |   |                                    |       | 3 closed  |
          |---+------------------------------------+-------+-----------|
          |   | Link test enabled                  |  J5   | Pins 2 &  |
          |   |                                    |       | 3 closed  |
          |---+------------------------------------+-------+-----------|
          |   | Link test disabled                 |  J5   | Pins 1 &  |
          |   |                                    |       | 2 closed  |
          |---+------------------------------------+-------+-----------|
          | » | Mainboard compatibility normal     |  J8   |   Open    |
          |---+------------------------------------+-------+-----------|
          |   |   Mainboard compatibility abnormal |  J8   |  Closed   |
          |---+------------------------------------+-------+-----------|
          |   |   NE1000 compatible                |  J11  |  Closed   |
          |---+------------------------------------+-------+-----------|
          |   |   NE2000 compatible                |  J11  |   Open    |
          +------------------------------------------------------------+
       
          +------------------------------------------------------------+
          |                 BASE I/O ADDRESS SELECTION                 |
          |------------------------------------------------------------|
          |   Address   |   J10/0   |   J10/1   |   J10/2   |  J10/3   |
          |-------------+-----------+-----------+-----------+----------|
          |   |  200h   |   Open    |  Closed   |  Closed   |  Closed  |
          |---+---------+-----------+-----------+-----------+----------|
          |   |  220h   |   Open    |  Closed   |  Closed   |   Open   |
          |---+---------+-----------+-----------+-----------+----------|
          |   |  240h   |   Open    |  Closed   |   Open    |  Closed  |
          |---+---------+-----------+-----------+-----------+----------|
          |   |  260h   |   Open    |  Closed   |   Open    |   Open   |
          |---+---------+-----------+-----------+-----------+----------|
          |   |  280h   |   Open    |   Open    |  Closed   |  Closed  |
          |---+---------+-----------+-----------+-----------+----------|
          |   |  2A0h   |   Open    |   Open    |  Closed   |   Open   |
          |---+---------+-----------+-----------+-----------+----------|
          |   |  2C0h   |   Open    |   Open    |   Open    |  Closed  |
          |---+---------+-----------+-----------+-----------+----------|
          | » |  300h   |  Closed   |  Closed   |  Closed   |  Closed  |
          |---+---------+-----------+-----------+-----------+----------|
          |   |  320h   |  Closed   |  Closed   |  Closed   |   Open   |
          |---+---------+-----------+-----------+-----------+----------|
          |   |  340h   |  Closed   |  Closed   |   Open    |  Closed  |
          |---+---------+-----------+-----------+-----------+----------|
          |   |  360h   |  Closed   |  Closed   |   Open    |   Open   |
          |---+---------+-----------+-----------+-----------+----------|
          |   |  380h   |  Closed   |   Open    |  Closed   |  Closed  |
          +------------------------------------------------------------+
       
       +-------------------------------------------------------------------------+
       |                           INTERRUPT SELECTION                           |
       |-------------------------------------------------------------------------|
       |IRQ|J14/A |J14/B |J14/C |J14/D |J14/E |J14/F |J14/G |J14/H |J14/I |J14/J |
       |---+------+------+------+------+------+------+------+------+------+------|
       | 2 |Closed| Open | Open | Open | Open | Open | Open | Open | Open | Open |
       |---+------+------+------+------+------+------+------+------+------+------|
       | 3 | Open |Closed| Open | Open | Open | Open | Open | Open | Open | Open |
       |---+------+------+------+------+------+------+------+------+------+------|
       | 4 | Open | Open |Closed| Open | Open | Open | Open | Open | Open | Open |
       |---+------+------+------+------+------+------+------+------+------+------|
       | 5 | Open | Open | Open |Closed| Open | Open | Open | Open | Open | Open |
       |---+------+------+------+------+------+------+------+------+------+------|
       | 7 | Open | Open | Open | Open |Closed| Open | Open | Open | Open | Open |
       |---+------+------+------+------+------+------+------+------+------+------|
       |10 | Open | Open | Open | Open | Open |Closed| Open | Open | Open | Open |
       |---+------+------+------+------+------+------+------+------+------+------|
       |11 | Open | Open | Open | Open | Open | Open |Closed| Open | Open | Open |
       |---+------+------+------+------+------+------+------+------+------+------|
       |12 | Open | Open | Open | Open | Open | Open | Open |Closed| Open | Open |
       |---+------+------+------+------+------+------+------+------+------+------|
       |14 | Open | Open | Open | Open | Open | Open | Open | Open |Closed| Open |
       |---+------+------+------+------+------+------+------+------+------+------|
       |15 | Open | Open | Open | Open | Open | Open | Open | Open | Open |Closed|
       +-------------------------------------------------------------------------+
       
          +------------------------------------------------------------+
          |                    CABLE TYPE SELECTION                    |
          |------------------------------------------------------------|
          |              Type               | J6/A-D |  J12   |  J13   |
          |---------------------------------+--------+--------+--------|
          |   | AUI transceiver via DB-15   |  Open  |  Open  | Closed |
          |   | port                        |        |        |        |
          |---+-----------------------------+--------+--------+--------|
          | » | RG-58A/U 50ohm coaxial      |  Open  | Closed |  Open  |
          |---+-----------------------------+--------+--------+--------|
          |   | Unshielded twisted pair     | Closed |  Open  |  Open  |
          +------------------------------------------------------------+
       
          +------------------------------------------------------------+
          |                   BOOT ROM CONFIGURATION                   |
          |------------------------------------------------------------|
          |             Setting             |           J2/3           |
          |---------------------------------+--------------------------|
          |    |          Enabled           |          Closed          |
          |----+----------------------------+--------------------------|
          | »  |          Disabled          |           Open           |
          +------------------------------------------------------------+
       
          +------------------------------------------------------------+
          |                   ROM ADDRESS SELECTION                    |
          |------------------------------------------------------------|
          |    Address    |     J2/0     |     J2/1     |     J2/2     |
          |---------------+--------------+--------------+--------------|
          |    C000:0h    |     Open     |     Open     |     Open     |
          |---------------+--------------+--------------+--------------|
          |    C400:0h    |     Open     |     Open     |    Closed    |
          |---------------+--------------+--------------+--------------|
          |    C800:0h    |     Open     |    Closed    |     Open     |
          |---------------+--------------+--------------+--------------|
          |    CC00:0h    |     Open     |    Closed    |    Closed    |
          |---------------+--------------+--------------+--------------|
          |    D000:0h    |    Closed    |     Open     |     Open     |
          |---------------+--------------+--------------+--------------|
          |    D400:0h    |    Closed    |     Open     |    Closed    |
          |---------------+--------------+--------------+--------------|
          |    D800:0h    |    Closed    |    Closed    |     Open     |
          |---------------+--------------+--------------+--------------|
          |    DC00:0h    |    Closed    |    Closed    |    Closed    |
          +------------------------------------------------------------+
       
          +------------------------------------------------------------+
          |                     DIAGNOSTIC LED(S)                      |
          |------------------------------------------------------------|
          | LED  | Color  |  Status   |           Condition            |
          |------+--------+-----------+--------------------------------|
          | LED1 | Yellow |    On     |   10Base-T polarity reversed   |
          |      |        |           |   when auto polarity enabled   |
          |------+--------+-----------+--------------------------------|
          | LED1 | Yellow |    Off    |    10Base-T polarity normal    |
          |------+--------+-----------+--------------------------------|
          | LED2 | Green  |   On or   |    During link test mode -     |
          |      |        | Blinking  | 10Base-T network connection is |
          |      |        |           |              good              |
          |------+--------+-----------+--------------------------------|
          | LED2 | Green  |   On or   | 10Base-T circuit is receiving  |
          |      |        | Blinking  |  data when link test function  |
          |      |        |           |            disabled            |
          |------+--------+-----------+--------------------------------|
          | LED2 | Green  |    Off    |  Network connection is broken  |
          |      |        |           |   or 10Base-T circuit is not   |
          |      |        |           |         receiving data         |
          |------------------------------------------------------------|
          | Note: The locations of LED1 and LED2 are unidentified.     |
          +------------------------------------------------------------+