(TXT) View Source
       
       # EDIMAX COMPUTER COMPANY
       
          1000A V2.4
       
          NIC Type         Ethernet                                      
          Transfer Rate    10Mbps                                        
          Data Bus         8-bit ISA                                     
          Topology         Star                                          
                                                                         
                           Linear Bus                                    
          Wiring Type      RG-58A/U 50ohm coaxial                        
                                                                         
                           Unshielded twisted pair                       
                                                                         
                           AUI transceiver via DB-15 port                
          Boot ROM         Available                                     
       
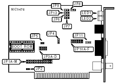
 (IMG) IMG 1
          
       
          +------------------------------------------------------------+
          |                      I/O BASE ADDRESS                      |
          |------------------------------------------------------------|
          |    Address     |     JP1A     |     JP1B     |    JP1C     |
          |----------------+--------------+--------------+-------------|
          | » |    300h    |    Closed    |    Closed    |   Closed    |
          |---+------------+--------------+--------------+-------------|
          |   |    320h    |    Closed    |    Closed    |    Open     |
          |---+------------+--------------+--------------+-------------|
          |   |    340h    |    Closed    |     Open     |   Closed    |
          |---+------------+--------------+--------------+-------------|
          |   |    360h    |    Closed    |     Open     |    Open     |
          +------------------------------------------------------------+
       
          +------------------------------------------------------------+
          |                     INTERRUPT SETTINGS                     |
          |------------------------------------------------------------|
          | IRQ  |  JP1D  |  JP1E  |  JP1F  |  JP1G  |  JP1H  |  JP1I  |
          |------+--------+--------+--------+--------+--------+--------|
          |  2   | Closed |  Open  |  Open  |  Open  |  Open  |  Open  |
          |------+--------+--------+--------+--------+--------+--------|
          |  3   |  Open  | Closed |  Open  |  Open  |  Open  |  Open  |
          |------+--------+--------+--------+--------+--------+--------|
          |  4   |  Open  |  Open  | Closed |  Open  |  Open  |  Open  |
          |------+--------+--------+--------+--------+--------+--------|
          |  5   |  Open  |  Open  |  Open  | Closed |  Open  |  Open  |
          |------+--------+--------+--------+--------+--------+--------|
          |  6   |  Open  |  Open  |  Open  |  Open  | Closed |  Open  |
          |------+--------+--------+--------+--------+--------+--------|
          |  7   |  Open  |  Open  |  Open  |  Open  |  Open  | Closed |
          +------------------------------------------------------------+
       
          +------------------------------------------------------------+
          |                        DMA CHANNEL                         |
          |------------------------------------------------------------|
          |    Channel     |   JP1J   |   JP1K   |   JP1L   |   JP1M   |
          |----------------+----------+----------+----------+----------|
          | » |  Disabled  |  Closed  |   Open   |  Closed  |   Open   |
          |---+------------+----------+----------+----------+----------|
          |   |    DMA1    |  Closed  |   Open   |  Closed  |   Open   |
          |---+------------+----------+----------+----------+----------|
          |   |    DMA3    |   Open   |  Closed  |   Open   |  Closed  |
          +------------------------------------------------------------+
       
          +------------------------------------------------------------+
          |                         CONNECTORS                         |
          |------------------------------------------------------------|
          |            Setting            |          Location          |
          |-------------------------------+----------------------------|
          |      External power LED.      |            JP2             |
          +------------------------------------------------------------+
       
          +------------------------------------------------------------+
          |                      BOOT ROM ADDRESS                      |
          |------------------------------------------------------------|
          |    Address    |   JP3A    |   JP3B   |   JP3C   |   JP3D   |
          |---------------+-----------+----------+----------+----------|
          |   |  C0000h   |  Closed   |  Closed  |  Closed  |  Closed  |
          |---+-----------+-----------+----------+----------+----------|
          |   |  C4000h   |   Open    |  Closed  |  Closed  |  Closed  |
          |---+-----------+-----------+----------+----------+----------|
          | » |  C8000h   |  Closed   |   Open   |  Closed  |  Closed  |
          |---+-----------+-----------+----------+----------+----------|
          |   |  CC000h   |   Open    |   Open   |  Closed  |  Closed  |
          |---+-----------+-----------+----------+----------+----------|
          |   |  D0000h   |  Closed   |  Closed  |   Open   |  Closed  |
          |---+-----------+-----------+----------+----------+----------|
          |   |  D4000h   |   Open    |  Closed  |   Open   |  Closed  |
          |---+-----------+-----------+----------+----------+----------|
          |   |  D8000h   |  Closed   |   Open   |   Open   |  Closed  |
          |---+-----------+-----------+----------+----------+----------|
          |   |  DC000h   |   Open    |   Open   |   Open   |  Closed  |
          +------------------------------------------------------------+
       
          +------------------------------------------------------------+
          |                         CABLE TYPE                         |
          |------------------------------------------------------------|
          |        Type         |    JP4     | JP10A-JP10F |   JP11    |
          |---------------------+------------+-------------+-----------|
          | » | RG-58A/U 50ohm  | Pins 2 & 3 |    Open     | Pins 2 &  |
          |   |     coaxial     |   Closed   |             | 3 Closed  |
          |---+-----------------+------------+-------------+-----------|
          |   | AUI transceiver | Pins 1 & 2 |    Open     | Pins 1 &  |
          |   | via DB-15 port  |   Closed   |             | 2 Closed  |
          |---+-----------------+------------+-------------+-----------|
          |   |   Unshielded    | Pins 1 & 2 |   Closed    | Pins 2 &  |
          |   |  twisted pair   |   Closed   |             | 3 Closed  |
          +------------------------------------------------------------+
       
          +------------------------------------------------------------+
          |                          BOOT ROM                          |
          |------------------------------------------------------------|
          |             Setting             |           JP5            |
          |---------------------------------+--------------------------|
          | » |          Disabled           |           Open           |
          |---+-----------------------------+--------------------------|
          |   |           Enabled           |          Closed          |
          +------------------------------------------------------------+
       
          +------------------------------------------------------------+
          |                        AUTOPOLARITY                        |
          |------------------------------------------------------------|
          |           Setting           |             JP6              |
          |-----------------------------+------------------------------|
          | »        |     Enabled      |      Pins 1 & 2 Closed       |
          |----------+------------------+------------------------------|
          |          |     Disabled     |      Pins 2 & 3 Closed       |
          |------------------------------------------------------------|
          | Note: If disabled, and the network wire polarities are     |
          | reversed, the card will be damaged.                        |
          +------------------------------------------------------------+
       
          +------------------------------------------------------------+
          |                       LINK INTEGRITY                       |
          |------------------------------------------------------------|
          |            Setting            |            JP7             |
          |-------------------------------+----------------------------|
          | »         |      Enabled      |     Pins 2 & 3 Closed      |
          |-----------+-------------------+----------------------------|
          |           |     Disabled      |     Pins 1 & 2 Closed      |
          |------------------------------------------------------------|
          | Note: If this option is disabled, SQE is also disabled and |
          | Cable Length is set to 185 meters                          |
          +------------------------------------------------------------+
       
          +------------------------------------------------------------+
          |              SIGNAL QUALITY ERROR (SQE) TEST               |
          |------------------------------------------------------------|
          |            Setting            |            JP8             |
          |-------------------------------+----------------------------|
          | »         |      Enabled      |     Pins 1 & 2 Closed      |
          |-----------+-------------------+----------------------------|
          |           |     Disabled      |     Pins 2 & 3 Closed      |
          |------------------------------------------------------------|
          | Note:Signal Quality Error (SQE) is a test of the collision |
          | circuitry and path.                                        |
          |                                                            |
          | Link integrity must be enabled for SQE to be enabled.      |
          +------------------------------------------------------------+
       
          +------------------------------------------------------------+
          |                    CABLE LENGTH SELECT                     |
          |------------------------------------------------------------|
          |           Setting           |             JP13             |
          |-----------------------------+------------------------------|
          | »       |    185 meters     |      Pins 1 & 2 Closed       |
          |---------+-------------------+------------------------------|
          |         |    305 meters     |      Pins 2 & 3 Closed       |
          |------------------------------------------------------------|
          | Note: All cards on the network segment must have this      |
          | function set the same.                                     |
          |                                                            |
          | Link integrity must be enabled to select long cable        |
          | length.                                                    |
          +------------------------------------------------------------+
       
          +------------------------------------------------------------+
          |                FACTORY CONFIGURED SETTINGS                 |
          |------------------------------------------------------------|
          |            Jumper            |           Setting           |
          |------------------------------+-----------------------------|
          |             JP9              |           Unused            |
          +------------------------------------------------------------+
       
          +------------------------------------------------------------+
          |                     DIAGNOSTIC LED(S)                      |
          |------------------------------------------------------------|
          | LED  | Color  | Status |             Condition             |
          |------+--------+--------+-----------------------------------|
          | LED1 | Yellow |  Off   |         Normal operation          |
          |------+--------+--------+-----------------------------------|
          | LED1 | Yellow |   On   |    A reversed twisted pair is     |
          |      |        |        |      detected and corrected       |
          |------+--------+--------+-----------------------------------|
          | LED2 | Green  |   On   |  Twisted pair network connection  |
          |      |        |        |              is good              |
          |------+--------+--------+-----------------------------------|
          | LED2 | Green  |  Off   |  Twisted pair network connection  |
          |      |        |        |             is broken             |
          +------------------------------------------------------------+