(TXT) View Source
       
       # COMPEX, INC.
       
          PARAPORT2-E
       
          Card Type              Network Interface Card                  
          NIC Type               Ethernet                                
          Maximum Onboard Memory 16KB RAM                                
          Boot ROM               Unidentified                            
          Network Transfer Rate  10Mbps                                  
          Topology               Linear Bus, Star                        
          Wiring Type            Unshielded twisted pair                 
                                                                         
                                 RG-58A/U 50ohm coaxial                  
          Data Bus               25-pin parallel port - external         
       
 (IMG) IMG 1
          
       
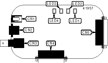
          +------------------------------------------------------------+
          |                        CONNECTIONS                         |
          |------------------------------------------------------------|
          |      Function      | Label |       Function        | Label |
          |--------------------+-------+-----------------------+-------|
          | DC power           |  CN1  | DB-25 (male)          |  CN4  |
          |--------------------+-------+-----------------------+-------|
          | UTP connector      |  CN2  | DB-25 Parallel port   |  CN5  |
          |                    |       | pass-through          |       |
          |                    |       | connector             |       |
          |--------------------+-------+-----------------------+-------|
          | RG-58A/U connector |  CN3  |                       |       |
          +------------------------------------------------------------+
       
          +------------------------------------------------------------+
          |                     DIAGNOSTIC LED(S)                      |
          |------------------------------------------------------------|
          | LED  | Color  |  Status  |            Condition            |
          |------+--------+----------+---------------------------------|
          | LED1 | Yellow |    On    |   Printer connection is good    |
          |------+--------+----------+---------------------------------|
          | LED1 | Yellow | Blinking |  Data is being transmitted to   |
          |      |        |          |             printer             |
          |------+--------+----------+---------------------------------|
          | LED1 | Yellow |   Off    |  Data is not being transmitted  |
          |      |        |          |           to printer            |
          |------+--------+----------+---------------------------------|
          | LED2 |  Red   | Blinking |          Data is being          |
          |      |        |          |      transmitted/recieved       |
          |------+--------+----------+---------------------------------|
          | LED2 |  Red   |   Off    |        Data is not being        |
          |      |        |          |      transmitted/recieved       |
          |------+--------+----------+---------------------------------|
          | LED3 | Green  |    On    |        UTP link is good         |
          |------+--------+----------+---------------------------------|
          | LED3 | Green  |   Off    |       UTP link is broken        |
          |------+--------+----------+---------------------------------|
          | LED4 | Green  |    On    |    Power connection is good     |
          |------+--------+----------+---------------------------------|
          | LED4 | Green  |   Off    |   Power connection is broken    |
          +------------------------------------------------------------+