(TXT) View Source
       
       # COMPU-SHACK PRODUCTION, GMBH
       
          FASTLINE-PCI FO (100BASE TX)
       
          Card Type              Network Interface Card                  
          NIC Type               Ethernet                                
          Maximum Onboard Memory Unidentified                            
          Boot ROM               Unavailable                             
          Network Transfer Rate  100Mbps (200Mbps full duplex)           
          Topology               Star                                    
          Wiring Type            Duplex-SC Fiber optic                   
          Data Bus               32-bit PCI                              
       
 (IMG) IMG 1
          
       
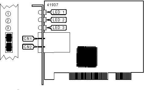
          +------------------------------------------------------------+
          |                        CONNECTIONS                         |
          |------------------------------------------------------------|
          |         Function         | Label |    Function     | Label |
          |--------------------------+-------+-----------------+-------|
          | Fiber optic connector    |  CN1  | Fiber optic     |  CN2  |
          | (SC)                     |       | connector (SC)  |       |
          +------------------------------------------------------------+
       
          +------------------------------------------------------------+
          |                     DIAGNOSTIC LED(S)                      |
          |------------------------------------------------------------|
          |  LED   | Color | Status |            Condition             |
          |--------+-------+--------+----------------------------------|
          |  LED1  | Green |   On   |    Network connection is good    |
          |--------+-------+--------+----------------------------------|
          |  LED1  | Green |  Off   |   Network connection is broken   |
          |--------+-------+--------+----------------------------------|
          |  LED2  | Green |   On   |      Data is being received      |
          |--------+-------+--------+----------------------------------|
          |  LED2  | Green |  Off   |    Data is not being received    |
          |--------+-------+--------+----------------------------------|
          |  LED3  | Green |   On   |    Data is being transmitted     |
          |--------+-------+--------+----------------------------------|
          |  LED3  | Green |  Off   |  Data is not being transmitted   |
          +------------------------------------------------------------+