(TXT) View Source
       
       # TMC RESEARCH CORPORATION
       
          TI5VG (VER. 1.0A)
       
          Device Type      Mainboard                                     
          Processor        CX 6X86/CX 6X86L/CX 686MX/AM K5/AM            
                           K6/Pentium/Pentium MMX                        
          Processor Speed  90/100/120/133/150/166/200/233/266/300MHz     
          Chip Set         VIA VP3                                       
          Video Chip Set   None                                          
          Maximum Onboard  384MB (EDO & SDRAM supported)                 
          Memory           
          Maximum Video    None                                          
          Memory           
          Cache            512KB                                         
          BIOS             Unidentified                                  
          Dimensions       305mm x 224mm                                 
          I/O Options      32-bit PCI slots (4), floppy drive interface, 
                           IDE interfaces (2), parallel port, PS/2 mouse 
                           port, serial ports (2), IR connector, USB     
                           connectors (2), ATX power connector, AGP slot 
          NPU Options      None                                          
       
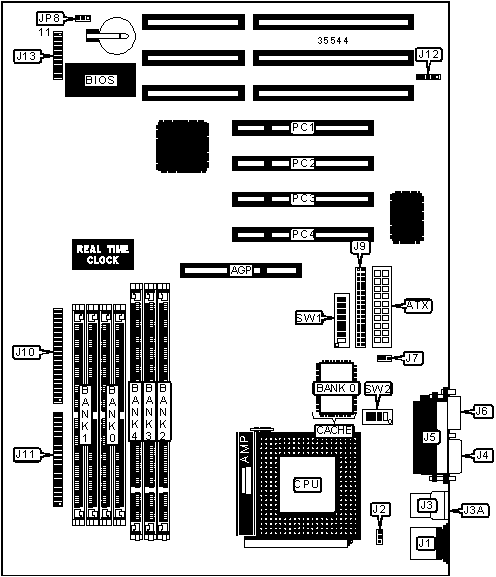
 (IMG) IMG 1
          
       
          +------------------------------------------------------------+
          |                        CONNECTIONS                         |
          |------------------------------------------------------------|
          | Purpose          | Location | Purpose         |  Location  |
          |------------------+----------+-----------------+------------|
          | AGP slot         |   AGP    | IDE interface 2 |    J10     |
          |------------------+----------+-----------------+------------|
          | ATX power        |   ATX    | IDE interface 1 |    J11     |
          | connector        |          |                 |            |
          |------------------+----------+-----------------+------------|
          | PS/2 mouse port  |    J1    | IR connector    |    J12     |
          |------------------+----------+-----------------+------------|
          | CPU fan power    |    J2    | Speaker         | J13/pins 1 |
          |                  |          |                 |    - 4     |
          |------------------+----------+-----------------+------------|
          | USB connector 1  |    J3    | Soft off power  | J13/pins 7 |
          |                  |          | supply          |    & 17    |
          |------------------+----------+-----------------+------------|
          | USB connector 2  |   J3A    | Turbo LED       | J13/pins 8 |
          |                  |          |                 |    & 18    |
          |------------------+----------+-----------------+------------|
          | Serial port 1    |    J4    | Reset switch    | J13/pins 9 |
          |                  |          |                 |    & 19    |
          |------------------+----------+-----------------+------------|
          | Parallel port    |    J5    | IDE interface   |  J13/pins  |
          |                  |          | LED             |  10 & 20   |
          |------------------+----------+-----------------+------------|
          | Serial port 2    |    J6    | Power LED &     |  J13/pins  |
          |                  |          | keylock         |  11 - 15   |
          |------------------+----------+-----------------+------------|
          | Chassis fan      |    J7    | 32-bit PCI      | PC1 – PC4  |
          | power            |          | slots           |            |
          |------------------+----------+-----------------+------------|
          | Floppy drive     |    J9    |                 |            |
          | interface        |          |                 |            |
          +------------------------------------------------------------+
       
          +------------------------------------------------------------+
          |                 USER CONFIGURABLE SETTINGS                 |
          |------------------------------------------------------------|
          |              Function               | Label |   Position   |
          |-------------------------------------+-------+--------------|
          | » | CMOS memory normal operation    |  JP8  |  Pins 1 & 2  |
          |   |                                 |       |    closed    |
          |---+---------------------------------+-------+--------------|
          |   | CMOS memory clear               |  JP8  |  Pins 2 & 3  |
          |   |                                 |       |    closed    |
          |---+---------------------------------+-------+--------------|
          | » | Factory configured – do not     | SW1/8 | Unidentified |
          |   | alter                           |       |              |
          +------------------------------------------------------------+
       
          +------------------------------------------------------------+
          |                     SIMM CONFIGURATION                     |
          |------------------------------------------------------------|
          |       Size       |       Bank 0       |       Bank 1       |
          |------------------+--------------------+--------------------|
          |       8MB        |    (2) 1M x 36     |        None        |
          |------------------+--------------------+--------------------|
          |       16MB       |    (2) 2M x 36     |        None        |
          |------------------+--------------------+--------------------|
          |       16MB       |    (2) 1M x 36     |    (2) 1M x 36     |
          |------------------+--------------------+--------------------|
          |       24MB       |    (2) 2M x 36     |    (2) 1M x 36     |
          |------------------+--------------------+--------------------|
          |       32MB       |    (2) 4M x 36     |        None        |
          |------------------+--------------------+--------------------|
          |       32MB       |    (2) 2M x 36     |    (2) 2M x 36     |
          |------------------+--------------------+--------------------|
          |       40MB       |    (2) 4M x 36     |    (2) 1M x 36     |
          |------------------+--------------------+--------------------|
          |       48MB       |    (2) 4M x 36     |    (2) 2M x 36     |
          |------------------+--------------------+--------------------|
          |       64MB       |    (2) 8M x 36     |        None        |
          |------------------+--------------------+--------------------|
          |       64MB       |    (2) 4M x 36     |    (2) 4M x 36     |
          |------------------+--------------------+--------------------|
          |       72MB       |    (2) 8M x 36     |    (2) 1M x 36     |
          |------------------+--------------------+--------------------|
          |       80MB       |    (2) 8M x 36     |    (2) 2M x 36     |
          |------------------+--------------------+--------------------|
          |       96MB       |    (2) 8M x 36     |    (2) 4M x 36     |
          |------------------+--------------------+--------------------|
          |      128MB       |    (2) 8M x 36     |    (2) 8M x 36     |
          |------------------+--------------------+--------------------|
          |      128MB       |    (2) 16M x 36    |        None        |
          +------------------------------------------------------------+
       
          +------------------------------------------------------------+
          |                 SIMM CONFIGURATION (CON’T)                 |
          |------------------------------------------------------------|
          |       Size       |       Bank 0       |       Bank 1       |
          |------------------+--------------------+--------------------|
          |      136MB       |    (2) 16M x 36    |    (2) 1M x 36     |
          |------------------+--------------------+--------------------|
          |      144MB       |    (2) 16M x 36    |    (2) 2M x 36     |
          |------------------+--------------------+--------------------|
          |      160MB       |    (2) 16M x 36    |    (2) 4M x 36     |
          |------------------+--------------------+--------------------|
          |      192MB       |    (2) 16M x 36    |    (2) 8M x 36     |
          |------------------+--------------------+--------------------|
          |      256MB       |    (2) 16M x 36    |    (2) 16M x 36    |
          |------------------------------------------------------------|
          | Note: Board accepts EDO memory.                            |
          +------------------------------------------------------------+
       
          +------------------------------------------------------------+
          |                     DIMM CONFIGURATION                     |
          |------------------------------------------------------------|
          |    Size    |    Bank 2     |    Bank 3     |    Bank 4     |
          |------------+---------------+---------------+---------------|
          |    8MB     |  (1) 1M x 64  |     None      |     None      |
          |------------+---------------+---------------+---------------|
          |    16MB    |  (1) 2M x 64  |     None      |     None      |
          |------------+---------------+---------------+---------------|
          |    16MB    |  (1) 1M x 64  |  (1) 1M x 64  |     None      |
          |------------+---------------+---------------+---------------|
          |    24MB    |  (1) 2M x 64  |  (1) 1M x 64  |     None      |
          |------------+---------------+---------------+---------------|
          |    24MB    |  (1) 1M x 64  |  (1) 1M x 64  |  (1) 1M x 64  |
          |------------+---------------+---------------+---------------|
          |    32MB    |  (1) 4M x 64  |     None      |     None      |
          |------------+---------------+---------------+---------------|
          |    32MB    |  (1) 2M x 64  |  (1) 1M x 64  |  (1) 1M x 64  |
          |------------+---------------+---------------+---------------|
          |    32MB    |  (1) 2M x 64  |  (1) 2M x 64  |     None      |
          |------------+---------------+---------------+---------------|
          |    40MB    |  (1) 4M x 64  |  (1) 1M x 64  |     None      |
          |------------+---------------+---------------+---------------|
          |    40MB    |  (1) 2M x 64  |  (1) 2M x 64  |  (1) 1M x 64  |
          |------------+---------------+---------------+---------------|
          |    48MB    |  (1) 4M x 64  |  (1) 1M x 64  |  (1) 1M x 64  |
          |------------+---------------+---------------+---------------|
          |    48MB    |  (1) 4M x 64  |  (1) 2M x 64  |     None      |
          |------------+---------------+---------------+---------------|
          |    48MB    |  (1) 2M x 64  |  (1) 2M x 64  |  (1) 2M x 64  |
          |------------+---------------+---------------+---------------|
          |    56MB    |  (1) 4M x 64  |  (1) 2M x 64  |  (1) 1M x 64  |
          |------------+---------------+---------------+---------------|
          |    64MB    |  (1) 8M x 64  |     None      |     None      |
          |------------+---------------+---------------+---------------|
          |    64MB    |  (1) 4M x 64  |  (1) 2M x 64  |  (1) 2M x 64  |
          |------------+---------------+---------------+---------------|
          |    64MB    |  (1) 4M x 64  |  (1) 4M x 64  |     None      |
          |------------+---------------+---------------+---------------|
          |    72MB    |  (1) 8M x 64  |  (1) 1M x 64  |     None      |
          |------------+---------------+---------------+---------------|
          |    72MB    |  (1) 4M x 64  |  (1) 4M x 64  |  (1) 1M x 64  |
          |------------+---------------+---------------+---------------|
          |    80MB    |  (1) 8M x 64  |  (1) 1M x 64  |  (1) 1M x 64  |
          |------------+---------------+---------------+---------------|
          |    80MB    |  (1) 8M x 64  |  (1) 2M x 64  |     None      |
          |------------+---------------+---------------+---------------|
          |    80MB    |  (1) 4M x 64  |  (1) 4M x 64  |  (1) 2M x 64  |
          |------------+---------------+---------------+---------------|
          |    88MB    |  (1) 8M x 64  |  (1) 2M x 64  |  (1) 1M x 64  |
          |------------+---------------+---------------+---------------|
          |    96MB    |  (1) 8M x 64  |  (1) 2M x 64  |  (1) 2M x 64  |
          +------------------------------------------------------------+
       
          +------------------------------------------------------------+
          |                 DIMM CONFIGURATION (CON’T)                 |
          |------------------------------------------------------------|
          |    Size    |    Bank 2     |    Bank 3     |    Bank 4     |
          |------------+---------------+---------------+---------------|
          |    96MB    |  (1) 8M x 64  |  (1) 4M x 64  |     None      |
          |------------+---------------+---------------+---------------|
          |    96MB    |  (1) 4M x 64  |  (1) 4M x 64  |  (1) 4M x 64  |
          |------------+---------------+---------------+---------------|
          |   104MB    |  (1) 8M x 64  |  (1) 4M x 64  |  (1) 1M x 64  |
          |------------+---------------+---------------+---------------|
          |   112MB    |  (1) 8M x 64  |  (1) 4M x 64  |  (1) 2M x 64  |
          |------------+---------------+---------------+---------------|
          |   128MB    | (1) 16M x 64  |     None      |     None      |
          |------------+---------------+---------------+---------------|
          |   128MB    |  (1) 8M x 64  |  (1) 4M x 64  |  (1) 4M x 64  |
          |------------+---------------+---------------+---------------|
          |   128MB    |  (1) 8M x 64  |  (1) 8M x 64  |     None      |
          |------------+---------------+---------------+---------------|
          |   136MB    | (1) 16M x 64  |  (1) 1M x 64  |     None      |
          |------------+---------------+---------------+---------------|
          |   136MB    |  (1) 8M x 64  |  (1) 8M x 64  |  (1) 1M x 64  |
          |------------+---------------+---------------+---------------|
          |   144MB    | (1) 16M x 64  |  (1) 1M x 64  |  (1) 1M x 64  |
          |------------+---------------+---------------+---------------|
          |   144MB    | (1) 16M x 64  |  (1) 2M x 64  |     None      |
          |------------+---------------+---------------+---------------|
          |   144MB    |  (1) 8M x 64  |  (1) 8M x 64  |  (1) 2M x 64  |
          |------------+---------------+---------------+---------------|
          |   152MB    | (1) 16M x 64  |  (1) 2M x 64  |  (1) 1M x 64  |
          |------------+---------------+---------------+---------------|
          |   160MB    | (1) 16M x 64  |  (1) 2M x 64  |  (1) 2M x 64  |
          |------------+---------------+---------------+---------------|
          |   160MB    | (1) 16M x 64  |  (1) 4M x 64  |     None      |
          |------------+---------------+---------------+---------------|
          |   160MB    |  (1) 8M x 64  |  (1) 8M x 64  |  (1) 4M x 64  |
          |------------+---------------+---------------+---------------|
          |   168MB    | (1) 16M x 64  |  (1) 4M x 64  |  (1) 1M x 64  |
          |------------+---------------+---------------+---------------|
          |   176MB    | (1) 16M x 64  |  (1) 4M x 64  |  (1) 2M x 64  |
          |------------+---------------+---------------+---------------|
          |   192MB    | (1) 16M x 64  |  (1) 4M x 64  |  (1) 4M x 64  |
          |------------+---------------+---------------+---------------|
          |   192MB    | (1) 16M x 64  |  (1) 8M x 64  |     None      |
          |------------+---------------+---------------+---------------|
          |   192MB    |  (1) 8M x 64  |  (1) 8M x 64  |  (1) 8M x 64  |
          |------------+---------------+---------------+---------------|
          |   200MB    | (1) 16M x 64  |  (1) 8M x 64  |  (1) 1M x 64  |
          |------------+---------------+---------------+---------------|
          |   208MB    | (1) 16M x 64  |  (1) 8M x 64  |  (1) 2M x 64  |
          |------------+---------------+---------------+---------------|
          |   224MB    | (1) 16M x 64  |  (1) 8M x 64  |  (1) 4M x 64  |
          |------------+---------------+---------------+---------------|
          |   256MB    | (1) 16M x 64  |  (1) 8M x 64  |  (1) 8M x 64  |
          |------------+---------------+---------------+---------------|
          |   384MB    | (1) 16M x 64  | (1) 16M x 64  | (1) 16M x 64  |
          |------------------------------------------------------------|
          |      Note: Board accepts EDO & SDRAM memory.               |
          +------------------------------------------------------------+
       
          +------------------------------------------------------------+
          |                    CACHE CONFIGURATION                     |
          |------------------------------------------------------------|
          |            Size            |            Bank 0             |
          |----------------------------+-------------------------------|
          |           512KB            |         (1) 64K x 64          |
          +------------------------------------------------------------+
       
          +------------------------------------------------------------+
          |               CPU SPEED SELECTION (CX 6X86)                |
          |------------------------------------------------------------|
          |CPU speed|Clock speed|Multiplier|SW1/1 |SW1/2 |SW1/3 |SW1/4 |
          |---------+-----------+----------+------+------+------+------|
          | 150MHz  |   60MHz   |    2x    |  On  | Off  | Off  | Off  |
          |---------+-----------+----------+------+------+------+------|
          | 166MHz  |   66MHz   |    2x    | Off  | Off  | Off  | Off  |
          +------------------------------------------------------------+
       
          +------------------------------------------------------------+
          |            CPU SPEED SELECTION (CX 6X86, CON’T)            |
          |------------------------------------------------------------|
          | CPU speed |   Clock   | Multiplier | SW1/5 | SW1/6 | SW1/7 |
          |           |   speed   |            |       |       |       |
          |-----------+-----------+------------+-------+-------+-------|
          |  150MHz   |   60MHz   |     2x     |  On   |  Off  |  Off  |
          |-----------+-----------+------------+-------+-------+-------|
          |  166MHz   |   66MHz   |     2x     |  On   |  Off  |  Off  |
          +------------------------------------------------------------+
       
          +------------------------------------------------------------+
          |               CPU SPEED SELECTION (CX 6X86L)               |
          |------------------------------------------------------------|
          |CPU speed|Clock speed|Multiplier|SW1/1 |SW1/2 |SW1/3 |SW1/4 |
          |---------+-----------+----------+------+------+------+------|
          | 150MHz  |   60MHz   |    2x    |  On  | Off  | Off  | Off  |
          |---------+-----------+----------+------+------+------+------|
          | 166MHz  |   66MHz   |    2x    | Off  | Off  | Off  | Off  |
          +------------------------------------------------------------+
       
          +------------------------------------------------------------+
          |           CPU SPEED SELECTION (CX 6X86L, CON’T)            |
          |------------------------------------------------------------|
          | CPU speed |   Clock   | Multiplier | SW1/5 | SW1/6 | SW1/7 |
          |           |   speed   |            |       |       |       |
          |-----------+-----------+------------+-------+-------+-------|
          |  150MHz   |   60MHz   |     2x     |  On   |  Off  |  Off  |
          |-----------+-----------+------------+-------+-------+-------|
          |  166MHz   |   66MHz   |     2x     |  On   |  Off  |  Off  |
          +------------------------------------------------------------+
       
          +------------------------------------------------------------+
          |              CPU SPEED SELECTION (CX 6X86MX)               |
          |------------------------------------------------------------|
          |CPU speed|Clock speed|Multiplier|SW1/1 |SW1/2 |SW1/3 |SW1/4 |
          |---------+-----------+----------+------+------+------+------|
          | 200MHz  |   66MHz   |    3x    | Off  | Off  | Off  | Off  |
          |---------+-----------+----------+------+------+------+------|
          | 233MHz  |   66MHz   |   3.5x   | Off  | Off  | Off  | Off  |
          |---------+-----------+----------+------+------+------+------|
          | 266MHz  |   66MHz   |    4x    | Off  | Off  | Off  | Off  |
          +------------------------------------------------------------+
       
          +------------------------------------------------------------+
          |           CPU SPEED SELECTION (CX 6X86MX, CON’T)           |
          |------------------------------------------------------------|
          | CPU speed |   Clock   | Multiplier | SW1/5 | SW1/6 | SW1/7 |
          |           |   speed   |            |       |       |       |
          |-----------+-----------+------------+-------+-------+-------|
          |  200MHz   |   66MHz   |     3x     |  On   |  On   |  Off  |
          |-----------+-----------+------------+-------+-------+-------|
          |  233MHz   |   66MHz   |    3.5x    |  Off  |  On   |  Off  |
          |-----------+-----------+------------+-------+-------+-------|
          |  266MHz   |   66MHz   |     4x     |  Off  |  Off  |  Off  |
          +------------------------------------------------------------+
       
          +------------------------------------------------------------+
          |                CPU SPEED SELECTION (AM K5)                 |
          |------------------------------------------------------------|
          |CPU speed|Clock speed|Multiplier|SW1/1 |SW1/2 |SW1/3 |SW1/4 |
          |---------+-----------+----------+------+------+------+------|
          | 133MHz  |   66MHz   |    2x    | Off  | Off  | Off  | Off  |
          |---------+-----------+----------+------+------+------+------|
          | 166MHz  |   66MHz   |   2.5x   | Off  | Off  | Off  | Off  |
          +------------------------------------------------------------+
       
          +------------------------------------------------------------+
          |             CPU SPEED SELECTION (AM K5, CON’T)             |
          |------------------------------------------------------------|
          | CPU speed |   Clock   | Multiplier | SW1/5 | SW1/6 | SW1/7 |
          |           |   speed   |            |       |       |       |
          |-----------+-----------+------------+-------+-------+-------|
          |  133MHz   |   66MHz   |     2x     |  On   |  Off  |  Off  |
          |-----------+-----------+------------+-------+-------+-------|
          |  166MHz   |   66MHz   |    2.5x    |  On   |  On   |  Off  |
          +------------------------------------------------------------+
       
          +------------------------------------------------------------+
          |                CPU SPEED SELECTION (AM K6)                 |
          |------------------------------------------------------------|
          |CPU speed|Clock speed|Multiplier|SW1/1 |SW1/2 |SW1/3 |SW1/4 |
          |---------+-----------+----------+------+------+------+------|
          | 166MHz  |   66MHz   |   2.5x   | Off  | Off  | Off  | Off  |
          |---------+-----------+----------+------+------+------+------|
          | 200MHz  |   66MHz   |    3x    | Off  | Off  | Off  | Off  |
          |---------+-----------+----------+------+------+------+------|
          | 233MHz  |   66MHz   |   3.5x   | Off  | Off  | Off  | Off  |
          |---------+-----------+----------+------+------+------+------|
          | 266MHz  |   66MHz   |    4x    | Off  | Off  | Off  | Off  |
          |---------+-----------+----------+------+------+------+------|
          | 300MHz  |   66MHz   |   4.5x   | Off  | Off  | Off  | Off  |
          +------------------------------------------------------------+
       
          +------------------------------------------------------------+
          |             CPU SPEED SELECTION (AM K6, CON’T)             |
          |------------------------------------------------------------|
          | CPU speed |   Clock   | Multiplier | SW1/5 | SW1/6 | SW1/7 |
          |           |   speed   |            |       |       |       |
          |-----------+-----------+------------+-------+-------+-------|
          |  166MHz   |   66MHz   |    2.5x    |  On   |  On   |  Off  |
          |-----------+-----------+------------+-------+-------+-------|
          |  200MHz   |   66MHz   |     3x     |  Off  |  On   |  Off  |
          |-----------+-----------+------------+-------+-------+-------|
          |  233MHz   |   66MHz   |    3.5x    |  Off  |  Off  |  Off  |
          |-----------+-----------+------------+-------+-------+-------|
          |  266MHz   |   66MHz   |     4x     |  On   |  Off  |  On   |
          |-----------+-----------+------------+-------+-------+-------|
          |  300MHz   |   66MHz   |    4.5x    |  On   |  On   |  On   |
          +------------------------------------------------------------+
       
          +------------------------------------------------------------+
          |                CPU SPEED SELECTION (INTEL)                 |
          |------------------------------------------------------------|
          |CPU speed|Clock speed|Multiplier|SW1/1 |SW1/2 |SW1/3 |SW1/4 |
          |---------+-----------+----------+------+------+------+------|
          |  90MHz  |   60MHz   |   1.5x   |  On  | Off  | Off  | Off  |
          |---------+-----------+----------+------+------+------+------|
          | 100MHz  |   66MHz   |   1.5x   | Off  | Off  | Off  | Off  |
          |---------+-----------+----------+------+------+------+------|
          | 120MHz  |   60MHz   |    2x    |  On  | Off  | Off  | Off  |
          |---------+-----------+----------+------+------+------+------|
          | 133MHz  |   66MHz   |    2x    | Off  | Off  | Off  | Off  |
          |---------+-----------+----------+------+------+------+------|
          | 150MHz  |   60MHz   |   2.5x   |  On  | Off  | Off  | Off  |
          |---------+-----------+----------+------+------+------+------|
          | 166MHz  |   66MHz   |   2.5x   | Off  | Off  | Off  | Off  |
          |---------+-----------+----------+------+------+------+------|
          | 200MHz  |   66MHz   |    3x    | Off  | Off  | Off  | Off  |
          +------------------------------------------------------------+
       
          +------------------------------------------------------------+
          |             CPU SPEED SELECTION (INTEL, CON’T)             |
          |------------------------------------------------------------|
          | CPU speed |   Clock   | Multiplier | SW1/5 | SW1/6 | SW1/7 |
          |           |   speed   |            |       |       |       |
          |-----------+-----------+------------+-------+-------+-------|
          |   90MHz   |   60MHz   |    1.5x    |  Off  |  Off  |  Off  |
          |-----------+-----------+------------+-------+-------+-------|
          |  100MHz   |   66MHz   |    1.5x    |  Off  |  Off  |  Off  |
          |-----------+-----------+------------+-------+-------+-------|
          |  120MHz   |   60MHz   |     2x     |  On   |  Off  |  Off  |
          |-----------+-----------+------------+-------+-------+-------|
          |  133MHz   |   66MHz   |     2x     |  On   |  Off  |  Off  |
          |-----------+-----------+------------+-------+-------+-------|
          |  150MHz   |   60MHz   |    2.5x    |  On   |  On   |  Off  |
          |-----------+-----------+------------+-------+-------+-------|
          |  166MHz   |   66MHz   |    2.5x    |  On   |  On   |  Off  |
          |-----------+-----------+------------+-------+-------+-------|
          |  200MHz   |   66MHz   |     3x     |  Off  |  Off  |  Off  |
          +------------------------------------------------------------+
       
          +------------------------------------------------------------+
          |              CPU SPEED SELECTION (INTEL MMX)               |
          |------------------------------------------------------------|
          |CPU speed|Clock speed|Multiplier|SW1/1 |SW1/2 |SW1/3 |SW1/4 |
          |---------+-----------+----------+------+------+------+------|
          | 166MHz  |   66MHz   |   2.5x   | Off  | Off  | Off  | Off  |
          |---------+-----------+----------+------+------+------+------|
          | 200MHz  |   66MHz   |    3x    | Off  | Off  | Off  | Off  |
          |---------+-----------+----------+------+------+------+------|
          | 233MHz  |   66MHz   |   3.5x   | Off  | Off  | Off  | Off  |
          +------------------------------------------------------------+
       
          +------------------------------------------------------------+
          |           CPU SPEED SELECTION (INTEL MMX, CON’T)           |
          |------------------------------------------------------------|
          | CPU speed |   Clock   | Multiplier | SW1/5 | SW1/6 | SW1/7 |
          |           |   speed   |            |       |       |       |
          |-----------+-----------+------------+-------+-------+-------|
          |  166MHz   |   66MHz   |    2.5x    |  On   |  On   |  Off  |
          |-----------+-----------+------------+-------+-------+-------|
          |  200MHz   |   66MHz   |     3x     |  Off  |  On   |  Off  |
          |-----------+-----------+------------+-------+-------+-------|
          |  233MHz   |   66MHz   |    3.5x    |  Off  |  Off  |  Off  |
          +------------------------------------------------------------+
       
          +------------------------------------------------------------+
          |               CPU VOLTAGE SELECTION (SINGLE)               |
          |------------------------------------------------------------|
          |  Voltage   |   SW2/1   |   SW2/2   |   SW2/3   |   SW2/4   |
          |------------+-----------+-----------+-----------+-----------|
          |    3.5v    |    On     |    On     |    On     |    On     |
          +------------------------------------------------------------+
       
          +------------------------------------------------------------+
          |                   CPU VOLTAGE SELECTION                    |
          |------------------------------------------------------------|
          | Voltage I/O |  V core  | SW2/1  | SW2/2  | SW2/3  | SW2/4  |
          |-------------+----------+--------+--------+--------+--------|
          |    3.3v     |   2.1v   |   On   |  Off   |  Off   |  Off   |
          |-------------+----------+--------+--------+--------+--------|
          |    3.3v     |   2.2v   |  Off   |   On   |  Off   |  Off   |
          |-------------+----------+--------+--------+--------+--------|
          |    3.3v     |   2.5v   |   On   |  Off   |   On   |  Off   |
          |-------------+----------+--------+--------+--------+--------|
          |    3.3v     |   2.6v   |  Off   |   On   |   On   |  Off   |
          |-------------+----------+--------+--------+--------+--------|
          |    3.3v     |   2.7v   |   On   |   On   |   On   |  Off   |
          |-------------+----------+--------+--------+--------+--------|
          |    3.3v     |   2.8v   |  Off   |  Off   |  Off   |   On   |
          |-------------+----------+--------+--------+--------+--------|
          |    3.3v     |   2.9v   |   On   |  Off   |  Off   |   On   |
          |-------------+----------+--------+--------+--------+--------|
          |    3.3v     |   3.0v   |  Off   |   On   |  Off   |   On   |
          |-------------+----------+--------+--------+--------+--------|
          |    3.3v     |   3.1v   |   On   |   On   |  Off   |   On   |
          |-------------+----------+--------+--------+--------+--------|
          |    3.3v     |   3.2v   |  Off   |  Off   |   On   |   On   |
          |-------------+----------+--------+--------+--------+--------|
          |    3.3v     |   3.5v   |   On   |   On   |   On   |   On   |
          +------------------------------------------------------------+