(TXT) View Source
       
       # SOLTEK COMPUTER, INC.
       
          SL-66D
       
          Device Type      Mainboard                                     
          Processor        Pentium II/Celeron                            
          Processor Speed  233/266/300/333MHz                            
          Chip Set         Intel 440EX                                   
          Maximum Onboard  256MB (EDO & SDRAM supported)                 
          Memory           
          Cache            256/512KB (on the Pentium II CPU)             
          BIOS             Award                                         
          I/O Options      32-bit PCI slots (4), floppy drive interface, 
                           IDE interfaces (2), parallel port, PS/2 mouse 
                           port, serial ports (2), AGP slot, USB ports   
                           (2), IR connector, green PC connector, ATX    
                           power connector                               
          Dimensions       305mm x 170mm                                 
       
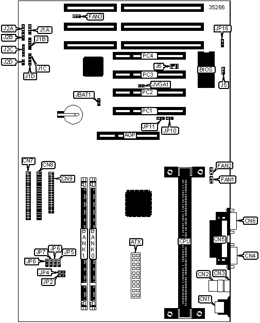
 (IMG) IMG 1
          
       
          +------------------------------------------------------------+
          |                        CONNECTIONS                         |
          |------------------------------------------------------------|
          | Purpose           | Location | Purpose          | Location |
          |-------------------+----------+------------------+----------|
          | AGP slot          |   AGP    | Chassis fan      |   FAN3   |
          |-------------------+----------+------------------+----------|
          | ATX power         |   ATX    | IDE interface    |   J1A    |
          | connector         |          | LED              |          |
          |-------------------+----------+------------------+----------|
          | PS/2 mouse port   |   CN1    | IR connector     |   J1B    |
          |-------------------+----------+------------------+----------|
          | USB connector 2   |   CN2    | Power switch     |   J1C    |
          |-------------------+----------+------------------+----------|
          | USB connector 1   |   CN3    | SMI switch       |   J1D    |
          |-------------------+----------+------------------+----------|
          | Serial port 1     |   CN4    | Speaker          |   J2A    |
          |-------------------+----------+------------------+----------|
          | Parallel port     |   CN5    | Reset switch     |   J2B    |
          |-------------------+----------+------------------+----------|
          | Serial port 2     |   CN6    | Power LED &      |   J2C    |
          |                   |          | keylock          |          |
          |-------------------+----------+------------------+----------|
          | IDE interface 1   |   CN7    | Turbo LED        |   J2D    |
          |-------------------+----------+------------------+----------|
          | IDE interface 2   |   CN8    | Wake on LAN      |    J5    |
          |                   |          | connector        |          |
          |-------------------+----------+------------------+----------|
          | Floppy drive      |   CN9    | SB Link          |    J6    |
          | interface         |          |                  |          |
          |-------------------+----------+------------------+----------|
          | CPU fan           |   FAN1   | 32-bit PCI slots |  PC1 -   |
          |                   |          |                  |   PC4    |
          |-------------------+----------+------------------+----------|
          | Power fan         |   FAN2   |                  |          |
          +------------------------------------------------------------+
       
          +------------------------------------------------------------+
          |                 USER CONFIGURABLE SETTINGS                 |
          |------------------------------------------------------------|
          |             Function             | Label |    Position     |
          |----------------------------------+-------+-----------------|
          | » | CMOS memory normal operation | JBAT1 |   Pins 1 & 2    |
          |   |                              |       |     closed      |
          |---+------------------------------+-------+-----------------|
          |   | CMOS memory clear            | JBAT1 |   Pins 2 & 3    |
          |   |                              |       |     closed      |
          |---+------------------------------+-------+-----------------|
          | » | Normal VGA card enabled      | JVGA1 |     Closed      |
          |---+------------------------------+-------+-----------------|
          |   | Special VGA card enabled     | JVGA1 |      Open       |
          |---+------------------------------+-------+-----------------|
          | » | Power lost recovery normal   | JP16  |   Pins 2 & 3    |
          |   |                              |       |     closed      |
          |---+------------------------------+-------+-----------------|
          |   | Power lost recovery enabled  | JP16  |   Pins 1 & 2    |
          |   |                              |       |     closed      |
          +------------------------------------------------------------+
       
          +------------------------------------------------------------+
          |                     USB PORT SELECTION                     |
          |------------------------------------------------------------|
          |             Function             |    JP10    |    JP11    |
          |----------------------------------+------------+------------|
          | » | Redirect USB1 to AGP port    | Pins 1 & 2 | Pins 1 & 2 |
          |   |                              |   closed   |   closed   |
          |---+------------------------------+------------+------------|
          |   | Redirect all USB ports to    | Pins 2 & 3 | Pins 2 & 3 |
          |   | USB connector                |   closed   |   closed   |
          +------------------------------------------------------------+
       
          +------------------------------------------------------------+
          |                     DRAM CONFIGURATION                     |
          |------------------------------------------------------------|
          |       Size       |       Bank 0       |       Bank 1       |
          |------------------+--------------------+--------------------|
          |       8MB        |    (1) 1MB x 64    |        None        |
          |------------------+--------------------+--------------------|
          |       16MB       |    (1) 1MB x 64    |    (1) 1MB x 64    |
          |------------------+--------------------+--------------------|
          |       16MB       |    (1) 2MB x 64    |        None        |
          |------------------+--------------------+--------------------|
          |       24MB       |    (1) 2MB x 64    |    (1) 1MB x 64    |
          |------------------+--------------------+--------------------|
          |       32MB       |    (1) 2MB x 64    |    (1) 2MB x 64    |
          |------------------+--------------------+--------------------|
          |       32MB       |    (1) 4MB x 64    |        None        |
          |------------------+--------------------+--------------------|
          |       40MB       |    (1) 4MB x 64    |    (1) 1MB x 64    |
          |------------------+--------------------+--------------------|
          |       48MB       |    (1) 4MB x 64    |    (1) 2MB x 64    |
          |------------------+--------------------+--------------------|
          |       64MB       |    (1) 4MB x 64    |    (1) 4MB x 64    |
          |------------------+--------------------+--------------------|
          |       64MB       |    (1) 8MB x 64    |        None        |
          |------------------+--------------------+--------------------|
          |       72MB       |    (1) 8MB x 64    |    (1) 1MB x 64    |
          |------------------+--------------------+--------------------|
          |       80MB       |    (1) 8MB x 64    |    (1) 2MB x 64    |
          |------------------+--------------------+--------------------|
          |       96MB       |    (1) 8MB x 64    |    (1) 4MB x 64    |
          |------------------+--------------------+--------------------|
          |      128MB       |    (1) 8MB x 64    |    (1) 8MB x 64    |
          |------------------+--------------------+--------------------|
          |      136MB       |   (1) 16MB x 64    |        None        |
          |------------------+--------------------+--------------------|
          |      144MB       |   (1) 16MB x 64    |    (1) 1MB x 64    |
          |------------------+--------------------+--------------------|
          |      160MB       |   (1) 16MB x 64    |    (1) 2MB x 64    |
          |------------------+--------------------+--------------------|
          |      192MB       |   (1) 16MB x 64    |    (1) 4MB x 64    |
          |------------------+--------------------+--------------------|
          |      224MB       |   (1) 16MB x 64    |    (1) 8MB x 64    |
          |------------------+--------------------+--------------------|
          |      256MB       |   (1) 16MB x 64    |   (1) 16MB x 64    |
          |------------------------------------------------------------|
          | Note: Board accepts both EDO and SDRAM.                    |
          +------------------------------------------------------------+
       
          +------------------------------------------------------------+
          |                    CACHE CONFIGURATION                     |
          |------------------------------------------------------------|
          | Note: 256/512KB cache is located on the Pentium II CPU.    |
          +------------------------------------------------------------+
       
          +------------------------------------------------------------+
          |                    CPU SPEED SELECTION                     |
          |------------------------------------------------------------|
          |  CPU  | Clock  |Multiplier|JP2 |JP4 | JP5 | JP6 | JP7 |JP8 |
          | Speed | speed  |          |    |    |     |     |     |    |
          |-------+--------+----------+----+----+-----+-----+-----+----|
          |233MHz | 66MHz  |   3.5x   |1 & |1 & |2 & 3|Open |Open |2 & |
          |       |        |          | 2  | 2  |     |     |     | 3  |
          |-------+--------+----------+----+----+-----+-----+-----+----|
          |266MHz | 66MHz  |    4x    |1 & |1 & |Open |2 & 3|2 & 3|2 & |
          |       |        |          | 2  | 2  |     |     |     | 3  |
          |-------+--------+----------+----+----+-----+-----+-----+----|
          |300MHz | 66MHz  |   4.5x   |1 & |1 & |Open |2 & 3|Open |2 & |
          |       |        |          | 2  | 2  |     |     |     | 3  |
          |-------+--------+----------+----+----+-----+-----+-----+----|
          |333MHz | 66MHz  |    5x    |1 & |1 & |Open |Open |2 & 3|2 & |
          |       |        |          | 2  | 2  |     |     |     | 3  |
          |------------------------------------------------------------|
          |Note: Numbers designate pins that should be closed.         |
          +------------------------------------------------------------+