(TXT) View Source
       
       # TYAN COMPUTER CORPORATION
       
          S1684SA
       
          Device Type      Mainboard                                     
          Processor        Pentium Pro/Pentium II                        
          Processor Speed  150/166/180/200/233/266/300MHz                
          Chip Set         Intel                                         
          Video Chip Set   None                                          
          Maximum Onboard  768MB (EDO supported)                         
          Memory           
          Maximum Video    None                                          
          Memory           
          Cache            256/512KB (located on Pentium Pro/Pentium II  
                           CPU)                                          
          BIOS             AMI, Award                                    
          Dimensions       305mm x 244mm                                 
          I/O Options      32-bit PCI slots (4), floppy drive interface, 
                           game port, green PC connector, IDE interfaces 
                           (2), parallel port, PS/2 mouse port, serial   
                           ports (2), IR connector, USB connectors (2),  
                           ATX power connector, line in, line out,       
                           microphone in, wavetable connector, audio in  
                           – CD-ROMs (2)                                 
          NPU Options      None                                          
       
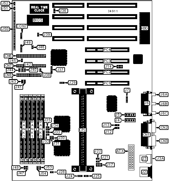
 (IMG) IMG 1
          
       
          +------------------------------------------------------------+
          |                        CONNECTIONS                         |
          |------------------------------------------------------------|
          | Purpose         | Location | Purpose           | Location  |
          |-----------------+----------+-------------------+-----------|
          | ATX power       |   ATX    | Modem connector   |    J7     |
          | connector       |          |                   |           |
          |-----------------+----------+-------------------+-----------|
          | Parallel port   |   CN1    | Wavetable         |    J14    |
          |                 |          | connector         |           |
          |-----------------+----------+-------------------+-----------|
          | Serial port 2   |   CN2    | CPU fan power     |    J24    |
          |-----------------+----------+-------------------+-----------|
          | Serial port 1   |   CN3    | CPU fan power     |    J25    |
          |-----------------+----------+-------------------+-----------|
          | IDE interface 2 |   CN6    | CPU fan fail      |    J28    |
          |                 |          | warning           |           |
          |-----------------+----------+-------------------+-----------|
          | IDE interface 1 |   CN7    | IDE interface LED |    J39    |
          |-----------------+----------+-------------------+-----------|
          | Floppy drive    |   CN8    | Soft off power    |    J45    |
          | interface       |          | supply            |           |
          |-----------------+----------+-------------------+-----------|
          | PS/2 mouse port |    J2    | Keylock           | J49/pins  |
          |                 |          |                   |   4 & 5   |
          |-----------------+----------+-------------------+-----------|
          | USB connector 1 |    J3    | Soft off power    | J50/pins  |
          |                 |          | supply            |   1 & 2   |
          |-----------------+----------+-------------------+-----------|
          | USB connector 2 |   J3A    | Green PC          | J50/pins  |
          |                 |          | connector         |   3 & 4   |
          |-----------------+----------+-------------------+-----------|
          | Audio in –      |    J4    | IR connector      | J50/pins  |
          | CD-ROM (Sony)   |          |                   |  8 - 10   |
          |-----------------+----------+-------------------+-----------|
          | Audio in –      |    J5    | IDE interface LED | J50/pins  |
          | CD-ROM          |          |                   |  15 & 16  |
          |-----------------+----------+-------------------+-----------|
          | Game port       |    J6    | Power LED         | J50/pins  |
          |                 |          |                   |  18 - 20  |
          |-----------------+----------+-------------------+-----------|
          | Microphone in   |   J6A    | Reset switch      | J50/pins  |
          |                 |          |                   |  22 & 23  |
          |-----------------+----------+-------------------+-----------|
          | Line in         |   J6B    | Speaker           | J50/pins  |
          |                 |          |                   |  24 - 27  |
          |-----------------+----------+-------------------+-----------|
          | Line out        |   J6C    | 32-bit PCI slots  | PC1 – PC4 |
          +------------------------------------------------------------+
       
          +------------------------------------------------------------+
          |                 USER CONFIGURABLE SETTINGS                 |
          |------------------------------------------------------------|
          |              Function               | Label |   Position   |
          |-------------------------------------+-------+--------------|
          | » | Factory configured - do not     | CON7  | Unidentified |
          |   | alter                           |       |              |
          |---+---------------------------------+-------+--------------|
          |   | Serial port used as serial port |  J12  |  Pins 1 & 2  |
          |   |                                 |       |    closed    |
          |---+---------------------------------+-------+--------------|
          |   | Serial port used as IR          |  J12  |  Pins 2 & 3  |
          |   | connector                       |       |    closed    |
          |---+---------------------------------+-------+--------------|
          | » | Factory configured - do not     |  J13  | Unidentified |
          |   | alter                           |       |              |
          |---+---------------------------------+-------+--------------|
          | » | Factory configured - do not     |  J17  | Unidentified |
          |   | alter                           |       |              |
          |---+---------------------------------+-------+--------------|
          | » | Factory configured - do not     |  J21  | Unidentified |
          |   | alter                           |       |              |
          |---+---------------------------------+-------+--------------|
          | » | Factory configured - do not     |  J22  | Unidentified |
          |   | alter                           |       |              |
          |---+---------------------------------+-------+--------------|
          | » | Factory configured - do not     |  J29  | Unidentified |
          |   | alter                           |       |              |
          |---+---------------------------------+-------+--------------|
          | » | Flash BIOS voltage select 5v    |  J36  |  Pins 1 & 2  |
          |   |                                 |       |    closed    |
          |---+---------------------------------+-------+--------------|
          |   | Flash BIOS voltage select 12v   |  J36  |  Pins 2 & 3  |
          |   |                                 |       |    closed    |
          |---+---------------------------------+-------+--------------|
          | » | Factory configured - do not     |  J46  | Unidentified |
          |   | alter                           |       |              |
          |---+---------------------------------+-------+--------------|
          | » | Factory configured - do not     |  J51  | Unidentified |
          |   | alter                           |       |              |
          |---+---------------------------------+-------+--------------|
          | » | CMOS memory normal operation    |  J52  |     Open     |
          |---+---------------------------------+-------+--------------|
          |   | CMOS memory clear               |  J52  |    Closed    |
          |---+---------------------------------+-------+--------------|
          | » | Factory configured - do not     |  J53  | Unidentified |
          |   | alter                           |       |              |
          |---+---------------------------------+-------+--------------|
          | » | Factory configured - do not     |  J54  | Unidentified |
          |   | alter                           |       |              |
          +------------------------------------------------------------+
       
          +------------------------------------------------------------+
          |                     SIMM CONFIGURATION                     |
          |------------------------------------------------------------|
          |    Size    |    Bank 0     |    Bank 1     |    Bank 2     |
          |------------+---------------+---------------+---------------|
          |    8MB     |  (2) 1M x 36  |     None      |     None      |
          |------------+---------------+---------------+---------------|
          |    16MB    |  (2) 1M x 36  |  (2) 1M x 36  |     None      |
          |------------+---------------+---------------+---------------|
          |    16MB    |  (2) 2M x 36  |     None      |     None      |
          |------------+---------------+---------------+---------------|
          |    24MB    |  (2) 1M x 36  |  (2) 1M x 36  |  (2) 1M x 36  |
          |------------+---------------+---------------+---------------|
          |    32MB    |  (2) 2M x 36  |  (2) 2M x 36  |     None      |
          |------------+---------------+---------------+---------------|
          |    32MB    |  (2) 4M x 36  |     None      |     None      |
          |------------+---------------+---------------+---------------|
          |    48MB    |  (2) 2M x 36  |  (2) 2M x 36  |  (2) 2M x 36  |
          |------------+---------------+---------------+---------------|
          |    64MB    |  (2) 4M x 36  |  (2) 4M x 36  |     None      |
          |------------+---------------+---------------+---------------|
          |    64MB    |  (2) 8M x 36  |     None      |     None      |
          |------------+---------------+---------------+---------------|
          |    96MB    |  (2) 4M x 36  |  (2) 4M x 36  |  (2) 4M x 36  |
          |------------+---------------+---------------+---------------|
          |   128MB    |  (2) 8M x 36  |  (2) 8M x 36  |     None      |
          |------------+---------------+---------------+---------------|
          |   128MB    | (2) 16M x 36  |     None      |     None      |
          |------------+---------------+---------------+---------------|
          |   136MB    | (2) 16M x 36  |  (2) 1M x 36  |     None      |
          |------------+---------------+---------------+---------------|
          |   144MB    | (2) 16M x 36  |  (2) 1M x 36  |  (2) 1M x 36  |
          |------------+---------------+---------------+---------------|
          |   144MB    | (2) 16M x 36  |  (2) 2M x 36  |     None      |
          |------------+---------------+---------------+---------------|
          |   160MB    | (2) 16M x 36  |  (2) 2M x 36  |  (2) 2M x 36  |
          |------------+---------------+---------------+---------------|
          |   160MB    | (2) 16M x 36  |  (2) 4M x 36  |     None      |
          |------------+---------------+---------------+---------------|
          |   192MB    | (2) 16M x 36  |  (2) 4M x 36  |  (2) 4M x 36  |
          |------------+---------------+---------------+---------------|
          |   192MB    | (2) 16M x 36  |  (2) 8M x 36  |     None      |
          |------------+---------------+---------------+---------------|
          |   192MB    |  (2) 8M x 36  |  (2) 8M x 36  |  (2) 8M x 36  |
          |------------+---------------+---------------+---------------|
          |   256MB    | (2) 16M x 36  |  (2) 8M x 36  |  (2) 8M x 36  |
          |------------+---------------+---------------+---------------|
          |   256MB    | (2) 16M x 36  | (2) 16M x 36  |     None      |
          |------------+---------------+---------------+---------------|
          |   256MB    | (2) 32M x 36  |     None      |     None      |
          |------------+---------------+---------------+---------------|
          |   264MB    | (2) 32M x 36  |  (2) 1M x 36  |     None      |
          |------------+---------------+---------------+---------------|
          |   272MB    | (2) 32M x 36  |  (2) 1M x 36  |  (2) 1M x 36  |
          |------------+---------------+---------------+---------------|
          |   272MB    | (2) 32M x 36  |  (2) 2M x 36  |     None      |
          |------------+---------------+---------------+---------------|
          |   288MB    | (2) 32M x 36  |  (2) 2M x 36  |  (2) 2M x 36  |
          |------------+---------------+---------------+---------------|
          |   288MB    | (2) 32M x 36  |  (2) 4M x 36  |     None      |
          |------------+---------------+---------------+---------------|
          |   320MB    | (2) 32M x 36  |  (2) 4M x 36  |  (2) 4M x 36  |
          |------------+---------------+---------------+---------------|
          |   320MB    | (2) 32M x 36  |  (2) 8M x 36  |     None      |
          |------------+---------------+---------------+---------------|
          |   384MB    | (2) 32M x 36  |  (2) 8M x 36  |  (2) 8M x 36  |
          |------------+---------------+---------------+---------------|
          |   384MB    | (2) 32M x 36  | (2) 16M x 36  |     None      |
          +------------------------------------------------------------+
       
          +------------------------------------------------------------+
          |                 SIMM CONFIGURATION (CON’T)                 |
          |------------------------------------------------------------|
          |    Size    |    Bank 0     |    Bank 1     |    Bank 2     |
          |------------+---------------+---------------+---------------|
          |   384MB    | (2) 16M x 36  | (2) 16M x 36  | (2) 16M x 36  |
          |------------+---------------+---------------+---------------|
          |   512MB    | (2) 32M x 36  | (2) 16M x 36  | (2) 16M x 36  |
          |------------+---------------+---------------+---------------|
          |   512MB    | (2) 32M x 36  | (2) 32M x 36  |     None      |
          |------------+---------------+---------------+---------------|
          |   768MB    | (2) 32M x 36  | (2) 32M x 36  | (2) 32M x 36  |
          |------------------------------------------------------------|
          |      Note: Board accepts EDO memory.                       |
          +------------------------------------------------------------+
       
          +------------------------------------------------------------+
          |                 SIMM VOLTAGE CONFIGURATION                 |
          |------------------------------------------------------------|
          |   Voltage   |    J32    |    J33    |    J34    |   J35    |
          |-------------+-----------+-----------+-----------+----------|
          |   |  3.3v   |  Closed   |  Closed   |  Closed   |  Closed  |
          |---+---------+-----------+-----------+-----------+----------|
          | » |   5v    |   Open    |   Open    |   Open    |   Open   |
          +------------------------------------------------------------+
       
          +------------------------------------------------------------+
          |             SIMM VOLTAGE CONFIGURATION (CON’T)             |
          |------------------------------------------------------------|
          |   Voltage   |    J41    |    J43    |    J47    |   J48    |
          |-------------+-----------+-----------+-----------+----------|
          |   |  3.3v   |   Open    |   Open    |   Open    |   Open   |
          |---+---------+-----------+-----------+-----------+----------|
          | » |   5v    |  Closed   |  Closed   |  Closed   |  Closed  |
          +------------------------------------------------------------+
       
          +------------------------------------------------------------+
          |                    CACHE CONFIGURATION                     |
          |------------------------------------------------------------|
          | Note: 256KB/512KB cache is located on the Pentium          |
          | Pro/Pentium II CPU.                                        |
          +------------------------------------------------------------+
       
          +------------------------------------------------------------+
          |             CPU SPEED SELECTION (PENTIUM PRO)              |
          |------------------------------------------------------------|
          |CPU speed|Clock speed|Multiplier|  J30  | J31  | J37 | J38  |
          |---------+-----------+----------+-------+------+-----+------|
          | 150MHz  |   60MHz   |   2.5x   | Open  |Closed|3 & 4|Closed|
          |---------+-----------+----------+-------+------+-----+------|
          | 166MHz  |   66MHz   |   2.5x   |Closed | Open |1 & 2|Closed|
          |---------+-----------+----------+-------+------+-----+------|
          | 180MHz  |   60MHz   |    3x    | Open  |Closed|3 & 4|Closed|
          |---------+-----------+----------+-------+------+-----+------|
          | 200MHz  |   66MHz   |    3x    |Closed | Open |1 & 2|Closed|
          |------------------------------------------------------------|
          |Note: Pins designated should be in the closed position.     |
          +------------------------------------------------------------+
       
          +------------------------------------------------------------+
          |          CPU SPEED SELECTION (PENTIUM PRO, CON’T)          |
          |------------------------------------------------------------|
          |   CPU   |  Clock   | Multiplier |  J40   |  J42   |  J44   |
          |  speed  |  speed   |            |        |        |        |
          |---------+----------+------------+--------+--------+--------|
          | 150MHz  |  60MHz   |    2.5x    |  Open  | Closed | Closed |
          |---------+----------+------------+--------+--------+--------|
          | 166MHz  |  66MHz   |    2.5x    |  Open  | Closed | Closed |
          |---------+----------+------------+--------+--------+--------|
          | 180MHz  |  60MHz   |     3x     | Closed |  Open  | Closed |
          |---------+----------+------------+--------+--------+--------|
          | 200MHz  |  66MHz   |     3x     | Closed |  Open  | Closed |
          +------------------------------------------------------------+
       
          +------------------------------------------------------------+
          |              CPU SPEED SELECTION (PENTIUM II)              |
          |------------------------------------------------------------|
          |CPU speed|Clock speed|Multiplier|  J30  | J31  | J37 | J38  |
          |---------+-----------+----------+-------+------+-----+------|
          | 200MHz  |   66MHz   |    3x    |Closed | Open |1 & 2|Closed|
          |---------+-----------+----------+-------+------+-----+------|
          | 233MHz  |   66MHz   |   3.5x   | Open  |Closed|3 & 4|Closed|
          |---------+-----------+----------+-------+------+-----+------|
          | 266MHz  |   66MHz   |    4x    |Closed | Open |1 & 2|Closed|
          |---------+-----------+----------+-------+------+-----+------|
          | 300MHz  |   66MHz   |   4.5x   | Open  |Closed|3 & 4|Closed|
          |------------------------------------------------------------|
          |Note: Pins designated should be in the closed position.     |
          +------------------------------------------------------------+
       
          +------------------------------------------------------------+
          |          CPU SPEED SELECTION (PENTIUM II, CON’T)           |
          |------------------------------------------------------------|
          |   CPU   |  Clock   | Multiplier |  J40   |  J42   |  J44   |
          |  speed  |  speed   |            |        |        |        |
          |---------+----------+------------+--------+--------+--------|
          | 200MHz  |  66MHz   |     3x     | Closed |  Open  | Closed |
          |---------+----------+------------+--------+--------+--------|
          | 233MHz  |  66MHz   |    3.5x    |  Open  |  Open  | Closed |
          |---------+----------+------------+--------+--------+--------|
          | 266MHz  |  66MHz   |     4x     | Closed | Closed |  Open  |
          |---------+----------+------------+--------+--------+--------|
          | 300MHz  |  66MHz   |    4.5x    |  Open  | Closed |  Open  |
          +------------------------------------------------------------+