(TXT) View Source
       
       # PC CHIPS MANUFACTURING, LTD.
       
          M726
       
          Device Type     Mainboard                                      
          Processor       Pentium II/ Celeron                            
          Processor Speed 233/266/300/333/350/366/400/450/500MHz         
          Chip Set        Unidentified                                   
          Audio Chip Set  3D Sound Pro                                   
          Maximum Onboard 768MB (SDRAM supported)                        
          Memory          
          Cache           0/128/256/512KB (located on the CPU)           
          BIOS            AMI                                            
          Dimensions      220mm x 220mm                                  
          I/O Options     32-bit PCI slots (3), floppy drive interface,  
                          IDE interfaces (2), parallel port, PS/2 mouse  
                          interface, serial ports (2), ATX power         
                          connector, AGP slot, audio in - CD-ROMs (2)    
       
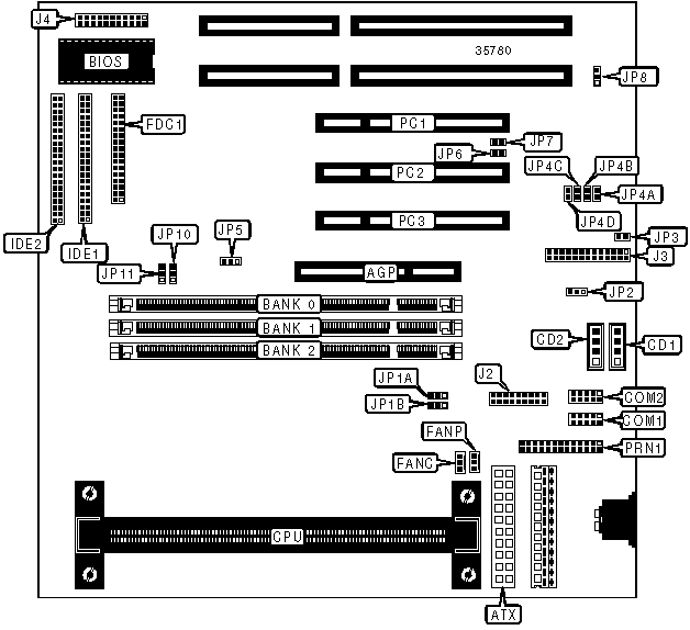
 (IMG) IMG 1
          
       
          +------------------------------------------------------------+
          |                        CONNECTIONS                         |
          |------------------------------------------------------------|
          | Purpose         | Location | Purpose       |   Location    |
          |-----------------+----------+---------------+---------------|
          | AGP slot        |   AGP    | Sound and     |      J3       |
          |                 |          | game header   |               |
          |-----------------+----------+---------------+---------------|
          | ATX power       |   ATX    | Speaker       | J4/pins 1, 3, |
          | connector       |          |               |     5, 7      |
          |-----------------+----------+---------------+---------------|
          | Audio in -      |   CD1    | Power LED &   | J4/pins 2, 4, |
          | CD-ROM          |          | keylock       |   6, 8, 10    |
          |-----------------+----------+---------------+---------------|
          | Audio in -      |   CD2    | Turbo LED     | J4/pins 13 &  |
          | CD-ROM          |          |               |      14       |
          |-----------------+----------+---------------+---------------|
          | Serial port 1   |   COM1   | IDE interface | J4/pins 15 &  |
          |                 |          | LED           |      16       |
          |-----------------+----------+---------------+---------------|
          | Serial port 2   |   COM2   | Reset switch  | J4/pins 17 &  |
          |                 |          |               |      18       |
          |-----------------+----------+---------------+---------------|
          | Chassis fan     |   FANC   | Green PC LED  | J4/pins 19 &  |
          | power           |          |               |      20       |
          |-----------------+----------+---------------+---------------|
          | CPU fan power   |   FANP   | Digital audio |      JP6      |
          |                 |          | in            |               |
          |-----------------+----------+---------------+---------------|
          | Floppy drive    |   FDC1   | Digital audio |      JP7      |
          | interface       |          | out           |               |
          |-----------------+----------+---------------+---------------|
          | IDE interface 1 |   IDE1   | 32-bit PCI    |   PC1 - PC3   |
          |                 |          | slots         |               |
          |-----------------+----------+---------------+---------------|
          | IDE interface 2 |   IDE2   | Parallel port |     PRN1      |
          |-----------------+----------+---------------+---------------|
          | ATX form card   |    J2    |               |               |
          | connector       |          |               |               |
          +------------------------------------------------------------+
       
          +------------------------------------------------------------+
          |                 USER CONFIGURABLE SETTINGS                 |
          |------------------------------------------------------------|
          |              Function               | Label |   Position   |
          |-------------------------------------+-------+--------------|
          | » | CMOS memory normal operation    |  JP2  |  Pins 1 & 2  |
          |   |                                 |       |    closed    |
          |---+---------------------------------+-------+--------------|
          |   | CMOS memory clear               |  JP2  |  Pins 2 & 3  |
          |   |                                 |       |    closed    |
          |---+---------------------------------+-------+--------------|
          | » | Microphone type select standard |  JP3  |     Open     |
          |---+---------------------------------+-------+--------------|
          |   | Microphone type select special  |  JP3  |    Closed    |
          |---+---------------------------------+-------+--------------|
          | » | Onboard sound pro enabled       |  JP8  |  Pins 2 & 3  |
          |   |                                 |       |    closed    |
          |---+---------------------------------+-------+--------------|
          |   | Onboard sound pro disabled      |  JP8  |  Pins 1 & 2  |
          |   |                                 |       |    closed    |
          +------------------------------------------------------------+
       
          +------------------------------------------------------------+
          |                     DIMM CONFIGURATION                     |
          |------------------------------------------------------------|
          |  Size   |      Bank 0       |      Bank 1      |  Bank 2   |
          |---------+-------------------+------------------+-----------|
          |  8 MB   |     1 M x 64      |       None       |   None    |
          |---------+-------------------+------------------+-----------|
          |  16 MB  |     1 M x 64      |     1 M x 64     |   None    |
          |---------+-------------------+------------------+-----------|
          |  16 MB  |     2 M x 64      |       None       |   None    |
          |---------+-------------------+------------------+-----------|
          |  24 MB  |     1 M x 64      |     1 M x 64     | 1 M x 64  |
          |---------+-------------------+------------------+-----------|
          |  32 MB  |     2 M x 64      |     2 M x 64     |   None    |
          |---------+-------------------+------------------+-----------|
          |  32 MB  |     4 M x 64      |       None       |   None    |
          |---------+-------------------+------------------+-----------|
          |  40 MB  |     2 M x 64      |     2 M x 64     | 1 M x 64  |
          |---------+-------------------+------------------+-----------|
          |  48 MB  |     2 M x 64      |     2 M x 64     | 2 M x 64  |
          |---------+-------------------+------------------+-----------|
          |  64 MB  |     4 M x 64      |     4 M x 64     |   None    |
          |---------+-------------------+------------------+-----------|
          |  64 MB  |     8 M x 64      |       None       |   None    |
          |---------+-------------------+------------------+-----------|
          |  80 MB  |     4 M x 64      |     4 M x 64     | 2 M x 64  |
          |---------+-------------------+------------------+-----------|
          |  96 MB  |     4 M x 64      |     4 M x 64     | 4 M x 64  |
          |---------+-------------------+------------------+-----------|
          | 128 MB  |     8 M x 64      |     8 M x 64     |   None    |
          |---------+-------------------+------------------+-----------|
          | 128 MB  |     16 M x 64     |       None       |   None    |
          |---------+-------------------+------------------+-----------|
          | 130 MB  |     8 M x 64      |     8 M x 64     | 4 M x 64  |
          |---------+-------------------+------------------+-----------|
          | 192 MB  |     8 M x 64      |     8 M x 64     | 8 M x 64  |
          |---------+-------------------+------------------+-----------|
          | 256 MB  |     16 M x 64     |    16 M x 64     |   None    |
          |---------+-------------------+------------------+-----------|
          | 256 MB  |     32 M x 64     |       None       |   None    |
          |---------+-------------------+------------------+-----------|
          | 320 MB  |     16 M x 64     |    16 M x 64     | 8 M x 64  |
          |---------+-------------------+------------------+-----------|
          | 384 MB  |     16 M x 64     |    16 M x 64     | 16 M x 64 |
          |---------+-------------------+------------------+-----------|
          | 512 MB  |     32 M x 64     |    32 M x 64     |   None    |
          |---------+-------------------+------------------+-----------|
          | 640 MB  |     32 M x 64     |    32 M x 64     | 16 M x 64 |
          |---------+-------------------+------------------+-----------|
          | 768 MB  |     32 M x 64     |    32 M x 64     | 32 M x 64 |
          |------------------------------------------------------------|
          |                 DIMM VOLTAGE CONFIGURATION                 |
          |------------------------------------------------------------|
          | Voltage |       JP1A        |       JP1B       |           |
          |---------+-------------------+------------------+-----------|
          |  3.3v   | Pins 1 & 2 closed |    Pins 1 & 2    |           |
          |         |                   |      closed      |           |
          |---------+-------------------+------------------+-----------|
          |   5v    | Pins 2 & 3 closed |    Pins 2 & 3    |           |
          |         |                   |      closed      |           |
          +------------------------------------------------------------+
       
          +------------------------------------------------------------+
          |                    CACHE CONFIGURATION                     |
          |------------------------------------------------------------|
          | Note: 256KB/512KB cache is located on the Pentium II CPU.  |
          | 128KB cache is located on the Celeron 300A & 333 CPU.      |
          +------------------------------------------------------------+
       
          +------------------------------------------------------------+
          |                  CPU MULTIPLIER SELECTION                  |
          |------------------------------------------------------------|
          |  Multiplier  |   JP4A    |   JP4B    |   JP4C   |   JP4D   |
          |--------------+-----------+-----------+----------+----------|
          |      2x      |  Closed   |  Closed   |  Closed  |  Closed  |
          |--------------+-----------+-----------+----------+----------|
          |     2.5x     |   Open    |  Closed   |  Closed  |  Closed  |
          |--------------+-----------+-----------+----------+----------|
          |      3x      |  Closed   |  Closed   |   Open   |  Closed  |
          |--------------+-----------+-----------+----------+----------|
          |     3.5x     |   Open    |  Closed   |   Open   |  Closed  |
          |--------------+-----------+-----------+----------+----------|
          |      4x      |  Closed   |  Closed   |  Closed  |   Open   |
          |--------------+-----------+-----------+----------+----------|
          |     4.5x     |   Open    |  Closed   |  Closed  |   Open   |
          |--------------+-----------+-----------+----------+----------|
          |      5x      |  Closed   |  Closed   |   Open   |   Open   |
          |--------------+-----------+-----------+----------+----------|
          |     5.5x     |   Open    |  Closed   |   Open   |   Open   |
          |--------------+-----------+-----------+----------+----------|
          |      6x      |  Closed   |   Open    |  Closed  |  Closed  |
          |--------------+-----------+-----------+----------+----------|
          |     6.5x     |   Open    |   Open    |  Closed  |  Closed  |
          |--------------+-----------+-----------+----------+----------|
          |      7x      |  Closed   |   Open    |   Open   |  Closed  |
          |--------------+-----------+-----------+----------+----------|
          |     7.5x     |   Open    |   Open    |   Open   |  Closed  |
          |--------------+-----------+-----------+----------+----------|
          |      8x      |  Closed   |   Open    |  Closed  |   Open   |
          +------------------------------------------------------------+
       
          +------------------------------------------------------------+
          |                  CPU FREQUENCY SELECTION                   |
          |------------------------------------------------------------|
          | Speed  |      JP5       |      JP10      |      JP11       |
          |--------+----------------+----------------+-----------------|
          | 66MHz  |   Pins 2 & 3   |   Pins 1 & 2   |   Pins 1 & 2    |
          |        |     closed     |     closed     |     closed      |
          |--------+----------------+----------------+-----------------|
          | 100MHz |   Pins 1 & 2   |   Pins 1 & 2   |   Pins 1 & 2    |
          |        |     closed     |     closed     |     closed      |
          |--------+----------------+----------------+-----------------|
          | 112MHz |   Pins 1 & 2   |   Pins 1 & 2   |   Pins 2 & 3    |
          |        |     closed     |     closed     |     closed      |
          |--------+----------------+----------------+-----------------|
          | 133MHz |   Pins 1 & 2   |   Pins 2 & 3   |   Pins 1 & 2    |
          |        |     closed     |     closed     |     closed      |
          +------------------------------------------------------------+