(TXT) View Source
       
       # QDI COMPUTER, INC.
       
          P6I440BX/D
       
          Device Type      Mainboard                                     
          Processor        Pentium II                                    
          Processor Speed  233/266/300/333/350/400/450MHz                
          Chip Set         Intel 440BX                                   
          Maximum Onboard  1GB (SDRAM supported)                         
          Memory           
          Cache            256/512KB (located on the Pentium II CPU)     
          BIOS             Award                                         
          Dimensions       305mm x 310mm                                 
          I/O Options      32-bit PCI slots (4), floppy drive interface, 
                           green PC connector, IDE interfaces (2),       
                           parallel port, PS/2 mouse port, serial ports  
                           (2), IR connector, USB connectors (2), ATX    
                           power connector, AGP slot, RAID slot, wake on 
                           modem connector                               
       
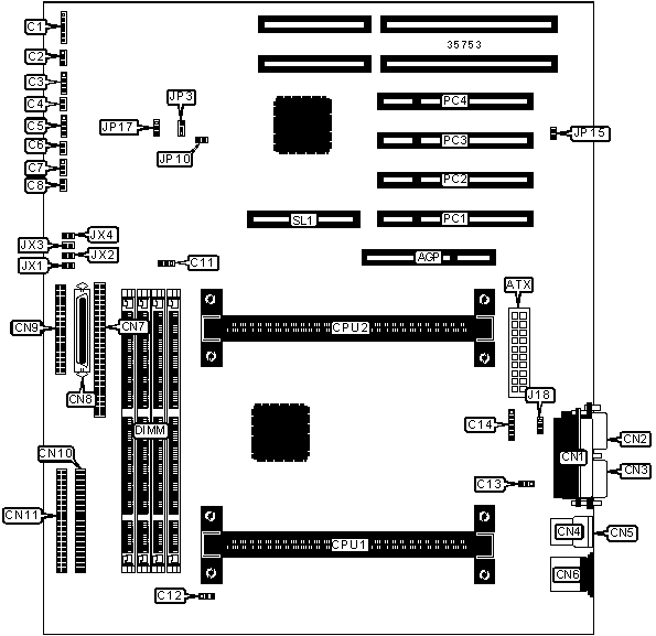
 (IMG) IMG 1
          
       
          +------------------------------------------------------------+
          |                        CONNECTIONS                         |
          |------------------------------------------------------------|
          | Purpose           | Location | Purpose          | Location |
          |-------------------+----------+------------------+----------|
          | AGP slot          |   AGP    | Parallel port    |   CN1    |
          |-------------------+----------+------------------+----------|
          | ATX power         |   ATX    | Serial port      |   CN2    |
          | connector         |          |                  |          |
          |-------------------+----------+------------------+----------|
          | IR connector      |    C1    | Serial port      |   CN3    |
          |-------------------+----------+------------------+----------|
          | Bak fan power     |    C2    | USB connector 1  |   CN4    |
          |-------------------+----------+------------------+----------|
          | IDE interface LED |    C3    | USB connector 2  |   CN5    |
          |-------------------+----------+------------------+----------|
          | Reset switch      |    C4    | PS/2 mouse port  |   CN6    |
          |-------------------+----------+------------------+----------|
          | Speaker           |    C5    | SCSI interface   |   CN7    |
          |-------------------+----------+------------------+----------|
          | Power LED &       |    C6    | Ultra Wide SCSI  |   CN8    |
          | keylock           |          | interface        |          |
          |-------------------+----------+------------------+----------|
          | Green PC LED      |    C7    | Floppy drive     |   CN9    |
          |                   |          | interface        |          |
          |-------------------+----------+------------------+----------|
          | Green PC          |    C8    | IDE interface    |   CN10   |
          | connector         |          |                  |          |
          |-------------------+----------+------------------+----------|
          | CPU fan power     |   C11    | IDE interface    |   CN11   |
          |-------------------+----------+------------------+----------|
          | Chassis fan power |   C12    | Chassis          |   J18    |
          |                   |          | intrusion        |          |
          |                   |          | connector        |          |
          |-------------------+----------+------------------+----------|
          | Wake on modem     |   C13    | 32-bit PCI slots |  PC1 –   |
          | connector         |          |                  |   PC4    |
          |-------------------+----------+------------------+----------|
          | 1/2 ATX power     |   C14    | RAID slot        |   SL1    |
          | connector         |          |                  |          |
          +------------------------------------------------------------+
       
          +------------------------------------------------------------+
          |                 USER CONFIGURABLE SETTINGS                 |
          |------------------------------------------------------------|
          |             Function             | Label |    Position     |
          |----------------------------------+-------+-----------------|
          | » | CMOS memory normal operation |  JP3  |   Pins 2 & 3    |
          |   |                              |       |     closed      |
          |---+------------------------------+-------+-----------------|
          |   | CMOS memory clear            |  JP3  |   Pins 1 & 2    |
          |   |                              |       |     closed      |
          |---+------------------------------+-------+-----------------|
          | » | On board LAN enabled         | JP10  |     Closed      |
          |---+------------------------------+-------+-----------------|
          |   | On board LAN disabled        | JP10  |      Open       |
          |---+------------------------------+-------+-----------------|
          | » | On board SCSI enabled        | JP15  |     Closed      |
          |---+------------------------------+-------+-----------------|
          |   | On board SCSI disabled       | JP15  |      Open       |
          +------------------------------------------------------------+
       
          +------------------------------------------------------------+
          |                     DIMM CONFIGURATION                     |
          |------------------------------------------------------------|
          | Size |   Bank 0    |   Bank 1    |   Bank 2   |   Bank 3   |
          |------+-------------+-------------+------------+------------|
          | 8MB  | (1) 1M x 64 |    None     |    None    |    None    |
          |------+-------------+-------------+------------+------------|
          | 16MB | (1) 2M x 64 |    None     |    None    |    None    |
          |------+-------------+-------------+------------+------------|
          | 16MB | (1) 1M x 64 | (1) 1M x 64 |    None    |    None    |
          |------+-------------+-------------+------------+------------|
          | 24MB | (1) 2M x 64 | (1) 1M x 64 |    None    |    None    |
          |------+-------------+-------------+------------+------------|
          | 24MB | (1) 1M x 64 | (1) 1M x 64 |  (1) 1M x  |    None    |
          |      |             |             |     64     |            |
          |------+-------------+-------------+------------+------------|
          | 32MB | (1) 4M x 64 |    None     |    None    |    None    |
          |------+-------------+-------------+------------+------------|
          | 32MB | (1) 2M x 64 | (1) 2M x 64 |    None    |    None    |
          |------+-------------+-------------+------------+------------|
          | 32MB | (1) 1M x 64 | (1) 1M x 64 |  (1) 1M x  |  (1) 1M x  |
          |      |             |             |     64     |     64     |
          |------+-------------+-------------+------------+------------|
          | 40MB | (1) 4M x 64 | (1) 1M x 64 |    None    |    None    |
          +------------------------------------------------------------+
       
          +------------------------------------------------------------+
          |                 DIMM CONFIGURATION (CON’T)                 |
          |------------------------------------------------------------|
          |  Size  |   Bank 0   |   Bank 1   |   Bank 2   |   Bank 3   |
          |--------+------------+------------+------------+------------|
          |  48MB  |  (1) 4M x  |  (1) 2M x  |    None    |    None    |
          |        |     64     |     64     |            |            |
          |--------+------------+------------+------------+------------|
          |  48MB  |  (1) 2M x  |  (1) 2M x  |  (1) 2M x  |    None    |
          |        |     64     |     64     |     64     |            |
          |--------+------------+------------+------------+------------|
          |  64MB  |  (1) 2M x  |  (1) 2M x  |  (1) 2M x  |  (1) 2M x  |
          |        |     64     |     64     |     64     |     64     |
          |--------+------------+------------+------------+------------|
          |  64MB  |  (1) 8M x  |    None    |    None    |    None    |
          |        |     64     |            |            |            |
          |--------+------------+------------+------------+------------|
          |  64MB  |  (1) 4M x  |  (1) 4M x  |    None    |    None    |
          |        |     64     |     64     |            |            |
          |--------+------------+------------+------------+------------|
          |  72MB  |  (1) 8M x  |  (1) 1M x  |    None    |    None    |
          |        |     64     |     64     |            |            |
          |--------+------------+------------+------------+------------|
          |  80MB  |  (1) 8M x  |  (1) 2M x  |    None    |    None    |
          |        |     64     |     64     |            |            |
          |--------+------------+------------+------------+------------|
          |  96MB  |  (1) 8M x  |  (1) 4M x  |    None    |    None    |
          |        |     64     |     64     |            |            |
          |--------+------------+------------+------------+------------|
          |  96MB  |  (1) 4M x  |  (1) 4M x  |  (1) 4M x  |    None    |
          |        |     64     |     64     |     64     |            |
          |--------+------------+------------+------------+------------|
          | 128MB  | (1) 16M x  |    None    |    None    |    None    |
          |        |     64     |            |            |            |
          |--------+------------+------------+------------+------------|
          | 128MB  |  (1) 8M x  |  (1) 8M x  |    None    |    None    |
          |        |     64     |     64     |            |            |
          |--------+------------+------------+------------+------------|
          | 128MB  |  (1) 4M x  |  (1) 4M x  |  (1) 4M x  |  (1) 4M x  |
          |        |     64     |     64     |     64     |     64     |
          |--------+------------+------------+------------+------------|
          | 136MB  | (1) 16M x  |  (1) 1M x  |    None    |    None    |
          |        |     64     |     64     |            |            |
          |--------+------------+------------+------------+------------|
          | 144MB  | (1) 16M x  |  (1) 2M x  |    None    |    None    |
          |        |     64     |     64     |            |            |
          |--------+------------+------------+------------+------------|
          | 152MB  | (1) 16M x  |  (1) 1M x  |  (1) 1M x  |  (1) 1M x  |
          |        |     64     |     64     |     64     |     64     |
          |--------+------------+------------+------------+------------|
          | 160MB  | (1) 16M x  |  (1) 4M x  |    None    |    None    |
          |        |     64     |     64     |            |            |
          |--------+------------+------------+------------+------------|
          | 176MB  | (1) 16M x  |  (1) 2M x  |  (1) 2M x  |  (1) 2M x  |
          |        |     64     |     64     |     64     |     64     |
          |--------+------------+------------+------------+------------|
          | 192MB  | (1) 16M x  |  (1) 8M x  |    None    |    None    |
          |        |     64     |     64     |            |            |
          |--------+------------+------------+------------+------------|
          | 192MB  |  (1) 8M x  |  (1) 8M x  |  (1) 8M x  |    None    |
          |        |     64     |     64     |     64     |            |
          |--------+------------+------------+------------+------------|
          | 224MB  | (1) 16M x  |  (1) 4M x  |  (1) 4M x  |  (1) 4M x  |
          |        |     64     |     64     |     64     |     64     |
          |--------+------------+------------+------------+------------|
          | 256MB  | (1) 32M x  |    None    |    None    |    None    |
          |        |     64     |            |            |            |
          |--------+------------+------------+------------+------------|
          | 256MB  | (1) 16M x  | (1) 16M x  |    None    |    None    |
          |        |     64     |     64     |            |            |
          |--------+------------+------------+------------+------------|
          | 256MB  |  (1) 8M x  |  (1) 8M x  |  (1) 8M x  |  (1) 8M x  |
          |        |     64     |     64     |     64     |     64     |
          |--------+------------+------------+------------+------------|
          | 272MB  | (1) 16M x  | (1) 16M x  |  (1) 1M x  |  (1) 1M x  |
          |        |     64     |     64     |     64     |     64     |
          |--------+------------+------------+------------+------------|
          | 280MB  | (1) 32M x  |  (1) 1M x  |  (1) 1M x  |  (1) 1M x  |
          |        |     64     |     64     |     64     |     64     |
          |--------+------------+------------+------------+------------|
          | 304MB  | (1) 32M x  |  (1) 2M x  |  (1) 2M x  |  (1) 2M x  |
          |        |     64     |     64     |     64     |     64     |
          |--------+------------+------------+------------+------------|
          | 320MB  | (1) 16M x  |  (1) 8M x  |  (1) 8M x  |  (1) 8M x  |
          |        |     64     |     64     |     64     |     64     |
          |--------+------------+------------+------------+------------|
          | 352MB  | (1) 32M x  |  (1) 4M x  |  (1) 4M x  |  (1) 4M x  |
          |        |     64     |     64     |     64     |     64     |
          |--------+------------+------------+------------+------------|
          | 384MB  | (1) 16M x  | (1) 16M x  | (1) 16M x  |    None    |
          |        |     64     |     64     |     64     |            |
          |--------+------------+------------+------------+------------|
          | 448MB  | (1) 32M x  |  (1) 8M x  |  (1) 8M x  |  (1) 8M x  |
          |        |     64     |     64     |     64     |     64     |
          |--------+------------+------------+------------+------------|
          | 512MB  | (1) 32M x  | (1) 32M x  |    None    |    None    |
          |        |     64     |     64     |            |            |
          |--------+------------+------------+------------+------------|
          | 512MB  | (1) 16M x  | (1) 16M x  | (1) 16M x  | (1) 16M x  |
          |        |     64     |     64     |     64     |     64     |
          |--------+------------+------------+------------+------------|
          | 640MB  | (1) 32M x  | (1) 16M x  | (1) 16M x  | (1) 16M x  |
          |        |     64     |     64     |     64     |     64     |
          |--------+------------+------------+------------+------------|
          | 768MB  | (1) 32M x  | (1) 32M x  | (1) 32M x  |    None    |
          |        |     64     |     64     |     64     |            |
          |--------+------------+------------+------------+------------|
          | 1024MB | (1) 32M x  | (1) 32M x  | (1) 32M x  | (1) 32M x  |
          |        |     64     |     64     |     64     |     64     |
          |------------------------------------------------------------|
          |      Note: Board accepts SDRAM memory.                     |
          +------------------------------------------------------------+
       
          +------------------------------------------------------------+
          |                    CACHE CONFIGURATION                     |
          |------------------------------------------------------------|
          | Note: 256KB/512KB cache is located on the Pentium II CPU.  |
          +------------------------------------------------------------+
       
          +------------------------------------------------------------+
          |                    CPU SPEED SELECTION                     |
          |------------------------------------------------------------|
          |CPU speed|Clock speed|Multiplier| JX1  | JX2  | JX3  | JX4  |
          |---------+-----------+----------+------+------+------+------|
          | 233MHz  |   66MHz   |   3.5x   | Open | Open |Closed|Closed|
          |---------+-----------+----------+------+------+------+------|
          | 266MHz  |   66MHz   |    4x    |Closed|Closed| Open |Closed|
          |---------+-----------+----------+------+------+------+------|
          | 300MHz  |   66MHz   |   4.5x   | Open |Closed| Open |Closed|
          |---------+-----------+----------+------+------+------+------|
          | 333MHz  |   66MHz   |    5x    |Closed| Open | Open |Closed|
          |---------+-----------+----------+------+------+------+------|
          | 350MHz  |  100MHz   |   3.5x   | Open | Open |Closed|Closed|
          |---------+-----------+----------+------+------+------+------|
          | 400MHz  |  100MHz   |    4x    |Closed|Closed| Open |Closed|
          |---------+-----------+----------+------+------+------+------|
          | 450MHz  |  100MHz   |   4.5x   | Open |Closed| Open |Closed|
          +------------------------------------------------------------+
       
          +------------------------------------------------------------+
          |                 SCSI TERMINATION SELECTION                 |
          |------------------------------------------------------------|
          |              Setting              |          JP17          |
          |-----------------------------------+------------------------|
          | » |   Auto termination enabled    |   Pins 2 & 3 closed    |
          |---+-------------------------------+------------------------|
          |   |   Auto termination disabled   |          Open          |
          +------------------------------------------------------------+