(TXT) View Source
       
       # QDI COMPUTER, INC.
       
          P6I440EX/ATX
       
          Device Type      Mainboard                                     
          Processor        Pentium II/Celeron                            
          Processor Speed  233/266/300/333MHz                            
          Chip Set         Intel 440EX                                   
          Video Chip Set   None                                          
          Maximum Onboard  512MB (EDO & SDRAM supported)                 
          Memory           
          Maximum Video    None                                          
          Memory           
          Cache            0/128/256/512KB (located on the CPU)          
          BIOS             Award                                         
          Dimensions       305mm x 175mm                                 
          I/O Options      32-bit PCI slots (3), floppy drive interface, 
                           green PC connector, IDE interfaces (2),       
                           parallel port, PS/2 mouse port, serial ports  
                           (2), IR connector, USB connectors (2), ATX    
                           power connector, AGP slot, SB-link connector, 
                           wake on LAN connector, wake on modem          
                           connector                                     
       
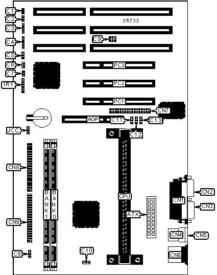
 (IMG) IMG 1
          
       
          +------------------------------------------------------------+
          |                        CONNECTIONS                         |
          |------------------------------------------------------------|
          | Purpose           | Location | Purpose          | Location |
          |-------------------+----------+------------------+----------|
          | AGP slot          |   AGP    | Wake on LAN      |   C12    |
          |                   |          | connector        |          |
          |-------------------+----------+------------------+----------|
          | ATX power         |   ATX    | Wake on modem    |   C13    |
          | connector         |          | connector        |          |
          |-------------------+----------+------------------+----------|
          | IDE interface LED |    C1    | Parallel port    |   CN1    |
          |-------------------+----------+------------------+----------|
          | Reset switch      |    C2    | Serial port 1    |   CN2    |
          |-------------------+----------+------------------+----------|
          | Speaker           |    C3    | Serial port 2    |   CN3    |
          |-------------------+----------+------------------+----------|
          | Soft off power    |    C4    | USB connector 1  |   CN4    |
          | supply            |          |                  |          |
          |-------------------+----------+------------------+----------|
          | Power LED         |    C5    | USB connector 2  |   CN5    |
          |-------------------+----------+------------------+----------|
          | Green PC LED      |    C6    | PS/2 mouse port  |   CN6    |
          |-------------------+----------+------------------+----------|
          | Green PC          |    C7    | Floppy drive     |   CN7    |
          | connector         |          | interface        |          |
          |-------------------+----------+------------------+----------|
          | Chassis security  |    C8    | IDE interface 1  |   CN8    |
          | connector         |          |                  |          |
          |-------------------+----------+------------------+----------|
          | SB-link connector |    C9    | IDE interface 2  |   CN9    |
          |-------------------+----------+------------------+----------|
          | CPU fan power     |   C10    | IR connector     |   IR1    |
          |-------------------+----------+------------------+----------|
          | Chassis fan power |   C11    | 32-bit PCI slots |  PC1 –   |
          |                   |          |                  |   PC3    |
          +------------------------------------------------------------+
       
          +------------------------------------------------------------+
          |                 USER CONFIGURABLE SETTINGS                 |
          |------------------------------------------------------------|
          |             Function             | Label |    Position     |
          |----------------------------------+-------+-----------------|
          | » | CMOS memory normal operation |  JCC  |   Pins 2 & 3    |
          |   |                              |       |     closed      |
          |---+------------------------------+-------+-----------------|
          |   | CMOS memory clear            |  JCC  |   Pins 1 & 2    |
          |   |                              |       |     closed      |
          +------------------------------------------------------------+
       
          +------------------------------------------------------------+
          |                     DIMM CONFIGURATION                     |
          |------------------------------------------------------------|
          |       Size       |       Bank 0       |       Bank 1       |
          |------------------+--------------------+--------------------|
          |       8MB        |    (1) 1M x 64     |        None        |
          |------------------+--------------------+--------------------|
          |       16MB       |    (1) 2M x 64     |        None        |
          |------------------+--------------------+--------------------|
          |       16MB       |    (1) 1M x 64     |    (1) 1M x 64     |
          |------------------+--------------------+--------------------|
          |       24MB       |    (1) 2M x 64     |    (1) 1M x 64     |
          |------------------+--------------------+--------------------|
          |       32MB       |    (1) 4M x 64     |        None        |
          |------------------+--------------------+--------------------|
          |       32MB       |    (1) 2M x 64     |    (1) 2M x 64     |
          |------------------+--------------------+--------------------|
          |       40MB       |    (1) 4M x 64     |    (1) 1M x 64     |
          |------------------+--------------------+--------------------|
          |       48MB       |    (1) 4M x 64     |    (1) 2M x 64     |
          |------------------+--------------------+--------------------|
          |       64MB       |    (1) 8M x 64     |        None        |
          |------------------+--------------------+--------------------|
          |       64MB       |    (1) 4M x 64     |    (1) 4M x 64     |
          |------------------+--------------------+--------------------|
          |       72MB       |    (1) 8M x 64     |    (1) 1M x 64     |
          |------------------+--------------------+--------------------|
          |       80MB       |    (1) 8M x 64     |    (1) 2M x 64     |
          |------------------+--------------------+--------------------|
          |       96MB       |    (1) 8M x 64     |    (1) 4M x 64     |
          |------------------+--------------------+--------------------|
          |      128MB       |    (1) 8M x 64     |    (1) 8M x 64     |
          +------------------------------------------------------------+
       
          +------------------------------------------------------------+
          |                 DIMM CONFIGURATION (CON’T)                 |
          |------------------------------------------------------------|
          |     Size      |        Bank 0        |       Bank 1        |
          |---------------+----------------------+---------------------|
          |     128MB     |     (1) 16M x 64     |        None         |
          |---------------+----------------------+---------------------|
          |     136MB     |     (1) 16M x 64     |     (1) 1M x 64     |
          |---------------+----------------------+---------------------|
          |     144MB     |     (1) 16M x 64     |     (1) 2M x 64     |
          |---------------+----------------------+---------------------|
          |     160MB     |     (1) 16M x 64     |     (1) 4M x 64     |
          |---------------+----------------------+---------------------|
          |     192MB     |     (1) 16M x 64     |     (1) 8M x 64     |
          |---------------+----------------------+---------------------|
          |     256MB     |     (1) 16M x 64     |    (1) 16M x 64     |
          |---------------+----------------------+---------------------|
          |     256MB     |     (1) 32M x 64     |        None         |
          |---------------+----------------------+---------------------|
          |     264MB     |     (1) 32M x 64     |     (1) 1M x 64     |
          |---------------+----------------------+---------------------|
          |     272MB     |     (1) 32M x 64     |     (1) 2M x 64     |
          |---------------+----------------------+---------------------|
          |     288MB     |     (1) 32M x 64     |     (1) 4M x 64     |
          |---------------+----------------------+---------------------|
          |     320MB     |     (1) 32M x 64     |     (1) 8M x 64     |
          |---------------+----------------------+---------------------|
          |     384MB     |     (1) 32M x 64     |    (1) 16M x 64     |
          |---------------+----------------------+---------------------|
          |     512MB     |     (1) 32M x 64     |    (1) 32M x 64     |
          |------------------------------------------------------------|
          |      Note: Board accepts EDO & SDRAM memory. Maximum SDRAM |
          |      is 256MB. Maximum EDO is 512MB.                       |
          +------------------------------------------------------------+
       
          +------------------------------------------------------------+
          |                    CACHE CONFIGURATION                     |
          |------------------------------------------------------------|
          |      Note: 256KB/512KB cache is located on the Pentium II  |
          |      CPU. 128KB cache is located on the Celeron 300A & 333 |
          |      CPU.                                                  |
          +------------------------------------------------------------+