(TXT) View Source
       
       # QDI COMPUTER, INC.
       
          P6I440BX/B1
       
          Device Type      Mainboard                                     
          Processor        Pentium II                                    
          Processor Speed  233/266/300/333/350/400/450MHz                
          Chip Set         Intel 440BX                                   
          Video Chip Set   None                                          
          Maximum Onboard  384MB (SDRAM supported)                       
          Memory           
          Maximum Video    None                                          
          Memory           
          Cache            256/512KB (located on Pentium II CPU)         
          BIOS             Award                                         
          Dimensions       305mm x 190mm                                 
          I/O Options      32-bit PCI slots (4), floppy drive interface, 
                           green PC connector, IDE interfaces (2),       
                           parallel port, PS/2 mouse port, serial ports  
                           (2), IR connector, USB connectors (2), ATX    
                           power connector, AGP slot, SB-link connector, 
                           wake on LAN connector, wake on modem          
                           connector                                     
       
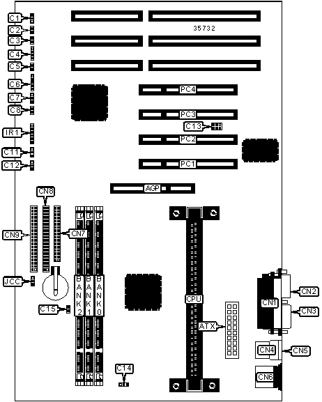
 (IMG) IMG 1
          
       
          +------------------------------------------------------------+
          |                        CONNECTIONS                         |
          |------------------------------------------------------------|
          | Purpose           | Location | Purpose          | Location |
          |-------------------+----------+------------------+----------|
          | AGP slot          |   AGP    | CPU fan power    |   C14    |
          |-------------------+----------+------------------+----------|
          | ATX power         |   ATX    | Chassis          |   C15    |
          | connector         |          | intrusion        |          |
          |                   |          | connector        |          |
          |-------------------+----------+------------------+----------|
          | Chassis fan power |    C1    | Parallel port    |   CN1    |
          |-------------------+----------+------------------+----------|
          | IDE interface LED |    C2    | Serial port 1    |   CN2    |
          |-------------------+----------+------------------+----------|
          | Reset switch      |    C3    | Serial port 2    |   CN3    |
          |-------------------+----------+------------------+----------|
          | Speaker           |    C4    | USB connector 1  |   CN4    |
          |-------------------+----------+------------------+----------|
          | Soft off power    |    C5    | USB connector 2  |   CN5    |
          | supply            |          |                  |          |
          |-------------------+----------+------------------+----------|
          | Power LED &       |    C6    | PS/2 mouse port  |   CN6    |
          | keylock           |          |                  |          |
          |-------------------+----------+------------------+----------|
          | Green PC LED      |    C7    | Floppy drive     |   CN7    |
          |                   |          | interface        |          |
          |-------------------+----------+------------------+----------|
          | Green PC          |    C8    | IDE interface 2  |   CN8    |
          | connector         |          |                  |          |
          |-------------------+----------+------------------+----------|
          | Wake on LAN       |   C11    | IDE interface 1  |   CN9    |
          | connector         |          |                  |          |
          |-------------------+----------+------------------+----------|
          | Wake on modem     |   C12    | IR connector     |   IR1    |
          | connector         |          |                  |          |
          |-------------------+----------+------------------+----------|
          | SB-link connector |   C13    | 32-bit PCI slots |  PC1 –   |
          |                   |          |                  |   PC4    |
          +------------------------------------------------------------+
       
          +------------------------------------------------------------+
          |                 USER CONFIGURABLE SETTINGS                 |
          |------------------------------------------------------------|
          |             Function             | Label |    Position     |
          |----------------------------------+-------+-----------------|
          | » | CMOS memory normal operation |  JCC  |   Pins 2 & 3    |
          |   |                              |       |     closed      |
          |---+------------------------------+-------+-----------------|
          |   | CMOS memory clear            |  JCC  |   Pins 1 & 2    |
          |   |                              |       |     closed      |
          +------------------------------------------------------------+
       
          +------------------------------------------------------------+
          |                     DIMM CONFIGURATION                     |
          |------------------------------------------------------------|
          |    Size    |    Bank 0     |    Bank 1     |    Bank 2     |
          |------------+---------------+---------------+---------------|
          |    8MB     |  (1) 1M x 64  |     None      |     None      |
          |------------+---------------+---------------+---------------|
          |    16MB    |  (1) 2M x 64  |     None      |     None      |
          |------------+---------------+---------------+---------------|
          |    16MB    |  (1) 1M x 64  |  (1) 1M x 64  |     None      |
          |------------+---------------+---------------+---------------|
          |    24MB    |  (1) 2M x 64  |  (1) 1M x 64  |     None      |
          |------------+---------------+---------------+---------------|
          |    24MB    |  (1) 1M x 64  |  (1) 1M x 64  |  (1) 1M x 64  |
          |------------+---------------+---------------+---------------|
          |    32MB    |  (1) 4M x 64  |     None      |     None      |
          |------------+---------------+---------------+---------------|
          |    32MB    |  (1) 2M x 64  |  (1) 1M x 64  |  (1) 1M x 64  |
          |------------+---------------+---------------+---------------|
          |    32MB    |  (1) 2M x 64  |  (1) 2M x 64  |     None      |
          |------------+---------------+---------------+---------------|
          |    40MB    |  (1) 4M x 64  |  (1) 1M x 64  |     None      |
          |------------+---------------+---------------+---------------|
          |    40MB    |  (1) 2M x 64  |  (1) 2M x 64  |  (1) 1M x 64  |
          |------------+---------------+---------------+---------------|
          |    48MB    |  (1) 4M x 64  |  (1) 1M x 64  |  (1) 1M x 64  |
          |------------+---------------+---------------+---------------|
          |    48MB    |  (1) 4M x 64  |  (1) 2M x 64  |     None      |
          |------------+---------------+---------------+---------------|
          |    48MB    |  (1) 2M x 64  |  (1) 2M x 64  |  (1) 2M x 64  |
          +------------------------------------------------------------+
       
          +------------------------------------------------------------+
          |                 DIMM CONFIGURATION (CON’T)                 |
          |------------------------------------------------------------|
          |    Size    |    Bank 0     |    Bank 1     |    Bank 2     |
          |------------+---------------+---------------+---------------|
          |    56MB    |  (1) 4M x 64  |  (1) 2M x 64  |  (1) 1M x 64  |
          |------------+---------------+---------------+---------------|
          |    64MB    |  (1) 8M x 64  |     None      |     None      |
          |------------+---------------+---------------+---------------|
          |    64MB    |  (1) 4M x 64  |  (1) 2M x 64  |  (1) 2M x 64  |
          |------------+---------------+---------------+---------------|
          |    64MB    |  (1) 4M x 64  |  (1) 4M x 64  |     None      |
          |------------+---------------+---------------+---------------|
          |    72MB    |  (1) 8M x 64  |  (1) 1M x 64  |     None      |
          |------------+---------------+---------------+---------------|
          |    72MB    |  (1) 4M x 64  |  (1) 4M x 64  |  (1) 1M x 64  |
          |------------+---------------+---------------+---------------|
          |    80MB    |  (1) 8M x 64  |  (1) 1M x 64  |  (1) 1M x 64  |
          |------------+---------------+---------------+---------------|
          |    80MB    |  (1) 8M x 64  |  (1) 2M x 64  |     None      |
          |------------+---------------+---------------+---------------|
          |    80MB    |  (1) 4M x 64  |  (1) 4M x 64  |  (1) 2M x 64  |
          |------------+---------------+---------------+---------------|
          |    88MB    |  (1) 8M x 64  |  (1) 2M x 64  |  (1) 1M x 64  |
          |------------+---------------+---------------+---------------|
          |    96MB    |  (1) 8M x 64  |  (1) 2M x 64  |  (1) 2M x 64  |
          |------------+---------------+---------------+---------------|
          |    96MB    |  (1) 8M x 64  |  (1) 4M x 64  |     None      |
          |------------+---------------+---------------+---------------|
          |    96MB    |  (1) 4M x 64  |  (1) 4M x 64  |  (1) 4M x 64  |
          |------------+---------------+---------------+---------------|
          |   104MB    |  (1) 8M x 64  |  (1) 4M x 64  |  (1) 1M x 64  |
          |------------+---------------+---------------+---------------|
          |   112MB    |  (1) 8M x 64  |  (1) 4M x 64  |  (1) 2M x 64  |
          |------------+---------------+---------------+---------------|
          |   128MB    | (1) 16M x 64  |     None      |     None      |
          |------------+---------------+---------------+---------------|
          |   128MB    |  (1) 8M x 64  |  (1) 4M x 64  |  (1) 4M x 64  |
          |------------+---------------+---------------+---------------|
          |   128MB    |  (1) 8M x 64  |  (1) 8M x 64  |     None      |
          |------------+---------------+---------------+---------------|
          |   136MB    | (1) 16M x 64  |  (1) 1M x 64  |     None      |
          |------------+---------------+---------------+---------------|
          |   136MB    |  (1) 8M x 64  |  (1) 8M x 64  |  (1) 1M x 64  |
          |------------+---------------+---------------+---------------|
          |   144MB    | (1) 16M x 64  |  (1) 1M x 64  |  (1) 1M x 64  |
          |------------+---------------+---------------+---------------|
          |   144MB    | (1) 16M x 64  |  (1) 2M x 64  |     None      |
          |------------+---------------+---------------+---------------|
          |   144MB    |  (1) 8M x 64  |  (1) 8M x 64  |  (1) 2M x 64  |
          |------------+---------------+---------------+---------------|
          |   152MB    | (1) 16M x 64  |  (1) 2M x 64  |  (1) 1M x 64  |
          |------------+---------------+---------------+---------------|
          |   160MB    | (1) 16M x 64  |  (1) 2M x 64  |  (1) 2M x 64  |
          |------------+---------------+---------------+---------------|
          |   160MB    | (1) 16M x 64  |  (1) 4M x 64  |     None      |
          |------------+---------------+---------------+---------------|
          |   160MB    |  (1) 8M x 64  |  (1) 8M x 64  |  (1) 4M x 64  |
          |------------+---------------+---------------+---------------|
          |   168MB    | (1) 16M x 64  |  (1) 4M x 64  |  (1) 1M x 64  |
          |------------+---------------+---------------+---------------|
          |   176MB    | (1) 16M x 64  |  (1) 4M x 64  |  (1) 2M x 64  |
          |------------+---------------+---------------+---------------|
          |   192MB    | (1) 16M x 64  |  (1) 4M x 64  |  (1) 4M x 64  |
          |------------+---------------+---------------+---------------|
          |   192MB    | (1) 16M x 64  |  (1) 8M x 64  |     None      |
          |------------+---------------+---------------+---------------|
          |   192MB    |  (1) 8M x 64  |  (1) 8M x 64  |  (1) 8M x 64  |
          |------------+---------------+---------------+---------------|
          |   200MB    | (1) 16M x 64  |  (1) 8M x 64  |  (1) 1M x 64  |
          +------------------------------------------------------------+
       
          +------------------------------------------------------------+
          |                 DIMM CONFIGURATION (CON’T)                 |
          |------------------------------------------------------------|
          |    Size    |    Bank 0     |    Bank 1     |    Bank 2     |
          |------------+---------------+---------------+---------------|
          |   208MB    | (1) 16M x 64  |  (1) 8M x 64  |  (1) 2M x 64  |
          |------------+---------------+---------------+---------------|
          |   224MB    | (1) 16M x 64  |  (1) 8M x 64  |  (1) 4M x 64  |
          |------------+---------------+---------------+---------------|
          |   256MB    | (1) 16M x 64  |  (1) 8M x 64  |  (1) 8M x 64  |
          |------------+---------------+---------------+---------------|
          |   384MB    | (1) 16M x 64  | (1) 16M x 64  | (1) 16M x 64  |
          |------------------------------------------------------------|
          |      Note: Board accepts SDRAM memory.                     |
          +------------------------------------------------------------+
       
          +------------------------------------------------------------+
          |                    CACHE CONFIGURATION                     |
          |------------------------------------------------------------|
          | Note: 256KB/512KB cache is located on the Pentium II CPU.  |
          +------------------------------------------------------------+