(TXT) View Source
       
       # PHILIPS CONSUMER ELECTRONICS, CO.
       
          E853
       
          Device Type     Mainboard                                      
          Processor       AM K5/AM K6/Pentium/Pentium MMX/P24T           
          Processor Speed 75/90/100/120/133/150/166/200/233MHz           
          Chip Set        Intel                                          
          Maximum Onboard 256MB (EDO supported, DIMMs support EDO &      
          Memory          SDRAM)                                         
          Cache           512KB                                          
          BIOS            Award                                          
          Dimensions      250mm x 220mm                                  
          I/O Options     32-bit PCI slots (4), floppy drive interface,  
                          green PC connector, IDE interfaces (2),        
                          parallel port, PS/2 mouse interface, serial    
                          ports (2), cache slot, IR connector, USB       
                          connectors (2)                                 
          NPU Options     None                                           
       
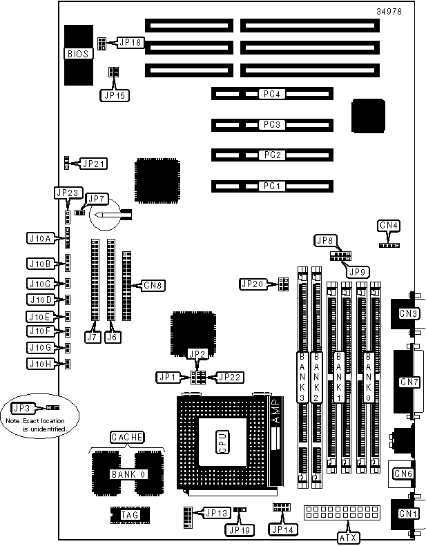
 (IMG) IMG 1
          
       
          +------------------------------------------------------------+
          |                        CONNECTIONS                         |
          |------------------------------------------------------------|
          | Purpose          | Location | Purpose          | Location  |
          |------------------+----------+------------------+-----------|
          | Serial port 1    |   CN1    | Green PC         |   J10D    |
          |                  |          | connector        |           |
          |------------------+----------+------------------+-----------|
          | Serial port 2    |   CN3    | Power switch     |   J10E    |
          |------------------+----------+------------------+-----------|
          | PS/2 mouse       |   CN6    | Green PC LED     |   J10F    |
          | interface        |          |                  |           |
          |------------------+----------+------------------+-----------|
          | Parallel port    |   CN7    | IDE interface    |   J10G    |
          |                  |          | LED              |           |
          |------------------+----------+------------------+-----------|
          | Floppy drive     |   CN8    | ATX LED          |   J10H    |
          | interface        |          |                  |           |
          |------------------+----------+------------------+-----------|
          | IDE interface 2  |    J6    | 32-bit PCI slots | PC1 - PC4 |
          |------------------+----------+------------------+-----------|
          | IDE interface 1  |    J7    | IR connector     |    CN4    |
          |------------------+----------+------------------+-----------|
          | Keylock          |   J10A   | USB connector 1  |    JP8    |
          |------------------+----------+------------------+-----------|
          | Speaker          |   J10B   | USB connector 2  |    JP9    |
          |------------------+----------+------------------+-----------|
          | Reset switch     |   J10C   |                  |           |
          +------------------------------------------------------------+
       
          +------------------------------------------------------------+
          |                 USER CONFIGURABLE SETTINGS                 |
          |------------------------------------------------------------|
          |              Function              | Label |   Position    |
          |------------------------------------+-------+---------------|
          | » | Monitor type select color      |  JP3  |  Pins 1 & 2   |
          |   |                                |       |    closed     |
          |---+--------------------------------+-------+---------------|
          |   | Monitor type select monochrome |  JP3  |  Pins 2 & 3   |
          |   |                                |       |    closed     |
          |---+--------------------------------+-------+---------------|
          | » | CMOS memory normal operation   |  JP7  |    Closed     |
          |---+--------------------------------+-------+---------------|
          |   | CMOS memory clear              |  JP7  |     Open      |
          |---+--------------------------------+-------+---------------|
          | » | Factory configured - do not    | JP14  | Pins 5 & 6, 7 |
          |   | alter                          |       |  & 8 closed   |
          |---+--------------------------------+-------+---------------|
          | » | Factory configured - do not    | JP18  | Pins 1 & 3, 4 |
          |   | alter                          |       |  & 6 closed   |
          |---+--------------------------------+-------+---------------|
          | » | Factory configured - do not    | JP22  |     Open      |
          |   | alter                          |       |               |
          |---+--------------------------------+-------+---------------|
          | » | Factory configured - do not    | JP23  |     Open      |
          |   | alter                          |       |               |
          |------------------------------------------------------------|
          | Note: Exact location of JP3 is unidentified.               |
          +------------------------------------------------------------+
       
          +------------------------------------------------------------+
          |                   MODEM RING ON SETTINGS                   |
          |------------------------------------------------------------|
          |        Function        |   Label   |       Position        |
          |------------------------+-----------+-----------------------|
          | » |      Disabled      |   JP21    |         Open          |
          |---+--------------------+-----------+-----------------------|
          |   |   COM 1 enabled    |   JP21    |   Pins 1 & 2 closed   |
          |---+--------------------+-----------+-----------------------|
          |   |   COM 2 enabled    |   JP21    |   Pins 2 & 3 closed   |
          +------------------------------------------------------------+
       
          +------------------------------------------------------------+
          |                     DRAM CONFIGURATION                     |
          |------------------------------------------------------------|
          |     Size      |       Bank 0        |        Bank 1        |
          |---------------+---------------------+----------------------|
          |      8MB      |    (2) 1MB x 36     |         None         |
          |---------------+---------------------+----------------------|
          |     16MB      |    (2) 2MB x 36     |         None         |
          |---------------+---------------------+----------------------|
          |     16MB      |    (2) 1MB x 36     |     (2) 1MB x 36     |
          |---------------+---------------------+----------------------|
          |     24MB      |    (2) 2MB x 36     |     (2) 1MB x 36     |
          |---------------+---------------------+----------------------|
          |     32MB      |    (2) 4MB x 36     |         None         |
          |---------------+---------------------+----------------------|
          |     32MB      |    (2) 2MB x 36     |     (2) 2MB x 36     |
          |---------------+---------------------+----------------------|
          |     40MB      |    (2) 4MB x 36     |     (2) 1MB x 36     |
          |---------------+---------------------+----------------------|
          |     48MB      |    (2) 4MB x 36     |     (2) 2MB x 36     |
          |---------------+---------------------+----------------------|
          |     64MB      |    (2) 8MB x 36     |         None         |
          |---------------+---------------------+----------------------|
          |     64MB      |    (2) 4MB x 36     |     (2) 4MB x 36     |
          |---------------+---------------------+----------------------|
          |     72MB      |    (2) 8MB x 36     |     (2) 1MB x 36     |
          |---------------+---------------------+----------------------|
          |     80MB      |    (2) 8MB x 36     |     (2) 2MB x 36     |
          |---------------+---------------------+----------------------|
          |     96MB      |    (2) 8MB x 36     |     (2) 4MB x 36     |
          |---------------+--------------------------------------------|
          |     128MB     |     (2) 8MB x 36     |    (2) 8MB x 36     |
          |---------------+----------------------+---------------------|
          |     128MB     |    (2) 16MB x 36     |        None         |
          |---------------+----------------------+---------------------|
          |     136MB     |    (2) 16MB x 36     |    (2) 1MB x 36     |
          +------------------------------------------------------------+
       
          +------------------------------------------------------------+
          |                 DRAM CONFIGURATION (CONT.)                 |
          |------------------------------------------------------------|
          |    Size     |         Bank 0         |       Bank 1        |
          |-------------+------------------------+---------------------|
          |    144MB    |     (2) 16MB x 36      |    (2) 2MB x 36     |
          |-------------+------------------------+---------------------|
          |    160MB    |     (2) 16MB x 36      |    (2) 4MB x 36     |
          |-------------+------------------------+---------------------|
          |    192MB    |     (2) 16MB x 36      |    (2) 8MB x 36     |
          |-------------+------------------------+---------------------|
          |    256MB    |     (2) 16MB x 36      |    (2) 16MB x 36    |
          |------------------------------------------------------------|
          | Note: Board accepts EDO memory. Board also accepts x 32    |
          | SIMMs. Banks are interchangeable                           |
          +------------------------------------------------------------+
       
          +------------------------------------------------------------+
          |                     DIMM CONFIGURATION                     |
          |------------------------------------------------------------|
          |    Size     |         Bank 2         |       Bank 3        |
          |-------------+------------------------+---------------------|
          |     8MB     |      (1) 1MB x 64      |        None         |
          |-------------+------------------------+---------------------|
          |    16MB     |      (1) 1MB x 64      |    (1) 1MB x 64     |
          |-------------+------------------------+---------------------|
          |    16MB     |      (1) 2MB x 64      |        None         |
          |-------------+------------------------+---------------------|
          |    24MB     |      (1) 2MB x 64      |     (1) 1MB 64      |
          |-------------+------------------------+---------------------|
          |    32MB     |      (1) 2MB x 64      |    (1) 2MB x 64     |
          |-------------+------------------------+---------------------|
          |    32MB     |      (1) 4MB x 64      |        None         |
          |-------------+------------------------+---------------------|
          |    40MB     |      (1) 4MB x 64      |    (1) 1MB x 64     |
          |-------------+------------------------+---------------------|
          |    48MB     |      (1) 4MB x 64      |    (1) 2MB x 64     |
          |-------------+------------------------+---------------------|
          |    64MB     |      (1) 4MB x 64      |    (1) 4MB x 64     |
          |-------------+------------------------+---------------------|
          |    64MB     |      (1) 8MB x 64      |        None         |
          |------------------------------------------------------------|
          | Note: Board accepts EDO & SDRAM DIMM modules. Banks are    |
          | interchangeable. DIMM modules cannot be used in            |
          | conjunction with SIMM modules.                             |
          +------------------------------------------------------------+
       
          +------------------------------------------------------------+
          |                CPU SPEED SELECTION (AMD K5)                |
          |------------------------------------------------------------|
          |   CPU    |   Clock   | Multiplier |  JP1  |  JP2  |  JP20  |
          |  speed   |   speed   |            |       |       |        |
          |----------+-----------+------------+-------+-------+--------|
          |  90MHz   |   60MHz   |    1.5x    | 1 & 2 | 1 & 2 | Closed |
          |----------+-----------+------------+-------+-------+--------|
          |  100MHz  |   66MHz   |    1.5x    | 1 & 2 | 1 & 2 |  Open  |
          |----------+-----------+------------+-------+-------+--------|
          |  120MHz  |   60MHz   |    1.5x    | 1 & 2 | 1 & 2 | Closed |
          |----------+-----------+------------+-------+-------+--------|
          |  133MHz  |   66MHz   |     2x     | 2 & 3 | 1 & 2 |  Open  |
          |----------+-----------+------------+-------+-------+--------|
          |  166MHz  |   66MHz   |    2.5x    | 2 & 3 | 2 & 3 |  Open  |
          |------------------------------------------------------------|
          | Note: Pins designated should be in the closed position.    |
          +------------------------------------------------------------+
       
          +------------------------------------------------------------+
          |                CPU SPEED SELECTION (AMD K6)                |
          |------------------------------------------------------------|
          | CPU speed  |   Clock   | Multiplier |  JP1  |  JP2  | JP20 |
          |            |   speed   |            |       |       |      |
          |------------+-----------+------------+-------+-------+------|
          |   166MHz   |   66MHz   |    2.5x    | 2 & 3 | 2 & 3 | Open |
          |------------+-----------+------------+-------+-------+------|
          |   200MHz   |   66MHz   |     3x     | 1 & 2 | 2 & 3 | Open |
          |------------+-----------+------------+-------+-------+------|
          |   233MHz   |   66MHz   |    3.5x    | 1 & 2 | 1 & 2 | Open |
          |------------------------------------------------------------|
          | Note: Pins designated should be in the closed position.    |
          +------------------------------------------------------------+
       
          +------------------------------------------------------------+
          |               CPU SPEED SELECTION (PENTIUM)                |
          |------------------------------------------------------------|
          |   CPU    |   Clock   | Multiplier |  JP1  |  JP2  |  JP20  |
          |  speed   |   speed   |            |       |       |        |
          |----------+-----------+------------+-------+-------+--------|
          |  90MHz   |   60MHz   |    1.5x    | 1 & 2 | 1 & 2 | Closed |
          |----------+-----------+------------+-------+-------+--------|
          |  100MHz  |   66MHz   |    1.5x    | 1 & 2 | 1 & 2 |  Open  |
          |----------+-----------+------------+-------+-------+--------|
          |  120MHz  |   60MHz   |     2x     | 2 & 3 | 1 & 2 | Closed |
          |----------+-----------+------------+-------+-------+--------|
          |  133MHz  |   66MHz   |     2x     | 2 & 3 | 1 & 2 |  Open  |
          |----------+-----------+------------+-------+-------+--------|
          |  150MHz  |   60MHz   |    2.5x    | 2 & 3 | 2 & 3 | Closed |
          |----------+-----------+------------+-------+-------+--------|
          |  166MHz  |   66MHz   |    2.5x    | 2 & 3 | 2 & 3 |  Open  |
          |----------+-----------+------------+-------+-------+--------|
          |  200MHz  |   66MHz   |     3x     | 1 & 2 | 2 & 3 |  Open  |
          |------------------------------------------------------------|
          | Note: Pins designated should be in the closed position.    |
          +------------------------------------------------------------+
       
          +------------------------------------------------------------+
          |             CPU SPEED SELECTION (PENTIUM MMX)              |
          |------------------------------------------------------------|
          | CPU speed  |   Clock   | Multiplier |  JP1  |  JP2  | JP20 |
          |            |   speed   |            |       |       |      |
          |------------+-----------+------------+-------+-------+------|
          |   166MHz   |   66MHz   |    2.5x    | 2 & 3 | 2 & 3 | Open |
          |------------+-----------+------------+-------+-------+------|
          |   200MHz   |   66MHz   |     3x     | 1 & 2 | 2 & 3 | Open |
          |------------+-----------+------------+-------+-------+------|
          |   233MHz   |   66MHz   |    1.5x    | 1 & 2 | 1 & 2 | Open |
          |------------------------------------------------------------|
          | Note: Pins designated should be in the closed position.    |
          +------------------------------------------------------------+
       
          +------------------------------------------------------------+
          |                   CPU VOLTAGE SELECTION                    |
          |------------------------------------------------------------|
          |          Voltage          |              JP13              |
          |---------------------------+--------------------------------|
          |           2.8v            |       Pins 7 & 8 closed        |
          |---------------------------+--------------------------------|
          |           2.9v            |       Pins 5 & 6 closed        |
          |---------------------------+--------------------------------|
          |           3.2v            |       Pins 9 & 10 closed       |
          |---------------------------+--------------------------------|
          |          » 3.3v           |       Pins 3 & 4 closed        |
          |---------------------------+--------------------------------|
          |           3.5v            |       Pins 1 & 2 closed        |
          +------------------------------------------------------------+
       
          +------------------------------------------------------------+
          |                 CHIPSET VOLTAGE SELECTION                  |
          |------------------------------------------------------------|
          |          Voltage          |              JP15              |
          |---------------------------+--------------------------------|
          | » |         3.3v          |       Pins 1 & 2 closed        |
          |---+-----------------------+--------------------------------|
          |   |         3.5v          |       Pins 3 & 4 closed        |
          +------------------------------------------------------------+